👉 Projekty w extracenach + karta allegro 200 zł! 🔥

Koniec oferty za:

0dni

00godz.

00min.

00sek.

Sprawdź

Projekt domu Sułtan BSB1023

Zapisz Dodano!
Porównaj Dodano!
ikona Pobierz i drukuj
Dodaj opinię

Warstwy

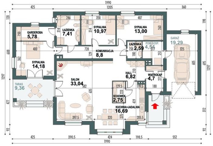
Rzut parteru

Powierzchnia (m²)
Tooltip
Powierzchnia pomieszczenia
to ta, z której faktycznie możesz korzystać – skosy i niskie części poddasza są liczone częściowo lub wcale.
  1. 100% dla wysokości powyżej 2,2 m,
  2. 50% dla wysokości 1,4–2,2 m,
  3. nie liczymy poniżej 1,4 m.

Powierzchnia podłogi
Liczymy po obrysie pomieszczenia, bez względu na jego wysokość/skosy. Jeśli nie ma skosów to powierzchnia podłogi i pomieszczenia jest taka sama.
pomieszczenia i podłogi
podłogi
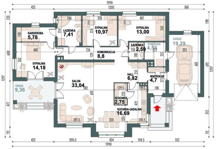
1. Wiatrołap
4,70
2. Hall
6,82
3. Garaż jednostanowiskowy
19,29
4. Kotłownia
4,54
5. Łazienka
2,59
6. Pokój
13
7. Pokój
10,97
8. Korytarz
8,80
9. Łazienka
7,41
10. Garderoba
5,78
11. Pokój
14,18
12. Pokój dzienny
33,04
13. Pomieszczenie gospodarcze
2,75
14. Kuchnia + jadalnia
16,69
Razem
150,56
150,56
15. Taras
9,36

    Usytuowanie na działce

    Czy ten projekt pasuje na
    Twoją działkę?

    Chętnie to sprawdzimy!

    Dowiedz się:

    • czy zmieści się na niej wybrany przez Ciebie dom
    • jakie parametry musi spełniać dom według miejscowego planu zagospodarowania lub warunków zabudowy (np. kąt nachylenia i typ dachu, liczba kondygnacji itp.
    • jakie inne projekty pasują na Twoją działkę – znajdziemy je dla Ciebie!

Pow. użytkowa

126,73 m²

Pokoje

3

Łazienki i WC

2

Garaż

1

Kąt dachu

30°

Wysokość budynku

7,52 m

Powierzchnia zabudowy

210,29 m²

Min. szer. i dł. działki

26,9 x 20,97 m

Konstrukcja

ikona
Murowana

Pokaż więcej parametrów

Zapisz Dodano!
Porównaj Dodano!
ikona Pobierz i drukuj

Sułtan - BSB1023

ikona 126,73 m²
Powierzchnia użytkowa
ikona3
Pokoje (bez salonu)
ikona 2
Łazienki (z toaletami)
ikona 1
Liczba stanowisk garażowych
(z wiatą garażową)
ikona
Konstrukcja: Murowana

Projekt został
wycofany z oferty

W razie pytań prosimy o kontakt
z Centrum Obsługi Klienta
Konsultant
71 715 20 60

pon.-pt. 8-21, sob. 9-17

Parter - 150,56 m²

Projekt domu Sułtan - rzut parteru, dom liczy 3 pokoje, 2 łazienki i wc

Zapytaj, co możesz zmienić

Powierzchnia (m²)
Tooltip
Powierzchnia pomieszczenia
to ta, z której faktycznie możesz korzystać – skosy i niskie części poddasza są liczone częściowo lub wcale.
  1. 100% dla wysokości powyżej 2,2 m,
  2. 50% dla wysokości 1,4–2,2 m,
  3. nie liczymy poniżej 1,4 m.

Powierzchnia podłogi
Liczymy po obrysie pomieszczenia, bez względu na jego wysokość/skosy. Jeśli nie ma skosów to powierzchnia podłogi i pomieszczenia jest taka sama.
pomieszczenia i podłogi
podłogi
1. Wiatrołap
4,70
2. Hall
6,82
3. Garaż jednostanowiskowy
19,29
4. Kotłownia
4,54
5. Łazienka
2,59
6. Pokój
13
7. Pokój
10,97
8. Korytarz
8,80
9. Łazienka
7,41
10. Garderoba
5,78
11. Pokój
14,18
12. Pokój dzienny
33,04
13. Pomieszczenie gospodarcze
2,75
14. Kuchnia + jadalnia
16,69
Razem
150,56
150,56
15. Taras
9,36

Podobne projekty (1551)

Zobacz wszystkie
NIŻSZA CENA 🔥
Zdjęcie 1 projektu Willa Parterowa 2 WAH1883
Willa Parterowa 2
Dodano!
Dodano!
135,75 m²
4
3
2

6 352 zł

7 940 zł

Tooltip

Cena regularna

6 352 zł najniższa cena
Tooltip

Najniższa cena z 30 dni
przed obniżką

NIŻSZA CENA 🔥
Zdjęcie 1 projektu Wąski 3 WAH2055
Wąski 3
Dodano!
Dodano!
123,72 m²
4
2
1

5 952 zł

7 440 zł

Tooltip

Cena regularna

5 952 zł najniższa cena
Tooltip

Najniższa cena z 30 dni
przed obniżką

NIŻSZA CENA 🔥
Zdjęcie 1 projektu Sej-pro 071/1 energo ELW1045
Sej-pro 071/1 energo
Dodano!
Dodano!
136,16 m²
4
2
0

4 997 zł

5 297 zł

Tooltip

Cena regularna

4 997 zł najniższa cena
Tooltip

Najniższa cena z 30 dni
przed obniżką

NIŻSZA CENA 🔥
Zdjęcie 1 projektu PióroArchitekci – 19 KZN1008
PióroArchitekci – 19
Dodano!
Dodano!
132,50 m²
4
2
0

4 000 zł

4 300 zł

Tooltip

Cena regularna

4 000 zł najniższa cena
Tooltip

Najniższa cena z 30 dni
przed obniżką

NIŻSZA CENA 🔥
Zdjęcie 1 projektu Przejrzysty D27 wariant I WWB1052
Przejrzysty D27 wariant I
Dodano!
Dodano!
129,99 m²
3
2
2

4 649 zł

4 949 zł

Tooltip

Cena regularna

4 549 zł najniższa cena
Tooltip

Najniższa cena z 30 dni
przed obniżką

NIŻSZA CENA 🔥
Nowość
Zdjęcie 1 projektu Adela Rex (1969) KRD3103
Adela Rex (1969)
Dodano!
Dodano!
130,90 m²
4
2
2

3 752 zł

4 102 zł

Tooltip

Cena regularna

3 752 zł najniższa cena
Tooltip

Najniższa cena z 30 dni
przed obniżką

NIŻSZA CENA 🔥
Zdjęcie 1 projektu Parterowy 3 wariant B WAH1932
Parterowy 3 wariant B
Dodano!
Dodano!
122,77 m²
3
2
2

6 112 zł

7 640 zł

Tooltip

Cena regularna

6 112 zł najniższa cena
Tooltip

Najniższa cena z 30 dni
przed obniżką

NIŻSZA CENA 🔥
Zdjęcie 1 projektu Dom przy Rubinowej 3 KRK1273
Dom przy Rubinowej 3
Dodano!
Dodano!
115,34 m²
3
2
1

3 390 zł

3 890 zł

Tooltip

Cena regularna

3 290 zł najniższa cena
Tooltip

Najniższa cena z 30 dni
przed obniżką

Elewacje

Frontowa
Tylna
Lewa
Prawa

Przekroje

Przekrój pionowy

Usytuowanie na działce

Czy ten projekt pasuje na
Twoją działkę?

Chętnie to sprawdzimy!

Czy ten projekt pasuje na
Twoją działkę?

Chętnie to sprawdzimy!

Dowiedz się:

  • czy zmieści się na niej wybrany przez Ciebie dom
  • jakie parametry musi spełniać dom według miejscowego planu zagospodarowania lub warunków zabudowy (np. kąt nachylenia i typ dachu, liczba kondygnacji itp.
  • jakie inne projekty pasują na Twoją działkę – znajdziemy je dla Ciebie!
Autor: DOMINANTA K.SUTUŁA, K.BURZYŃSKI, K.MARKIEWICZ s.j.

Dane techniczne projektu

Powierzchnie i wymiary Powierzchnie i wymiary

Powierzchnia użytkowa
Tooltip
Suma powierzchni wszystkich pomieszczeń mieszkalnych, pomniejszona o pow. garażu, kotłowni, strychu, piwnicy. Jest liczona w 100% dla pomieszczeń o wysokości powyżej 2,2 m, w 50% dla pomieszczeń o wys. 2,2-1,4 m i niewliczana dla niższych niż 1,4 m.

126,73 m²

Powierzchnia zabudowy
Tooltip
Powierzchnia zajmowana przez część na- oraz nadziemną budynku liczona, jako rzut pionowy budynku na działkę.

210,29 m²

Powierzchnia całkowita
Tooltip
Całkowita powierzchnia wszystkich kondygnacji budynku łącznie z elementami nośnymi, takimi jak ściany zewnętrzne (z ociepleniem), słupy, tarasy, itp.

193,97 m²

Kubatura brutto
Tooltip
Zazwyczaj jest to suma kubatur (objętości) wszystkich pomieszczeń budynku, liczonych po zewnętrznym obrysie murów (z ociepleniem).

1 152 m³

Powierzchnia dachu

277 m²

Kąt nachylenia dachu
Tooltip
Nachylenie połaci dachu głównego podawane w stopniach. Uwaga! W niektórych projektach występuje więcej niż jedno nachylenie dachu.

30°

Wysokość budynku
Tooltip
Wysokość liczona od części budynku położonej najniżej przy powierzchni terenu do najwyższego punktu dachu (kalenicy) z wyłączeniem kominów.

7,52 m

Szerokość elewacji

19,90 m

Długość elewacji

12,97 m

Min. szerokość działki
Tooltip
Najmniejsza możliwa szerokość działki niezbędna do wybudowania wybranego domu. Składa się z szerokości elewacji domu powiększonej z obu stron o 3 m dla ściany bez otworów drzwiowych/okiennych lub 4 m, dla ściany z otworami.

26,90 m

Min. długość działki
Tooltip
Najmniejsza możliwa długość działki niezbędna do wybudowania wybranego domu. Składa się z długości elewacji domu powiększonej z obu stron o 3 m dla ściany bez otworów drzwiowych/okiennych lub 4 m, dla ściany z otworami.

20,97 m

Energooszczędność Energooszczędność

Oze Czym jest OZE (Odnawialne Źródło Energii)?
Euco
Tooltip
Energia użytkowa potrzebna do ogrzewania i wentylacji. Im parametr jest niższy tym budynek bardziej energooszczędny.

29 kWh/(m²rok)

Warunki techniczne

Projekt zgody z WT 2021

Technologia i konstrukcja Technologia i konstrukcja

Konstrukcja

Murowana

Opis szczegółowy

Ściany zewnętrzne: tradycyjne dwuwarstwowe i trójwarstwowe. Stropy: żelbetowe monolityczne. Schody wewnętrzne: brak. Dach: wielospadowy o konstrukcji drewnianej z pokryciem z dachówki ceramicznej, cementowej lub blachodachówki.

Strop

Żelbetowy

Reklama
Okna i drzwi tarasowe

Nowoczesne okna PVC i aluminiowe WIŚNIOWSKI – doskonała izolacja, elegancki design i niezrównana trwałość.

Wiśniowski
Sprawdź parametry!
Okna dachowe

Oferujemy bezpłatne konsultacje w zakresie wszystkich rozwiązań VELUX. Wyceny, porady dotyczące doboru okien i rolet zewnętrznych - sprawdź!

Velux
Sprawdź szczegóły
Okna i drzwi tarasowe

Systemy drzwi i okien z myślą o nowoczesnej architekturze i dużych przeszkleniach tarasowych.

Drutex
Sprawdź ofertę!
Pompa ciepła

Wybierz pompę ciepła, która pasuje do Twojego domu. Niezależnie od tego, czy ustawienie wewnątrz czy na zewnątrz, pompy ciepła STIEBEL ELTRON dopasują się do każdej przestrzeni.

Stiebel
Dobierz pompę ciepła
Drzwi

Idealne połączenie sztuki z technologią! Nowoczesne i energooszczędne drzwi wyróżniają się doskonałym połączeniem funkcjonalności, wysokiej estetyki wykonania oraz unikalnego stylu.

Drutex
Zobacz więcej
Drzwi

Ciepłe drzwi WIŚNIOWSKI z kontrolą dostępu. Szeroka gama wzorów i kolorów.

Wiśniowski
Wybierz najlepsze
Bramy garażowe

Automatyczne bramy garażowe segmentowe i uchylne WIŚNIOWSKI na wymiar i z systemem smart home w standardzie.

Wiśniowski
Sprawdź ofertę!
Rekuperacja

Alnor - kompletny system rekuperacji. Dobierz idealne rozwiązanie dla Twojego domu!

Alnor
Dobierz rekuperator
Dach

Producent stalowych pokryć dachowych i systemów elewacyjnych. Precyzja wykonania, trwałość na lata i szybki montaż doceniany przez dekarzy. Postaw na solidny dach Budmat.

Budmat
Sprawdź ofertę
Ogrodzenie

Nowoczesne stalowe ogrodzenia Budmat - estetyka, bezpieczeństwo i trwałość na lata. Systemowe rozwiązania na wymiar, dopasowane do każdego domu.

Budmat
Sprawdź ofertę

Gotowe domy - najszybszy sposób na dom (115)

Zobacz wszystkie
  • Stan deweloperski nawet w 6 miesięcy
  • Gwarancja stałej ceny
Skonfiguruj dom
Zdjęcie 1 projektu Bergen 130 HUS1002
130,40 m²
4
Stan deweloperski brutto
529 000 zł 4 057 zł/m²
Zdjęcie 1 projektu Dom prefabrykowany Parterowy 120B HFX1048
123,51 m²
4
Stan deweloperski brutto
515 000 zł 4 170 zł/m²
Zdjęcie 1 projektu Dom prefabrykowany Parterowy 120A HFX1047
122,73 m²
3
Stan deweloperski brutto
515 000 zł 4 196 zł/m²
Zdjęcie 1 projektu Dom prefabrykowany FastHome 130B HFX1034
131,14 m²
4
Stan deweloperski brutto
599 000 zł 4 568 zł/m²
Zdjęcie 1 projektu Dom szkieletowy Twin Smart 170 HHT1031
121,95 m²
5
Stan deweloperski brutto
1 650 700 zł 13 536 zł/m²
Zdjęcie 1 projektu Dom prefabrykowany FastHome 130A HFX1032
131,73 m²
4
Stan deweloperski brutto
590 000 zł 4 479 zł/m²
Zdjęcie 1 projektu Dom prefabrykowany P.3 z okapem HPK1013
121,46 m²
5
Stan deweloperski brutto
630 000 zł 5 187 zł/m²
Zdjęcie 1 projektu Dom prefabrykowany P.3 bez okapu HPK1002
121,46 m²
5
Stan deweloperski brutto
617 300 zł 5 082 zł/m²

Opis projektu domu
Sułtan

Projekt domu Sułtan to ciekawa propozycja dla osób posiadających średniej szerokości działkę. Dom posiada typową bryłę, więc jego realizacja nie pochłonie zbyt wielu środków finansowych. Dom został stworzony do zabudowy wolnostojącej. W projekcie zaproponowano garaż jednostanowiskowy w bryle budynku. Jest to również ciekawa propozycja dla osób szukających domu z dachem namiotowym, który należy do najsolidniejszych konstrukcji dachowych. Projekt Sułtan to dom parterowy, co jest szczególnie istotne w przypadku domowników w starszym wieku oraz osób niepełnosprawnych czy z małymi dziećmi. Uwzględniona w projekcie część dzienna z pewnością zadowoli osoby lubiące cieszyć się wspólnymi chwilami w rodzinnym gronie. Doskonale przemyślane rozwiązania w kuchni dają wiele możliwości aranżacyjnych oraz ułatwią codzienne korzystanie. Dodatkowo w salonie przewidziano kominek, nadający wnętrzu niepowtarzalny klimat. W domu przewidziane są dwie w pełni funkcjonalne łazienki. Trzy komfortowe pokoje zaspokoją potrzeby 2-4 osobowej rodziny. Przestrzeń można wykorzystać także jako pokój dla gości lub gabinet. Wewnętrzny układ przewiduje miejsce na garderobę, dzięki której utrzymanie porządku w pokojach stanie się o wiele łatwiejsze. W projekcie nie mogło również zabraknąć miejsca na wyjątkowo przydatne pomieszczenie gospodarcze. Taras przy domu sprzyja spędzaniu czasu na świeżym powietrzu. Warto także zwrócić uwagę na werandę, na której można spędzać przyjemnie czas nawet podczas nieciekawej pogody. Projekt powstał z myślą o Inwestorach, którzy planują zbudować dom w technologii murowanej. Sułtan jest doskonałą propozycją dla Inwestorów szukających domu tradycyjnego, dzięki czemu idealnie wpisze się w dowolny krajobraz.
Czytaj więcej

Polecani producenci

Kompletne systemy rekuperacji

tło producenta

Alnor

Dowiedz się więcej

Dachy modułowe ze stali

tło producenta

Budmat

Poznaj szczegóły oferty

Prefabrykowane konstrukcje dachowe

tło producenta

WIĄZAR POLSKA

Zobacz więcej
Zobacz więcej

Społeczność projektu domu
Sułtan w budowie

Dołącz do społeczności osób, które budują ten dom lub są zainteresowane jego budową.

  • Oglądaj zdjęcia z budowy
  • Zadawaj pytania
  • Wymieniaj się doświadczeniami

Opinie o projekcie domu
Sułtan

Opinie niezweryfikowane

Bądź pierwszy!
Ten projekt nie ma jeszcze opinii, bądź pierwszy!

ikona Dodaj opinię o projekcie

Wywiady mieszkańców domu Sułtan

Zdjęcie profilowe użytkownika hartmann hartmann

Zdecydowałem się na projekt Sułtan BSB1023, ponieważ odpowiadał mi pod wieloma względami. Od początku zależało mi na domu parterowym z jednoczesną możliwością zaadaptowania poddasza na użytkowe, jeśli w przyszłości zajdzie taka potrzeba. Dodatkowo forma budynku świetnie wpasowywała się w wymiary naszej działki, a uwzględniony w nim układ pomieszczeń wyjątkowo przypadł mi do gustu.Na szczęście podczas budowy nie mieliśmy żadnych problemów. Współpracujący z nami fachowcy ze wszystkim sprawnie sobie poradzili i nie mieli zastrzeżeń do dokumentacji technicznej. Realizacja przebiegła w bardzo krótkim czasie, gdyż budynek powstał z ceramicznych pustaków murowanych na piankę - trzeba przyznać, że to naprawdę szybka metoda. Postawienie domu, przykrycie dachu oraz wstawienie stolarki otworowej zajęło nam niecałe pół roku.Ściany zostały wykonane z pustaków Porotherm DRYFIX 30 cm marki Wienerberger, zaś dach przykryłem dachówką ceramiczną. Mimo, iż oryginalny projekt nie przewiduje takiej instalacji, zdecydowałem się na zastosowanie pompy ciepła. Uważam, że koszty oszacowane przez architekta zostały nieco przesadzone i myślę, że projekt Sułtan BSB1023 bez trudności można zrealizować przy mniejszym nakładzie finansowym. Stan surowy zamknięty bez dachu wyniósł nas ok. 160 tys. zł przy zatrudnieniu firmy. Z kolei materiały użyte do wykonania dachu łącznie z robocizną dekarzy kosztowały nas niecałe 20 tys. zł.Układ pomieszczeń od początku nam odpowiadał, dlatego też nie czuliśmy potrzeby wprowadzania zmian do oryginalnej wersji projektu domu parterowego Sułtan BSB1023. Rozwiązaniem, które szczególnie mi się podoba jest możliwość adaptacji poddasza, jeśli kiedyś będę chciał powiększyć metraż naszego domu. W stropie, nad powierzchnią przy wiatrołapie wykonałem otwór, który następnie zaślepiłem płytą karton-gips. W każdej chwili mogę ją wykręcić i wykonać w tym miejscu schody na górę. Znam kilka przypadków, gdy Inwestorzy zalewali cały strop, a po kilku latach w celu zaaranżowania poddasza musieli w tej konstrukcji wycinać otwór, co wiązało się z dużym nakładem pracy i niemałymi wydatkami. Myślę więc, że warto pomyśleć o tym wcześniej i zdecydować się na rozwiązanie z karton-gipsem. Pozdrawiam

ASYSTENT WYBORU PROJEKTU

Szukasz idealnego projektu? Znajdziemy go dla Ciebie!

Doradca na podstawie Twoich wskazówek przygotuje spersonalizowaną listę projektów

Graficzne opracowanie rzutów poglądowych widocznych na karcie projektu zostało wykonane przez Extradom.pl. Prezentowane przez Extradom.pl wizualizacje wykonane zostały przez autora projektu i należy poczytywać je jedynie za przykład i propozycję wykończenia, wizję architektoniczną autora projektu. Ostateczne wykończenie budynku może nastąpić na wiele sposobów. Szczegółowe rozwiązania zastosowane w oferowanej dokumentacji - w tym również ilość, lokalizacje i wygląd okien, drzwi, kominów - mogą w niewielkim stopniu różnić się od prezentowanej wizualizacji budynku.

REKLAMA
Zamknij