Projekty nawet 500 zł taniej ❄️

Koniec oferty za:

0dni

00godz.

00min.

00sek.

Sprawdź

Projekt domu Ancona II KRH1298

Dodano!
Dodano!

Warstwy

Warstwy

Rzut parteru

Powierzchnia (m²)
Tooltip
Powierzchnia pomieszczenia
to ta, z której faktycznie możesz korzystać – skosy i niskie części poddasza są liczone częściowo lub wcale.
  1. 100% dla wysokości powyżej 2,2 m,
  2. 50% dla wysokości 1,4–2,2 m,
  3. nie liczymy poniżej 1,4 m.

Powierzchnia podłogi
Liczymy po obrysie pomieszczenia, bez względu na jego wysokość/skosy. Jeśli nie ma skosów to powierzchnia podłogi i pomieszczenia jest taka sama.
pomieszczenia
podłogi
1. Wiatrołap
3,86
3,86
2. Hall + schody
12,65
14,04
3. Kuchnia
14,47
14,47
4. Pokój dzienny
22,29
22,29
5. Pokój
11,86
11,86
6. Pokój
11,08
11,08
7. Łazienka
4,41
4,41
8. Kotłownia
6,58
6,58
9. Pomieszczenie gospodarcze
1,55
3,26
Razem
88,75
91,85
Powierzchnia (m²)
Tooltip
Powierzchnia pomieszczenia
to ta, z której faktycznie możesz korzystać – skosy i niskie części poddasza są liczone częściowo lub wcale.
  1. 100% dla wysokości powyżej 2,2 m,
  2. 50% dla wysokości 1,4–2,2 m,
  3. nie liczymy poniżej 1,4 m.

Powierzchnia podłogi
Liczymy po obrysie pomieszczenia, bez względu na jego wysokość/skosy. Jeśli nie ma skosów to powierzchnia podłogi i pomieszczenia jest taka sama.
pomieszczenia
podłogi
1. Korytarz
6,38
6,38
2. Pokój
14,02
23,46
3. Pokój
14,02
23,46
4. Pokój
10,85
19,02
5. Łazienka
6,72
13,43
6. Garderoba
6,66
6,66
7. Schody
2,70
2,70
Razem
61,35
95,11

    Usytuowanie na działce

    Czy ten projekt pasuje na
    Twoją działkę?

    Chętnie to sprawdzimy!

    Dowiedz się:

    • czy zmieści się na niej wybrany przez Ciebie dom
    • jakie parametry musi spełniać dom według miejscowego planu zagospodarowania lub warunków zabudowy (np. kąt nachylenia i typ dachu, liczba kondygnacji itp.
    • jakie inne projekty pasują na Twoją działkę – znajdziemy je dla Ciebie!

Pow. użytkowa

150,10 m²

Pokoje

5

Łazienki i WC

2

Garaż

0

Kąt dachu

40°

Konstrukcja

Murowana
więcej

Ancona II - KRH1298

ikona 150,10 m²
Powierzchnia użytkowa
ikona5
Pokoje (bez salonu)
ikona 2
Łazienki (z toaletami)
ikona 0
Liczba stanowisk garażowych
(z wiatą garażową)
ikona
Konstrukcja: Murowana

Projekt został
wycofany z oferty

W razie pytań prosimy o kontakt
z Centrum Obsługi Klienta
Konsultant Masz pytania?
Zadzwoń
71 715 20 02

pon.-pt. 8-21, sob. 9-17

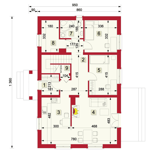
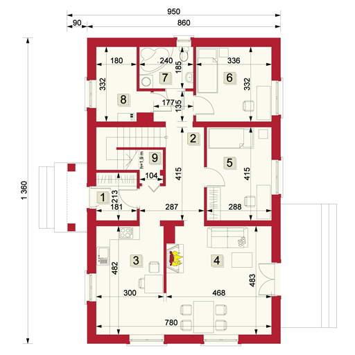
Parter - 88,75 m²

Parter projektu Ancona II

Zapytaj, co możesz zmienić

Powierzchnia (m²)
Tooltip
Powierzchnia pomieszczenia
to ta, z której faktycznie możesz korzystać – skosy i niskie części poddasza są liczone częściowo lub wcale.
  1. 100% dla wysokości powyżej 2,2 m,
  2. 50% dla wysokości 1,4–2,2 m,
  3. nie liczymy poniżej 1,4 m.

Powierzchnia podłogi
Liczymy po obrysie pomieszczenia, bez względu na jego wysokość/skosy. Jeśli nie ma skosów to powierzchnia podłogi i pomieszczenia jest taka sama.
pomieszczenia
podłogi
1. Wiatrołap
3,86
3,86
2. Hall + schody
12,65
14,04
3. Kuchnia
14,47
14,47
4. Pokój dzienny
22,29
22,29
5. Pokój
11,86
11,86
6. Pokój
11,08
11,08
7. Łazienka
4,41
4,41
8. Kotłownia
6,58
6,58
9. Pomieszczenie gospodarcze
1,55
3,26
Razem
88,75
91,85

Poddasze - 61,35 m²

Poddasze projektu Ancona II

Zapytaj, co możesz zmienić

Powierzchnia (m²)
Tooltip
Powierzchnia pomieszczenia
to ta, z której faktycznie możesz korzystać – skosy i niskie części poddasza są liczone częściowo lub wcale.
  1. 100% dla wysokości powyżej 2,2 m,
  2. 50% dla wysokości 1,4–2,2 m,
  3. nie liczymy poniżej 1,4 m.

Powierzchnia podłogi
Liczymy po obrysie pomieszczenia, bez względu na jego wysokość/skosy. Jeśli nie ma skosów to powierzchnia podłogi i pomieszczenia jest taka sama.
pomieszczenia
podłogi
1. Korytarz
6,38
6,38
2. Pokój
14,02
23,46
3. Pokój
14,02
23,46
4. Pokój
10,85
19,02
5. Łazienka
6,72
13,43
6. Garderoba
6,66
6,66
7. Schody
2,70
2,70
Razem
61,35
95,11

Podobne projekty (6345)

Zobacz wszystkie
NIŻSZA CENA❄️
Nowość
Zdjęcie 1 projektu Stodoła Family KNT1012
Stodoła Family
Dodano!
Dodano!
132,70 m²
4
2
0

5 350 zł

5 800 zł

Tooltip

Cena regularna

5 000 zł najniższa cena
Tooltip

Najniższa cena z 30 dni
przed obniżką

Zdjęcie 1 projektu Nasza Stodoła S powiększona wersja szkieletowa KRY1011
126,38 m²
4
3
1

5 500 zł

NIŻSZA CENA❄️
Zdjęcie 1 projektu Rozsądny WAH1539
Rozsądny
Dodano!
Dodano!
165,45 m²
5
2
1

5 080 zł

6 350 zł

Tooltip

Cena regularna

4 762 zł najniższa cena
Tooltip

Najniższa cena z 30 dni
przed obniżką

NIŻSZA CENA❄️
Zdjęcie 1 projektu Lungo 3 WOF1131
Lungo 3
Dodano!
Dodano!
129,44 m²
4
2
0

3 399 zł

3 599 zł

Tooltip

Cena regularna

3 299 zł najniższa cena
Tooltip

Najniższa cena z 30 dni
przed obniżką

NIŻSZA CENA❄️
Zdjęcie 1 projektu Albatros WAH1506
Albatros
Dodano!
Dodano!
128,63 m²
4
3
1

4 784 zł

5 980 zł

Tooltip

Cena regularna

4 485 zł najniższa cena
Tooltip

Najniższa cena z 30 dni
przed obniżką

Nowość
Zdjęcie 1 projektu Tyniec 03A KZB1027
Tyniec 03A
Dodano!
Dodano!
136,04 m²
5
3
2

4 700 zł

NIŻSZA CENA❄️
Zdjęcie 1 projektu Lajkonik (1565) KRD2714
Lajkonik (1565)
Dodano!
Dodano!
150,80 m²
5
2
0

4 540 zł

4 890 zł

Tooltip

Cena regularna

4 340 zł najniższa cena
Tooltip

Najniższa cena z 30 dni
przed obniżką

Nowość
Zdjęcie 1 projektu Krajobrazy 99 WRN1579
Krajobrazy 99
Dodano!
Dodano!
128,70 m²
4
2
0

4 195 zł

Elewacje

Frontowa
Tylna
Lewa
Prawa

Przekroje

Przekrój pionowy

Usytuowanie na działce

Czy ten projekt pasuje na
Twoją działkę?

Chętnie to sprawdzimy!

Czy ten projekt pasuje na
Twoją działkę?

Chętnie to sprawdzimy!

Dowiedz się:

  • czy zmieści się na niej wybrany przez Ciebie dom
  • jakie parametry musi spełniać dom według miejscowego planu zagospodarowania lub warunków zabudowy (np. kąt nachylenia i typ dachu, liczba kondygnacji itp.
  • jakie inne projekty pasują na Twoją działkę – znajdziemy je dla Ciebie!
Autor: Archigraph

Dane techniczne projektu

Powierzchnie i wymiary Powierzchnie i wymiary

Powierzchnia użytkowa
Tooltip
Suma powierzchni wszystkich pomieszczeń mieszkalnych, pomniejszona o pow. garażu, kotłowni, strychu, piwnicy. Jest liczona w 100% dla pomieszczeń o wysokości powyżej 2,2 m, w 50% dla pomieszczeń o wys. 2,2-1,4 m i niewliczana dla niższych niż 1,4 m.

150,10 m²

Powierzchnia zabudowy
Tooltip
Powierzchnia zajmowana przez część na- oraz nadziemną budynku liczona, jako rzut pionowy budynku na działkę.

116,92 m²

Powierzchnia dachu

212 m²

Kąt nachylenia dachu
Tooltip
Nachylenie połaci dachu głównego podawane w stopniach. Uwaga! W niektórych projektach występuje więcej niż jedno nachylenie dachu.

40°

Wysokość budynku
Tooltip
Wysokość liczona od części budynku położonej najniżej przy powierzchni terenu do najwyższego punktu dachu (kalenicy) z wyłączeniem kominów.

8,24 m

Min. szerokość działki
Tooltip
Najmniejsza możliwa szerokość działki niezbędna do wybudowania wybranego domu. Składa się z szerokości elewacji domu powiększonej z obu stron o 3 m dla ściany bez otworów drzwiowych/okiennych lub 4 m, dla ściany z otworami.

17,60 m

Energooszczędność Energooszczędność

Oze Czym jest OZE (Odnawialne Źródło Energii)?
Warunki techniczne

Projekt zgody z WT 2021

Technologia i konstrukcja Technologia i konstrukcja

Konstrukcja

Murowana

Opis szczegółowy

Ściany zewnętrzne: dwuwarstwowe z pustaków ceramicznych POROTHERM.

Reklama
Okna i drzwi tarasowe

Nowoczesne okna PVC i aluminiowe WIŚNIOWSKI – doskonała izolacja, elegancki design i niezrównana trwałość.

Wiśniowski
Sprawdź parametry!
Okna dachowe

Oferujemy bezpłatne konsultacje w zakresie wszystkich rozwiązań VELUX. Wyceny, porady dotyczące doboru okien i rolet zewnętrznych - sprawdź!

Velux
Sprawdź szczegóły
Płytki ceramiczne i gresy

Od małych formatów po wielkoformatowe gresy. Marmur, beton, drewno, kamień, lastryko czy cegiełki zamówisz wygodnie online z szybką dostawą.

Ceramzet
Sprawdź ofertę
Drzwi

Ciepłe drzwi WIŚNIOWSKI z kontrolą dostępu. Szeroka gama wzorów i kolorów.

Wiśniowski
Wybierz najlepsze
Bramy garażowe

Automatyczne bramy garażowe segmentowe i uchylne WIŚNIOWSKI na wymiar i z systemem smart home w standardzie.

Wiśniowski
Sprawdź ofertę!
Armatura i ceramika łazienkowa

Topowi producenci. Baterie łazienkowe, zestawy natynkowe i podtynkowe, umywalki, wanny, miski WC oraz kabiny zamówisz kompleksowo online.

Ceramzet II
Dowiedz się więcej
Rekuperacja

Alnor - kompletny system rekuperacji. Dobierz idealne rozwiązanie dla Twojego domu!

Alnor
Dobierz rekuperator
Gruntowe pompy ciepła

Przeprowadzimy kompletną instalację najbardziej oszczędnego źródła ciepła w Twoim nowym domu - gruntowej pompy ciepła. Od dokumentacji, pozwoleń, po odwierty i instalację.

Geothermal Solutions
Dowiedz się więcej

Gotowe domy modułowe (114)

Zobacz wszystkie
Stan deweloperski nawet w 6 miesięcy Gwarancja stałej ceny
Zdjęcie 1 projektu Dom prefabrykowany Stodoła 150B HFX1025
Pow. użytkowa
151,30 m²
Pokoje
4
589 000 zł 3 893 zł/m²
Zdjęcie 1 projektu Dom prefabrykowany Stodoła 150A HFX1024
Pow. użytkowa
152,20 m²
Pokoje
5
589 000 zł 3 870 zł/m²
Zdjęcie 1 projektu Dom prefabrykowany Stodoła 150C HFX1026
Pow. użytkowa
152,90 m²
Pokoje
5
589 000 zł 3 852 zł/m²
Zdjęcie 1 projektu Dom szkieletowy Open Sky 195 HHT1029
Pow. użytkowa
145,04 m²
Pokoje
4
940 300 zł 6 483 zł/m²
Zdjęcie 1 projektu Dom prefabrykowany P.2 HPK1001
Pow. użytkowa
159,18 m²
Pokoje
5
832 200 zł 5 228 zł/m²
Zdjęcie 1 projektu Dom prefabrykowany P.1 z okapem HPK1000
Pow. użytkowa
139,44 m²
Pokoje
3
721 000 zł 5 171 zł/m²
Zdjęcie 1 projektu Dom prefabrykowany P.1 bez okapu HPK1012
Pow. użytkowa
139,44 m²
Pokoje
3
699 800 zł 5 019 zł/m²
Zdjęcie 1 projektu Dom prefabrykowany P.5 HPK1004
Pow. użytkowa
138,67 m²
Pokoje
5
772 700 zł 5 572 zł/m²

Opis projektu domu
Ancona II

Dom Ancona II jest wariantem cieszącego się popularnością projektu Ancona. W przeciwieństwie do bazowej wersji projekt ma więcej pokoi, większą powierzchnię. Projekt domu Ancona II to ciekawa propozycja dla osób posiadających średniej szerokości działkę. Dom cechuje się typową bryłą, więc jego realizacja nie pochłonie zbyt wielu środków finansowych. Na uwagę zasługuje ozdobny wykusz, nadający konstrukcji dodatkowego uroku. Projekt ma usytuowaną kalenicę równolegle do drogi, co często określane jest w planie zagospodarowania przestrzennego. Dom został zaprojektowany do zabudowy wolnostojącej. Projekt jest idealną propozycją dla osób zainteresowanych domem z dachem kopertowym, dzięki czemu budynek prezentuje są bardzo efektownie. Projekt Ancona II to dom parterowy z poddaszem użytkowym, co sprawia, że jego powierzchnia jest wyraźnie podzielona na strefy: dzienną i nocną.Sercem domu jest przestronna strefa dzienna, która sprzyja spędzaniu wspólnego czasu w gronie najbliższych. Tworzy ją między innymi funkcjonalna kuchnia, która spełni marzenie każdej gospodyni. Usytuowany w salonie kominek nie tylko świetnie się prezentuje, ale także zapewni przyjemne ciepło w chłodniejsze dni. W pełni funkcjonalna łazienka przewidziana jest na obu kondygnacjach, co znacznie usprawni poranne przygotowania do wyjścia. Potrzeby 5-7 osobowej rodziny spełni pięć pokoi przewidzianych w projekcie. Przestrzeń można wykorzystać także jako pokój dla gości lub gabinet. W utrzymaniu porządku z pewnością pomoże nam przewidziane w projekcie pomieszczenie gospodarcze. Ciągłość pomiędzy wnętrzem domu a ogrodem zapewnia atrakcyjny taras. Projekt powstał z myślą o Inwestorach, którzy planują zbudować dom w technologii murowanej. W jego bryle widoczne są rozwiązania nawiązujące do stylu tradycyjnego, dlatego będzie prezentować się doskonale niezależnie od okolicy.
Czytaj więcej

Polecani producenci

Prefabrykowane konstrukcje dachowe

tło producenta

WIĄZAR POLSKA

Zobacz więcej

Sprawdź nową generację okien GREENVIEW

tło producenta

FAKRO

Sprawdź nową generację okien GREENVIEW

Styropian, tynki, farby, kleje

tło producenta

Termo Organika

Poznaj super jakość

Okna, drzwi, osłony przeciwsłoneczne

tło producenta

Aluprof

Sprawdź ofertę

Kompletne systemy rekuperacji

tło producenta

Alnor

Dowiedz się więcej

Sprawdź nowy system DACHRYNNA

tło producenta

Galeco

Sprawdź ofertę
Zobacz więcej

Społeczność projektu domu
Ancona II w budowie

Dołącz do społeczności osób, które budują ten dom lub są zainteresowane jego budową.

  • Oglądaj zdjęcia z budowy
  • Zadawaj pytania
  • Wymieniaj się doświadczeniami

Opinie o projekcie domu Ancona II

Ocena

Ten projekt nie ma jeszcze opinii, bądź pierwszy!

Dodaj opinię

ASYSTENT WYBORU PROJEKTU

Szukasz idealnego projektu? Znajdziemy go dla Ciebie!

Doradca na podstawie Twoich wskazówek przygotuje spersonalizowaną listę projektów

Graficzne opracowanie rzutów poglądowych widocznych na karcie projektu zostało wykonane przez Extradom.pl. Prezentowane przez Extradom.pl wizualizacje wykonane zostały przez autora projektu i należy poczytywać je jedynie za przykład i propozycję wykończenia, wizję architektoniczną autora projektu. Ostateczne wykończenie budynku może nastąpić na wiele sposobów. Szczegółowe rozwiązania zastosowane w oferowanej dokumentacji - w tym również ilość, lokalizacje i wygląd okien, drzwi, kominów - mogą w niewielkim stopniu różnić się od prezentowanej wizualizacji budynku.

REKLAMA
Zamknij