👉 Wiosenne okazje + karta allegro 200 zł! 🔥

Koniec oferty za:

00godz.

00min.

00sek.

Sprawdź

Projekt domu Szejk BSB1054

Zapisz Dodano!
Porównaj Dodano!
ikona Pobierz i drukuj

Warstwy

Warstwy

Rzut parteru

Powierzchnia (m²)
Tooltip
Powierzchnia pomieszczenia
to ta, z której faktycznie możesz korzystać – skosy i niskie części poddasza są liczone częściowo lub wcale.
  1. 100% dla wysokości powyżej 2,2 m,
  2. 50% dla wysokości 1,4–2,2 m,
  3. nie liczymy poniżej 1,4 m.

Powierzchnia podłogi
Liczymy po obrysie pomieszczenia, bez względu na jego wysokość/skosy. Jeśli nie ma skosów to powierzchnia podłogi i pomieszczenia jest taka sama.
pomieszczenia i podłogi
podłogi
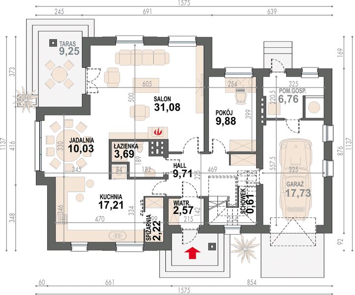
1. Wiatrołap
2,57
2. Hall
9,71
3. Kuchnia
17,21
4. Spiżarnia
2,22
5. Jadalnia
10,03
6. Łazienka
3,69
7. Pokój dzienny
31,08
8. Pokój
9,88
9. Pomieszczenie gospodarcze
0,61
10. Kotłownia
6,76
11. Garaż jednostanowiskowy
17,73
Razem
111,49
111,49
Powierzchnia (m²)
Tooltip
Powierzchnia pomieszczenia
to ta, z której faktycznie możesz korzystać – skosy i niskie części poddasza są liczone częściowo lub wcale.
  1. 100% dla wysokości powyżej 2,2 m,
  2. 50% dla wysokości 1,4–2,2 m,
  3. nie liczymy poniżej 1,4 m.

Powierzchnia podłogi
Liczymy po obrysie pomieszczenia, bez względu na jego wysokość/skosy. Jeśli nie ma skosów to powierzchnia podłogi i pomieszczenia jest taka sama.
pomieszczenia
podłogi
1. Hall + schody
13,46
13,46
2. Garderoba
1,95
1,95
3. Pokój
17,60
22,98
4. Pokój
18,66
26,74
5. Łazienka
3,71
3,71
6. Garderoba
1,69
3,69
7. Łazienka
6,15
6,15
8. Pokój
8,67
20,32
Razem
71,89
99
9. Balkon
2,53
10. Balkon
2,53

    Usytuowanie na działce

    Czy ten projekt pasuje na
    Twoją działkę?

    Chętnie to sprawdzimy!

    Dowiedz się:

    • czy zmieści się na niej wybrany przez Ciebie dom
    • jakie parametry musi spełniać dom według miejscowego planu zagospodarowania lub warunków zabudowy (np. kąt nachylenia i typ dachu, liczba kondygnacji itp.
    • jakie inne projekty pasują na Twoją działkę – znajdziemy je dla Ciebie!

Pow. użytkowa

158,89 m²

Pokoje

4

Łazienki i WC

3

Garaż

1

Min. szer. i dł. działki

23,75 x 19,37 m

Kąt dachu

40°

Konstrukcja

Murowana
więcej

Szejk - BSB1054

ikona 158,89 m²
Powierzchnia użytkowa
ikona4
Pokoje (bez salonu)
ikona 3
Łazienki (z toaletami)
ikona 1
Liczba stanowisk garażowych
(z wiatą garażową)
ikona
Konstrukcja: Murowana

Projekt został
wycofany z oferty

W razie pytań prosimy o kontakt
z Centrum Obsługi Klienta
Konsultant
71 715 20 60

pon.-pt. 8-21, sob. 9-17

Parter - 111,49 m²

Parter projektu Szejk

Zapytaj, co możesz zmienić

Powierzchnia (m²)
Tooltip
Powierzchnia pomieszczenia
to ta, z której faktycznie możesz korzystać – skosy i niskie części poddasza są liczone częściowo lub wcale.
  1. 100% dla wysokości powyżej 2,2 m,
  2. 50% dla wysokości 1,4–2,2 m,
  3. nie liczymy poniżej 1,4 m.

Powierzchnia podłogi
Liczymy po obrysie pomieszczenia, bez względu na jego wysokość/skosy. Jeśli nie ma skosów to powierzchnia podłogi i pomieszczenia jest taka sama.
pomieszczenia i podłogi
podłogi
1. Wiatrołap
2,57
2. Hall
9,71
3. Kuchnia
17,21
4. Spiżarnia
2,22
5. Jadalnia
10,03
6. Łazienka
3,69
7. Pokój dzienny
31,08
8. Pokój
9,88
9. Pomieszczenie gospodarcze
0,61
10. Kotłownia
6,76
11. Garaż jednostanowiskowy
17,73
Razem
111,49
111,49

Poddasze - 71,89 m²

Poddasze projektu Szejk

Zapytaj, co możesz zmienić

Powierzchnia (m²)
Tooltip
Powierzchnia pomieszczenia
to ta, z której faktycznie możesz korzystać – skosy i niskie części poddasza są liczone częściowo lub wcale.
  1. 100% dla wysokości powyżej 2,2 m,
  2. 50% dla wysokości 1,4–2,2 m,
  3. nie liczymy poniżej 1,4 m.

Powierzchnia podłogi
Liczymy po obrysie pomieszczenia, bez względu na jego wysokość/skosy. Jeśli nie ma skosów to powierzchnia podłogi i pomieszczenia jest taka sama.
pomieszczenia
podłogi
1. Hall + schody
13,46
13,46
2. Garderoba
1,95
1,95
3. Pokój
17,60
22,98
4. Pokój
18,66
26,74
5. Łazienka
3,71
3,71
6. Garderoba
1,69
3,69
7. Łazienka
6,15
6,15
8. Pokój
8,67
20,32
Razem
71,89
99
9. Balkon
2,53
10. Balkon
2,53

Podobne projekty (1634)

Zobacz wszystkie
Zdjęcie 1 projektu HomeKoncept 130 A KRX1280
HomeKoncept 130 A
Dodano!
Dodano!
144,72 m²
4
2
2

7 390 zł

Zdjęcie 1 projektu NewHouse 762 KRZ1121
NewHouse 762
Dodano!
Dodano!
162,67 m²
4
3
2

6 390 zł

Zdjęcie 1 projektu NewHouse 759 KRZ1070
NewHouse 759
Dodano!
Dodano!
157 m²
4
3
2

5 990 zł

NIŻSZA CENA 🔥
Zdjęcie 1 projektu Viking 4 WAH1704
Viking 4
Dodano!
Dodano!
164,31 m²
4
3
2

5 752 zł

7 190 zł

Tooltip

Cena regularna

5 752 zł najniższa cena
Tooltip

Najniższa cena z 30 dni
przed obniżką

NIŻSZA CENA 🔥
Zdjęcie 1 projektu AJR 09 A2 a WOJ1029
AJR 09 A2 a
Dodano!
Dodano!
156,50 m²
5
3
2

4 600 zł

4 900 zł

Tooltip

Cena regularna

4 550 zł najniższa cena
Tooltip

Najniższa cena z 30 dni
przed obniżką

NIŻSZA CENA 🔥
Zdjęcie 1 projektu Dom przy Cyprysowej 15 K4 KRK1506
Dom przy Cyprysowej 15 K4
Dodano!
Dodano!
154,20 m²
5
3
2

3 790 zł

4 290 zł

Tooltip

Cena regularna

3 790 zł najniższa cena
Tooltip

Najniższa cena z 30 dni
przed obniżką

NIŻSZA CENA 🔥
Zdjęcie 1 projektu Dominik As (1636) KRD2784
Dominik As (1636)
Dodano!
Dodano!
151,80 m²
5
2
1

4 740 zł

5 090 zł

Tooltip

Cena regularna

4 710 zł najniższa cena
Tooltip

Najniższa cena z 30 dni
przed obniżką

Zdjęcie 1 projektu BrickHouse 794 w1 KRZ1112
BrickHouse 794 w1
Dodano!
Dodano!
152,13 m²
4
2
1

6 190 zł

Elewacje

Frontowa
Tylna
Lewa
Prawa

Przekroje

Przekrój pionowy

Usytuowanie na działce

Czy ten projekt pasuje na
Twoją działkę?

Chętnie to sprawdzimy!

Czy ten projekt pasuje na
Twoją działkę?

Chętnie to sprawdzimy!

Dowiedz się:

  • czy zmieści się na niej wybrany przez Ciebie dom
  • jakie parametry musi spełniać dom według miejscowego planu zagospodarowania lub warunków zabudowy (np. kąt nachylenia i typ dachu, liczba kondygnacji itp.
  • jakie inne projekty pasują na Twoją działkę – znajdziemy je dla Ciebie!
Autor: DOMINANTA K.SUTUŁA, K.BURZYŃSKI, K.MARKIEWICZ s.j.

Dane techniczne projektu

Powierzchnie i wymiary Powierzchnie i wymiary

Powierzchnia użytkowa
Tooltip
Suma powierzchni wszystkich pomieszczeń mieszkalnych, pomniejszona o pow. garażu, kotłowni, strychu, piwnicy. Jest liczona w 100% dla pomieszczeń o wysokości powyżej 2,2 m, w 50% dla pomieszczeń o wys. 2,2-1,4 m i niewliczana dla niższych niż 1,4 m.

158,89 m²

Powierzchnia zabudowy
Tooltip
Powierzchnia zajmowana przez część na- oraz nadziemną budynku liczona, jako rzut pionowy budynku na działkę.

155,90 m²

Powierzchnia całkowita
Tooltip
Całkowita powierzchnia wszystkich kondygnacji budynku łącznie z elementami nośnymi, takimi jak ściany zewnętrzne (z ociepleniem), słupy, tarasy, itp.

307,97 m²

Kubatura brutto
Tooltip
Zazwyczaj jest to suma kubatur (objętości) wszystkich pomieszczeń budynku, liczonych po zewnętrznym obrysie murów (z ociepleniem).

948 m³

Powierzchnia dachu

277 m²

Kąt nachylenia dachu
Tooltip
Nachylenie połaci dachu głównego podawane w stopniach. Uwaga! W niektórych projektach występuje więcej niż jedno nachylenie dachu.

40°

Wysokość budynku
Tooltip
Wysokość liczona od części budynku położonej najniżej przy powierzchni terenu do najwyższego punktu dachu (kalenicy) z wyłączeniem kominów.

7,76 m

Szerokość elewacji

15,75 m

Długość elewacji

11,37 m

Min. szerokość działki
Tooltip
Najmniejsza możliwa szerokość działki niezbędna do wybudowania wybranego domu. Składa się z szerokości elewacji domu powiększonej z obu stron o 3 m dla ściany bez otworów drzwiowych/okiennych lub 4 m, dla ściany z otworami.

23,75 m

Min. długość działki
Tooltip
Najmniejsza możliwa długość działki niezbędna do wybudowania wybranego domu. Składa się z długości elewacji domu powiększonej z obu stron o 3 m dla ściany bez otworów drzwiowych/okiennych lub 4 m, dla ściany z otworami.

19,37 m

Energooszczędność Energooszczędność

Oze Czym jest OZE (Odnawialne Źródło Energii)?
Euco
Tooltip
Energia użytkowa potrzebna do ogrzewania i wentylacji. Im parametr jest niższy tym budynek bardziej energooszczędny.

29 kWh/(m²rok)

Warunki techniczne

Projekt zgody z WT 2021

Technologia i konstrukcja Technologia i konstrukcja

Konstrukcja

Murowana

Opis szczegółowy

Ściany zewnętrzne: ściany zewnętrzne tradycyjne dwuwarstwowe (pustak ceramiczny + styropian frezowany). Stropy: żelbetowe monolityczne. Schody wewnętrzne: żelbetowe monolityczne. Dach: wielospadowy o konstrukcji drewnianej z pokryciem z dachówki ceramicznej, cementowej lub blachodachówki.

Strop

Żelbetowy

Reklama
Okna i drzwi tarasowe

Nowoczesne okna PVC i aluminiowe WIŚNIOWSKI – doskonała izolacja, elegancki design i niezrównana trwałość.

Wiśniowski
Sprawdź parametry!
Okna dachowe

Oferujemy bezpłatne konsultacje w zakresie wszystkich rozwiązań VELUX. Wyceny, porady dotyczące doboru okien i rolet zewnętrznych - sprawdź!

Velux
Sprawdź szczegóły
Płytki ceramiczne i gresy

Od małych formatów po wielkoformatowe gresy. Marmur, beton, drewno, kamień, lastryko czy cegiełki zamówisz wygodnie online z szybką dostawą.

Ceramzet
Sprawdź ofertę
Elewacja

Kup przez internet wszystkie materiały potrzebne do wykonania elewacji: styropian, płyty PIR, XPS, kleje, tynki. Najlepsze marki w super cenach z dostawą pod dom.

Hurtownia styropianu
Sprawdź ofertę!
Drzwi

Ciepłe drzwi WIŚNIOWSKI z kontrolą dostępu. Szeroka gama wzorów i kolorów.

Wiśniowski
Wybierz najlepsze
Bramy garażowe

Automatyczne bramy garażowe segmentowe i uchylne WIŚNIOWSKI na wymiar i z systemem smart home w standardzie.

Wiśniowski
Sprawdź ofertę!
Armatura i ceramika łazienkowa

Topowi producenci. Baterie łazienkowe, zestawy natynkowe i podtynkowe, umywalki, wanny, miski WC oraz kabiny zamówisz kompleksowo online.

Ceramzet II
Dowiedz się więcej
Rekuperacja

Alnor - kompletny system rekuperacji. Dobierz idealne rozwiązanie dla Twojego domu!

Alnor
Dobierz rekuperator
Dach

Producent stalowych pokryć dachowych i systemów elewacyjnych. Precyzja wykonania, trwałość na lata i szybki montaż doceniany przez dekarzy. Postaw na solidny dach Budmat.

Budmat
Sprawdź ofertę
Ogrodzenie

Nowoczesne stalowe ogrodzenia Budmat - estetyka, bezpieczeństwo i trwałość na lata. Systemowe rozwiązania na wymiar, dopasowane do każdego domu.

Budmat
Sprawdź ofertę

Gotowe domy - najszybszy sposób na dom (115)

Zobacz wszystkie
  • Stan deweloperski nawet w 6 miesięcy
  • Gwarancja stałej ceny
Skonfiguruj dom
Zdjęcie 1 projektu Bergen 130 HUS1002
130,40 m²
4
Stan deweloperski brutto
499 000 zł 3 827 zł/m²
Zdjęcie 1 projektu Dom prefabrykowany P.2 HPK1001
159,18 m²
5
Stan deweloperski brutto
847 000 zł 5 321 zł/m²
Zdjęcie 1 projektu Dom prefabrykowany P.4 bez okapu HPK1003
162,18 m²
5
Stan deweloperski brutto
723 500 zł 4 461 zł/m²
Zdjęcie 1 projektu Dom prefabrykowany P.4 z okapem HPK1014
162,18 m²
5
Stan deweloperski brutto
739 600 zł 4 560 zł/m²
Zdjęcie 1 projektu Dom prefabrykowany DH174 HDH1009
162,97 m²
4
Stan deweloperski brutto
1 026 000 zł 6 296 zł/m²
Zdjęcie 1 projektu Dom szkieletowy Viking Smart 220 HHT1032
163,86 m²
4
Stan deweloperski brutto
1 095 606 zł 6 686 zł/m²
Zdjęcie 1 projektu Dom prefabrykowany Stodoła 150C HFX1026
152,90 m²
5
Stan deweloperski brutto
590 000 zł 3 859 zł/m²
Zdjęcie 1 projektu Dom prefabrykowany Stodoła 150A HFX1024
152,20 m²
5
Stan deweloperski brutto
590 000 zł 3 876 zł/m²

Opis projektu domu
Szejk

Projekt domu Szejk jest doskonałym rozwiązaniem dla osób posiadających średniej szerokości działkę. Dom cechuje się typową bryłą, więc jego realizacja jest łatwa. Przeszklenia przewidziane w wykuszu nadadzą wnętrzu większej przestronności. Projekt należy do kategorii domów z kalenicą skierowaną prostopadle do drogi, co często określane jest w planie zagospodarowania przestrzennego. Dom został stworzony do zabudowy wolnostojącej. W projekcie uwzględniono garaż jednostanowiskowy w bryle budynku. Jest to również ciekawa propozycja dla osób szukających domu z dachem wielospadowym, który świetnie się prezentuje. Projekt Szejk to dom parterowy z poddaszem użytkowym, dzięki czemu mamy możliwość zagospodarowania większej powierzchni. Sercem domu jest przestronna strefa dzienna, która sprzyja spędzaniu wspólnego czasu w gronie najbliższych. Doskonale przemyślane rozwiązania w kuchni dają wiele możliwości aranżacyjnych oraz ułatwią codzienne korzystanie. Zwolenników praktycznych rozwiązań niewątpliwie ucieszy fakt, iż przewidziano także miejsce na spiżarkę. Strefę dzienną tworzy salon oraz jadalnia, co z pewnością zadowoli zwolenników funkcjonalnych rozwiązań. Usytuowany w salonie kominek nie tylko świetnie się prezentuje, ale także zapewni przyjemne ciepło w chłodniejsze dni. Projekt uwzględnia jedną łazienkę na parterze i dwie na poddaszu. Cztery komfortowe pokoje zaspokoją potrzeby 4-6 osobowej rodziny. Przestrzeń można wykorzystać także jako pokój dla gości lub gabinet. W projekcie nie mogło również zabraknąć miejsca na wyjątkowo przydatne pomieszczenie gospodarcze. Taras daje możliwość kontaktu z przyrodą i sprzyja wypoczynkowi. Dom zaprojektowano w technologii murowanej. Szejk nawiązuje do stylu tradycyjnego, dzięki czemu idealnie wpisze się w dowolny krajobraz.
Czytaj więcej

Polecani producenci

Kompletne systemy rekuperacji

tło producenta

Alnor

Dowiedz się więcej

Prefabrykowane konstrukcje dachowe

tło producenta

WIĄZAR POLSKA

Zobacz więcej

Sprawdź nową generację okien GREENVIEW

tło producenta

FAKRO

Sprawdź nową generację okien GREENVIEW

Styropian, tynki, farby, kleje

tło producenta

Termo Organika

Poznaj super jakość

Okna, drzwi, osłony przeciwsłoneczne

tło producenta

Aluprof

Sprawdź ofertę
Zobacz więcej

Społeczność projektu domu
Szejk w budowie

Dołącz do społeczności osób, które budują ten dom lub są zainteresowane jego budową.

  • Oglądaj zdjęcia z budowy
  • Zadawaj pytania
  • Wymieniaj się doświadczeniami

Opinie o projekcie domu Szejk

Ocena

Ten projekt nie ma jeszcze opinii, bądź pierwszy!

Dodaj opinię

ASYSTENT WYBORU PROJEKTU

Szukasz idealnego projektu? Znajdziemy go dla Ciebie!

Doradca na podstawie Twoich wskazówek przygotuje spersonalizowaną listę projektów

Graficzne opracowanie rzutów poglądowych widocznych na karcie projektu zostało wykonane przez Extradom.pl. Prezentowane przez Extradom.pl wizualizacje wykonane zostały przez autora projektu i należy poczytywać je jedynie za przykład i propozycję wykończenia, wizję architektoniczną autora projektu. Ostateczne wykończenie budynku może nastąpić na wiele sposobów. Szczegółowe rozwiązania zastosowane w oferowanej dokumentacji - w tym również ilość, lokalizacje i wygląd okien, drzwi, kominów - mogą w niewielkim stopniu różnić się od prezentowanej wizualizacji budynku.

REKLAMA
Zamknij