Projekty nawet 500 zł taniej ❄️

Koniec oferty za:

00godz.

00min.

00sek.

Sprawdź

Projekt domu Salsa KRH1267

Dodano!
Dodano!

Warstwy

Warstwy

Rzut parteru

Powierzchnia (m²)
Tooltip
Powierzchnia pomieszczenia
to ta, z której faktycznie możesz korzystać – skosy i niskie części poddasza są liczone częściowo lub wcale.
  1. 100% dla wysokości powyżej 2,2 m,
  2. 50% dla wysokości 1,4–2,2 m,
  3. nie liczymy poniżej 1,4 m.

Powierzchnia podłogi
Liczymy po obrysie pomieszczenia, bez względu na jego wysokość/skosy. Jeśli nie ma skosów to powierzchnia podłogi i pomieszczenia jest taka sama.
pomieszczenia i podłogi
podłogi
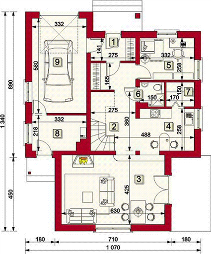
1. Wiatrołap
3,87
2. Hall + schody
14,60
3. Pokój dzienny
26,67
4. Kuchnia
8,58
5. Pokój
8,58
6. Łazienka
2,10
7. Spiżarnia
2,56
8. Kotłownia
6,78
9. Garaż jednostanowiskowy
19,28
Razem
93,02
93,02
Powierzchnia (m²)
Tooltip
Powierzchnia pomieszczenia
to ta, z której faktycznie możesz korzystać – skosy i niskie części poddasza są liczone częściowo lub wcale.
  1. 100% dla wysokości powyżej 2,2 m,
  2. 50% dla wysokości 1,4–2,2 m,
  3. nie liczymy poniżej 1,4 m.

Powierzchnia podłogi
Liczymy po obrysie pomieszczenia, bez względu na jego wysokość/skosy. Jeśli nie ma skosów to powierzchnia podłogi i pomieszczenia jest taka sama.
pomieszczenia
podłogi
1. Przedpokój + schody
10,27
7,66
2. Sypialnia
11,38
14,55
3. Sypialnia
11,56
14,74
4. Sypialnia
13,58
16
5. Sypialnia
19,80
27,72
6. Łazienka
6,81
9,24
Razem
73,40
89,91

    Usytuowanie na działce

    Czy ten projekt pasuje na
    Twoją działkę?

    Chętnie to sprawdzimy!

    Dowiedz się:

    • czy zmieści się na niej wybrany przez Ciebie dom
    • jakie parametry musi spełniać dom według miejscowego planu zagospodarowania lub warunków zabudowy (np. kąt nachylenia i typ dachu, liczba kondygnacji itp.
    • jakie inne projekty pasują na Twoją działkę – znajdziemy je dla Ciebie!

Pow. użytkowa

163,81 m²

Pokoje

1

Łazienki i WC

2

Garaż

1

Min. szer. i dł. działki

21,4 x 18,70 m

Kąt dachu

40°
więcej

Salsa - KRH1267

ikona 163,81 m²
Powierzchnia użytkowa
ikona1
Pokoje (bez salonu)
ikona 2
Łazienki (z toaletami)
ikona 1
Liczba stanowisk garażowych
(z wiatą garażową)

Projekt został
wycofany z oferty

W razie pytań prosimy o kontakt
z Centrum Obsługi Klienta
Konsultant Masz pytania?
Zadzwoń
71 715 20 60

pon.-pt. 8-21, sob. 9-17

Parter - 93,02 m²

Parter projektu Salsa

Zapytaj, co możesz zmienić

Powierzchnia (m²)
Tooltip
Powierzchnia pomieszczenia
to ta, z której faktycznie możesz korzystać – skosy i niskie części poddasza są liczone częściowo lub wcale.
  1. 100% dla wysokości powyżej 2,2 m,
  2. 50% dla wysokości 1,4–2,2 m,
  3. nie liczymy poniżej 1,4 m.

Powierzchnia podłogi
Liczymy po obrysie pomieszczenia, bez względu na jego wysokość/skosy. Jeśli nie ma skosów to powierzchnia podłogi i pomieszczenia jest taka sama.
pomieszczenia i podłogi
podłogi
1. Wiatrołap
3,87
2. Hall + schody
14,60
3. Pokój dzienny
26,67
4. Kuchnia
8,58
5. Pokój
8,58
6. Łazienka
2,10
7. Spiżarnia
2,56
8. Kotłownia
6,78
9. Garaż jednostanowiskowy
19,28
Razem
93,02
93,02

Poddasze - 73,40 m²

Poddasze projektu Salsa

Zapytaj, co możesz zmienić

Powierzchnia (m²)
Tooltip
Powierzchnia pomieszczenia
to ta, z której faktycznie możesz korzystać – skosy i niskie części poddasza są liczone częściowo lub wcale.
  1. 100% dla wysokości powyżej 2,2 m,
  2. 50% dla wysokości 1,4–2,2 m,
  3. nie liczymy poniżej 1,4 m.

Powierzchnia podłogi
Liczymy po obrysie pomieszczenia, bez względu na jego wysokość/skosy. Jeśli nie ma skosów to powierzchnia podłogi i pomieszczenia jest taka sama.
pomieszczenia
podłogi
1. Przedpokój + schody
10,27
7,66
2. Sypialnia
11,38
14,55
3. Sypialnia
11,56
14,74
4. Sypialnia
13,58
16
5. Sypialnia
19,80
27,72
6. Łazienka
6,81
9,24
Razem
73,40
89,91

Podobne projekty (6472)

Zobacz wszystkie
NIŻSZA CENA❄️
Zdjęcie 1 projektu HomeKoncept 03 KRX1003
HomeKoncept 03
Dodano!
Dodano!
138,76 m²
3
3
1

5 490 zł

5 990 zł

Tooltip

Cena regularna

5 091 zł najniższa cena
Tooltip

Najniższa cena z 30 dni
przed obniżką

NIŻSZA CENA❄️
Zdjęcie 1 projektu A-137 Dom sokola z bali BBD1227
A-137 Dom sokola z bali
Dodano!
Dodano!
142,20 m²
5
2
0

3 899 zł

4 399 zł

Tooltip

Cena regularna

3 699 zł najniższa cena
Tooltip

Najniższa cena z 30 dni
przed obniżką

NIŻSZA CENA❄️
Zdjęcie 1 projektu Sandra (1532) KRD2684
Sandra (1532)
Dodano!
Dodano!
131,10 m²
5
3
1

4 740 zł

5 090 zł

Tooltip

Cena regularna

4 540 zł najniższa cena
Tooltip

Najniższa cena z 30 dni
przed obniżką

NIŻSZA CENA❄️
Zdjęcie 1 projektu Ptyś BSA1840
Ptyś
Dodano!
Dodano!
138,52 m²
4
2
0

4 249 zł

4 749 zł

Tooltip

Cena regularna

4 249 zł najniższa cena
Tooltip

Najniższa cena z 30 dni
przed obniżką

NIŻSZA CENA❄️
Zdjęcie 1 projektu Ajaks 5 Max WOE1162
Ajaks 5 Max
Dodano!
Dodano!
139,93 m²
4
2
1

4 499 zł

4 599 zł

Tooltip

Cena regularna

4 399 zł najniższa cena
Tooltip

Najniższa cena z 30 dni
przed obniżką

NIŻSZA CENA❄️
Zdjęcie 1 projektu Zoja plus Lux (994) KRD1687
Zoja plus Lux (994)
Dodano!
Dodano!
147,70 m²
5
3
1

4 740 zł

5 090 zł

Tooltip

Cena regularna

4 540 zł najniższa cena
Tooltip

Najniższa cena z 30 dni
przed obniżką

NIŻSZA CENA❄️
Zdjęcie 1 projektu BW-44 z frontem południowym JGC1059
133,20 m²
4
2
1

3 930 zł

4 030 zł

Tooltip

Cena regularna

3 830 zł najniższa cena
Tooltip

Najniższa cena z 30 dni
przed obniżką

NIŻSZA CENA❄️
Zdjęcie 1 projektu BW-46 wariant JGC1110
BW-46 wariant
Dodano!
Dodano!
139,80 m²
4
2
1

3 880 zł

3 980 zł

Tooltip

Cena regularna

3 780 zł najniższa cena
Tooltip

Najniższa cena z 30 dni
przed obniżką

Elewacje

Frontowa
Tylna
Lewa
Prawa

Usytuowanie na działce

Czy ten projekt pasuje na
Twoją działkę?

Chętnie to sprawdzimy!

Czy ten projekt pasuje na
Twoją działkę?

Chętnie to sprawdzimy!

Dowiedz się:

  • czy zmieści się na niej wybrany przez Ciebie dom
  • jakie parametry musi spełniać dom według miejscowego planu zagospodarowania lub warunków zabudowy (np. kąt nachylenia i typ dachu, liczba kondygnacji itp.
  • jakie inne projekty pasują na Twoją działkę – znajdziemy je dla Ciebie!
Autor: Archigraph

Dane techniczne projektu

Powierzchnie i wymiary Powierzchnie i wymiary

Powierzchnia użytkowa
Tooltip
Suma powierzchni wszystkich pomieszczeń mieszkalnych, pomniejszona o pow. garażu, kotłowni, strychu, piwnicy. Jest liczona w 100% dla pomieszczeń o wysokości powyżej 2,2 m, w 50% dla pomieszczeń o wys. 2,2-1,4 m i niewliczana dla niższych niż 1,4 m.

163,81 m²

Powierzchnia zabudowy
Tooltip
Powierzchnia zajmowana przez część na- oraz nadziemną budynku liczona, jako rzut pionowy budynku na działkę.

122,88 m²

Powierzchnia dachu

231 m²

Kąt nachylenia dachu
Tooltip
Nachylenie połaci dachu głównego podawane w stopniach. Uwaga! W niektórych projektach występuje więcej niż jedno nachylenie dachu.

40°

Wysokość budynku
Tooltip
Wysokość liczona od części budynku położonej najniżej przy powierzchni terenu do najwyższego punktu dachu (kalenicy) z wyłączeniem kominów.

8,04 m

Min. szerokość działki
Tooltip
Najmniejsza możliwa szerokość działki niezbędna do wybudowania wybranego domu. Składa się z szerokości elewacji domu powiększonej z obu stron o 3 m dla ściany bez otworów drzwiowych/okiennych lub 4 m, dla ściany z otworami.

21,40 m

Min. długość działki
Tooltip
Najmniejsza możliwa długość działki niezbędna do wybudowania wybranego domu. Składa się z długości elewacji domu powiększonej z obu stron o 3 m dla ściany bez otworów drzwiowych/okiennych lub 4 m, dla ściany z otworami.

18,70 m

Energooszczędność Energooszczędność

Oze Czym jest OZE (Odnawialne Źródło Energii)?
Warunki techniczne

Projekt zgody z WT 2021

Technologia i konstrukcja Technologia i konstrukcja

Opis szczegółowy

Ściany zewnętrzne z pustaków docieplone wełną kamienną. Ściawy wewnętrzne nośne: pustaki ceramiczne, działowe: cegłą kratówka lub system z płyt gipsowo-kartonowych. Dach płatwiowo-krokwiowy pokryty ceramiczną dachówką.

Reklama
Okna i drzwi tarasowe

Nowoczesne okna PVC i aluminiowe WIŚNIOWSKI – doskonała izolacja, elegancki design i niezrównana trwałość.

Wiśniowski
Sprawdź parametry!
Okna dachowe

Oferujemy bezpłatne konsultacje w zakresie wszystkich rozwiązań VELUX. Wyceny, porady dotyczące doboru okien i rolet zewnętrznych - sprawdź!

Velux
Sprawdź szczegóły
Płytki ceramiczne i gresy

Od małych formatów po wielkoformatowe gresy. Marmur, beton, drewno, kamień, lastryko czy cegiełki zamówisz wygodnie online z szybką dostawą.

Ceramzet
Sprawdź ofertę
Drzwi

Ciepłe drzwi WIŚNIOWSKI z kontrolą dostępu. Szeroka gama wzorów i kolorów.

Wiśniowski
Wybierz najlepsze
Bramy garażowe

Automatyczne bramy garażowe segmentowe i uchylne WIŚNIOWSKI na wymiar i z systemem smart home w standardzie.

Wiśniowski
Sprawdź ofertę!
Armatura i ceramika łazienkowa

Topowi producenci. Baterie łazienkowe, zestawy natynkowe i podtynkowe, umywalki, wanny, miski WC oraz kabiny zamówisz kompleksowo online.

Ceramzet II
Dowiedz się więcej
Rekuperacja

Alnor - kompletny system rekuperacji. Dobierz idealne rozwiązanie dla Twojego domu!

Alnor
Dobierz rekuperator
Gruntowe pompy ciepła

Przeprowadzimy kompletną instalację najbardziej oszczędnego źródła ciepła w Twoim nowym domu - gruntowej pompy ciepła. Od dokumentacji, pozwoleń, po odwierty i instalację.

Geothermal Solutions
Dowiedz się więcej

Gotowe domy modułowe (114)

Zobacz wszystkie
Stan deweloperski nawet w 6 miesięcy Gwarancja stałej ceny
Zdjęcie 1 projektu Dom szkieletowy Viking Smart 220 HHT1032
Pow. użytkowa
163,86 m²
Pokoje
4
1 095 606 zł 6 686 zł/m²
Zdjęcie 1 projektu Dom prefabrykowany DH174 HDH1009
Pow. użytkowa
162,97 m²
Pokoje
4
1 026 000 zł 5 796 zł/m²
Zdjęcie 1 projektu Dom prefabrykowany P.4 bez okapu HPK1003
Pow. użytkowa
162,18 m²
Pokoje
4
701 000 zł 4 322 zł/m²
Zdjęcie 1 projektu Dom prefabrykowany P.4 z okapem HPK1014
Pow. użytkowa
162,18 m²
Pokoje
5
710 500 zł 4 381 zł/m²
Zdjęcie 1 projektu Dom prefabrykowany P.2 HPK1001
Pow. użytkowa
159,18 m²
Pokoje
5
832 200 zł 5 228 zł/m²
Zdjęcie 1 projektu Dom prefabrykowany Stodoła 150C HFX1026
Pow. użytkowa
152,90 m²
Pokoje
5
589 000 zł 3 852 zł/m²
Zdjęcie 1 projektu Dom prefabrykowany Stodoła 150A HFX1024
Pow. użytkowa
152,20 m²
Pokoje
5
589 000 zł 3 870 zł/m²
Zdjęcie 1 projektu Dom prefabrykowany Stodoła 150B HFX1025
Pow. użytkowa
151,30 m²
Pokoje
4
589 000 zł 3 893 zł/m²

Opis projektu domu
Salsa

Dom jednorodzinny, wolnostojący, z poddaszem użytkowym i wbudowanym garażem jednostnanowiskowym. Funkcja: na parterze - hall ze schodami, pokój dzienny, kuchnia ze spiżarnią, gabinet, łazienka, garaż i kotłownia z wyjściem na zewnątrz, na poddaszu - cztery sypialnie i łazienka. Dom o prostej bryle i interesującym image'u. Zamieszka tu wygodnie pięcioosobowa rodzina.
Czytaj więcej

Polecani producenci

Prefabrykowane konstrukcje dachowe

tło producenta

WIĄZAR POLSKA

Zobacz więcej

Sprawdź nową generację okien GREENVIEW

tło producenta

FAKRO

Sprawdź nową generację okien GREENVIEW

Styropian, tynki, farby, kleje

tło producenta

Termo Organika

Poznaj super jakość

Okna, drzwi, osłony przeciwsłoneczne

tło producenta

Aluprof

Sprawdź ofertę

Kompletne systemy rekuperacji

tło producenta

Alnor

Dowiedz się więcej

Sprawdź nowy system DACHRYNNA

tło producenta

Galeco

Sprawdź ofertę
Zobacz więcej

Społeczność projektu domu
Salsa w budowie

Dołącz do społeczności osób, które budują ten dom lub są zainteresowane jego budową.

  • Oglądaj zdjęcia z budowy
  • Zadawaj pytania
  • Wymieniaj się doświadczeniami

Opinie o projekcie domu Salsa

Ocena

Ten projekt nie ma jeszcze opinii, bądź pierwszy!

Dodaj opinię

ASYSTENT WYBORU PROJEKTU

Szukasz idealnego projektu? Znajdziemy go dla Ciebie!

Doradca na podstawie Twoich wskazówek przygotuje spersonalizowaną listę projektów

Graficzne opracowanie rzutów poglądowych widocznych na karcie projektu zostało wykonane przez Extradom.pl. Prezentowane przez Extradom.pl wizualizacje wykonane zostały przez autora projektu i należy poczytywać je jedynie za przykład i propozycję wykończenia, wizję architektoniczną autora projektu. Ostateczne wykończenie budynku może nastąpić na wiele sposobów. Szczegółowe rozwiązania zastosowane w oferowanej dokumentacji - w tym również ilość, lokalizacje i wygląd okien, drzwi, kominów - mogą w niewielkim stopniu różnić się od prezentowanej wizualizacji budynku.

REKLAMA
Zamknij