👉 Niższe ceny + karta allegro 200 zł! 🔥

Projekt domu Directus II G1 SLS1142

Dodano!
Dodano!

Warstwy

Warstwy

Rzut parteru

Powierzchnia (m²)
Tooltip
Powierzchnia pomieszczenia
to ta, z której faktycznie możesz korzystać – skosy i niskie części poddasza są liczone częściowo lub wcale.
  1. 100% dla wysokości powyżej 2,2 m,
  2. 50% dla wysokości 1,4–2,2 m,
  3. nie liczymy poniżej 1,4 m.

Powierzchnia podłogi
Liczymy po obrysie pomieszczenia, bez względu na jego wysokość/skosy. Jeśli nie ma skosów to powierzchnia podłogi i pomieszczenia jest taka sama.
pomieszczenia
podłogi
1. Wiatrołap
4,41
4,41
2. Korytarz
11,17
11,17
3. Kuchnia
9,29
9,29
4. Pokój dzienny + jadalnia
31
31
5. Pokój
9,44
9,44
6. Pomieszczenie gospodarcze
8,14
8,14
7. Garaż jednostanowiskowy
27,13
27,13
8. Pomieszczenie gospodarcze
2,98
5,18
9. Łazienka
5,39
5,39
Razem
108,95
111,15
Powierzchnia (m²)
Tooltip
Powierzchnia pomieszczenia
to ta, z której faktycznie możesz korzystać – skosy i niskie części poddasza są liczone częściowo lub wcale.
  1. 100% dla wysokości powyżej 2,2 m,
  2. 50% dla wysokości 1,4–2,2 m,
  3. nie liczymy poniżej 1,4 m.

Powierzchnia podłogi
Liczymy po obrysie pomieszczenia, bez względu na jego wysokość/skosy. Jeśli nie ma skosów to powierzchnia podłogi i pomieszczenia jest taka sama.
pomieszczenia
podłogi
11. Korytarz
8,88
8,88
12. Pokój
13,10
16,05
13. Pokój
17,38
20,29
14. Pokój
12,95
17,01
15. Pokój
17,55
21,96
16. Garderoba
7,17
11,66
17. Łazienka
6,46
9,03
Razem
83,49
104,88

    Usytuowanie na działce

    Czy ten projekt pasuje na
    Twoją działkę?

    Chętnie to sprawdzimy!

    Dowiedz się:

    • czy zmieści się na niej wybrany przez Ciebie dom
    • jakie parametry musi spełniać dom według miejscowego planu zagospodarowania lub warunków zabudowy (np. kąt nachylenia i typ dachu, liczba kondygnacji itp.
    • jakie inne projekty pasują na Twoją działkę – znajdziemy je dla Ciebie!

Pow. użytkowa

154,19 m²

Pokoje

5

Łazienki i WC

2

Garaż

1

Min. szer. i dł. działki

24 x 17,90 m

Kąt dachu

42°

Szacunkowy koszt SSZ

385 000 zł
Szacunkowy koszt budowy do stanu surowego zamkniętego (SSZ) metodą gospodarczą - większość prac wykonuje inwestor.

Konstrukcja

Murowana
więcej

Directus II G1 - SLS1142

ikona 154,19 m²
Powierzchnia użytkowa
ikona5
Pokoje (bez salonu)
ikona 2
Łazienki (z toaletami)
ikona 1
Liczba stanowisk garażowych
(z wiatą garażową)
ikona
Konstrukcja: Murowana

Promocja od 12.03.2026, koniec za:

0 dni

00 00 00

3 900 zł

Tooltip

Cena regularna obowiązywała od 05.03.2026 do 11.03.2026

Cena regularna: 4 900 zł
Najniższa cena z 30 dni przed obniżką: 3 900 zł
Gwarancja najniższej ceny Gwarancja najniższej ceny Tooltip

Projekt jest dostępny Tooltip

GRATIS 16% rabatu w SELSEY

GRATIS 15% rabatu do LEROY MERLIN

GRATIS Przydatne Extradodatki

GRATIS Poradnik Dach Solarny

100 dni na wymianę, 30 dni na zwrot

Darmowa dostawa - kurier, paczkomaty

Bezpłatne pozwolenie na zmiany

Dokumentacja zgodna z WT2021

Pokaż więcej (6)
Konsultant Masz pytania?
Zadzwoń
71 715 20 60

pon.-pt. 8-21, sob. 9-17

Szukasz wykonawcy godnego zaufania?
Zleć budowę w Extradom.pl!

  • Z góry znasz koszt budowy domu
  • Dom odbierasz zgodnie z ustalonym harmonogramem - nawet w 6 miesięcy
  • Zabezpiecza Cię jedna kompleksowa umowa z jednym wykonawcą
  • Otrzymujesz nawet 30-letnią gwarancję na konstrukcję domu
  • Oszczędzasz swój czas dzięki pewnej i kompletnej usłudze
Cena brutto stanu
deweloperskiego od
Tooltip
Cena brutto stanu deweloperskiego od 4 529 do 5 679 zł/m2.
Cena jest uzależniona m.in. od lokalizacji, wybranej technologii, kubatury budynku, skomplikowania projektu i ewentualnych zmian, na które zdecyduje się inwestor.
Cena za m2 powierzchni netto, czyli wszystkich pomieszczeń mierzonych na wysokości podłogi.
4 529 zł/m2
Dowiedz się więcej
Konsultant Masz pytania?
Zadzwoń
71 718 89 70

pon.-pt. 8-19

Parter - 108,95 m²

Parter projektu Directus II G1

Zapytaj, co możesz zmienić

Powierzchnia (m²)
Tooltip
Powierzchnia pomieszczenia
to ta, z której faktycznie możesz korzystać – skosy i niskie części poddasza są liczone częściowo lub wcale.
  1. 100% dla wysokości powyżej 2,2 m,
  2. 50% dla wysokości 1,4–2,2 m,
  3. nie liczymy poniżej 1,4 m.

Powierzchnia podłogi
Liczymy po obrysie pomieszczenia, bez względu na jego wysokość/skosy. Jeśli nie ma skosów to powierzchnia podłogi i pomieszczenia jest taka sama.
pomieszczenia
podłogi
1. Wiatrołap
4,41
4,41
2. Korytarz
11,17
11,17
3. Kuchnia
9,29
9,29
4. Pokój dzienny + jadalnia
31
31
5. Pokój
9,44
9,44
6. Pomieszczenie gospodarcze
8,14
8,14
7. Garaż jednostanowiskowy
27,13
27,13
8. Pomieszczenie gospodarcze
2,98
5,18
9. Łazienka
5,39
5,39
Razem
108,95
111,15

Natychmiast, otrzymasz PDF-y
z rzutami wszystkich kondygnacji

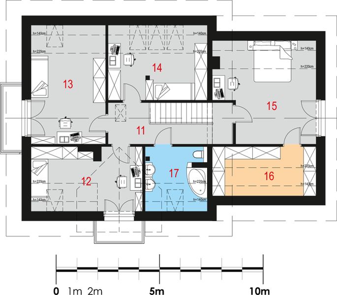
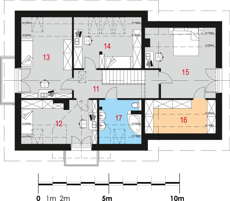
Poddasze - 83,49 m²

Poddasze projektu Directus II G1

Zapytaj, co możesz zmienić

Powierzchnia (m²)
Tooltip
Powierzchnia pomieszczenia
to ta, z której faktycznie możesz korzystać – skosy i niskie części poddasza są liczone częściowo lub wcale.
  1. 100% dla wysokości powyżej 2,2 m,
  2. 50% dla wysokości 1,4–2,2 m,
  3. nie liczymy poniżej 1,4 m.

Powierzchnia podłogi
Liczymy po obrysie pomieszczenia, bez względu na jego wysokość/skosy. Jeśli nie ma skosów to powierzchnia podłogi i pomieszczenia jest taka sama.
pomieszczenia
podłogi
11. Korytarz
8,88
8,88
12. Pokój
13,10
16,05
13. Pokój
17,38
20,29
14. Pokój
12,95
17,01
15. Pokój
17,55
21,96
16. Garderoba
7,17
11,66
17. Łazienka
6,46
9,03
Razem
83,49
104,88

Natychmiast, otrzymasz PDF-y
z rzutami wszystkich kondygnacji

Zamów rysunki szczegółowe

Zapoznaj się ze szczegółowymi rysunkami rzutów kondygnacji w PDF dla tego projektu.

Warianty projektu (1)

PROMOCJA
Projekt domu Directus I G1
Directus I G1
Dodano!
Dodano!
141,20 m²
5
2
1

3 900 zł

4 900 zł

Tooltip

Cena regularna

3 900 zł najniższa cena
Tooltip

Najniższa cena z 30 dni
przed obniżką

Podobne projekty (551)

Zobacz wszystkie
NIŻSZA CENA 🔥
Zdjęcie 1 projektu BW-27 JGC1240
BW-27
Dodano!
Dodano!
141,60 m²
4
2
1

3 980 zł

4 080 zł

Tooltip

Cena regularna

3 980 zł najniższa cena
Tooltip

Najniższa cena z 30 dni
przed obniżką

NIŻSZA CENA 🔥
Zdjęcie 1 projektu Ajaks Max WOE1120
Ajaks Max
Dodano!
Dodano!
138,61 m²
4
2
1

4 199 zł

4 599 zł

Tooltip

Cena regularna

4 199 zł najniższa cena
Tooltip

Najniższa cena z 30 dni
przed obniżką

Zdjęcie 1 projektu Nasza Stodoła M KRY1000
Nasza Stodoła M
Dodano!
Dodano!
161,70 m²
5
3
1

6 000 zł

Nowość
Zdjęcie 1 projektu Domena 211 A WRW1420
Domena 211 A
Dodano!
Dodano!
139,50 m²
4
2
1

5 900 zł

NIŻSZA CENA 🔥
Zdjęcie 1 projektu Logan G1 energo WRC2652
Logan G1 energo
Dodano!
Dodano!
139,83 m²
4
2
1

4 160 zł

5 200 zł

Tooltip

Cena regularna

4 160 zł najniższa cena
Tooltip

Najniższa cena z 30 dni
przed obniżką

NIŻSZA CENA 🔥
Zdjęcie 1 projektu Jelonek Rex (1702) KRD2848
Jelonek Rex (1702)
Dodano!
Dodano!
154,40 m²
5
3
1

4 740 zł

5 090 zł

Tooltip

Cena regularna

4 710 zł najniższa cena
Tooltip

Najniższa cena z 30 dni
przed obniżką

NIŻSZA CENA 🔥
Zdjęcie 1 projektu Izadora WOE1057
Izadora
Dodano!
Dodano!
139,49 m²
4
2
1

4 199 zł

4 599 zł

Tooltip

Cena regularna

4 199 zł najniższa cena
Tooltip

Najniższa cena z 30 dni
przed obniżką

NIŻSZA CENA 🔥
Zdjęcie 1 projektu Zoja Luxor G2 (1152) KRD2123
Zoja Luxor G2 (1152)
Dodano!
Dodano!
150,40 m²
5
3
2

4 740 zł

5 090 zł

Tooltip

Cena regularna

4 710 zł najniższa cena
Tooltip

Najniższa cena z 30 dni
przed obniżką

Metody i koszt budowy

Ten dom możesz budować metodą gospodarczą, systemem zleconym lub skorzystać z naszej oferty Projekt z Budową. Przy porównaniu weź pod uwagę nie tylko koszt, ale też różny zakres prac i standard wykonania.

Metoda gospodarcza

Najtańsza metoda - większość prac
budowlanych wykonuje inwestor

Stan surowy zamknięty (SSZ)

385 000 zł netto

Szacunkowy koszt materiałów na IV kwartał 2025
  • Prace ziemne i fundamenty

    56 000 zł
  • Konstrukcja, strop oraz dach

    273 000 zł
  • Stolarka okienna i drzwiowa

    56 000 zł
  • Instalacje

    nie obejmuje
  • Prace wykończeniowe

    nie obejmuje
  • Możesz budować etapami, pamiętając jednak o zmianie kosztów w czasie
  • Możesz rozpocząć budowę z częścią niezbędnych środków
  • Sam ustalasz harmonogram, koordynujesz budowę i zapewniasz materiały
Czy da się obniżyć koszty budowy?
Zobacz nasz film jak obniżyć koszt budowy

Projekt z Budową

Najszybsza i najwygodniejsza metoda -
całą budowę domu realizuje jedna firma

Stan deweloperski
Gwarancja stałego kosztu budowy

Gwarancja stałego
kosztu budowy

  • Prace ziemne i fundamenty
  • Konstrukcja, strop oraz dach
  • Stolarka okienna i drzwiowa
  • Instalacje  
    Tooltip

    Obejmuje wykonanie instalacji:

    • wodno-kanalizacyjnej
    • centralnego ogrzewania
    • gazowej
    • elektrycznej
  • Prace wykończeniowe  
    Tooltip

    Prace wykończeniowe obejmują:

    • sufity i ściany wewnętrzne
    • tynki i okładziny ścian wewnętrznych
    • wylewki i posadzkę
    • ocieplenie ścian zewnętrznych i elewację

Budowa
nawet w
6mies.

  • Kompleksowa umowa i znany z góry koszt budowy
  • Logistyka, organizacja budowy i zakupy po stronie firmy budowlanej
  • Formalności i dokumentacje po stronie firmy budowlanej
  • Różne technologie budowy dopasowane do projektu i budżetu
Szczegóły i dostępne technologie
icon

Polecamy

Kosztorys

Zawiera zestawienie wszystkich potrzebnych materiałów wraz z ich cenami, uwzględnia koszty sprzętu i transportu. Z kosztorysem:

  • poznasz całkowite koszty budowy
  • zaplanujesz prace na budowie
  • łatwiej ocenisz konkurencyjność ofert podwykonawców
  • otrzymasz dokument wymagany w procesie kredytowym

Elewacje

Frontowa
Tylna
Lewa
Prawa

Przekroje

Przekrój pionowy

Usytuowanie na działce

Czy ten projekt pasuje na
Twoją działkę?

Chętnie to sprawdzimy!

Czy ten projekt pasuje na
Twoją działkę?

Chętnie to sprawdzimy!

Dowiedz się:

  • czy zmieści się na niej wybrany przez Ciebie dom
  • jakie parametry musi spełniać dom według miejscowego planu zagospodarowania lub warunków zabudowy (np. kąt nachylenia i typ dachu, liczba kondygnacji itp.
  • jakie inne projekty pasują na Twoją działkę – znajdziemy je dla Ciebie!
Autor: Malachit

Dane techniczne projektu

Powierzchnie i wymiary Powierzchnie i wymiary

Powierzchnia użytkowa
Tooltip
Suma powierzchni wszystkich pomieszczeń mieszkalnych, pomniejszona o pow. garażu, kotłowni, strychu, piwnicy. Jest liczona w 100% dla pomieszczeń o wysokości powyżej 2,2 m, w 50% dla pomieszczeń o wys. 2,2-1,4 m i niewliczana dla niższych niż 1,4 m.

154,19 m²

Powierzchnia zabudowy
Tooltip
Powierzchnia zajmowana przez część na- oraz nadziemną budynku liczona, jako rzut pionowy budynku na działkę.

140,55 m²

Kąt nachylenia dachu
Tooltip
Nachylenie połaci dachu głównego podawane w stopniach. Uwaga! W niektórych projektach występuje więcej niż jedno nachylenie dachu.

42°

Wysokość budynku
Tooltip
Wysokość liczona od części budynku położonej najniżej przy powierzchni terenu do najwyższego punktu dachu (kalenicy) z wyłączeniem kominów.

8,88 m

Szerokość elewacji

15,65 m

Długość elewacji

9,90 m

Min. szerokość działki
Tooltip
Najmniejsza możliwa szerokość działki niezbędna do wybudowania wybranego domu. Składa się z szerokości elewacji domu powiększonej z obu stron o 3 m dla ściany bez otworów drzwiowych/okiennych lub 4 m, dla ściany z otworami.

24 m

Min. długość działki
Tooltip
Najmniejsza możliwa długość działki niezbędna do wybudowania wybranego domu. Składa się z długości elewacji domu powiększonej z obu stron o 3 m dla ściany bez otworów drzwiowych/okiennych lub 4 m, dla ściany z otworami.

17,90 m

Energooszczędność Energooszczędność

Oze Czym jest OZE (Odnawialne Źródło Energii)?
Ogrzewanie główne

Gazowe lub paliwo stałe (OZE) - do wyboru na etapie adaptacji

Interesuje Cię inne źródło ogrzewania? Wyślij zapytanie lub zadzwoń do doradcy

Wentylacja

Grawitacyjna - szczegóły

Instalacje w projekcie

Ogrzewanie kominkowe z płaszczem wodnym
Kolektory słoneczne

Warunki techniczne

Projekt zgody z WT 2021

Technologia i konstrukcja Technologia i konstrukcja

Konstrukcja

Murowana

PROJEKT Z BUDOWĄ Istnieje możliwość zaadaptowania tego projektu do technologii prefabrykowanej/modułowej i budowy nawet w 6 miesięcy ze stałym kosztem budowy

Dowiedz się więcej »
Opis szczegółowy

Ściany zewnętrzne: pustaki ceramiczne firmy LEIER o gr. 25cm + styropian Termo Organika o gr. 20cm + tynk. Schody: płytowe, żelbetowe, monolityczne jednobiegowe. Strop: płyta żelbetowa monolityczna. Ściana kolankowa: wysokość 97,5cm oraz 100,5cm. Dach: dwuspadowy, konstrukcja drewniana, pokryty dachówką ceramiczną lub betonową mocowaną do łat. Źródło ciepła: kocioł gazowy, kominek z płaszczem wodnym na biomasę i zestaw solarny (c.w.u.). Pomieszczenie gospodarcze spełnia wymagania kotłowni na paliwo stałe,w związku z czym na etapie adaptacji istnieje możliwość zmiany sposobu ogrzewania. Wentylacja: grawitacyjna. Stolarka okienna i drzwiowa: okna i drzwi PVC, rolety zewnętrzne, brama garażowa segmentowa.

Strop

Żelbetowy

Reklama
Okna i drzwi tarasowe

Nowoczesne okna PVC i aluminiowe WIŚNIOWSKI – doskonała izolacja, elegancki design i niezrównana trwałość.

Wiśniowski
Sprawdź parametry!
Okna dachowe

Oferujemy bezpłatne konsultacje w zakresie wszystkich rozwiązań VELUX. Wyceny, porady dotyczące doboru okien i rolet zewnętrznych - sprawdź!

Velux
Sprawdź szczegóły
Płytki ceramiczne i gresy

Od małych formatów po wielkoformatowe gresy. Marmur, beton, drewno, kamień, lastryko czy cegiełki zamówisz wygodnie online z szybką dostawą.

Ceramzet
Sprawdź ofertę
Elewacja

Kup przez internet wszystkie materiały potrzebne do wykonania elewacji: styropian, płyty PIR, XPS, kleje, tynki. Najlepsze marki w super cenach z dostawą pod dom.

Hurtownia styropianu
Sprawdź ofertę!
Drzwi

Ciepłe drzwi WIŚNIOWSKI z kontrolą dostępu. Szeroka gama wzorów i kolorów.

Wiśniowski
Wybierz najlepsze
Bramy garażowe

Automatyczne bramy garażowe segmentowe i uchylne WIŚNIOWSKI na wymiar i z systemem smart home w standardzie.

Wiśniowski
Sprawdź ofertę!
Armatura i ceramika łazienkowa

Topowi producenci. Baterie łazienkowe, zestawy natynkowe i podtynkowe, umywalki, wanny, miski WC oraz kabiny zamówisz kompleksowo online.

Ceramzet II
Dowiedz się więcej
Rekuperacja

Alnor - kompletny system rekuperacji. Dobierz idealne rozwiązanie dla Twojego domu!

Alnor
Dobierz rekuperator
Dach

Producent stalowych pokryć dachowych i systemów elewacyjnych. Precyzja wykonania, trwałość na lata i szybki montaż doceniany przez dekarzy. Postaw na solidny dach Budmat.

Budmat
Sprawdź ofertę
Ogrodzenie

Nowoczesne stalowe ogrodzenia Budmat - estetyka, bezpieczeństwo i trwałość na lata. Systemowe rozwiązania na wymiar, dopasowane do każdego domu.

Budmat
Sprawdź ofertę

Gotowe domy modułowe (118)

Zobacz wszystkie
Stan deweloperski nawet w 6 miesięcy Gwarancja stałej ceny
Zdjęcie 1 projektu Dom prefabrykowany Stodoła 150C HFX1026
Pow. użytkowa
152,90 m²
Pokoje
5
589 000 zł 3 852 zł/m²
Zdjęcie 1 projektu Dom prefabrykowany Stodoła 150A HFX1024
Pow. użytkowa
152,20 m²
Pokoje
5
589 000 zł 3 870 zł/m²
Zdjęcie 1 projektu Dom prefabrykowany Stodoła 150B HFX1025
Pow. użytkowa
151,30 m²
Pokoje
4
589 000 zł 3 893 zł/m²
Zdjęcie 1 projektu Dom prefabrykowany P.2 HPK1001
Pow. użytkowa
159,18 m²
Pokoje
5
847 000 zł 5 321 zł/m²
Zdjęcie 1 projektu Dom prefabrykowany P.4 bez okapu HPK1003
Pow. użytkowa
162,18 m²
Pokoje
5
723 500 zł 4 461 zł/m²
Zdjęcie 1 projektu Dom prefabrykowany P.4 z okapem HPK1014
Pow. użytkowa
162,18 m²
Pokoje
5
739 600 zł 4 560 zł/m²
Zdjęcie 1 projektu Dom prefabrykowany DH174 HDH1009
Pow. użytkowa
162,97 m²
Pokoje
4
1 026 000 zł 6 296 zł/m²
Zdjęcie 1 projektu Dom szkieletowy Open Sky 195 HHT1029
Pow. użytkowa
145,04 m²
Pokoje
4
940 300 zł 6 483 zł/m²

Dodatki do projektu

Dodatki możesz zamówić w koszyku lub telefonicznie u naszego Doradcy.

Ikona

Bestseller

Kosztorys

1 100 zł

Ikona

Bestseller

Projekt w pdf

700 zł

Opis projektu domu
Directus II G1

DomProjekt domu Directus II G1

Directus II G1 to projekt domu z poddaszem użytkowym, stworzony z myślą o komforcie 5- lub 6-osobowej rodziny. Jego tradycyjna bryła z dwuspadowym dachem i jednostanowiskowym garażem wpisanym w linię budynku łączy klasyczną elegancję z funkcjonalnością, oferując przemyślany układ pomieszczeń na dwóch kondygnacjach.

WyróżnieniaCo wyróżnia ten dom?

  • Wyraźny podział na strefy funkcjonalne – parter z otwartą częścią dzienną sprzyja integracji, podczas gdy poddasze zapewnia domownikom prywatność i spokój w strefie nocnej.
  • Dodatkowy pokój na parterze – idealne miejsce na gabinet do pracy zdalnej, pokój gościnny lub komfortową sypialnię dla seniora.
  • Efektowny wykusz w jadalni – nie tylko powiększa przestrzeń i urozmaica bryłę budynku, ale także doskonale doświetla strefę jadalnianą.
  • Kominek w sercu domu – zlokalizowany w salonie, tworzy niepowtarzalny klimat i staje się centralnym punktem rodzinnych spotkań w chłodniejsze dni.
  • Sypialnia z prywatną garderobą – jedna z sypialni na poddaszu została połączona z osobną, pojemną garderobą, co znacznie podnosi komfort przechowywania.

ArchitekturaArchitektura i wygląd

Projekt Directus II G1 charakteryzuje się tradycyjną, ale zarazem elegancką architekturą. Prosta bryła budynku została urozmaicona klasycznym wykuszem, który dodaje jej uroku i powiększa przestrzeń jadalni. Całość wieńczy sprawdzony i ekonomiczny w budowie dwuspadowy dach z klasycznym okapem. Jednostanowiskowy garaż został zintegrowany z bryłą domu, co tworzy spójną i harmonijną kompozycję. Projekt przewiduje także wyjście na taras od strony ogrodu oraz balkon na poddaszu, które powiększają strefę wypoczynkową.

WnętrzeWnętrze i układ funkcjonalny

Dom oferuje 154,19 m² przemyślanej powierzchni użytkowej, na której rozmieszczono 5 pokoi oraz 2 komfortowe łazienki. Wnętrze zostało logicznie podzielone na strefę dzienną na parterze i prywatną strefę nocną na poddaszu, co zapewnia wygodę wszystkim domownikom.

Parter – strefa dzienna

Sercem domu jest otwarta strefa dzienna, w której kuchnia płynnie łączy się z jadalnią zlokalizowaną w przeszklonym wykuszu oraz przestronnym salonem. Centralnym punktem części wypoczynkowej jest kominek, a duże przeszklenia prowadzą na taras, zacierając granicę między wnętrzem a ogrodem. Na parterze znajduje się również dodatkowy pokój, który można zaaranżować jako gabinet lub sypialnię dla gości, a także w pełni funkcjonalna łazienka. Program uzupełniają wiatrołap, pomieszczenie gospodarcze oraz duży, jednostanowiskowy garaż wygodnie skomunikowany z częścią mieszkalną.

Poddasze – strefa nocna

Poddasze to prywatna strefa nocna, zaprojektowana z myślą o odpoczynku i komforcie domowników. Znajdują się tu trzy ustawne sypialnie, zapewniające idealne warunki do relaksu. Jedna z nich została wzbogacona o osobną garderobę, co ułatwia organizację przestrzeni. Mieszkańcy tej kondygnacji mają do dyspozycji dużą, wspólną łazienkę. Dodatkowym atutem jest balkon, który powiększa przestrzeń jednego z pokoi.

Czytaj więcej

Informacje dodatkowe

Dokumentacja zabezpieczona jest specjalną plombą, której usunięcie uniemożliwi zwrot oraz wymianę projektu. Zapraszamy do zamówienia przed zakupem rysunków szczegółowych projektu oraz analizy posiadanej działki w celu upewnienia się, że wybrany projekt domu idealnie na nią pasuje. Do projektu zostaną dołączone rysunki poglądowe, służące do weryfikacji projektu po odbiorze zamówienia bez konieczności otwierania pełnej dokumentacji projektowej.

Czytaj więcej

Polecani producenci

Kompletne systemy rekuperacji

tło producenta

Alnor

Dowiedz się więcej

Prefabrykowane konstrukcje dachowe

tło producenta

WIĄZAR POLSKA

Zobacz więcej

Sprawdź nową generację okien GREENVIEW

tło producenta

FAKRO

Sprawdź nową generację okien GREENVIEW

Styropian, tynki, farby, kleje

tło producenta

Termo Organika

Poznaj super jakość

Okna, drzwi, osłony przeciwsłoneczne

tło producenta

Aluprof

Sprawdź ofertę
Zobacz więcej

Społeczność projektu domu
Directus II G1 w budowie

Dołącz do społeczności osób, które budują ten dom lub są zainteresowane jego budową.

  • Oglądaj zdjęcia z budowy
  • Zadawaj pytania
  • Wymieniaj się doświadczeniami

Opinie o projekcie domu Directus II G1

Ocena

Ten projekt nie ma jeszcze opinii, bądź pierwszy!

Dodaj opinię

ASYSTENT WYBORU PROJEKTU

Szukasz idealnego projektu? Znajdziemy go dla Ciebie!

Doradca na podstawie Twoich wskazówek przygotuje spersonalizowaną listę projektów

Graficzne opracowanie rzutów poglądowych widocznych na karcie projektu zostało wykonane przez Extradom.pl. Prezentowane przez Extradom.pl wizualizacje wykonane zostały przez autora projektu i należy poczytywać je jedynie za przykład i propozycję wykończenia, wizję architektoniczną autora projektu. Ostateczne wykończenie budynku może nastąpić na wiele sposobów. Szczegółowe rozwiązania zastosowane w oferowanej dokumentacji - w tym również ilość, lokalizacje i wygląd okien, drzwi, kominów - mogą w niewielkim stopniu różnić się od prezentowanej wizualizacji budynku.

Extradom.pl Spółka z ograniczoną odpowiedzialnością z siedzibą przy ul. Jaworskiej 13, 53-612 Wrocław, wpisana do rejestru przedsiębiorców Krajowego Rejestru Sądowego przez Sąd Rejonowy dla Wrocławia-Fabrycznej we Wrocławiu, VI Wydział Gospodarczy Krajowego Rejestru Sądowego do pod numerem KRS 0000648746, numer NIP 895-17-18-333, o kapitale zakładowym 708 150,00 zł uprzejmie informuje, iż poprzez serwis Extradom.pl umożliwia m.in. zapoznanie się przez konsumentów z ofertą handlową Partnerów Extradom.pl, którzy stosują metody budowy domów przy wykorzystaniu różnego rodzaju technologie prefabrykacji bądź modułowe (tzw. „Gotowe domy”).

Extradom.pl nie prowadzi jednakże sprzedaży ani nie oferuje usług polegających na doradztwie finansowym, prawnym ani podatkowym w zakresie inwestycji realizowanych w technologiach tzw. „Gotowych domów”. Informacje prezentowane w serwisie Extradom.pl dotyczące Partnerów Extradom.pl oferujących realizację inwestycji w technologiach „Gotowych domów” lub podobnych mają charakter informacyjny i reklamowy.

Prezentowane w serwisie Extradom.pl informacje dotyczące stosowanych przez Partnerów metod budowy domów w technologii prefabrykacji bądź modułowej pochodzą od Partnerów Extradom.pl.

Extradom.pl sp. z o.o. jedynie umożliwia nawiązanie kontaktu przez Użytkownika z Partnerem Extradom.pl stosującym tego rodzaju technologie budowy domów i nie jest stroną umowy o roboty budowlane zawieranej przez Użytkownika Extradom.pl z Partnerem Extradom.pl.

REKLAMA
Zamknij