👉 Niższe ceny + karta allegro 200 zł! 🔥

Koniec oferty za:

00godz.

00min.

00sek.

Sprawdź

Projekt domu Bob III G1 energo plus WRC2826

Zapisz Dodano!
Porównaj Dodano!
ikona Pobierz i drukuj
Dodaj opinię

Warstwy

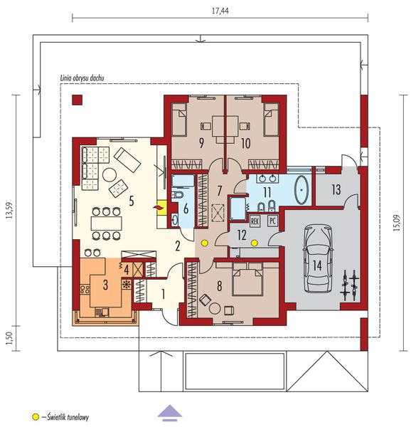
Rzut parteru

Powierzchnia (m²)
Tooltip
Powierzchnia pomieszczenia
to ta, z której faktycznie możesz korzystać – skosy i niskie części poddasza są liczone częściowo lub wcale.
  1. 100% dla wysokości powyżej 2,2 m,
  2. 50% dla wysokości 1,4–2,2 m,
  3. nie liczymy poniżej 1,4 m.

Powierzchnia podłogi
Liczymy po obrysie pomieszczenia, bez względu na jego wysokość/skosy. Jeśli nie ma skosów to powierzchnia podłogi i pomieszczenia jest taka sama.
pomieszczenia i podłogi
podłogi
1. Wiatrołap
4,07
2. Korytarz
5,13
3. Kuchnia
10,01
4. Spiżarnia
1,04
5. Pokój dzienny + jadalnia
34,08
6. Łazienka
4,02
7. Korytarz
10,26
8. Pokój
17,86
9. Pokój
12,19
10. Pokój
12,19
11. Łazienka
9,10
12. Pomieszczenie gospodarcze
6,84
13. Pomieszczenie gospodarcze
4,97
14. Garaż jednostanowiskowy
24,40
Razem
156,16
156,16

    Usytuowanie na działce

    Czy ten projekt pasuje na
    Twoją działkę?

    Chętnie to sprawdzimy!

    Dowiedz się:

    • czy zmieści się na niej wybrany przez Ciebie dom
    • jakie parametry musi spełniać dom według miejscowego planu zagospodarowania lub warunków zabudowy (np. kąt nachylenia i typ dachu, liczba kondygnacji itp.
    • jakie inne projekty pasują na Twoją działkę – znajdziemy je dla Ciebie!

Pow. użytkowa

119,95 m²

Pokoje

3

Łazienki i WC

2

Garaż

1

Min. szer. i dł. działki

24,44 x 23,09 m

Kąt dachu

20°

Szacunkowy koszt SSZ

365 000 zł
Szacunkowy koszt budowy do stanu surowego zamkniętego (SSZ) metodą gospodarczą - większość prac wykonuje inwestor.

Konstrukcja

Murowana
więcej
Zapisz Dodano!
Porównaj Dodano!
ikona Pobierz i drukuj

Bob III G1 energo plus - WRC2826

ikona 119,95 m²
Powierzchnia użytkowa
ikona3
Pokoje (bez salonu)
ikona 2
Łazienki (z toaletami)
ikona 1
Liczba stanowisk garażowych
(z wiatą garażową)
ikona
Konstrukcja: Murowana

Promocja

od 14.04.2026 do 29.04.2026

0dni

00 00 00

5 520 zł

6 900 zł - cena regularna
Tooltip

Cena regularna obowiązywała od 27.03.2026 do 14.04.2026

5 520 zł - najniższa cena z 30 dni przed obniżką

Wydłużony czas realizacji

NOWOŚĆ! Projekt w opracowaniu.

Zadzwoń i zapytaj o termin realizacji - 71 715 20 60

Gwarancja najniższej ceny
ikona
Darmowa dostawa
Paczkomaty, kurier
ikona
100 dni na wymianę,
30 dni na zwrot
ikona Zyskaj najwięcej! Extradodatki GRATIS:

15% rabatu do LEROY MERLIN

10% rabatu w CASTORAMIE

16% rabatu w SELSEY

Pakiet Formalności 2026

Przydatne Extradodatki

Poradnik Dach Solarny

ikona Co zawiera projekt?
  • Projekt zgodny z WT2021
  • Bezpłatne pozwolenie na zmiany
  • Charakterystyka energetyczna
Konsultant
71 715 20 60

pon.-pt. 8-21, sob. 9-17

Szukasz wykonawcy godnego zaufania?
Zleć budowę w Extradom.pl!

  • Z góry znasz koszt budowy domu
  • Dom odbierasz zgodnie z ustalonym harmonogramem - nawet w 6 miesięcy
  • Zabezpiecza Cię jedna kompleksowa umowa z jednym wykonawcą
  • Otrzymujesz nawet 30-letnią gwarancję na konstrukcję domu
  • Oszczędzasz swój czas dzięki pewnej i kompletnej usłudze
Cena brutto stanu
deweloperskiego od
Tooltip
Cena brutto stanu deweloperskiego od 4 529 do 5 679 zł/m2.
Cena jest uzależniona m.in. od lokalizacji, wybranej technologii, kubatury budynku, skomplikowania projektu i ewentualnych zmian, na które zdecyduje się inwestor.
Cena za m2 powierzchni netto, czyli wszystkich pomieszczeń mierzonych na wysokości podłogi.
4 529 zł/m2
Dowiedz się więcej
Konsultant Masz pytania?
Zadzwoń
71 715 20 09

pon.-pt. 8-19

Parter - 156,16 m²

Parter projektu Bob III G1 energo plus

Zapytaj, co możesz zmienić

Powierzchnia (m²)
Tooltip
Powierzchnia pomieszczenia
to ta, z której faktycznie możesz korzystać – skosy i niskie części poddasza są liczone częściowo lub wcale.
  1. 100% dla wysokości powyżej 2,2 m,
  2. 50% dla wysokości 1,4–2,2 m,
  3. nie liczymy poniżej 1,4 m.

Powierzchnia podłogi
Liczymy po obrysie pomieszczenia, bez względu na jego wysokość/skosy. Jeśli nie ma skosów to powierzchnia podłogi i pomieszczenia jest taka sama.
pomieszczenia i podłogi
podłogi
1. Wiatrołap
4,07
2. Korytarz
5,13
3. Kuchnia
10,01
4. Spiżarnia
1,04
5. Pokój dzienny + jadalnia
34,08
6. Łazienka
4,02
7. Korytarz
10,26
8. Pokój
17,86
9. Pokój
12,19
10. Pokój
12,19
11. Łazienka
9,10
12. Pomieszczenie gospodarcze
6,84
13. Pomieszczenie gospodarcze
4,97
14. Garaż jednostanowiskowy
24,40
Razem
156,16
156,16

Warianty projektu (5)

PROMOCJA
Projekt domu Bob
Bob
Dodano!
Dodano!
115,70 m²
3
2
0

3 600 zł

4 500 zł

Tooltip

Cena regularna

3 554 zł najniższa cena
Tooltip

Najniższa cena z 30 dni
przed obniżką

PROMOCJA
Projekt domu Bob III G1
Bob III G1
Dodano!
Dodano!
119,93 m²
3
2
1

4 160 zł

5 200 zł

Tooltip

Cena regularna

4 055 zł najniższa cena
Tooltip

Najniższa cena z 30 dni
przed obniżką

PROMOCJA
Projekt domu Bob G1
Bob G1
Dodano!
Dodano!
118,85 m²
3
2
1

3 760 zł

4 700 zł

Tooltip

Cena regularna

3 712 zł najniższa cena
Tooltip

Najniższa cena z 30 dni
przed obniżką

PROMOCJA
Projekt domu Bob II G1
Bob II G1
Dodano!
Dodano!
117,47 m²
3
2
1

3 760 zł

4 700 zł

Tooltip

Cena regularna

3 712 zł najniższa cena
Tooltip

Najniższa cena z 30 dni
przed obniżką

PROMOCJA
Projekt domu Bob II
Bob II
Dodano!
Dodano!
112,06 m²
3
2
0

3 600 zł

4 500 zł

Tooltip

Cena regularna

3 554 zł najniższa cena
Tooltip

Najniższa cena z 30 dni
przed obniżką

Podobne projekty (117)

Zobacz wszystkie
PROMOCJA
Zdjęcie 1 projektu APS 347 wariant 2+G LUA1590
APS 347 wariant 2+G
Dodano!
Dodano!
103,50 m²
3
2
2

4 249 zł

4 999 zł

Tooltip

Cena regularna

4 449 zł najniższa cena
Tooltip

Najniższa cena z 30 dni
przed obniżką

Zdjęcie 1 projektu APS 347 wariant 2+G ECO LUA1657
APS 347 wariant 2+G ECO
Dodano!
Dodano!
103,50 m²
3
2
2

5 199 zł

Nowość
Zdjęcie 1 projektu Domena 170 B WRW1433
Domena 170 B
Dodano!
Dodano!
127,95 m²
4
2
2

5 290 zł

PROMOCJA
Zdjęcie 1 projektu Solido 4 WOF1267
Solido 4
Dodano!
Dodano!
116,50 m²
3
2
2

4 399 zł

4 599 zł

Tooltip

Cena regularna

4 399 zł najniższa cena
Tooltip

Najniższa cena z 30 dni
przed obniżką

Zdjęcie 1 projektu Dwie bryły 03 KZB1033
Dwie bryły 03
Dodano!
Dodano!
122,79 m²
3
2
1

5 800 zł

PROMOCJA
Zdjęcie 1 projektu Mokka 18 modern WOF1254
Mokka 18 modern
Dodano!
Dodano!
110 m²
4
2
2

4 399 zł

4 599 zł

Tooltip

Cena regularna

4 399 zł najniższa cena
Tooltip

Najniższa cena z 30 dni
przed obniżką

PROMOCJA
Zdjęcie 1 projektu Mokka 18 modern plus WOF1257
Mokka 18 modern plus
Dodano!
Dodano!
120 m²
4
2
2

4 199 zł

4 399 zł

Tooltip

Cena regularna

4 199 zł najniższa cena
Tooltip

Najniższa cena z 30 dni
przed obniżką

PROMOCJA
Zdjęcie 1 projektu APS 346 wariant 4 LUA1588
APS 346 wariant 4
Dodano!
Dodano!
108,50 m²
3
2
2

4 149 zł

4 899 zł

Tooltip

Cena regularna

4 349 zł najniższa cena
Tooltip

Najniższa cena z 30 dni
przed obniżką

Metody i koszt budowy

Ten dom możesz budować metodą gospodarczą, systemem zleconym lub skorzystać z naszej oferty Projekt z Budową. Przy porównaniu weź pod uwagę nie tylko koszt, ale też różny zakres prac i standard wykonania.

Metoda gospodarcza

Najtańsza metoda - większość prac
budowlanych wykonuje inwestor

Stan surowy zamknięty (SSZ)

365 000 zł netto

Szacunkowy koszt materiałów na I kwartał 2026
  • Prace ziemne i fundamenty

    80 000 zł
  • Konstrukcja, strop oraz dach

    210 000 zł
  • Stolarka okienna i drzwiowa

    75 000 zł
  • Instalacje

    nie obejmuje
  • Prace wykończeniowe

    nie obejmuje
  • Możesz budować etapami, pamiętając jednak o zmianie kosztów w czasie
  • Możesz rozpocząć budowę z częścią niezbędnych środków
  • Sam ustalasz harmonogram, koordynujesz budowę i zapewniasz materiały
Czy da się obniżyć koszty budowy?
Zobacz nasz film jak obniżyć koszt budowy

Projekt z Budową

Najszybsza i najwygodniejsza metoda -
całą budowę domu realizuje jedna firma

Stan deweloperski
Gwarancja stałego kosztu budowy

Gwarancja stałego
kosztu budowy

  • Prace ziemne i fundamenty
  • Konstrukcja, strop oraz dach
  • Stolarka okienna i drzwiowa
  • Instalacje  
    Tooltip

    Obejmuje wykonanie instalacji:

    • wodno-kanalizacyjnej
    • centralnego ogrzewania
    • gazowej
    • elektrycznej
  • Prace wykończeniowe  
    Tooltip

    Prace wykończeniowe obejmują:

    • sufity i ściany wewnętrzne
    • tynki i okładziny ścian wewnętrznych
    • wylewki i posadzkę
    • ocieplenie ścian zewnętrznych i elewację

Budowa
nawet w
6mies.

  • Kompleksowa umowa i znany z góry koszt budowy
  • Logistyka, organizacja budowy i zakupy po stronie firmy budowlanej
  • Formalności i dokumentacje po stronie firmy budowlanej
  • Różne technologie budowy dopasowane do projektu i budżetu
Szczegóły i dostępne technologie

Elewacje

Frontowa
Tylna
Lewa
Prawa

Przekroje

Przekrój pionowy

Usytuowanie na działce

Czy ten projekt pasuje na
Twoją działkę?

Chętnie to sprawdzimy!

Czy ten projekt pasuje na
Twoją działkę?

Chętnie to sprawdzimy!

Dowiedz się:

  • czy zmieści się na niej wybrany przez Ciebie dom
  • jakie parametry musi spełniać dom według miejscowego planu zagospodarowania lub warunków zabudowy (np. kąt nachylenia i typ dachu, liczba kondygnacji itp.
  • jakie inne projekty pasują na Twoją działkę – znajdziemy je dla Ciebie!
Autor: Pracownia Projektowa ARCHIPELAG

Dane techniczne projektu

Powierzchnie i wymiary Powierzchnie i wymiary

Powierzchnia użytkowa
Tooltip
Suma powierzchni wszystkich pomieszczeń mieszkalnych, pomniejszona o pow. garażu, kotłowni, strychu, piwnicy. Jest liczona w 100% dla pomieszczeń o wysokości powyżej 2,2 m, w 50% dla pomieszczeń o wys. 2,2-1,4 m i niewliczana dla niższych niż 1,4 m.

119,95 m²

Powierzchnia zabudowy
Tooltip
Powierzchnia zajmowana przez część na- oraz nadziemną budynku liczona, jako rzut pionowy budynku na działkę.

200,62 m²

Powierzchnia netto
Tooltip
Powierzchna wszystkich pomieszczeń w budynku mierzona na wysokości podłogi.

156,16 m²

Kubatura netto
Tooltip
Zazwyczaj jest to suma kubatur (objętości) pomieszczeń budynku, bez strychu, liczonych po zewnętrznym obrysie murów (z ociepleniem).

438,78 m³

Powierzchnia dachu

404 m²

Kąt nachylenia dachu
Tooltip
Nachylenie połaci dachu głównego podawane w stopniach. Uwaga! W niektórych projektach występuje więcej niż jedno nachylenie dachu.

20°

Wysokość budynku
Tooltip
Wysokość liczona od części budynku położonej najniżej przy powierzchni terenu do najwyższego punktu dachu (kalenicy) z wyłączeniem kominów.

6,18 m

Szerokość elewacji

17,44 m

Długość elewacji

15,09 m

Min. szerokość działki
Tooltip
Najmniejsza możliwa szerokość działki niezbędna do wybudowania wybranego domu. Składa się z szerokości elewacji domu powiększonej z obu stron o 3 m dla ściany bez otworów drzwiowych/okiennych lub 4 m, dla ściany z otworami.

24,44 m

Min. długość działki
Tooltip
Najmniejsza możliwa długość działki niezbędna do wybudowania wybranego domu. Składa się z długości elewacji domu powiększonej z obu stron o 3 m dla ściany bez otworów drzwiowych/okiennych lub 4 m, dla ściany z otworami.

23,09 m

Energooszczędność Energooszczędność

Oze Czym jest OZE (Odnawialne Źródło Energii)?
Ogrzewanie główne

Pompa ciepła (OZE) - szczegóły

Interesuje Cię inne źródło ogrzewania? Wyślij zapytanie lub zadzwoń do doradcy

Wentylacja

Mechaniczna nawiewno-wywiewna z rekuperacją - szczegóły

Instalacje w projekcie

Ogrzewanie podłogowe (na całej powierzchni domu lub w jej części, szczegóły u doradcy)
Fotowoltaika (OZE)

Warunki techniczne

Projekt zgody z WT 2021

Technologia i konstrukcja Technologia i konstrukcja

Konstrukcja

Murowana

PROJEKT Z BUDOWĄ Istnieje możliwość zaadaptowania tego projektu do technologii prefabrykowanej/modułowej i budowy nawet w 6 miesięcy ze stałym kosztem budowy

Dowiedz się więcej »
Opis szczegółowy

Ściany zewnętrzne: murowane, dwuwarstwowe, beton komórkowy firmy Solbet 24 cm, ocieplenie wełna mineralna typ Fasoterm 35 firmy Isover 20 cm. Ściany wewnętrzne: nośne i działowe murowane, beton komórkowy firmy Solbet 24 cm i 12 cm. Strop: gęstożebrowy Teriva, ocieplenie wełna mineralna Isover 30 cm. Dach: konstrukcja drewniana, kryta blachą na rąbek stojący, więźba dachowa dostępna również w systemie prefabrykacji drewnianej firmy Mitek. Inne: Dom spełnia standardy Grupy Saint-Gobain; Marka Isover, Rigips i Weber zapewniają najwyższą jakość wbudowanych produktów: systemy ociepleń, okładziny ścienne i sufitowe, paroizolacje, systemy podłogowe, zaprawy, kleje, hydroizolacje. Rozwiązania instalacyjne energooszczędne. Ogrzewanie: pompa ciepła firmy Viessmann, rozprowadzenie ciepła: ogrzewanie podłogowe firmy Purmo. Wentylacja: wentylacja mechaniczna nawiewno-wywiewna z odzyskiem ciepła firmy Viessmann. OZE: panele fotowoltaiczne firmy Viessmann. Dodatkowo: stacja uzdatniania wody firmy Viessmann ;. Elewacje: tynk cienkowarstwowy mineralny w kolorze szarym oraz grafitowym z palety firmy Weber, okładzina drewniana. Stolarka: drewniana, PVC lub aluminiowa, drzwi tarasowe podnoszono-przesuwne typu HS aluminiowo-drewniane Innowiev firmy Fakro, drzwi wewnętrzne i wejściowe firmy oraz brama garażowa Hörmann. Otoczenie: kostka betonowa, system tarasowy ProDeck - deska kompozytowa Terra w kolorze orzech.

Strop

Gęstożebrowy

Reklama
Okna i drzwi tarasowe

Nowoczesne okna PVC i aluminiowe WIŚNIOWSKI – doskonała izolacja, elegancki design i niezrównana trwałość.

Wiśniowski
Sprawdź parametry!
Okna dachowe

Oferujemy bezpłatne konsultacje w zakresie wszystkich rozwiązań VELUX. Wyceny, porady dotyczące doboru okien i rolet zewnętrznych - sprawdź!

Velux
Sprawdź szczegóły
Pompa ciepła

Wybierz pompę ciepła, która pasuje do Twojego domu. Niezależnie od tego, czy ustawienie wewnątrz czy na zewnątrz, pompy ciepła STIEBEL ELTRON dopasują się do każdej przestrzeni.

Stiebel
Dobierz pompę ciepła
Drzwi

Ciepłe drzwi WIŚNIOWSKI z kontrolą dostępu. Szeroka gama wzorów i kolorów.

Wiśniowski
Wybierz najlepsze
Bramy garażowe

Automatyczne bramy garażowe segmentowe i uchylne WIŚNIOWSKI na wymiar i z systemem smart home w standardzie.

Wiśniowski
Sprawdź ofertę!
Rekuperacja

Alnor - kompletny system rekuperacji. Dobierz idealne rozwiązanie dla Twojego domu!

Alnor
Dobierz rekuperator
Dach

Producent stalowych pokryć dachowych i systemów elewacyjnych. Precyzja wykonania, trwałość na lata i szybki montaż doceniany przez dekarzy. Postaw na solidny dach Budmat.

Budmat
Sprawdź ofertę
Ogrodzenie

Nowoczesne stalowe ogrodzenia Budmat - estetyka, bezpieczeństwo i trwałość na lata. Systemowe rozwiązania na wymiar, dopasowane do każdego domu.

Budmat
Sprawdź ofertę

Gotowe domy - najszybszy sposób na dom (115)

Zobacz wszystkie
  • Stan deweloperski nawet w 6 miesięcy
  • Gwarancja stałej ceny
Skonfiguruj dom
Zdjęcie 1 projektu Bergen 110 HUS1001
110,80 m²
3
Stan deweloperski brutto
469 000 zł 4 233 zł/m²
Zdjęcie 1 projektu Dom szkieletowy Emily Smart 120 HHT1026
120 m²
3
Stan deweloperski brutto
592 512 zł 4 938 zł/m²
Zdjęcie 1 projektu Dom prefabrykowany FastHome 120 HFX1033
120,04 m²
4
Stan deweloperski brutto
530 000 zł 4 415 zł/m²
Zdjęcie 1 projektu Dom szkieletowy Scandinavian Smart 120 HHT1020
119,43 m²
3
Stan deweloperski brutto
571 271 zł 4 761 zł/m²
Zdjęcie 1 projektu Dom prefabrykowany P.14 HPK1026
118,94 m²
3
Stan deweloperski brutto
707 200 zł 5 933 zł/m²
Zdjęcie 1 projektu Dom modułowy Soul HMD1001
118,94 m²
4
Stan deweloperski brutto
518 000 zł 3 654 zł/m²
Zdjęcie 1 projektu Dom prefabrykowany P.3 z okapem HPK1013
121,46 m²
5
Stan deweloperski brutto
630 000 zł 5 187 zł/m²
Zdjęcie 1 projektu Dom prefabrykowany P.3 bez okapu HPK1002
121,46 m²
5
Stan deweloperski brutto
617 300 zł 5 082 zł/m²

Dodatki do projektu

Dodatki możesz zamówić w koszyku lub telefonicznie u naszego Doradcy.

Ikona

Bestseller

Dodatkowy egzemplarz projektu

700 zł

Ikona

Bestseller

Projekt garażu, altany lub budynku gospodarczego

1 100 zł

1 zł

Cena przy zakupie z projektem

Opis projektu domu
Bob III G1 energo plus

Projekt domu parterowego Bob III G1 energo plus z garażem 1-st., z dachem dwuspadowym, z tarasem.
Czytaj więcej

Polecani producenci

Kompletne systemy rekuperacji

tło producenta

Alnor

Dowiedz się więcej

Dachy modułowe ze stali

tło producenta

Budmat

Poznaj szczegóły oferty

Prefabrykowane konstrukcje dachowe

tło producenta

WIĄZAR POLSKA

Zobacz więcej

Sprawdź nową generację okien GREENVIEW

tło producenta

FAKRO

Sprawdź nową generację okien GREENVIEW

Styropian, tynki, farby, kleje

tło producenta

Termo Organika

Poznaj super jakość

Okna, drzwi, osłony przeciwsłoneczne

tło producenta

Aluprof

Sprawdź ofertę
Zobacz więcej

Społeczność projektu domu
Bob III G1 energo plus w budowie

Dołącz do społeczności osób, które budują ten dom lub są zainteresowane jego budową.

  • Oglądaj zdjęcia z budowy
  • Zadawaj pytania
  • Wymieniaj się doświadczeniami

Opinie o projekcie domu
Bob III G1 energo plus

Opinie niezweryfikowane

Bądź pierwszy!
Ten projekt nie ma jeszcze opinii, bądź pierwszy!

ikona Dodaj opinię o projekcie

ASYSTENT WYBORU PROJEKTU

Szukasz idealnego projektu? Znajdziemy go dla Ciebie!

Doradca na podstawie Twoich wskazówek przygotuje spersonalizowaną listę projektów

Graficzne opracowanie rzutów poglądowych widocznych na karcie projektu zostało wykonane przez Extradom.pl. Prezentowane przez Extradom.pl wizualizacje wykonane zostały przez autora projektu i należy poczytywać je jedynie za przykład i propozycję wykończenia, wizję architektoniczną autora projektu. Ostateczne wykończenie budynku może nastąpić na wiele sposobów. Szczegółowe rozwiązania zastosowane w oferowanej dokumentacji - w tym również ilość, lokalizacje i wygląd okien, drzwi, kominów - mogą w niewielkim stopniu różnić się od prezentowanej wizualizacji budynku.

Extradom.pl Spółka z ograniczoną odpowiedzialnością z siedzibą przy ul. Jaworskiej 13, 53-612 Wrocław, wpisana do rejestru przedsiębiorców Krajowego Rejestru Sądowego przez Sąd Rejonowy dla Wrocławia-Fabrycznej we Wrocławiu, VI Wydział Gospodarczy Krajowego Rejestru Sądowego do pod numerem KRS 0000648746, numer NIP 895-17-18-333, o kapitale zakładowym 708 150,00 zł uprzejmie informuje, iż poprzez serwis Extradom.pl umożliwia m.in. zapoznanie się przez konsumentów z ofertą handlową Partnerów Extradom.pl, którzy stosują metody budowy domów przy wykorzystaniu różnego rodzaju technologie prefabrykacji bądź modułowe (tzw. „Gotowe domy”).

Extradom.pl nie prowadzi jednakże sprzedaży ani nie oferuje usług polegających na doradztwie finansowym, prawnym ani podatkowym w zakresie inwestycji realizowanych w technologiach tzw. „Gotowych domów”. Informacje prezentowane w serwisie Extradom.pl dotyczące Partnerów Extradom.pl oferujących realizację inwestycji w technologiach „Gotowych domów” lub podobnych mają charakter informacyjny i reklamowy.

Prezentowane w serwisie Extradom.pl informacje dotyczące stosowanych przez Partnerów metod budowy domów w technologii prefabrykacji bądź modułowej pochodzą od Partnerów Extradom.pl.

Extradom.pl sp. z o.o. jedynie umożliwia nawiązanie kontaktu przez Użytkownika z Partnerem Extradom.pl stosującym tego rodzaju technologie budowy domów i nie jest stroną umowy o roboty budowlane zawieranej przez Użytkownika Extradom.pl z Partnerem Extradom.pl.

REKLAMA
Zamknij