👉 Wiosenne rabaty + karta allegro 200 zł! 🔥

Koniec oferty za:

0dni

00godz.

00min.

00sek.

Sprawdź

Projekt domu Koralgol II K 2G BSB1126

Dodano!
Dodano!

Warstwy

Warstwy

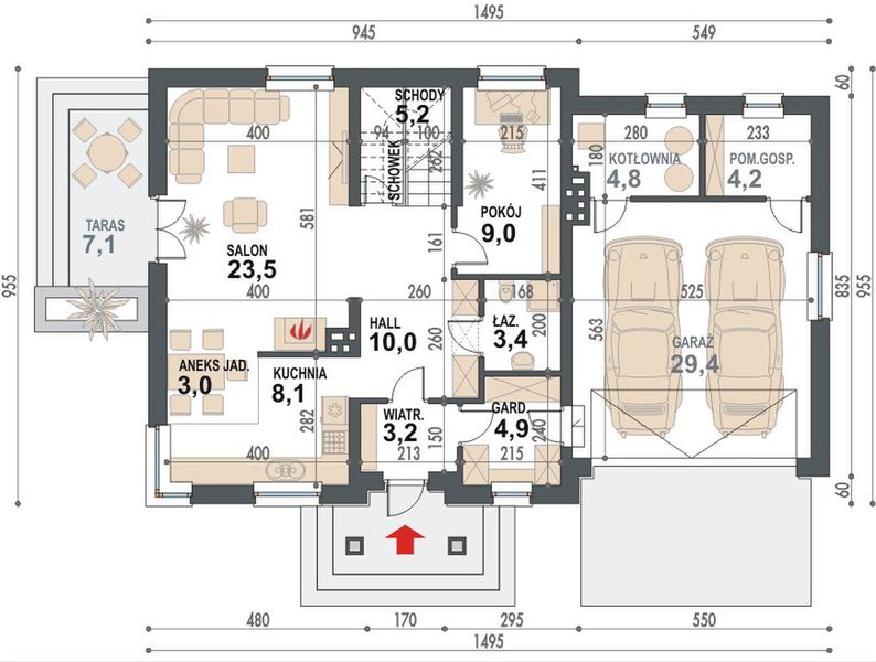
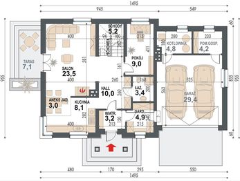
Rzut parteru

Powierzchnia (m²)
Tooltip
Powierzchnia pomieszczenia
to ta, z której faktycznie możesz korzystać – skosy i niskie części poddasza są liczone częściowo lub wcale.
  1. 100% dla wysokości powyżej 2,2 m,
  2. 50% dla wysokości 1,4–2,2 m,
  3. nie liczymy poniżej 1,4 m.

Powierzchnia podłogi
Liczymy po obrysie pomieszczenia, bez względu na jego wysokość/skosy. Jeśli nie ma skosów to powierzchnia podłogi i pomieszczenia jest taka sama.
pomieszczenia i podłogi
podłogi
1. Wiatrołap
3,20
2. Hall
10
3. Kuchnia
8,10
4. Jadalnia
3
5. Pokój dzienny
23,50
6. Schody
5,20
7. Pokój
9
8. Łazienka
3,40
9. Garderoba
4,90
10. Kotłownia
4,80
11. Pomieszczenie gospodarcze
4,20
12. Garaż dwustanowiskowy
29,40
Razem
108,70
108,70
13. Taras
7,10
Powierzchnia (m²)
Tooltip
Powierzchnia pomieszczenia
to ta, z której faktycznie możesz korzystać – skosy i niskie części poddasza są liczone częściowo lub wcale.
  1. 100% dla wysokości powyżej 2,2 m,
  2. 50% dla wysokości 1,4–2,2 m,
  3. nie liczymy poniżej 1,4 m.

Powierzchnia podłogi
Liczymy po obrysie pomieszczenia, bez względu na jego wysokość/skosy. Jeśli nie ma skosów to powierzchnia podłogi i pomieszczenia jest taka sama.
pomieszczenia
podłogi
1. Hall
8,40
8,40
2. Pokój
10,20
14,30
3. Pokój
12,20
16,60
4. Pokój
11,10
12,70
5. Pokój
14,80
21
6. Garderoba
2,90
5
7. Łazienka
3,20
6,60
8. Łazienka
6
8,20
Razem
68,80
92,80
9. Balkon
3,90

    Usytuowanie na działce

    Czy ten projekt pasuje na
    Twoją działkę?

    Chętnie to sprawdzimy!

    Dowiedz się:

    • czy zmieści się na niej wybrany przez Ciebie dom
    • jakie parametry musi spełniać dom według miejscowego planu zagospodarowania lub warunków zabudowy (np. kąt nachylenia i typ dachu, liczba kondygnacji itp.
    • jakie inne projekty pasują na Twoją działkę – znajdziemy je dla Ciebie!

Pow. użytkowa

136,22 m²

Pokoje

5

Łazienki i WC

3

Garaż

2

Min. szer. i dł. działki

22,95 x 17,55 m

Kąt dachu

39°

Szacunkowy koszt SSZ

347 000 zł
Szacunkowy koszt budowy do stanu surowego zamkniętego (SSZ) metodą gospodarczą - większość prac wykonuje inwestor.

Konstrukcja

Murowana
więcej

Koralgol II K 2G - BSB1126

ikona 136,22 m²
Powierzchnia użytkowa
ikona5
Pokoje (bez salonu)
ikona 3
Łazienki (z toaletami)
ikona 2
Liczba stanowisk garażowych
(z wiatą garażową)
ikona
Konstrukcja: Murowana

Promocja od 24.03.2026, koniec za:

0 dni

00 00 00

5 320 zł

Tooltip

Cena regularna obowiązywała od 20.03.2026 do 23.03.2026

Cena regularna: 5 600 zł
Najniższa cena z 30 dni przed obniżką: 5 260 zł
Gwarancja najniższej ceny Gwarancja najniższej ceny Tooltip

Projekt jest dostępny Tooltip

GRATIS 15% rabatu do LEROY MERLIN

GRATIS 16% rabatu w SELSEY

GRATIS Przydatne Extradodatki

GRATIS Poradnik Dach Solarny

100 dni na wymianę, 30 dni na zwrot

Darmowa dostawa - kurier, paczkomaty

Bezpłatne pozwolenie na zmiany

Dokumentacja zgodna z WT2021

Pokaż więcej (6)
Konsultant Masz pytania?
Zadzwoń
71 715 20 60

pon.-pt. 8-21, sob. 9-17

Szukasz wykonawcy godnego zaufania?
Zleć budowę w Extradom.pl!

  • Z góry znasz koszt budowy domu
  • Dom odbierasz zgodnie z ustalonym harmonogramem - nawet w 6 miesięcy
  • Zabezpiecza Cię jedna kompleksowa umowa z jednym wykonawcą
  • Otrzymujesz nawet 30-letnią gwarancję na konstrukcję domu
  • Oszczędzasz swój czas dzięki pewnej i kompletnej usłudze
Cena brutto stanu
deweloperskiego od
Tooltip
Cena brutto stanu deweloperskiego od 4 529 do 5 829 zł/m2.
Cena jest uzależniona m.in. od lokalizacji, wybranej technologii, kubatury budynku, skomplikowania projektu i ewentualnych zmian, na które zdecyduje się inwestor.
Cena za m2 powierzchni netto, czyli wszystkich pomieszczeń mierzonych na wysokości podłogi.
4 529 zł/m2
Dowiedz się więcej
Konsultant Masz pytania?
Zadzwoń
71 718 89 70

pon.-pt. 8-19

Parter - 108,70 m²

Parter projektu Koralgol II K 2G

Zapytaj, co możesz zmienić

Powierzchnia (m²)
Tooltip
Powierzchnia pomieszczenia
to ta, z której faktycznie możesz korzystać – skosy i niskie części poddasza są liczone częściowo lub wcale.
  1. 100% dla wysokości powyżej 2,2 m,
  2. 50% dla wysokości 1,4–2,2 m,
  3. nie liczymy poniżej 1,4 m.

Powierzchnia podłogi
Liczymy po obrysie pomieszczenia, bez względu na jego wysokość/skosy. Jeśli nie ma skosów to powierzchnia podłogi i pomieszczenia jest taka sama.
pomieszczenia i podłogi
podłogi
1. Wiatrołap
3,20
2. Hall
10
3. Kuchnia
8,10
4. Jadalnia
3
5. Pokój dzienny
23,50
6. Schody
5,20
7. Pokój
9
8. Łazienka
3,40
9. Garderoba
4,90
10. Kotłownia
4,80
11. Pomieszczenie gospodarcze
4,20
12. Garaż dwustanowiskowy
29,40
Razem
108,70
108,70
13. Taras
7,10

Natychmiast, otrzymasz PDF-y
z rzutami wszystkich kondygnacji

Poddasze - 68,80 m²

Poddasze projektu Koralgol II K 2G

Zapytaj, co możesz zmienić

Powierzchnia (m²)
Tooltip
Powierzchnia pomieszczenia
to ta, z której faktycznie możesz korzystać – skosy i niskie części poddasza są liczone częściowo lub wcale.
  1. 100% dla wysokości powyżej 2,2 m,
  2. 50% dla wysokości 1,4–2,2 m,
  3. nie liczymy poniżej 1,4 m.

Powierzchnia podłogi
Liczymy po obrysie pomieszczenia, bez względu na jego wysokość/skosy. Jeśli nie ma skosów to powierzchnia podłogi i pomieszczenia jest taka sama.
pomieszczenia
podłogi
1. Hall
8,40
8,40
2. Pokój
10,20
14,30
3. Pokój
12,20
16,60
4. Pokój
11,10
12,70
5. Pokój
14,80
21
6. Garderoba
2,90
5
7. Łazienka
3,20
6,60
8. Łazienka
6
8,20
Razem
68,80
92,80
9. Balkon
3,90

Natychmiast, otrzymasz PDF-y
z rzutami wszystkich kondygnacji

Zamów rysunki szczegółowe

Zapoznaj się ze szczegółowymi rysunkami rzutów kondygnacji w PDF dla tego projektu.

Warianty projektu (4)

PROMOCJA
Projekt domu Koralgol II N 2G
Koralgol II N 2G
Dodano!
Dodano!
136,22 m²
5
3
2

5 320 zł

5 600 zł

Tooltip

Cena regularna

5 260 zł najniższa cena
Tooltip

Najniższa cena z 30 dni
przed obniżką

PROMOCJA
Projekt domu Koralgol II K
Koralgol II K
Dodano!
Dodano!
127,60 m²
5
2
1

5 035 zł

5 300 zł

Tooltip

Cena regularna

4 960 zł najniższa cena
Tooltip

Najniższa cena z 30 dni
przed obniżką

PROMOCJA
Projekt domu Koralgol 2G
Koralgol 2G
Dodano!
Dodano!
136,22 m²
5
3
2

5 320 zł

5 600 zł

Tooltip

Cena regularna

5 260 zł najniższa cena
Tooltip

Najniższa cena z 30 dni
przed obniżką

PROMOCJA
Projekt domu Koralgol II N
Koralgol II N
Dodano!
Dodano!
127,60 m²
5
2
1

5 035 zł

5 300 zł

Tooltip

Cena regularna

4 960 zł najniższa cena
Tooltip

Najniższa cena z 30 dni
przed obniżką

Podobne projekty (663)

Zobacz wszystkie
NIŻSZA CENA 🔥
Zdjęcie 1 projektu Narcyz 2 WAH2010
Narcyz 2
Dodano!
Dodano!
134,99 m²
5
2
2

6 000 zł

7 500 zł

Tooltip

Cena regularna

6 000 zł najniższa cena
Tooltip

Najniższa cena z 30 dni
przed obniżką

Zdjęcie 1 projektu E-276 WAX1196
E-276
Dodano!
Dodano!
120,80 m²
3
3
1

6 190 zł

Zdjęcie 1 projektu Krajobrazy 37 WRN1581
Krajobrazy 37
Dodano!
Dodano!
135,70 m²
4
2
1

4 195 zł

NIŻSZA CENA 🔥
Zdjęcie 1 projektu Julka 3 WAH1237
Julka 3
Dodano!
Dodano!
139,29 m²
3
2
2

5 376 zł

6 720 zł

Tooltip

Cena regularna

5 376 zł najniższa cena
Tooltip

Najniższa cena z 30 dni
przed obniżką

NIŻSZA CENA 🔥
Zdjęcie 1 projektu APS 262+G LUA1571
APS 262+G
Dodano!
Dodano!
148,90 m²
5
2
1

4 249 zł

4 799 zł

Tooltip

Cena regularna

4 249 zł najniższa cena
Tooltip

Najniższa cena z 30 dni
przed obniżką

NIŻSZA CENA 🔥
Zdjęcie 1 projektu Zoja Luxor G2 (1152) KRD2123
Zoja Luxor G2 (1152)
Dodano!
Dodano!
150,40 m²
5
3
2

4 740 zł

5 090 zł

Tooltip

Cena regularna

4 710 zł najniższa cena
Tooltip

Najniższa cena z 30 dni
przed obniżką

Zdjęcie 1 projektu Dakota BBE1005
Dakota
Dodano!
Dodano!
143,97 m²
5
3
1

4 100 zł

NIŻSZA CENA 🔥
Zdjęcie 1 projektu Sej-pro 003 energo ELW1002
Sej-pro 003 energo
Dodano!
Dodano!
122,01 m²
4
3
1

4 997 zł

5 297 zł

Tooltip

Cena regularna

4 947 zł najniższa cena
Tooltip

Najniższa cena z 30 dni
przed obniżką

Metody i koszt budowy

Ten dom możesz budować metodą gospodarczą, systemem zleconym lub skorzystać z naszej oferty Projekt z Budową. Przy porównaniu weź pod uwagę nie tylko koszt, ale też różny zakres prac i standard wykonania.

Metoda gospodarcza

Najtańsza metoda - większość prac
budowlanych wykonuje inwestor

Stan surowy zamknięty (SSZ)

347 000 zł netto

Szacunkowy koszt materiałów na IV kwartał 2025
  • Prace ziemne i fundamenty

    55 000 zł
  • Konstrukcja, strop oraz dach

    241 000 zł
  • Stolarka okienna i drzwiowa

    51 000 zł
  • Instalacje

    nie obejmuje
  • Prace wykończeniowe

    nie obejmuje
  • Możesz budować etapami, pamiętając jednak o zmianie kosztów w czasie
  • Możesz rozpocząć budowę z częścią niezbędnych środków
  • Sam ustalasz harmonogram, koordynujesz budowę i zapewniasz materiały
Czy da się obniżyć koszty budowy?
Zobacz nasz film jak obniżyć koszt budowy

Projekt z Budową

Najszybsza i najwygodniejsza metoda -
całą budowę domu realizuje jedna firma

Stan deweloperski
Gwarancja stałego kosztu budowy

Gwarancja stałego
kosztu budowy

  • Prace ziemne i fundamenty
  • Konstrukcja, strop oraz dach
  • Stolarka okienna i drzwiowa
  • Instalacje  
    Tooltip

    Obejmuje wykonanie instalacji:

    • wodno-kanalizacyjnej
    • centralnego ogrzewania
    • gazowej
    • elektrycznej
  • Prace wykończeniowe  
    Tooltip

    Prace wykończeniowe obejmują:

    • sufity i ściany wewnętrzne
    • tynki i okładziny ścian wewnętrznych
    • wylewki i posadzkę
    • ocieplenie ścian zewnętrznych i elewację

Budowa
nawet w
6mies.

  • Kompleksowa umowa i znany z góry koszt budowy
  • Logistyka, organizacja budowy i zakupy po stronie firmy budowlanej
  • Formalności i dokumentacje po stronie firmy budowlanej
  • Różne technologie budowy dopasowane do projektu i budżetu
Szczegóły i dostępne technologie
icon

Darmowe

Zestawienie materiałów budowlanych

icon

Polecamy

Kosztorys

Zawiera zestawienie wszystkich potrzebnych materiałów wraz z ich cenami, uwzględnia koszty sprzętu i transportu. Z kosztorysem:

  • poznasz całkowite koszty budowy
  • zaplanujesz prace na budowie
  • łatwiej ocenisz konkurencyjność ofert podwykonawców
  • otrzymasz dokument wymagany w procesie kredytowym

Elewacje

Frontowa
Tylna
Lewa
Prawa

Usytuowanie na działce

Czy ten projekt pasuje na
Twoją działkę?

Chętnie to sprawdzimy!

Czy ten projekt pasuje na
Twoją działkę?

Chętnie to sprawdzimy!

Dowiedz się:

  • czy zmieści się na niej wybrany przez Ciebie dom
  • jakie parametry musi spełniać dom według miejscowego planu zagospodarowania lub warunków zabudowy (np. kąt nachylenia i typ dachu, liczba kondygnacji itp.
  • jakie inne projekty pasują na Twoją działkę – znajdziemy je dla Ciebie!
Autor: DOMINANTA K.SUTUŁA, K.BURZYŃSKI, K.MARKIEWICZ s.j.

Dane techniczne projektu

Powierzchnie i wymiary Powierzchnie i wymiary

Powierzchnia użytkowa
Tooltip
Suma powierzchni wszystkich pomieszczeń mieszkalnych, pomniejszona o pow. garażu, kotłowni, strychu, piwnicy. Jest liczona w 100% dla pomieszczeń o wysokości powyżej 2,2 m, w 50% dla pomieszczeń o wys. 2,2-1,4 m i niewliczana dla niższych niż 1,4 m.

136,22 m²

Powierzchnia zabudowy
Tooltip
Powierzchnia zajmowana przez część na- oraz nadziemną budynku liczona, jako rzut pionowy budynku na działkę.

138,63 m²

Powierzchnia całkowita
Tooltip
Całkowita powierzchnia wszystkich kondygnacji budynku łącznie z elementami nośnymi, takimi jak ściany zewnętrzne (z ociepleniem), słupy, tarasy, itp.

280,88 m²

Kubatura brutto
Tooltip
Zazwyczaj jest to suma kubatur (objętości) wszystkich pomieszczeń budynku, liczonych po zewnętrznym obrysie murów (z ociepleniem).

828 m³

Powierzchnia dachu

235 m²

Kąt nachylenia dachu
Tooltip
Nachylenie połaci dachu głównego podawane w stopniach. Uwaga! W niektórych projektach występuje więcej niż jedno nachylenie dachu.

39°

Wysokość budynku
Tooltip
Wysokość liczona od części budynku położonej najniżej przy powierzchni terenu do najwyższego punktu dachu (kalenicy) z wyłączeniem kominów.

7,97 m

Szerokość elewacji

15,05 m

Długość elewacji

10,72 m

Min. szerokość działki
Tooltip
Najmniejsza możliwa szerokość działki niezbędna do wybudowania wybranego domu. Składa się z szerokości elewacji domu powiększonej z obu stron o 3 m dla ściany bez otworów drzwiowych/okiennych lub 4 m, dla ściany z otworami.

22,95 m

Min. długość działki
Tooltip
Najmniejsza możliwa długość działki niezbędna do wybudowania wybranego domu. Składa się z długości elewacji domu powiększonej z obu stron o 3 m dla ściany bez otworów drzwiowych/okiennych lub 4 m, dla ściany z otworami.

17,55 m

Energooszczędność Energooszczędność

Oze Czym jest OZE (Odnawialne Źródło Energii)?
Euco
Tooltip
Energia użytkowa potrzebna do ogrzewania i wentylacji. Im parametr jest niższy tym budynek bardziej energooszczędny.

40 kWh/(m²rok)

Ogrzewanie główne

Gazowe lub paliwo stałe (OZE) lub olejowe - do wyboru na etapie adaptacji

Interesuje Cię inne źródło ogrzewania? Wyślij zapytanie lub zadzwoń do doradcy

Wentylacja

Mechaniczna nawiewno-wywiewna z rekuperacją - szczegóły

Instalacje w projekcie

Ogrzewanie podłogowe (na całej powierzchni domu lub w jej części, szczegóły u doradcy)
Kolektory słoneczne

Warunki techniczne

Projekt zgody z WT 2021

Technologia i konstrukcja Technologia i konstrukcja

Konstrukcja

Murowana

PROJEKT Z BUDOWĄ Istnieje możliwość zaadaptowania tego projektu do technologii prefabrykowanej/modułowej i budowy nawet w 6 miesięcy ze stałym kosztem budowy

Dowiedz się więcej »
Opis szczegółowy

Ściany zewnętrzne: tradycyjne dwuwarstwowe (pustak ceramiczny + styropian frezowany). Stropy: żelbetowe monolityczne. Schody wewnętrzne: ażurowe o konstrukcji drewnianej lub stalowej. Dach: dwuspadowy o konstrukcji drewnianej z pokryciem z dachówki ceramicznej, cementowej lub blachodachówki.

Strop

Żelbetowy

Reklama
Okna i drzwi tarasowe

Nowoczesne okna PVC i aluminiowe WIŚNIOWSKI – doskonała izolacja, elegancki design i niezrównana trwałość.

Wiśniowski
Sprawdź parametry!
Okna dachowe

Oferujemy bezpłatne konsultacje w zakresie wszystkich rozwiązań VELUX. Wyceny, porady dotyczące doboru okien i rolet zewnętrznych - sprawdź!

Velux
Sprawdź szczegóły
Płytki ceramiczne i gresy

Od małych formatów po wielkoformatowe gresy. Marmur, beton, drewno, kamień, lastryko czy cegiełki zamówisz wygodnie online z szybką dostawą.

Ceramzet
Sprawdź ofertę
Elewacja

Kup przez internet wszystkie materiały potrzebne do wykonania elewacji: styropian, płyty PIR, XPS, kleje, tynki. Najlepsze marki w super cenach z dostawą pod dom.

Hurtownia styropianu
Sprawdź ofertę!
Drzwi

Ciepłe drzwi WIŚNIOWSKI z kontrolą dostępu. Szeroka gama wzorów i kolorów.

Wiśniowski
Wybierz najlepsze
Bramy garażowe

Automatyczne bramy garażowe segmentowe i uchylne WIŚNIOWSKI na wymiar i z systemem smart home w standardzie.

Wiśniowski
Sprawdź ofertę!
Armatura i ceramika łazienkowa

Topowi producenci. Baterie łazienkowe, zestawy natynkowe i podtynkowe, umywalki, wanny, miski WC oraz kabiny zamówisz kompleksowo online.

Ceramzet II
Dowiedz się więcej
Rekuperacja

Alnor - kompletny system rekuperacji. Dobierz idealne rozwiązanie dla Twojego domu!

Alnor
Dobierz rekuperator
Dach

Producent stalowych pokryć dachowych i systemów elewacyjnych. Precyzja wykonania, trwałość na lata i szybki montaż doceniany przez dekarzy. Postaw na solidny dach Budmat.

Budmat
Sprawdź ofertę
Ogrodzenie

Nowoczesne stalowe ogrodzenia Budmat - estetyka, bezpieczeństwo i trwałość na lata. Systemowe rozwiązania na wymiar, dopasowane do każdego domu.

Budmat
Sprawdź ofertę

Gotowe domy - najszybszy sposób na dom (124)

Zobacz wszystkie
  • Stan deweloperski nawet w 6 miesięcy
  • Gwarancja stałej ceny
Skonfiguruj dom
Zdjęcie 1 projektu Bergen 130 HUS1002
130,40 m²
4
Stan deweloperski brutto
499 000 zł 3 827 zł/m²
Zdjęcie 1 projektu Dom prefabrykowany DEX136 HDX1002
136 m²
4
Stan deweloperski brutto
895 700 zł 6 586 zł/m²
Zdjęcie 1 projektu Dom prefabrykowany P.5 HPK1004
138,67 m²
5
Stan deweloperski brutto
787 200 zł 5 677 zł/m²
Zdjęcie 1 projektu Dom prefabrykowany P.1 z okapem HPK1000
139,44 m²
3
Stan deweloperski brutto
734 000 zł 5 264 zł/m²
Zdjęcie 1 projektu Dom prefabrykowany P.1 bez okapu HPK1012
139,44 m²
3
Stan deweloperski brutto
712 400 zł 5 109 zł/m²
Zdjęcie 1 projektu Dom prefabrykowany Piętrowy 130C HFX1023
132 m²
4
Stan deweloperski brutto
539 000 zł 4 083 zł/m²
Zdjęcie 1 projektu Dom prefabrykowany Piętrowy 130B HFX1022
131,60 m²
5
Stan deweloperski brutto
539 000 zł 4 096 zł/m²
Zdjęcie 1 projektu Dom prefabrykowany Piętrowy 130A HFX1021
130,40 m²
4
Stan deweloperski brutto
539 000 zł 4 133 zł/m²

Dodatki do projektu

Dodatki możesz zamówić w koszyku lub telefonicznie u naszego Doradcy.

Ikona

Bestseller

Kosztorys

600 zł

Ikona

Bestseller

Dodatkowy egzemplarz projektu

500 zł

Opis projektu domu
Koralgol II K 2G

Projekt domu Koralgol II K 2G jest wariantem popularnego projektu Koralgol. W przeciwieństwie do podstawowej wersji projekt ma większą powierzchnię, więcej stanowisk garażowych. Projekt domu Koralgol II K 2G jest doskonałym rozwiązaniem dla osób posiadających średniej szerokości działkę. Dom cechuje się prostą bryłą, co znacznie ułatwia proces budowy. Projekt należy do kategorii domów z kalenicą skierowaną równolegle do drogi, co często określane jest w warunkach zabudowy. Jest przeznaczony do zabudowy wolnostojącej. W projekcie zaproponowano garaż dwustanowiskowy w linii budynku. Bryła budynku przykryta jest dachem dwuspadowym, dzięki czemu jest to tanie i proste rozwiązanie. Projekt Koralgol II K 2G to dom parterowy z poddaszem użytkowym, dzięki czemu mamy możliwość zagospodarowania większej powierzchni. Zwolenników przestronnych przestrzeni z pewnością ucieszy przewidziana w projekcie część dzienna. Tworzy ją między innymi funkcjonalna kuchnia, którą każdy Inwestor swobodnie dostosuje do swoich potrzeb. Uwzględniona w projekcie jadalnia to doskonałe rozwiązanie dla osób lubiących przyjmować gości i organizować rodzinne, kameralne przyjęcia.Usytuowany w salonie kominek sprawi, iż wnętrze stanie się bardziej przytulne. Projekt uwzględnia jedną łazienkę na parterze i dwie na poddaszu. Pięć sypialni doskonale sprawdzi się w przypadku 5-7 osobowej rodziny. Przestrzeń można wykorzystać także jako pokój dla gości lub gabinet. Osoby ceniące funkcjonalne rozwiązania z pewnością docenią obecność garderoby. Na komfortowe użytkowanie domu ma również wpływ uwzględnione w nim pomieszczenie gospodarcze. Doskonałym miejscem do wypoczynku jest zaprojektowany przy domu taras. Projekt został wykonany w technologii murowanej, dzięki czemu podczas upałów dom utrzymuje przyjemny chłód. W jego bryle widoczne są rozwiązania nawiązujące do stylu tradycyjnego, dzięki czemu idealnie wpisze się w dowolny krajobraz.
Czytaj więcej

Polecani producenci

Kompletne systemy rekuperacji

tło producenta

Alnor

Dowiedz się więcej

Prefabrykowane konstrukcje dachowe

tło producenta

WIĄZAR POLSKA

Zobacz więcej

Sprawdź nową generację okien GREENVIEW

tło producenta

FAKRO

Sprawdź nową generację okien GREENVIEW

Styropian, tynki, farby, kleje

tło producenta

Termo Organika

Poznaj super jakość

Okna, drzwi, osłony przeciwsłoneczne

tło producenta

Aluprof

Sprawdź ofertę
Zobacz więcej

Społeczność projektu domu
Koralgol II K 2G w budowie

Dołącz do społeczności osób, które budują ten dom lub są zainteresowane jego budową.

  • Oglądaj zdjęcia z budowy
  • Zadawaj pytania
  • Wymieniaj się doświadczeniami

Opinie o projekcie domu Koralgol II K 2G

Ocena

Ten projekt nie ma jeszcze opinii, bądź pierwszy!

Dodaj opinię

ASYSTENT WYBORU PROJEKTU

Szukasz idealnego projektu? Znajdziemy go dla Ciebie!

Doradca na podstawie Twoich wskazówek przygotuje spersonalizowaną listę projektów

Graficzne opracowanie rzutów poglądowych widocznych na karcie projektu zostało wykonane przez Extradom.pl. Prezentowane przez Extradom.pl wizualizacje wykonane zostały przez autora projektu i należy poczytywać je jedynie za przykład i propozycję wykończenia, wizję architektoniczną autora projektu. Ostateczne wykończenie budynku może nastąpić na wiele sposobów. Szczegółowe rozwiązania zastosowane w oferowanej dokumentacji - w tym również ilość, lokalizacje i wygląd okien, drzwi, kominów - mogą w niewielkim stopniu różnić się od prezentowanej wizualizacji budynku.

Extradom.pl Spółka z ograniczoną odpowiedzialnością z siedzibą przy ul. Jaworskiej 13, 53-612 Wrocław, wpisana do rejestru przedsiębiorców Krajowego Rejestru Sądowego przez Sąd Rejonowy dla Wrocławia-Fabrycznej we Wrocławiu, VI Wydział Gospodarczy Krajowego Rejestru Sądowego do pod numerem KRS 0000648746, numer NIP 895-17-18-333, o kapitale zakładowym 708 150,00 zł uprzejmie informuje, iż poprzez serwis Extradom.pl umożliwia m.in. zapoznanie się przez konsumentów z ofertą handlową Partnerów Extradom.pl, którzy stosują metody budowy domów przy wykorzystaniu różnego rodzaju technologie prefabrykacji bądź modułowe (tzw. „Gotowe domy”).

Extradom.pl nie prowadzi jednakże sprzedaży ani nie oferuje usług polegających na doradztwie finansowym, prawnym ani podatkowym w zakresie inwestycji realizowanych w technologiach tzw. „Gotowych domów”. Informacje prezentowane w serwisie Extradom.pl dotyczące Partnerów Extradom.pl oferujących realizację inwestycji w technologiach „Gotowych domów” lub podobnych mają charakter informacyjny i reklamowy.

Prezentowane w serwisie Extradom.pl informacje dotyczące stosowanych przez Partnerów metod budowy domów w technologii prefabrykacji bądź modułowej pochodzą od Partnerów Extradom.pl.

Extradom.pl sp. z o.o. jedynie umożliwia nawiązanie kontaktu przez Użytkownika z Partnerem Extradom.pl stosującym tego rodzaju technologie budowy domów i nie jest stroną umowy o roboty budowlane zawieranej przez Użytkownika Extradom.pl z Partnerem Extradom.pl.

REKLAMA
Zamknij