Projekty nawet 500 zł taniej ❄️

Koniec oferty za:

00godz.

00min.

00sek.

Sprawdź

Projekt domu Dom przy Ogrodowej KRK1103

Dodano!
Dodano!

Warstwy

Rzut parteru

Powierzchnia (m²)
Tooltip
Powierzchnia pomieszczenia
to ta, z której faktycznie możesz korzystać – skosy i niskie części poddasza są liczone częściowo lub wcale.
  1. 100% dla wysokości powyżej 2,2 m,
  2. 50% dla wysokości 1,4–2,2 m,
  3. nie liczymy poniżej 1,4 m.

Powierzchnia podłogi
Liczymy po obrysie pomieszczenia, bez względu na jego wysokość/skosy. Jeśli nie ma skosów to powierzchnia podłogi i pomieszczenia jest taka sama.
pomieszczenia i podłogi
podłogi
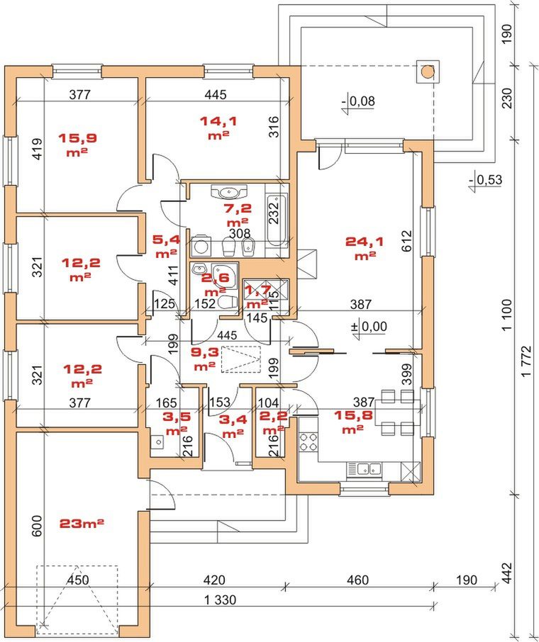
1. Wiatrołap
3,40
2. Hall
9,30
3. Pokój
12,20
4. Korytarz
5,40
5. Pokój
12,20
6. Pokój
15,90
7. Pokój
14,10
8. Łazienka
7,20
9. Łazienka
2,60
10. Garderoba
1,70
11. Pokój dzienny
24,10
12. Kuchnia
15,80
13. Spiżarnia
2,20
14. Kotłownia
3,50
15. Garaż jednostanowiskowy
23
Razem
152,60
152,60

    Usytuowanie na działce

    Czy ten projekt pasuje na
    Twoją działkę?

    Chętnie to sprawdzimy!

    Dowiedz się:

    • czy zmieści się na niej wybrany przez Ciebie dom
    • jakie parametry musi spełniać dom według miejscowego planu zagospodarowania lub warunków zabudowy (np. kąt nachylenia i typ dachu, liczba kondygnacji itp.
    • jakie inne projekty pasują na Twoją działkę – znajdziemy je dla Ciebie!

Pow. użytkowa

126,10 m²

Pokoje

4

Łazienki i WC

2

Garaż

1

Min. szer. i dł. działki

21,3 x 25,75 m

Kąt dachu

25°

Konstrukcja

Murowana
więcej

Dom przy Ogrodowej - KRK1103

ikona 126,10 m²
Powierzchnia użytkowa
ikona4
Pokoje (bez salonu)
ikona 2
Łazienki (z toaletami)
ikona 1
Liczba stanowisk garażowych
(z wiatą garażową)
ikona
Konstrukcja: Murowana

Projekt został
wycofany z oferty

W razie pytań prosimy o kontakt
z Centrum Obsługi Klienta
Konsultant Masz pytania?
Zadzwoń
71 715 20 60

pon.-pt. 8-21, sob. 9-17

Parter - 152,60 m²

Parter projektu Dom przy Ogrodowej

Zapytaj, co możesz zmienić

Powierzchnia (m²)
Tooltip
Powierzchnia pomieszczenia
to ta, z której faktycznie możesz korzystać – skosy i niskie części poddasza są liczone częściowo lub wcale.
  1. 100% dla wysokości powyżej 2,2 m,
  2. 50% dla wysokości 1,4–2,2 m,
  3. nie liczymy poniżej 1,4 m.

Powierzchnia podłogi
Liczymy po obrysie pomieszczenia, bez względu na jego wysokość/skosy. Jeśli nie ma skosów to powierzchnia podłogi i pomieszczenia jest taka sama.
pomieszczenia i podłogi
podłogi
1. Wiatrołap
3,40
2. Hall
9,30
3. Pokój
12,20
4. Korytarz
5,40
5. Pokój
12,20
6. Pokój
15,90
7. Pokój
14,10
8. Łazienka
7,20
9. Łazienka
2,60
10. Garderoba
1,70
11. Pokój dzienny
24,10
12. Kuchnia
15,80
13. Spiżarnia
2,20
14. Kotłownia
3,50
15. Garaż jednostanowiskowy
23
Razem
152,60
152,60

Podobne projekty (6765)

Zobacz wszystkie
Zdjęcie 1 projektu NewHouse 761 KRZ1109
NewHouse 761
Dodano!
Dodano!
135,52 m²
3
3
2

5 690 zł

Zdjęcie 1 projektu NewHouse 761 w1 KRZ1122
NewHouse 761 w1
Dodano!
Dodano!
138,73 m²
3
2
2

5 690 zł

Zdjęcie 1 projektu D21-9B G2 WSA1014
D21-9B G2
Dodano!
Dodano!
108,99 m²
3
2
2

6 500 zł

Zdjęcie 1 projektu APS 347 wariant 2+G ECO LUA1657
APS 347 wariant 2+G ECO
Dodano!
Dodano!
103,50 m²
3
2
2

5 099 zł

Zdjęcie 1 projektu Leon 2 BSE1267
Leon 2
Dodano!
Dodano!
130,29 m²
3
3
2

5 400 zł

Nowość
Zdjęcie 1 projektu Krajobrazy 84 WRN1588
Krajobrazy 84
Dodano!
Dodano!
126,50 m²
4
2
0

4 095 zł

Zdjęcie 1 projektu Domena 145 B WRW1375
Domena 145 B
Dodano!
Dodano!
134,05 m²
4
2
2

4 700 zł

Zdjęcie 1 projektu Mestre WRN1482
Mestre
Dodano!
Dodano!
133,90 m²
3
2
2

4 195 zł

Elewacje

Frontowa
Tylna
Lewa
Prawa

Przekroje

Przekrój pionowy

Usytuowanie na działce

Czy ten projekt pasuje na
Twoją działkę?

Chętnie to sprawdzimy!

Czy ten projekt pasuje na
Twoją działkę?

Chętnie to sprawdzimy!

Dowiedz się:

  • czy zmieści się na niej wybrany przez Ciebie dom
  • jakie parametry musi spełniać dom według miejscowego planu zagospodarowania lub warunków zabudowy (np. kąt nachylenia i typ dachu, liczba kondygnacji itp.
  • jakie inne projekty pasują na Twoją działkę – znajdziemy je dla Ciebie!
Autor: GALERIADOMOW.PL

Dane techniczne projektu

Powierzchnie i wymiary Powierzchnie i wymiary

Powierzchnia użytkowa
Tooltip
Suma powierzchni wszystkich pomieszczeń mieszkalnych, pomniejszona o pow. garażu, kotłowni, strychu, piwnicy. Jest liczona w 100% dla pomieszczeń o wysokości powyżej 2,2 m, w 50% dla pomieszczeń o wys. 2,2-1,4 m i niewliczana dla niższych niż 1,4 m.

126,10 m²

Powierzchnia zabudowy
Tooltip
Powierzchnia zajmowana przez część na- oraz nadziemną budynku liczona, jako rzut pionowy budynku na działkę.

196,80 m²

Powierzchnia dachu

285 m²

Kąt nachylenia dachu
Tooltip
Nachylenie połaci dachu głównego podawane w stopniach. Uwaga! W niektórych projektach występuje więcej niż jedno nachylenie dachu.

25°

Wysokość budynku
Tooltip
Wysokość liczona od części budynku położonej najniżej przy powierzchni terenu do najwyższego punktu dachu (kalenicy) z wyłączeniem kominów.

7 m

Min. szerokość działki
Tooltip
Najmniejsza możliwa szerokość działki niezbędna do wybudowania wybranego domu. Składa się z szerokości elewacji domu powiększonej z obu stron o 3 m dla ściany bez otworów drzwiowych/okiennych lub 4 m, dla ściany z otworami.

21,30 m

Min. długość działki
Tooltip
Najmniejsza możliwa długość działki niezbędna do wybudowania wybranego domu. Składa się z długości elewacji domu powiększonej z obu stron o 3 m dla ściany bez otworów drzwiowych/okiennych lub 4 m, dla ściany z otworami.

25,75 m

Energooszczędność Energooszczędność

Oze Czym jest OZE (Odnawialne Źródło Energii)?
Warunki techniczne

Projekt zgody z WT 2021

Technologia i konstrukcja Technologia i konstrukcja

Konstrukcja

Murowana

Opis szczegółowy

Ściany zewnętrzne: bloczki betonu komórkowego 36,5cm. Ściany nośne: bloczki betonu komórkowego 24 cm. Strop: monolityczny żelbetowy. Dach: kąt nachylenia 25°, pokrycie - dachówka ceramiczna lub betonowa.

Strop

Żelbetowy

Reklama
Okna i drzwi tarasowe

Nowoczesne okna PVC i aluminiowe WIŚNIOWSKI – doskonała izolacja, elegancki design i niezrównana trwałość.

Wiśniowski
Sprawdź parametry!
Okna dachowe

Oferujemy bezpłatne konsultacje w zakresie wszystkich rozwiązań VELUX. Wyceny, porady dotyczące doboru okien i rolet zewnętrznych - sprawdź!

Velux
Sprawdź szczegóły
Płytki ceramiczne i gresy

Od małych formatów po wielkoformatowe gresy. Marmur, beton, drewno, kamień, lastryko czy cegiełki zamówisz wygodnie online z szybką dostawą.

Ceramzet
Sprawdź ofertę
Drzwi

Ciepłe drzwi WIŚNIOWSKI z kontrolą dostępu. Szeroka gama wzorów i kolorów.

Wiśniowski
Wybierz najlepsze
Bramy garażowe

Automatyczne bramy garażowe segmentowe i uchylne WIŚNIOWSKI na wymiar i z systemem smart home w standardzie.

Wiśniowski
Sprawdź ofertę!
Armatura i ceramika łazienkowa

Topowi producenci. Baterie łazienkowe, zestawy natynkowe i podtynkowe, umywalki, wanny, miski WC oraz kabiny zamówisz kompleksowo online.

Ceramzet II
Dowiedz się więcej
Rekuperacja

Alnor - kompletny system rekuperacji. Dobierz idealne rozwiązanie dla Twojego domu!

Alnor
Dobierz rekuperator
Gruntowe pompy ciepła

Przeprowadzimy kompletną instalację najbardziej oszczędnego źródła ciepła w Twoim nowym domu - gruntowej pompy ciepła. Od dokumentacji, pozwoleń, po odwierty i instalację.

Geothermal Solutions
Dowiedz się więcej

Gotowe domy modułowe (114)

Zobacz wszystkie
Stan deweloperski nawet w 6 miesięcy Gwarancja stałej ceny
Zdjęcie 1 projektu Dom prefabrykowany P.11 HPK1011
Pow. użytkowa
122,88 m²
Pokoje
3
681 300 zł 5 544 zł/m²
Zdjęcie 1 projektu Dom prefabrykowany Parterowy 120B HFX1016
Pow. użytkowa
122,36 m²
Pokoje
3
489 000 zł 3 996 zł/m²
Zdjęcie 1 projektu Dom szkieletowy Twin Smart 170 HHT1031
Pow. użytkowa
121,95 m²
Pokoje
5
1 650 700 zł 13 536 zł/m²
Zdjęcie 1 projektu Dom prefabrykowany Piętrowy 130A HFX1021
Pow. użytkowa
130,40 m²
Pokoje
4
539 000 zł 4 133 zł/m²
Zdjęcie 1 projektu Dom prefabrykowany P.3 z okapem HPK1013
Pow. użytkowa
121,46 m²
Pokoje
5
600 100 zł 4 941 zł/m²
Zdjęcie 1 projektu Dom prefabrykowany P.3 bez okapu HPK1002
Pow. użytkowa
121,46 m²
Pokoje
5
594 000 zł 4 890 zł/m²
Zdjęcie 1 projektu Dom prefabrykowany Parterowy 120A HFX1015
Pow. użytkowa
121,44 m²
Pokoje
4
489 000 zł 4 027 zł/m²
Zdjęcie 1 projektu Dom prefabrykowany Piętrowy 130B HFX1022
Pow. użytkowa
131,60 m²
Pokoje
5
539 000 zł 4 096 zł/m²

Opis projektu domu
Dom przy Ogrodowej

Projekt domu Dom przy Ogrodowej to idealna propozycja dla osób posiadających średniej szerokości działkę. Dom posiada prostą bryłę, więc będzie się dobrze prezentował niezależnie od otoczenia. Jest przeznaczony do zabudowy wolnostojącej. Posiada garaż jednostanowiskowy wysunięty do przodu. Jest to również doskonała propozycja dla osób szukających domu z dachem namiotowym, dzięki czemu budynek prezentuje są bardzo efektownie. Projekt Dom przy Ogrodowej to dom parterowy, co sprawia, że komunikacja między pomieszczeniami jest bardzo wygodna. Autor projektu przewidział w nim ciekawie prezentującą się strefę dzienną. Doskonale przemyślane rozwiązania w kuchni dają wiele możliwości aranżacyjnych oraz ułatwią codzienne korzystanie. Dodatkowo przydatnym pomieszczeniem jest pojemna spiżarka. Dodatkowo w salonie przewidziano kominek, nadający wnętrzu niepowtarzalny klimat. W projekcie uwzględniono dwie komfortowe łazienki, co jest dobrym rozwiązaniem przy większej liczbie domowników. Uwzględnione w domu cztery przestronne sypialnie to optymalna opcja dla 4-6 osobowej rodziny. Przestrzeń można wykorzystać także jako pokój dla gości lub gabinet. Osoby ceniące funkcjonalne rozwiązania z pewnością docenią obecność garderoby. Doskonałym miejscem do wypoczynku jest zaprojektowany przy domu taras. Projekt powstał z myślą o Inwestorach, którzy planują zbudować dom w technologii murowanej. Jego wygląd nawiązuje do stylu tradycyjnego, dzięki czemu idealnie wpisze się w dowolny krajobraz.
Czytaj więcej

Polecani producenci

Prefabrykowane konstrukcje dachowe

tło producenta

WIĄZAR POLSKA

Zobacz więcej

Sprawdź nową generację okien GREENVIEW

tło producenta

FAKRO

Sprawdź nową generację okien GREENVIEW

Styropian, tynki, farby, kleje

tło producenta

Termo Organika

Poznaj super jakość

Okna, drzwi, osłony przeciwsłoneczne

tło producenta

Aluprof

Sprawdź ofertę

Kompletne systemy rekuperacji

tło producenta

Alnor

Dowiedz się więcej

Sprawdź nowy system DACHRYNNA

tło producenta

Galeco

Sprawdź ofertę
Zobacz więcej

Społeczność projektu domu
Dom przy Ogrodowej w budowie

Dołącz do społeczności osób, które budują ten dom lub są zainteresowane jego budową.

  • Oglądaj zdjęcia z budowy
  • Zadawaj pytania
  • Wymieniaj się doświadczeniami

Opinie o projekcie domu Dom przy Ogrodowej

Ocena

Ten projekt nie ma jeszcze opinii, bądź pierwszy!

Dodaj opinię

ASYSTENT WYBORU PROJEKTU

Szukasz idealnego projektu? Znajdziemy go dla Ciebie!

Doradca na podstawie Twoich wskazówek przygotuje spersonalizowaną listę projektów

Graficzne opracowanie rzutów poglądowych widocznych na karcie projektu zostało wykonane przez Extradom.pl. Prezentowane przez Extradom.pl wizualizacje wykonane zostały przez autora projektu i należy poczytywać je jedynie za przykład i propozycję wykończenia, wizję architektoniczną autora projektu. Ostateczne wykończenie budynku może nastąpić na wiele sposobów. Szczegółowe rozwiązania zastosowane w oferowanej dokumentacji - w tym również ilość, lokalizacje i wygląd okien, drzwi, kominów - mogą w niewielkim stopniu różnić się od prezentowanej wizualizacji budynku.

REKLAMA
Zamknij