Projekty nawet 500 zł taniej ❄️

Koniec oferty za:

00godz.

00min.

00sek.

Sprawdź

Projekt domu Dom przy Kwiatowej 2 bis KRK1563

Dodano!
Dodano!

Warstwy

Rzut parteru

Powierzchnia (m²)
Tooltip
Powierzchnia pomieszczenia
to ta, z której faktycznie możesz korzystać – skosy i niskie części poddasza są liczone częściowo lub wcale.
  1. 100% dla wysokości powyżej 2,2 m,
  2. 50% dla wysokości 1,4–2,2 m,
  3. nie liczymy poniżej 1,4 m.

Powierzchnia podłogi
Liczymy po obrysie pomieszczenia, bez względu na jego wysokość/skosy. Jeśli nie ma skosów to powierzchnia podłogi i pomieszczenia jest taka sama.
pomieszczenia i podłogi
podłogi
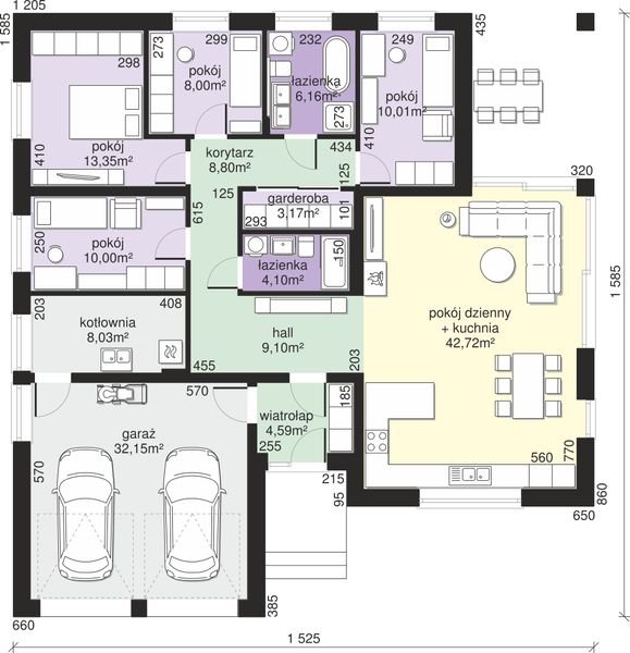
1. Wiatrołap
4,59
2. Hall
9,10
3. Garaż dwustanowiskowy
32,15
4. Kotłownia
8,03
5. Łazienka
4,10
6. Korytarz
8,80
7. Pokój
10
8. Pokój
13,35
9. Pokój
8
10. Łazienka
6,16
11. Pokój
10,01
12. Garderoba
3,17
13. Pokój dzienny + kuchnia
42,72
Razem
160,18
160,18

    Usytuowanie na działce

    Czy ten projekt pasuje na
    Twoją działkę?

    Chętnie to sprawdzimy!

    Dowiedz się:

    • czy zmieści się na niej wybrany przez Ciebie dom
    • jakie parametry musi spełniać dom według miejscowego planu zagospodarowania lub warunków zabudowy (np. kąt nachylenia i typ dachu, liczba kondygnacji itp.
    • jakie inne projekty pasują na Twoją działkę – znajdziemy je dla Ciebie!

Pow. użytkowa

120 m²

Pokoje

4

Łazienki i WC

2

Garaż

2

Min. szer. i dł. działki

23,25 x 23,85 m

Kąt dachu

30°

Konstrukcja

Murowana
więcej

Dom przy Kwiatowej 2 bis - KRK1563

ikona 120 m²
Powierzchnia użytkowa
ikona4
Pokoje (bez salonu)
ikona 2
Łazienki (z toaletami)
ikona 2
Liczba stanowisk garażowych
(z wiatą garażową)
ikona
Konstrukcja: Murowana

Projekt został
wycofany z oferty

W razie pytań prosimy o kontakt
z Centrum Obsługi Klienta
Konsultant Masz pytania?
Zadzwoń
71 715 20 60

pon.-pt. 8-21, sob. 9-17

Szukasz wykonawcy godnego zaufania?
Zleć budowę w Extradom.pl!

  • Z góry znasz koszt budowy domu
  • Dom odbierasz zgodnie z ustalonym harmonogramem - nawet w 6 miesięcy
  • Zabezpiecza Cię jedna kompleksowa umowa z jednym wykonawcą
  • Otrzymujesz nawet 30-letnią gwarancję na konstrukcję domu
  • Oszczędzasz swój czas dzięki pewnej i kompletnej usłudze
Cena brutto stanu
deweloperskiego od
Tooltip
Cena brutto stanu deweloperskiego od 4 529 do 5 829 zł/m2.
Cena jest uzależniona m.in. od lokalizacji, wybranej technologii, kubatury budynku, skomplikowania projektu i ewentualnych zmian, na które zdecyduje się inwestor.
Cena za m2 powierzchni netto, czyli wszystkich pomieszczeń mierzonych na wysokości podłogi.
4 529 zł/m2
Dowiedz się więcej
Konsultant Masz pytania?
Zadzwoń
71 715 20 70

pon.-pt. 8-19

Parter - 160,18 m²

Parter projektu Dom przy Kwiatowej 2 bis

Zapytaj, co możesz zmienić

Powierzchnia (m²)
Tooltip
Powierzchnia pomieszczenia
to ta, z której faktycznie możesz korzystać – skosy i niskie części poddasza są liczone częściowo lub wcale.
  1. 100% dla wysokości powyżej 2,2 m,
  2. 50% dla wysokości 1,4–2,2 m,
  3. nie liczymy poniżej 1,4 m.

Powierzchnia podłogi
Liczymy po obrysie pomieszczenia, bez względu na jego wysokość/skosy. Jeśli nie ma skosów to powierzchnia podłogi i pomieszczenia jest taka sama.
pomieszczenia i podłogi
podłogi
1. Wiatrołap
4,59
2. Hall
9,10
3. Garaż dwustanowiskowy
32,15
4. Kotłownia
8,03
5. Łazienka
4,10
6. Korytarz
8,80
7. Pokój
10
8. Pokój
13,35
9. Pokój
8
10. Łazienka
6,16
11. Pokój
10,01
12. Garderoba
3,17
13. Pokój dzienny + kuchnia
42,72
Razem
160,18
160,18

Warianty projektu (3)

PROMOCJA
Projekt domu Dom przy Kwiatowej 3 bis
Dom przy Kwiatowej 3 bis
Dodano!
Dodano!
120 m²
4
2
2

3 490 zł

3 990 zł

Tooltip

Cena regularna

3 390 zł najniższa cena
Tooltip

Najniższa cena z 30 dni
przed obniżką

PROMOCJA
Projekt domu Dom przy Kwiatowej 5
Dom przy Kwiatowej 5
Dodano!
Dodano!
115 m²
4
2
2

3 490 zł

3 990 zł

Tooltip

Cena regularna

3 390 zł najniższa cena
Tooltip

Najniższa cena z 30 dni
przed obniżką

PROMOCJA
Projekt domu Dom przy Kwiatowej 3
Dom przy Kwiatowej 3
Dodano!
Dodano!
120 m²
4
2
2

3 490 zł

3 990 zł

Tooltip

Cena regularna

3 390 zł najniższa cena
Tooltip

Najniższa cena z 30 dni
przed obniżką

Podobne projekty (6465)

Zobacz wszystkie
NIŻSZA CENA❄️
Zdjęcie 1 projektu Sej-pro 055 energo ELW1034
Sej-pro 055 energo
Dodano!
Dodano!
119,77 m²
3
3
2

5 197 zł

5 497 zł

Tooltip

Cena regularna

4 897 zł najniższa cena
Tooltip

Najniższa cena z 30 dni
przed obniżką

NIŻSZA CENA❄️
Zdjęcie 1 projektu PióroArchitekci – 19 KZN1008
PióroArchitekci – 19
Dodano!
Dodano!
132,50 m²
4
2
0

4 000 zł

4 300 zł

Tooltip

Cena regularna

3 900 zł najniższa cena
Tooltip

Najniższa cena z 30 dni
przed obniżką

NIŻSZA CENA❄️
Zdjęcie 1 projektu Wspaniały WAH2020
Wspaniały
Dodano!
Dodano!
101,12 m²
3
2
1

4 472 zł

5 590 zł

Tooltip

Cena regularna

4 192 zł najniższa cena
Tooltip

Najniższa cena z 30 dni
przed obniżką

Zdjęcie 1 projektu Dwie bryły 04 KZB1036
Dwie bryły 04
Dodano!
Dodano!
120,78 m²
3
2
1

4 600 zł

NIŻSZA CENA❄️
Zdjęcie 1 projektu EG-105 wariant I WWB1135
EG-105 wariant I
Dodano!
Dodano!
105,55 m²
3
2
0

4 150 zł

4 400 zł

Tooltip

Cena regularna

4 000 zł najniższa cena
Tooltip

Najniższa cena z 30 dni
przed obniżką

NIŻSZA CENA❄️
Zdjęcie 1 projektu Gustav 3 WOF1252
Gustav 3
Dodano!
Dodano!
114,75 m²
3
2
2

5 199 zł

5 399 zł

Tooltip

Cena regularna

5 099 zł najniższa cena
Tooltip

Najniższa cena z 30 dni
przed obniżką

Zdjęcie 1 projektu Novara DCB156 WRB1677
Novara DCB156
Dodano!
Dodano!
131,78 m²
3
2
0

6 470 zł

NIŻSZA CENA❄️
Zdjęcie 1 projektu Mokka 18 plus WOF1232
Mokka 18 plus
Dodano!
Dodano!
120,20 m²
4
2
2

4 299 zł

4 499 zł

Tooltip

Cena regularna

4 199 zł najniższa cena
Tooltip

Najniższa cena z 30 dni
przed obniżką

Projekt z budową

Budowa Projekt z budową

Zbuduj ten dom z naszym Partnerem - wygodnie, szybko i bezpiecznie

Projekt z budową to:

  • gwarancja niezmiennego kosztu budowy

  • krótki czas realizacji - dom gotowy nawet w 6 miesięcy

  • wieloletnia gwarancja na konstrukcję domu

Elewacje

Frontowa
Tylna
Lewa
Prawa

Przekroje

Przekrój pionowy

Usytuowanie na działce

Czy ten projekt pasuje na
Twoją działkę?

Chętnie to sprawdzimy!

Czy ten projekt pasuje na
Twoją działkę?

Chętnie to sprawdzimy!

Dowiedz się:

  • czy zmieści się na niej wybrany przez Ciebie dom
  • jakie parametry musi spełniać dom według miejscowego planu zagospodarowania lub warunków zabudowy (np. kąt nachylenia i typ dachu, liczba kondygnacji itp.
  • jakie inne projekty pasują na Twoją działkę – znajdziemy je dla Ciebie!
Autor: GALERIADOMOW.PL

Dane techniczne projektu

Powierzchnie i wymiary Powierzchnie i wymiary

Powierzchnia użytkowa
Tooltip
Suma powierzchni wszystkich pomieszczeń mieszkalnych, pomniejszona o pow. garażu, kotłowni, strychu, piwnicy. Jest liczona w 100% dla pomieszczeń o wysokości powyżej 2,2 m, w 50% dla pomieszczeń o wys. 2,2-1,4 m i niewliczana dla niższych niż 1,4 m.

120 m²

Wysokość ściany kolankowej
Tooltip
Wysokość ściany podpierającej dach. Jej wysokość wpływa na powierzchnię użytkową kondygnacji, na której się znajduje.

0,46 m

Powierzchnia zabudowy
Tooltip
Powierzchnia zajmowana przez część na- oraz nadziemną budynku liczona, jako rzut pionowy budynku na działkę.

201,63 m²

Kubatura brutto
Tooltip
Zazwyczaj jest to suma kubatur (objętości) wszystkich pomieszczeń budynku, liczonych po zewnętrznym obrysie murów (z ociepleniem).

679,50 m³

Powierzchnia dachu

318,41 m²

Kąt nachylenia dachu
Tooltip
Nachylenie połaci dachu głównego podawane w stopniach. Uwaga! W niektórych projektach występuje więcej niż jedno nachylenie dachu.

30°

Wysokość budynku
Tooltip
Wysokość liczona od części budynku położonej najniżej przy powierzchni terenu do najwyższego punktu dachu (kalenicy) z wyłączeniem kominów.

7,76 m

Szerokość elewacji

15,25 m

Długość elewacji

15,85 m

Min. szerokość działki
Tooltip
Najmniejsza możliwa szerokość działki niezbędna do wybudowania wybranego domu. Składa się z szerokości elewacji domu powiększonej z obu stron o 3 m dla ściany bez otworów drzwiowych/okiennych lub 4 m, dla ściany z otworami.

23,25 m

Min. długość działki
Tooltip
Najmniejsza możliwa długość działki niezbędna do wybudowania wybranego domu. Składa się z długości elewacji domu powiększonej z obu stron o 3 m dla ściany bez otworów drzwiowych/okiennych lub 4 m, dla ściany z otworami.

23,85 m

Energooszczędność Energooszczędność

Oze Czym jest OZE (Odnawialne Źródło Energii)?
Ogrzewanie główne

Pompa ciepła (OZE) lub gazowe lub paliwo stałe (OZE) - do wyboru na etapie zamówienia

Charakterystyka energetyczna dostępna jest dla jednego z wymienionych źródeł ogrzewania (najczęściej gazowego)

Interesuje Cię inne źródło ogrzewania? Wyślij zapytanie lub zadzwoń do doradcy

Wentylacja

Mechaniczna nawiewno-wywiewna z rekuperacją - szczegóły

Warunki techniczne

Projekt zgody z WT 2021

Technologia i konstrukcja Technologia i konstrukcja

Konstrukcja

Murowana

PROJEKT Z BUDOWĄ Istnieje możliwość zaadaptowania tego projektu do technologii prefabrykowanej/modułowej i budowy nawet w 6 miesięcy ze stałym kosztem budowy

Dowiedz się więcej »
Opis szczegółowy

Ściany zewnętrzne: pustak 25 cm, styropian 20 cm. Ściany nośne: pustak 25 cm. Strop: monolityczny żelbetowy. Dach: kąt nachylenia 30°, pokrycie - dachówka ceramiczna lub betonowa. Instalacja solarna.

Strop

Żelbetowy

Reklama
Okna i drzwi tarasowe

Nowoczesne okna PVC i aluminiowe WIŚNIOWSKI – doskonała izolacja, elegancki design i niezrównana trwałość.

Wiśniowski
Sprawdź parametry!
Okna dachowe

Oferujemy bezpłatne konsultacje w zakresie wszystkich rozwiązań VELUX. Wyceny, porady dotyczące doboru okien i rolet zewnętrznych - sprawdź!

Velux
Sprawdź szczegóły
Płytki ceramiczne i gresy

Od małych formatów po wielkoformatowe gresy. Marmur, beton, drewno, kamień, lastryko czy cegiełki zamówisz wygodnie online z szybką dostawą.

Ceramzet
Sprawdź ofertę
Drzwi

Ciepłe drzwi WIŚNIOWSKI z kontrolą dostępu. Szeroka gama wzorów i kolorów.

Wiśniowski
Wybierz najlepsze
Bramy garażowe

Automatyczne bramy garażowe segmentowe i uchylne WIŚNIOWSKI na wymiar i z systemem smart home w standardzie.

Wiśniowski
Sprawdź ofertę!
Armatura i ceramika łazienkowa

Topowi producenci. Baterie łazienkowe, zestawy natynkowe i podtynkowe, umywalki, wanny, miski WC oraz kabiny zamówisz kompleksowo online.

Ceramzet II
Dowiedz się więcej
Rekuperacja

Alnor - kompletny system rekuperacji. Dobierz idealne rozwiązanie dla Twojego domu!

Alnor
Dobierz rekuperator
Gruntowe pompy ciepła

Przeprowadzimy kompletną instalację najbardziej oszczędnego źródła ciepła w Twoim nowym domu - gruntowej pompy ciepła. Od dokumentacji, pozwoleń, po odwierty i instalację.

Geothermal Solutions
Dowiedz się więcej

Gotowe domy modułowe (114)

Zobacz wszystkie
Stan deweloperski nawet w 6 miesięcy Gwarancja stałej ceny
Zdjęcie 1 projektu Dom szkieletowy Emily Smart 120 HHT1026
Pow. użytkowa
120 m²
Pokoje
3
592 512 zł 4 938 zł/m²
Zdjęcie 1 projektu Dom prefabrykowany Parterowy 120C HFX1017
Pow. użytkowa
120,06 m²
Pokoje
4
489 000 zł 4 073 zł/m²
Zdjęcie 1 projektu Dom szkieletowy Scandinavian Smart 120 HHT1020
Pow. użytkowa
119,43 m²
Pokoje
3
571 271 zł 4 761 zł/m²
Zdjęcie 1 projektu Dom prefabrykowany P.14 HPK1026
Pow. użytkowa
118,94 m²
Pokoje
3
694 700 zł 5 829 zł/m²
Zdjęcie 1 projektu Dom modułowy Soul HMD1001
Gotowy dom modułowy Soul
Dodano!
Dodano!
Pow. użytkowa
118,94 m²
Pokoje
4
518 000 zł 3 654 zł/m²
Zdjęcie 1 projektu Dom prefabrykowany Parterowy 120A HFX1015
Pow. użytkowa
121,44 m²
Pokoje
4
489 000 zł 4 027 zł/m²
Zdjęcie 1 projektu Dom prefabrykowany P.3 z okapem HPK1013
Pow. użytkowa
121,46 m²
Pokoje
5
600 100 zł 4 941 zł/m²
Zdjęcie 1 projektu Dom prefabrykowany P.3 bez okapu HPK1002
Pow. użytkowa
121,46 m²
Pokoje
5
594 000 zł 4 890 zł/m²

Opis projektu domu
Dom przy Kwiatowej 2 bis

Dom przy Kwiatowej 2 bis to doskonała propozycja dla dużej rodziny lubiącej nowoczesny styl w architekturze. Budynek posiada konstrukcję murowaną z więźbą drewnianą. Układ funkcjonalny został podzielony na dwie strefy – pobytu dziennego i pobytu nocnego. Dzienna zawiera słoneczny pokój, wygodną kuchnię wyposażoną w wyspę oraz jadalnię, z miejscem na duży stół. W strefie pobytu nocnego zaprojektowano 4 pokoje i 2 łazienki. Do dyspozycji mieszkańców oddano również garderobę, kotłownię i podwójny garaż. W Domu przy Kwiatowej 2 bis dominują ważnym elementem są szerokie przeszklenia i swobodne, otwarte przestrzenie. Wnętrze jest komfortowe i wygodne. Sprawia wrażenie otwartego na przydomową zieleń, głównie dzięki przesuwnym drzwiom tarasowym. W zasięgu ręki, bez konieczności pokonywania schodów, mamy wszystkie niezbędne pomieszczenia. Dom prezentuje się nowocześnie, a zarazem elegancko. Czarna dachówka, biała elewacja ozdobiona naturalnym kamieniem, to atrakcyjne połączenie dobrego smaku i modnych trendów architektonicznych.
Czytaj więcej

Polecani producenci

Prefabrykowane konstrukcje dachowe

tło producenta

WIĄZAR POLSKA

Zobacz więcej

Sprawdź nową generację okien GREENVIEW

tło producenta

FAKRO

Sprawdź nową generację okien GREENVIEW

Styropian, tynki, farby, kleje

tło producenta

Termo Organika

Poznaj super jakość

Okna, drzwi, osłony przeciwsłoneczne

tło producenta

Aluprof

Sprawdź ofertę

Kompletne systemy rekuperacji

tło producenta

Alnor

Dowiedz się więcej

Sprawdź nowy system DACHRYNNA

tło producenta

Galeco

Sprawdź ofertę
Zobacz więcej

Społeczność projektu domu
Dom przy Kwiatowej 2 bis w budowie

Dołącz do społeczności osób, które budują ten dom lub są zainteresowane jego budową.

  • Oglądaj zdjęcia z budowy
  • Zadawaj pytania
  • Wymieniaj się doświadczeniami

Opinie o projekcie domu Dom przy Kwiatowej 2 bis

Ocena

Ten projekt nie ma jeszcze opinii, bądź pierwszy!

Dodaj opinię

ASYSTENT WYBORU PROJEKTU

Szukasz idealnego projektu? Znajdziemy go dla Ciebie!

Doradca na podstawie Twoich wskazówek przygotuje spersonalizowaną listę projektów

Graficzne opracowanie rzutów poglądowych widocznych na karcie projektu zostało wykonane przez Extradom.pl. Prezentowane przez Extradom.pl wizualizacje wykonane zostały przez autora projektu i należy poczytywać je jedynie za przykład i propozycję wykończenia, wizję architektoniczną autora projektu. Ostateczne wykończenie budynku może nastąpić na wiele sposobów. Szczegółowe rozwiązania zastosowane w oferowanej dokumentacji - w tym również ilość, lokalizacje i wygląd okien, drzwi, kominów - mogą w niewielkim stopniu różnić się od prezentowanej wizualizacji budynku.

Extradom.pl Spółka z ograniczoną odpowiedzialnością z siedzibą przy ul. Jaworskiej 13, 53-612 Wrocław, wpisana do rejestru przedsiębiorców Krajowego Rejestru Sądowego przez Sąd Rejonowy dla Wrocławia-Fabrycznej we Wrocławiu, VI Wydział Gospodarczy Krajowego Rejestru Sądowego do pod numerem KRS 0000648746, numer NIP 895-17-18-333, o kapitale zakładowym 708 150,00 zł uprzejmie informuje, iż poprzez serwis Extradom.pl umożliwia m.in. zapoznanie się przez konsumentów z ofertą handlową Partnerów Extradom.pl, którzy stosują metody budowy domów przy wykorzystaniu różnego rodzaju technologie prefabrykacji bądź modułowe (tzw. „Gotowe domy”).

Extradom.pl nie prowadzi jednakże sprzedaży ani nie oferuje usług polegających na doradztwie finansowym, prawnym ani podatkowym w zakresie inwestycji realizowanych w technologiach tzw. „Gotowych domów”. Informacje prezentowane w serwisie Extradom.pl dotyczące Partnerów Extradom.pl oferujących realizację inwestycji w technologiach „Gotowych domów” lub podobnych mają charakter informacyjny i reklamowy.

Prezentowane w serwisie Extradom.pl informacje dotyczące stosowanych przez Partnerów metod budowy domów w technologii prefabrykacji bądź modułowej pochodzą od Partnerów Extradom.pl.

Extradom.pl sp. z o.o. jedynie umożliwia nawiązanie kontaktu przez Użytkownika z Partnerem Extradom.pl stosującym tego rodzaju technologie budowy domów i nie jest stroną umowy o roboty budowlane zawieranej przez Użytkownika Extradom.pl z Partnerem Extradom.pl.

REKLAMA
Zamknij