Projekty nawet 500 zł taniej ❄️

Koniec oferty za:

00godz.

00min.

00sek.

Sprawdź

Projekt domu Dom przy Irysowej KRK1124

Dodano!
Dodano!

Warstwy

Warstwy

Rzut parteru

Powierzchnia (m²)
Tooltip
Powierzchnia pomieszczenia
to ta, z której faktycznie możesz korzystać – skosy i niskie części poddasza są liczone częściowo lub wcale.
  1. 100% dla wysokości powyżej 2,2 m,
  2. 50% dla wysokości 1,4–2,2 m,
  3. nie liczymy poniżej 1,4 m.

Powierzchnia podłogi
Liczymy po obrysie pomieszczenia, bez względu na jego wysokość/skosy. Jeśli nie ma skosów to powierzchnia podłogi i pomieszczenia jest taka sama.
pomieszczenia i podłogi
podłogi
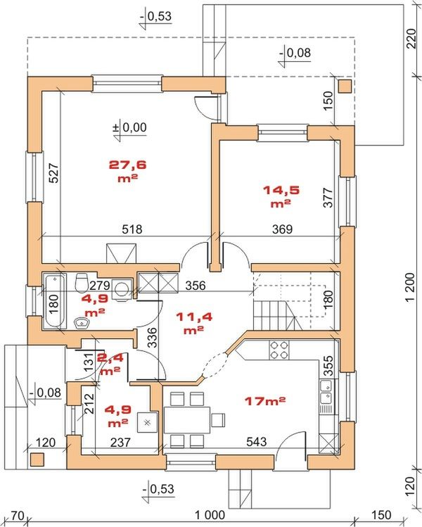
1. Wiatrołap
2,40
2. Korytarz
11,40
3. Łazienka
4,90
4. Pokój dzienny
27,60
5. Pokój
14,50
6. Kuchnia
17
7. Kotłownia
4,90
Razem
82,70
82,70
Powierzchnia (m²)
Tooltip
Powierzchnia pomieszczenia
to ta, z której faktycznie możesz korzystać – skosy i niskie części poddasza są liczone częściowo lub wcale.
  1. 100% dla wysokości powyżej 2,2 m,
  2. 50% dla wysokości 1,4–2,2 m,
  3. nie liczymy poniżej 1,4 m.

Powierzchnia podłogi
Liczymy po obrysie pomieszczenia, bez względu na jego wysokość/skosy. Jeśli nie ma skosów to powierzchnia podłogi i pomieszczenia jest taka sama.
pomieszczenia
podłogi
1. Korytarz
10,50
10,50
2. Pokój
17,40
20
3. Łazienka
16,40
18,40
4. Pokój
20,30
24,20
5. Pokój
20,30
24,20
Razem
84,90
97,30

    Usytuowanie na działce

    Czy ten projekt pasuje na
    Twoją działkę?

    Chętnie to sprawdzimy!

    Dowiedz się:

    • czy zmieści się na niej wybrany przez Ciebie dom
    • jakie parametry musi spełniać dom według miejscowego planu zagospodarowania lub warunków zabudowy (np. kąt nachylenia i typ dachu, liczba kondygnacji itp.
    • jakie inne projekty pasują na Twoją działkę – znajdziemy je dla Ciebie!

Pow. użytkowa

162,70 m²

Pokoje

4

Łazienki i WC

2

Garaż

0

Min. szer. i dł. działki

18 x 20 m

Kąt dachu

40°
więcej

Dom przy Irysowej - KRK1124

ikona 162,70 m²
Powierzchnia użytkowa
ikona4
Pokoje (bez salonu)
ikona 2
Łazienki (z toaletami)
ikona 0
Liczba stanowisk garażowych
(z wiatą garażową)

Projekt został
wycofany z oferty

W razie pytań prosimy o kontakt
z Centrum Obsługi Klienta
Konsultant Masz pytania?
Zadzwoń
71 715 20 60

pon.-pt. 8-21, sob. 9-17

Parter - 82,70 m²

Parter projektu Dom przy Irysowej

Zapytaj, co możesz zmienić

Powierzchnia (m²)
Tooltip
Powierzchnia pomieszczenia
to ta, z której faktycznie możesz korzystać – skosy i niskie części poddasza są liczone częściowo lub wcale.
  1. 100% dla wysokości powyżej 2,2 m,
  2. 50% dla wysokości 1,4–2,2 m,
  3. nie liczymy poniżej 1,4 m.

Powierzchnia podłogi
Liczymy po obrysie pomieszczenia, bez względu na jego wysokość/skosy. Jeśli nie ma skosów to powierzchnia podłogi i pomieszczenia jest taka sama.
pomieszczenia i podłogi
podłogi
1. Wiatrołap
2,40
2. Korytarz
11,40
3. Łazienka
4,90
4. Pokój dzienny
27,60
5. Pokój
14,50
6. Kuchnia
17
7. Kotłownia
4,90
Razem
82,70
82,70

Poddasze - 84,90 m²

Poddasze projektu Dom przy Irysowej

Zapytaj, co możesz zmienić

Powierzchnia (m²)
Tooltip
Powierzchnia pomieszczenia
to ta, z której faktycznie możesz korzystać – skosy i niskie części poddasza są liczone częściowo lub wcale.
  1. 100% dla wysokości powyżej 2,2 m,
  2. 50% dla wysokości 1,4–2,2 m,
  3. nie liczymy poniżej 1,4 m.

Powierzchnia podłogi
Liczymy po obrysie pomieszczenia, bez względu na jego wysokość/skosy. Jeśli nie ma skosów to powierzchnia podłogi i pomieszczenia jest taka sama.
pomieszczenia
podłogi
1. Korytarz
10,50
10,50
2. Pokój
17,40
20
3. Łazienka
16,40
18,40
4. Pokój
20,30
24,20
5. Pokój
20,30
24,20
Razem
84,90
97,30

Podobne projekty (6319)

Zobacz wszystkie
NIŻSZA CENA❄️
Zdjęcie 1 projektu N-152 PZB1044
N-152
Dodano!
Dodano!
140,89 m²
5
3
0

8 474 zł

8 920 zł

Tooltip

Cena regularna

5 958 zł najniższa cena
Tooltip

Najniższa cena z 30 dni
przed obniżką

NIŻSZA CENA❄️
Zdjęcie 1 projektu Weranda 5 BSA2292
Weranda 5
Dodano!
Dodano!
150,71 m²
3
2
0

5 249 zł

5 749 zł

Tooltip

Cena regularna

5 249 zł najniższa cena
Tooltip

Najniższa cena z 30 dni
przed obniżką

Nowość
Zdjęcie 1 projektu Kompaktowy 02A KZB1020
Kompaktowy 02A
Dodano!
Dodano!
134,29 m²
4
2
1

4 700 zł

NIŻSZA CENA❄️
Zdjęcie 1 projektu Dom przy Cyprysowej 63 KRK1682
Dom przy Cyprysowej 63
Dodano!
Dodano!
145,72 m²
5
3
1

3 490 zł

3 990 zł

Tooltip

Cena regularna

3 390 zł najniższa cena
Tooltip

Najniższa cena z 30 dni
przed obniżką

NIŻSZA CENA❄️
Zdjęcie 1 projektu Świt BSA1288
Świt
Dodano!
Dodano!
183,37 m²
5
3
0

5 749 zł

6 249 zł

Tooltip

Cena regularna

5 749 zł najniższa cena
Tooltip

Najniższa cena z 30 dni
przed obniżką

NIŻSZA CENA❄️
Zdjęcie 1 projektu BW-24 JGC1042
BW-24
Dodano!
Dodano!
148,30 m²
5
5
0

3 880 zł

3 980 zł

Tooltip

Cena regularna

3 780 zł najniższa cena
Tooltip

Najniższa cena z 30 dni
przed obniżką

NIŻSZA CENA❄️
Zdjęcie 1 projektu Maja Lux (947) KRD1680
Maja Lux (947)
Dodano!
Dodano!
136,60 m²
5
2
1

4 740 zł

5 090 zł

Tooltip

Cena regularna

4 540 zł najniższa cena
Tooltip

Najniższa cena z 30 dni
przed obniżką

NIŻSZA CENA❄️
Zdjęcie 1 projektu Maja Rex Grota (1033) KRD1919
Maja Rex Grota (1033)
Dodano!
Dodano!
144,30 m²
5
2
1

4 740 zł

5 090 zł

Tooltip

Cena regularna

4 540 zł najniższa cena
Tooltip

Najniższa cena z 30 dni
przed obniżką

Elewacje

Frontowa
Tylna
Lewa
Prawa

Przekroje

Przekrój pionowy

Usytuowanie na działce

Czy ten projekt pasuje na
Twoją działkę?

Chętnie to sprawdzimy!

Czy ten projekt pasuje na
Twoją działkę?

Chętnie to sprawdzimy!

Dowiedz się:

  • czy zmieści się na niej wybrany przez Ciebie dom
  • jakie parametry musi spełniać dom według miejscowego planu zagospodarowania lub warunków zabudowy (np. kąt nachylenia i typ dachu, liczba kondygnacji itp.
  • jakie inne projekty pasują na Twoją działkę – znajdziemy je dla Ciebie!
Autor: GALERIADOMOW.PL

Dane techniczne projektu

Powierzchnie i wymiary Powierzchnie i wymiary

Powierzchnia użytkowa
Tooltip
Suma powierzchni wszystkich pomieszczeń mieszkalnych, pomniejszona o pow. garażu, kotłowni, strychu, piwnicy. Jest liczona w 100% dla pomieszczeń o wysokości powyżej 2,2 m, w 50% dla pomieszczeń o wys. 2,2-1,4 m i niewliczana dla niższych niż 1,4 m.

162,70 m²

Powierzchnia zabudowy
Tooltip
Powierzchnia zajmowana przez część na- oraz nadziemną budynku liczona, jako rzut pionowy budynku na działkę.

120 m²

Powierzchnia dachu

215 m²

Kąt nachylenia dachu
Tooltip
Nachylenie połaci dachu głównego podawane w stopniach. Uwaga! W niektórych projektach występuje więcej niż jedno nachylenie dachu.

40°

Wysokość budynku
Tooltip
Wysokość liczona od części budynku położonej najniżej przy powierzchni terenu do najwyższego punktu dachu (kalenicy) z wyłączeniem kominów.

8,90 m

Min. szerokość działki
Tooltip
Najmniejsza możliwa szerokość działki niezbędna do wybudowania wybranego domu. Składa się z szerokości elewacji domu powiększonej z obu stron o 3 m dla ściany bez otworów drzwiowych/okiennych lub 4 m, dla ściany z otworami.

18 m

Min. długość działki
Tooltip
Najmniejsza możliwa długość działki niezbędna do wybudowania wybranego domu. Składa się z długości elewacji domu powiększonej z obu stron o 3 m dla ściany bez otworów drzwiowych/okiennych lub 4 m, dla ściany z otworami.

20 m

Energooszczędność Energooszczędność

Oze Czym jest OZE (Odnawialne Źródło Energii)?
Warunki techniczne

Projekt zgody z WT 2021

Technologia i konstrukcja Technologia i konstrukcja

Opis szczegółowy

Ściany: pustak ceramiczny 29 cm, styropian 15 cm. Ściany nośne: cegła pełna 25 cm. Strop: monolityczny żelbetowy. Pokrycie dachu: dachówka.

Strop

Żelbetowy

Reklama
Okna i drzwi tarasowe

Nowoczesne okna PVC i aluminiowe WIŚNIOWSKI – doskonała izolacja, elegancki design i niezrównana trwałość.

Wiśniowski
Sprawdź parametry!
Okna dachowe

Oferujemy bezpłatne konsultacje w zakresie wszystkich rozwiązań VELUX. Wyceny, porady dotyczące doboru okien i rolet zewnętrznych - sprawdź!

Velux
Sprawdź szczegóły
Płytki ceramiczne i gresy

Od małych formatów po wielkoformatowe gresy. Marmur, beton, drewno, kamień, lastryko czy cegiełki zamówisz wygodnie online z szybką dostawą.

Ceramzet
Sprawdź ofertę
Drzwi

Ciepłe drzwi WIŚNIOWSKI z kontrolą dostępu. Szeroka gama wzorów i kolorów.

Wiśniowski
Wybierz najlepsze
Bramy garażowe

Automatyczne bramy garażowe segmentowe i uchylne WIŚNIOWSKI na wymiar i z systemem smart home w standardzie.

Wiśniowski
Sprawdź ofertę!
Armatura i ceramika łazienkowa

Topowi producenci. Baterie łazienkowe, zestawy natynkowe i podtynkowe, umywalki, wanny, miski WC oraz kabiny zamówisz kompleksowo online.

Ceramzet II
Dowiedz się więcej
Rekuperacja

Alnor - kompletny system rekuperacji. Dobierz idealne rozwiązanie dla Twojego domu!

Alnor
Dobierz rekuperator
Gruntowe pompy ciepła

Przeprowadzimy kompletną instalację najbardziej oszczędnego źródła ciepła w Twoim nowym domu - gruntowej pompy ciepła. Od dokumentacji, pozwoleń, po odwierty i instalację.

Geothermal Solutions
Dowiedz się więcej

Gotowe domy modułowe (114)

Zobacz wszystkie
Stan deweloperski nawet w 6 miesięcy Gwarancja stałej ceny
Zdjęcie 1 projektu Dom prefabrykowany DH174 HDH1009
Pow. użytkowa
162,97 m²
Pokoje
4
1 026 000 zł 5 796 zł/m²
Zdjęcie 1 projektu Dom prefabrykowany P.4 bez okapu HPK1003
Pow. użytkowa
162,18 m²
Pokoje
4
701 000 zł 4 322 zł/m²
Zdjęcie 1 projektu Dom prefabrykowany P.4 z okapem HPK1014
Pow. użytkowa
162,18 m²
Pokoje
5
710 500 zł 4 381 zł/m²
Zdjęcie 1 projektu Dom szkieletowy Viking Smart 220 HHT1032
Pow. użytkowa
163,86 m²
Pokoje
4
1 095 606 zł 6 686 zł/m²
Zdjęcie 1 projektu Dom prefabrykowany P.2 HPK1001
Pow. użytkowa
159,18 m²
Pokoje
5
832 200 zł 5 228 zł/m²
Zdjęcie 1 projektu Dom prefabrykowany Stodoła 150C HFX1026
Pow. użytkowa
152,90 m²
Pokoje
5
589 000 zł 3 852 zł/m²
Zdjęcie 1 projektu Dom prefabrykowany Stodoła 150A HFX1024
Pow. użytkowa
152,20 m²
Pokoje
5
589 000 zł 3 870 zł/m²
Zdjęcie 1 projektu Dom prefabrykowany Stodoła 150B HFX1025
Pow. użytkowa
151,30 m²
Pokoje
4
589 000 zł 3 893 zł/m²

Opis projektu domu
Dom przy Irysowej

Klasyczna bryłą budynku z poddaszem użytkowym oraz dachem dwuspadowym charakteryzuje projekt Dom przy Irysowej. Wprowadzone podcienie przy wejściu i od strony pokoju dziennego oraz lukarna na poddaszu czynią formę bardziej interesującą. Parter to strefa dzienna z dodatkowym pokojem. Na poddaszu zaprojektowano trzy pokoje oraz dużą łazienkę.
Czytaj więcej

Polecani producenci

Prefabrykowane konstrukcje dachowe

tło producenta

WIĄZAR POLSKA

Zobacz więcej

Sprawdź nową generację okien GREENVIEW

tło producenta

FAKRO

Sprawdź nową generację okien GREENVIEW

Styropian, tynki, farby, kleje

tło producenta

Termo Organika

Poznaj super jakość

Okna, drzwi, osłony przeciwsłoneczne

tło producenta

Aluprof

Sprawdź ofertę

Kompletne systemy rekuperacji

tło producenta

Alnor

Dowiedz się więcej

Sprawdź nowy system DACHRYNNA

tło producenta

Galeco

Sprawdź ofertę
Zobacz więcej

Społeczność projektu domu
Dom przy Irysowej w budowie

Dołącz do społeczności osób, które budują ten dom lub są zainteresowane jego budową.

  • Oglądaj zdjęcia z budowy
  • Zadawaj pytania
  • Wymieniaj się doświadczeniami

Opinie o projekcie domu Dom przy Irysowej

Ocena

Ten projekt nie ma jeszcze opinii, bądź pierwszy!

Dodaj opinię

ASYSTENT WYBORU PROJEKTU

Szukasz idealnego projektu? Znajdziemy go dla Ciebie!

Doradca na podstawie Twoich wskazówek przygotuje spersonalizowaną listę projektów

Graficzne opracowanie rzutów poglądowych widocznych na karcie projektu zostało wykonane przez Extradom.pl. Prezentowane przez Extradom.pl wizualizacje wykonane zostały przez autora projektu i należy poczytywać je jedynie za przykład i propozycję wykończenia, wizję architektoniczną autora projektu. Ostateczne wykończenie budynku może nastąpić na wiele sposobów. Szczegółowe rozwiązania zastosowane w oferowanej dokumentacji - w tym również ilość, lokalizacje i wygląd okien, drzwi, kominów - mogą w niewielkim stopniu różnić się od prezentowanej wizualizacji budynku.

REKLAMA
Zamknij