👉 Niższe ceny + karta allegro 200 zł! 🔥

Koniec oferty za:

0dni

00godz.

00min.

00sek.

Sprawdź

Projekt domu Dom nad Wisłą BHC1053

Zapisz Dodano!
Porównaj Dodano!
ikona Pobierz i drukuj

Warstwy

Warstwy

Rzut parteru

Powierzchnia (m²)
Tooltip
Powierzchnia pomieszczenia
to ta, z której faktycznie możesz korzystać – skosy i niskie części poddasza są liczone częściowo lub wcale.
  1. 100% dla wysokości powyżej 2,2 m,
  2. 50% dla wysokości 1,4–2,2 m,
  3. nie liczymy poniżej 1,4 m.

Powierzchnia podłogi
Liczymy po obrysie pomieszczenia, bez względu na jego wysokość/skosy. Jeśli nie ma skosów to powierzchnia podłogi i pomieszczenia jest taka sama.
pomieszczenia i podłogi
podłogi
1. Wiatrołap
7,82
2. Hall
12,77
3. Kuchnia
10,09
4. Pokój dzienny + jadalnia
30,50
5. Spiżarnia
1,58
6. Pralnia
4,41
7. Łazienka
6,14
8. Kotłownia
6,43
9. Garaż jednostanowiskowy
23,99
Razem
103,73
103,73
Powierzchnia (m²)
Tooltip
Powierzchnia pomieszczenia
to ta, z której faktycznie możesz korzystać – skosy i niskie części poddasza są liczone częściowo lub wcale.
  1. 100% dla wysokości powyżej 2,2 m,
  2. 50% dla wysokości 1,4–2,2 m,
  3. nie liczymy poniżej 1,4 m.

Powierzchnia podłogi
Liczymy po obrysie pomieszczenia, bez względu na jego wysokość/skosy. Jeśli nie ma skosów to powierzchnia podłogi i pomieszczenia jest taka sama.
pomieszczenia
podłogi
1. Hall + schody
11,29
8,10
2. Pokój
19,53
22,74
3. Pokój
20,73
24,58
4. Garderoba
2,99
5,12
5. Łazienka
8,98
9,88
6. Pokój
10,14
13,30
Razem
73,66
83,72

    Usytuowanie na działce

    Czy ten projekt pasuje na
    Twoją działkę?

    Chętnie to sprawdzimy!

    Dowiedz się:

    • czy zmieści się na niej wybrany przez Ciebie dom
    • jakie parametry musi spełniać dom według miejscowego planu zagospodarowania lub warunków zabudowy (np. kąt nachylenia i typ dachu, liczba kondygnacji itp.
    • jakie inne projekty pasują na Twoją działkę – znajdziemy je dla Ciebie!

Pow. użytkowa

146,97 m²

Pokoje

3

Łazienki i WC

2

Garaż

1

Min. szer. i dł. działki

21,24 x 23,34 m

Kąt dachu

40°

Szacunkowy koszt SSZ

368 000 zł
Szacunkowy koszt budowy do stanu surowego zamkniętego (SSZ) metodą gospodarczą - większość prac wykonuje inwestor.

Konstrukcja

Murowana
więcej
Zapisz Dodano!
Porównaj Dodano!
ikona Pobierz i drukuj

Dom nad Wisłą - BHC1053

ikona 146,97 m²
Powierzchnia użytkowa
ikona3
Pokoje (bez salonu)
ikona 2
Łazienki (z toaletami)
ikona 1
Liczba stanowisk garażowych
(z wiatą garażową)
ikona
Konstrukcja: Murowana

Promocja

od 21.04.2026 do 29.04.2026

0dni

00 00 00

4 454 zł

4 949 zł - cena regularna
Tooltip

Cena regularna obowiązywała od 26.03.2026 do 20.04.2026

4 206 zł - najniższa cena z 30 dni przed obniżką

Projekt jest dostępny

Gwarancja najniższej ceny
ikona
Darmowa dostawa
Paczkomaty, kurier
ikona
100 dni na wymianę,
30 dni na zwrot
ikona Zyskaj najwięcej! Extradodatki GRATIS:

15% rabatu do LEROY MERLIN

10% rabatu w CASTORAMIE

16% rabatu w SELSEY

Pakiet Formalności 2026

Przydatne Extradodatki

Poradnik Dach Solarny

ikona Co zawiera projekt?
  • Projekt zgodny z WT2021
  • Bezpłatne pozwolenie na zmiany
  • Charakterystyka energetyczna
Konsultant
71 715 20 60

pon.-pt. 8-21, sob. 9-17

Szukasz wykonawcy godnego zaufania?
Zleć budowę w Extradom.pl!

  • Z góry znasz koszt budowy domu
  • Dom odbierasz zgodnie z ustalonym harmonogramem - nawet w 6 miesięcy
  • Zabezpiecza Cię jedna kompleksowa umowa z jednym wykonawcą
  • Otrzymujesz nawet 30-letnią gwarancję na konstrukcję domu
  • Oszczędzasz swój czas dzięki pewnej i kompletnej usłudze
Cena brutto stanu
deweloperskiego od
Tooltip
Cena brutto stanu deweloperskiego od 4 529 do 5 829 zł/m2.
Cena jest uzależniona m.in. od lokalizacji, wybranej technologii, kubatury budynku, skomplikowania projektu i ewentualnych zmian, na które zdecyduje się inwestor.
Cena za m2 powierzchni netto, czyli wszystkich pomieszczeń mierzonych na wysokości podłogi.
4 529 zł/m2
Dowiedz się więcej
Konsultant Masz pytania?
Zadzwoń
71 718 89 70

pon.-pt. 8-19

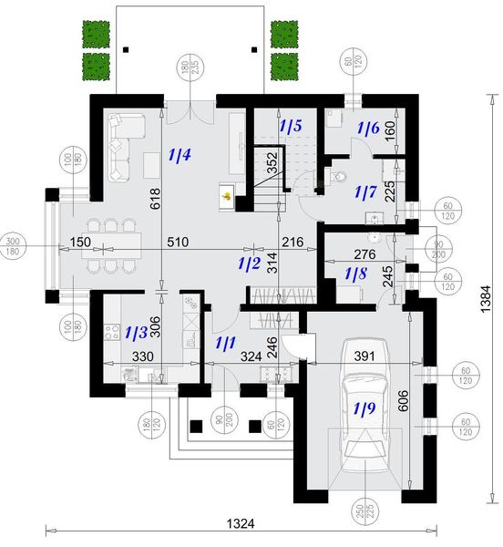
Parter - 103,73 m²

Parter projektu Dom nad Wisłą

Zapytaj, co możesz zmienić

Powierzchnia (m²)
Tooltip
Powierzchnia pomieszczenia
to ta, z której faktycznie możesz korzystać – skosy i niskie części poddasza są liczone częściowo lub wcale.
  1. 100% dla wysokości powyżej 2,2 m,
  2. 50% dla wysokości 1,4–2,2 m,
  3. nie liczymy poniżej 1,4 m.

Powierzchnia podłogi
Liczymy po obrysie pomieszczenia, bez względu na jego wysokość/skosy. Jeśli nie ma skosów to powierzchnia podłogi i pomieszczenia jest taka sama.
pomieszczenia i podłogi
podłogi
1. Wiatrołap
7,82
2. Hall
12,77
3. Kuchnia
10,09
4. Pokój dzienny + jadalnia
30,50
5. Spiżarnia
1,58
6. Pralnia
4,41
7. Łazienka
6,14
8. Kotłownia
6,43
9. Garaż jednostanowiskowy
23,99
Razem
103,73
103,73

Natychmiast, otrzymasz PDF-y
z rzutami wszystkich kondygnacji

Poddasze - 73,66 m²

Poddasze projektu Dom nad Wisłą

Zapytaj, co możesz zmienić

Powierzchnia (m²)
Tooltip
Powierzchnia pomieszczenia
to ta, z której faktycznie możesz korzystać – skosy i niskie części poddasza są liczone częściowo lub wcale.
  1. 100% dla wysokości powyżej 2,2 m,
  2. 50% dla wysokości 1,4–2,2 m,
  3. nie liczymy poniżej 1,4 m.

Powierzchnia podłogi
Liczymy po obrysie pomieszczenia, bez względu na jego wysokość/skosy. Jeśli nie ma skosów to powierzchnia podłogi i pomieszczenia jest taka sama.
pomieszczenia
podłogi
1. Hall + schody
11,29
8,10
2. Pokój
19,53
22,74
3. Pokój
20,73
24,58
4. Garderoba
2,99
5,12
5. Łazienka
8,98
9,88
6. Pokój
10,14
13,30
Razem
73,66
83,72

Natychmiast, otrzymasz PDF-y
z rzutami wszystkich kondygnacji

Zamów rysunki szczegółowe

Zapoznaj się ze szczegółowymi rysunkami rzutów kondygnacji w PDF dla tego projektu.

Podobne projekty (194)

Zobacz wszystkie
NIŻSZA CENA 🔥
Zdjęcie 1 projektu Twórczy D79 WWB1097
Twórczy D79
Dodano!
Dodano!
137,97 m²
4
3
2

4 999 zł

5 299 zł

Tooltip

Cena regularna

4 799 zł najniższa cena
Tooltip

Najniższa cena z 30 dni
przed obniżką

NIŻSZA CENA 🔥
Zdjęcie 1 projektu HomeKoncept 134 KRX1284
HomeKoncept 134
Dodano!
Dodano!
136,73 m²
4
2
2

6 111 zł

6 790 zł

Tooltip

Cena regularna

5 771 zł najniższa cena
Tooltip

Najniższa cena z 30 dni
przed obniżką

NIŻSZA CENA 🔥
Zdjęcie 1 projektu N7-G2 KKG1041
N7-G2
Dodano!
Dodano!
143,46 m²
4
3
2

5 700 zł

6 600 zł

Tooltip

Cena regularna

5 700 zł najniższa cena
Tooltip

Najniższa cena z 30 dni
przed obniżką

NIŻSZA CENA 🔥
Zdjęcie 1 projektu Tobiasz (1616) KRD2764
Tobiasz (1616)
Dodano!
Dodano!
142,50 m²
5
3
2

4 740 zł

5 090 zł

Tooltip

Cena regularna

4 740 zł najniższa cena
Tooltip

Najniższa cena z 30 dni
przed obniżką

Zdjęcie 1 projektu Dana 3 BSE1172
Dana 3
Dodano!
Dodano!
143,82 m²
4
3
2

5 800 zł

NIŻSZA CENA 🔥
Zdjęcie 1 projektu Viking 2 WAH1698
Viking 2
Dodano!
Dodano!
130,62 m²
3
2
1

5 512 zł

6 890 zł

Tooltip

Cena regularna

5 512 zł najniższa cena
Tooltip

Najniższa cena z 30 dni
przed obniżką

NIŻSZA CENA 🔥
Zdjęcie 1 projektu BW-32 JGC1179
BW-32
Dodano!
Dodano!
135,20 m²
4
2
1

3 980 zł

4 080 zł

Tooltip

Cena regularna

3 980 zł najniższa cena
Tooltip

Najniższa cena z 30 dni
przed obniżką

Zdjęcie 1 projektu Kompaktowy 02A KZB1020
Kompaktowy 02A
Dodano!
Dodano!
134,29 m²
4
2
1

5 800 zł

Metody i koszt budowy

Ten dom możesz budować metodą gospodarczą, systemem zleconym lub skorzystać z naszej oferty Projekt z Budową. Przy porównaniu weź pod uwagę nie tylko koszt, ale też różny zakres prac i standard wykonania.

Metoda gospodarcza

Najtańsza metoda - większość prac
budowlanych wykonuje inwestor

Stan surowy zamknięty (SSZ)

368 000 zł netto

Szacunkowy koszt materiałów na I kwartał 2026
  • Prace ziemne i fundamenty

    56 000 zł
  • Konstrukcja, strop oraz dach

    258 000 zł
  • Stolarka okienna i drzwiowa

    54 000 zł
  • Instalacje

    nie obejmuje
  • Prace wykończeniowe

    nie obejmuje
  • Możesz budować etapami, pamiętając jednak o zmianie kosztów w czasie
  • Możesz rozpocząć budowę z częścią niezbędnych środków
  • Sam ustalasz harmonogram, koordynujesz budowę i zapewniasz materiały
Czy da się obniżyć koszty budowy?
Zobacz nasz film jak obniżyć koszt budowy

Projekt z Budową

Najszybsza i najwygodniejsza metoda -
całą budowę domu realizuje jedna firma

Stan deweloperski
Gwarancja stałego kosztu budowy

Gwarancja stałego
kosztu budowy

  • Prace ziemne i fundamenty
  • Konstrukcja, strop oraz dach
  • Stolarka okienna i drzwiowa
  • Instalacje  
    Tooltip

    Obejmuje wykonanie instalacji:

    • wodno-kanalizacyjnej
    • centralnego ogrzewania
    • gazowej
    • elektrycznej
  • Prace wykończeniowe  
    Tooltip

    Prace wykończeniowe obejmują:

    • sufity i ściany wewnętrzne
    • tynki i okładziny ścian wewnętrznych
    • wylewki i posadzkę
    • ocieplenie ścian zewnętrznych i elewację

Budowa
nawet w
6mies.

  • Kompleksowa umowa i znany z góry koszt budowy
  • Logistyka, organizacja budowy i zakupy po stronie firmy budowlanej
  • Formalności i dokumentacje po stronie firmy budowlanej
  • Różne technologie budowy dopasowane do projektu i budżetu
Szczegóły i dostępne technologie
icon

Polecamy

Kosztorys

Zawiera zestawienie wszystkich potrzebnych materiałów wraz z ich cenami, uwzględnia koszty sprzętu i transportu. Z kosztorysem:

  • poznasz całkowite koszty budowy
  • zaplanujesz prace na budowie
  • łatwiej ocenisz konkurencyjność ofert podwykonawców
  • otrzymasz dokument wymagany w procesie kredytowym

Elewacje

Frontowa
Tylna
Lewa
Prawa

Usytuowanie na działce

Czy ten projekt pasuje na
Twoją działkę?

Chętnie to sprawdzimy!

Czy ten projekt pasuje na
Twoją działkę?

Chętnie to sprawdzimy!

Dowiedz się:

  • czy zmieści się na niej wybrany przez Ciebie dom
  • jakie parametry musi spełniać dom według miejscowego planu zagospodarowania lub warunków zabudowy (np. kąt nachylenia i typ dachu, liczba kondygnacji itp.
  • jakie inne projekty pasują na Twoją działkę – znajdziemy je dla Ciebie!
Autor: HOUSECOLLECTION sp. z o.o.

Dane techniczne projektu

Powierzchnie i wymiary Powierzchnie i wymiary

Powierzchnia użytkowa
Tooltip
Suma powierzchni wszystkich pomieszczeń mieszkalnych, pomniejszona o pow. garażu, kotłowni, strychu, piwnicy. Jest liczona w 100% dla pomieszczeń o wysokości powyżej 2,2 m, w 50% dla pomieszczeń o wys. 2,2-1,4 m i niewliczana dla niższych niż 1,4 m.

146,97 m²

Powierzchnia zabudowy
Tooltip
Powierzchnia zajmowana przez część na- oraz nadziemną budynku liczona, jako rzut pionowy budynku na działkę.

139,64 m²

Powierzchnia całkowita
Tooltip
Całkowita powierzchnia wszystkich kondygnacji budynku łącznie z elementami nośnymi, takimi jak ściany zewnętrzne (z ociepleniem), słupy, tarasy, itp.

262,59 m²

Kubatura netto
Tooltip
Zazwyczaj jest to suma kubatur (objętości) pomieszczeń budynku, bez strychu, liczonych po zewnętrznym obrysie murów (z ociepleniem).

486,64 m³

Kąt nachylenia dachu
Tooltip
Nachylenie połaci dachu głównego podawane w stopniach. Uwaga! W niektórych projektach występuje więcej niż jedno nachylenie dachu.

40°

Wysokość budynku
Tooltip
Wysokość liczona od części budynku położonej najniżej przy powierzchni terenu do najwyższego punktu dachu (kalenicy) z wyłączeniem kominów.

9,11 m

Szerokość elewacji

13,24 m

Długość elewacji

13,84 m

Min. szerokość działki
Tooltip
Najmniejsza możliwa szerokość działki niezbędna do wybudowania wybranego domu. Składa się z szerokości elewacji domu powiększonej z obu stron o 3 m dla ściany bez otworów drzwiowych/okiennych lub 4 m, dla ściany z otworami.

21,24 m

Min. długość działki
Tooltip
Najmniejsza możliwa długość działki niezbędna do wybudowania wybranego domu. Składa się z długości elewacji domu powiększonej z obu stron o 3 m dla ściany bez otworów drzwiowych/okiennych lub 4 m, dla ściany z otworami.

23,34 m

Energooszczędność Energooszczędność

Oze Czym jest OZE (Odnawialne Źródło Energii)?
Ogrzewanie główne

Gazowe - szczegóły

Interesuje Cię inne źródło ogrzewania? Wyślij zapytanie lub zadzwoń do doradcy

Wentylacja

Mechaniczna nawiewno-wywiewna z rekuperacją lub grawitacyjna - do wyboru na etapie adaptacji

Instalacje w projekcie

Ogrzewanie podłogowe (na całej powierzchni domu lub w jej części, szczegóły u doradcy)

Warunki techniczne

Projekt zgody z WT 2021

Technologia i konstrukcja Technologia i konstrukcja

Konstrukcja

Murowana

PROJEKT Z BUDOWĄ Istnieje możliwość zaadaptowania tego projektu do technologii prefabrykowanej/modułowej i budowy nawet w 6 miesięcy ze stałym kosztem budowy

Dowiedz się więcej »
Opis szczegółowy

Ściany: bloczek z betonu komórkowego klasy M600 o grubości 24cm. Styropian EPS 70 o grubości 20cm, np. firmy Swisspor. Strop: w projekcie zaprojektowano strop gęsto żebrowy TERIVA (na etapie adaptacji można strop TERIVA zastąpić stropem żelbetowym). Dach: dwuspadowy, więźba drewniana, dach płatwiowo-słupowy, nachylenie 40st., dachówka ceramiczna. Elewacje: tynk cienkowarstwowy, cokół z płytek klinkierowych. Elementy dekoracyjne elewacji ściennej z betonu architektonicznego. Ogrzewanie: W projekcie zastosowano kocioł na paliwo gazowe. Istnieje możliwość zamiany kotła na inne paliwo na etapie adaptacji. Ogrzewanie podłogowe: Ogrzewanie podłogowe zaprojektowano w takich pomieszczeniach jak: korytarze, łazienki, kuchnia, salon. Wentylacja: W projekcie jako podstawową wentylację zaprojektowano wentylację grawitacyjną. Dodatkowo do projektu dołączamy gratis projekt wentylacji mechanicznej- rekuperacji. Na etapie adaptacji projektu należy wybrać jedną z dwóch opcji.

Strop

Gęstożebrowy

Reklama
Okna i drzwi tarasowe

Nowoczesne okna PVC i aluminiowe WIŚNIOWSKI – doskonała izolacja, elegancki design i niezrównana trwałość.

Wiśniowski
Sprawdź parametry!
Okna dachowe

Oferujemy bezpłatne konsultacje w zakresie wszystkich rozwiązań VELUX. Wyceny, porady dotyczące doboru okien i rolet zewnętrznych - sprawdź!

Velux
Sprawdź szczegóły
Pompa ciepła

Wybierz pompę ciepła, która pasuje do Twojego domu. Niezależnie od tego, czy ustawienie wewnątrz czy na zewnątrz, pompy ciepła STIEBEL ELTRON dopasują się do każdej przestrzeni.

Stiebel
Dobierz pompę ciepła
Drzwi

Ciepłe drzwi WIŚNIOWSKI z kontrolą dostępu. Szeroka gama wzorów i kolorów.

Wiśniowski
Wybierz najlepsze
Bramy garażowe

Automatyczne bramy garażowe segmentowe i uchylne WIŚNIOWSKI na wymiar i z systemem smart home w standardzie.

Wiśniowski
Sprawdź ofertę!
Rekuperacja

Alnor - kompletny system rekuperacji. Dobierz idealne rozwiązanie dla Twojego domu!

Alnor
Dobierz rekuperator
Dach

Producent stalowych pokryć dachowych i systemów elewacyjnych. Precyzja wykonania, trwałość na lata i szybki montaż doceniany przez dekarzy. Postaw na solidny dach Budmat.

Budmat
Sprawdź ofertę
Ogrodzenie

Nowoczesne stalowe ogrodzenia Budmat - estetyka, bezpieczeństwo i trwałość na lata. Systemowe rozwiązania na wymiar, dopasowane do każdego domu.

Budmat
Sprawdź ofertę

Gotowe domy - najszybszy sposób na dom (115)

Zobacz wszystkie
  • Stan deweloperski nawet w 6 miesięcy
  • Gwarancja stałej ceny
Skonfiguruj dom
Zdjęcie 1 projektu Bergen 130 HUS1002
130,40 m²
4
Stan deweloperski brutto
499 000 zł 3 827 zł/m²
Zdjęcie 1 projektu Dom szkieletowy Open Sky 195 HHT1029
145,04 m²
4
Stan deweloperski brutto
940 300 zł 6 483 zł/m²
Zdjęcie 1 projektu Dom prefabrykowany Stodoła 150B HFX1025
151,30 m²
4
Stan deweloperski brutto
590 000 zł 3 900 zł/m²
Zdjęcie 1 projektu Dom prefabrykowany Stodoła 150A HFX1024
152,20 m²
5
Stan deweloperski brutto
590 000 zł 3 876 zł/m²
Zdjęcie 1 projektu Dom prefabrykowany Stodoła 150C HFX1026
152,90 m²
5
Stan deweloperski brutto
590 000 zł 3 859 zł/m²
Zdjęcie 1 projektu Dom prefabrykowany P.1 z okapem HPK1000
139,44 m²
3
Stan deweloperski brutto
734 000 zł 5 264 zł/m²
Zdjęcie 1 projektu Dom prefabrykowany P.1 bez okapu HPK1012
139,44 m²
3
Stan deweloperski brutto
712 400 zł 5 109 zł/m²
Zdjęcie 1 projektu Dom prefabrykowany P.5 HPK1004
138,67 m²
5
Stan deweloperski brutto
787 200 zł 5 677 zł/m²

Dodatki do projektu

Dodatki możesz zamówić w koszyku lub telefonicznie u naszego Doradcy.

Ikona

Bestseller

Kosztorys

1 500 zł

Ikona

Bestseller

Dodatkowy egzemplarz projektu

650 zł

Ikona

Bestseller

Elektroniczna wersja projektu

500 zł

Opis projektu domu
Dom nad Wisłą

Dom nad Wisłą to obiekt parterowy w stylu klasycznym z poddaszem użytkowym. Dom ten jest przeznaczony dla rodzin, które cenią sobie wygodę i praktyczność. Przestronny wiatrołap stanowi ważny element ciągu komunikacyjnego. Łączy część mieszkalną z gospodarczą, w której ulokowaliśmy jednostanowiskowy garaż i kotłownię z samodzielnym wyjściem na ogród. Największym pomieszczeniem w domu jest pokój dzienny z kominkiem, który połączyliśmy dla Państwa z estetyczną jadalnią. Przestrzeń przeznaczona do spożywania posiłków jest świetnie doświetlona poprzez szklane witryny w wykuszu. Salon został tak zaplanowany, że możecie go Państwo komfortowo umeblować narożną kanapą oraz kinem domowym. To idealne miejsce, w którym wszyscy członkowie rodziny oraz goście mogą wspólnie spędzać czas. Na parterze ulokowaliśmy łazienkę z pralnią, w której z powodzeniem zmieści się duża pralka oraz suszarka na pranie. W domu nad Wisłą zaprojektowaliśmy dla Państwa nowoczesne poddasze użytkowe. Po wejściu na górę ujrzycie Państwo pięć pomieszczeń: trzy przestronne sypialnie z dużymi oknami, garderobę oraz łazienkę. Zaplanowaliśmy również duży nasłoneczniony taras, który należy do dwóch pokoi, a w przestronnej garderobie można zagospodarować miejsce na szafę typu komandor. Łazienka na poddaszu jest bardzo komfortowa z uwagi na duży metraż oraz możliwość umieszczenia w niej wanny narożnej z hydromasażem, jak również brodzika prysznicowego oraz bidetu. Dom nad Wisłą to nasza propozycja, jeśli szukacie Państwo estetycznej i łatwej w utrzymaniu bryły. Oferujemy również odbicie lustrzane tego projektu domu. Pozostajemy do dyspozycji!
Czytaj więcej

Polecani producenci

Kompletne systemy rekuperacji

tło producenta

Alnor

Dowiedz się więcej

Dachy modułowe ze stali

tło producenta

Budmat

Poznaj szczegóły oferty

Prefabrykowane konstrukcje dachowe

tło producenta

WIĄZAR POLSKA

Zobacz więcej

Sprawdź nową generację okien GREENVIEW

tło producenta

FAKRO

Sprawdź nową generację okien GREENVIEW

Styropian, tynki, farby, kleje

tło producenta

Termo Organika

Poznaj super jakość

Okna, drzwi, osłony przeciwsłoneczne

tło producenta

Aluprof

Sprawdź ofertę
Zobacz więcej

Społeczność projektu domu
Dom nad Wisłą w budowie

Dołącz do społeczności osób, które budują ten dom lub są zainteresowane jego budową.

  • Oglądaj zdjęcia z budowy
  • Zadawaj pytania
  • Wymieniaj się doświadczeniami

Opinie o projekcie domu Dom nad Wisłą

Ocena

Ten projekt nie ma jeszcze opinii, bądź pierwszy!

Dodaj opinię

ASYSTENT WYBORU PROJEKTU

Szukasz idealnego projektu? Znajdziemy go dla Ciebie!

Doradca na podstawie Twoich wskazówek przygotuje spersonalizowaną listę projektów

Graficzne opracowanie rzutów poglądowych widocznych na karcie projektu zostało wykonane przez Extradom.pl. Prezentowane przez Extradom.pl wizualizacje wykonane zostały przez autora projektu i należy poczytywać je jedynie za przykład i propozycję wykończenia, wizję architektoniczną autora projektu. Ostateczne wykończenie budynku może nastąpić na wiele sposobów. Szczegółowe rozwiązania zastosowane w oferowanej dokumentacji - w tym również ilość, lokalizacje i wygląd okien, drzwi, kominów - mogą w niewielkim stopniu różnić się od prezentowanej wizualizacji budynku.

Extradom.pl Spółka z ograniczoną odpowiedzialnością z siedzibą przy ul. Jaworskiej 13, 53-612 Wrocław, wpisana do rejestru przedsiębiorców Krajowego Rejestru Sądowego przez Sąd Rejonowy dla Wrocławia-Fabrycznej we Wrocławiu, VI Wydział Gospodarczy Krajowego Rejestru Sądowego do pod numerem KRS 0000648746, numer NIP 895-17-18-333, o kapitale zakładowym 708 150,00 zł uprzejmie informuje, iż poprzez serwis Extradom.pl umożliwia m.in. zapoznanie się przez konsumentów z ofertą handlową Partnerów Extradom.pl, którzy stosują metody budowy domów przy wykorzystaniu różnego rodzaju technologie prefabrykacji bądź modułowe (tzw. „Gotowe domy”).

Extradom.pl nie prowadzi jednakże sprzedaży ani nie oferuje usług polegających na doradztwie finansowym, prawnym ani podatkowym w zakresie inwestycji realizowanych w technologiach tzw. „Gotowych domów”. Informacje prezentowane w serwisie Extradom.pl dotyczące Partnerów Extradom.pl oferujących realizację inwestycji w technologiach „Gotowych domów” lub podobnych mają charakter informacyjny i reklamowy.

Prezentowane w serwisie Extradom.pl informacje dotyczące stosowanych przez Partnerów metod budowy domów w technologii prefabrykacji bądź modułowej pochodzą od Partnerów Extradom.pl.

Extradom.pl sp. z o.o. jedynie umożliwia nawiązanie kontaktu przez Użytkownika z Partnerem Extradom.pl stosującym tego rodzaju technologie budowy domów i nie jest stroną umowy o roboty budowlane zawieranej przez Użytkownika Extradom.pl z Partnerem Extradom.pl.

REKLAMA
Zamknij