👉 Rozgrzewające rabaty! 🔥

Projekt domu Dolomit z garażem 2-st. [A] WRF2062

Dodano!
Dodano!

Warstwy

Rzut parteru

Powierzchnia (m²)
Tooltip
Powierzchnia pomieszczenia
to ta, z której faktycznie możesz korzystać – skosy i niskie części poddasza są liczone częściowo lub wcale.
  1. 100% dla wysokości powyżej 2,2 m,
  2. 50% dla wysokości 1,4–2,2 m,
  3. nie liczymy poniżej 1,4 m.

Powierzchnia podłogi (wartość w nawiasie)
Liczymy po całym obrysie pomieszczenia, bez względu na jego wysokość.
193,10
1. Wiatrołap
5,70
2. Hall
6,10
3. Garderoba
2,80
4. Wc
1,70
5. Spiżarnia
3,90
6. Kuchnia + jadalnia
16,70
7. Pokój dzienny
33,20
8. Korytarz
11,20
9. Pokój
12,70
10. Pokój
16
11. Pokój
12,40
12. Pokój + garderoba
17,60
13. Łazienka
3,50
14. Łazienka
7,70
15. Kotłownia
7,50
16. Garaż dwustanowiskowy
34,40

    Usytuowanie na działce

    Czy ten projekt pasuje na
    Twoją działkę?

    Chętnie to sprawdzimy!

    Dowiedz się:

    • czy zmieści się na niej wybrany przez Ciebie dom
    • jakie parametry musi spełniać dom według miejscowego planu zagospodarowania lub warunków zabudowy (np. kąt nachylenia i typ dachu, liczba kondygnacji itp.
    • jakie inne projekty pasują na Twoją działkę – znajdziemy je dla Ciebie!

Pow. użytkowa

151,20 m²

Pokoje

4

Łazienki i WC

3

Garaż

2

Min. szer. i dł. działki

23 x 29,40 m

Kąt dachu

25°

Szacunkowy koszt SSZ

426 000 zł
Szacunkowy koszt budowy do stanu surowego zamkniętego (SSZ) metodą gospodarczą - większość prac wykonuje inwestor.

Konstrukcja

Murowana
więcej

Dolomit z garażem 2-st. [A] - WRF2062

ikona 151,20 m²
Powierzchnia użytkowa
ikona4
Pokoje (bez salonu)
ikona 3
Łazienki (z toaletami)
ikona 2
Liczba stanowisk garażowych
(z wiatą garażową)
ikona
Konstrukcja: Murowana

Cena projektu:

6 390 zł

Gwarancja najniższej ceny Gwarancja najniższej ceny Tooltip

Wydłużony czas realizacji Tooltip

Projekt jest koncepcją

GRATIS 10% rabatu do LEROY MERLIN

GRATIS Przydatne Extradodatki

GRATIS Poradnik Dach Solarny

100 dni na wymianę, 30 dni na zwrot

Darmowa dostawa - kurier, paczkomaty

Bezpłatne pozwolenie na zmiany

Dokumentacja zgodna z WT2021

Pokaż więcej (5)
Konsultant Masz pytania?
Zadzwoń
71 715 20 60

pon.-pt. 8-21, sob. 9-17

Szukasz wykonawcy godnego zaufania?
Zleć budowę w Extradom.pl!

  • Z góry znasz koszt budowy domu
  • Dom odbierasz zgodnie z ustalonym harmonogramem - nawet w 6 miesięcy
  • Zabezpiecza Cię jedna kompleksowa umowa z jednym wykonawcą
  • Otrzymujesz nawet 30-letnią gwarancję na konstrukcję domu
  • Oszczędzasz swój czas dzięki pewnej i kompletnej usłudze
Cena brutto stanu
deweloperskiego od
Tooltip
Cena brutto stanu deweloperskiego od 4 309 do 5 479 zł/m2.
Cena jest uzależniona m.in. od lokalizacji, wybranej technologii, kubatury budynku, skomplikowania projektu i ewentualnych zmian, na które zdecyduje się inwestor.
Cena za m2 powierzchni netto, czyli wszystkich pomieszczeń mierzonych na wysokości podłogi.
4 309 zł/m2
Dowiedz się więcej
Konsultant Masz pytania?
Zadzwoń
71 715 20 70

pon.-pt. 8-19

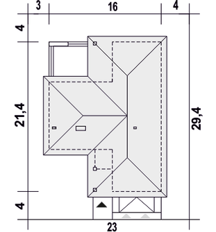
Parter - 193,10 m²

Parter projektu Dolomit z garażem 2-st. [A]

Zapytaj, co możesz zmienić

Powierzchnia (m²)
Tooltip
Powierzchnia pomieszczenia
to ta, z której faktycznie możesz korzystać – skosy i niskie części poddasza są liczone częściowo lub wcale.
  1. 100% dla wysokości powyżej 2,2 m,
  2. 50% dla wysokości 1,4–2,2 m,
  3. nie liczymy poniżej 1,4 m.

Powierzchnia podłogi (wartość w nawiasie)
Liczymy po całym obrysie pomieszczenia, bez względu na jego wysokość.
(193,10)
193,10
1. Wiatrołap
5,70
2. Hall
6,10
3. Garderoba
2,80
4. Wc
1,70
5. Spiżarnia
3,90
6. Kuchnia + jadalnia
16,70
7. Pokój dzienny
33,20
8. Korytarz
11,20
9. Pokój
12,70
10. Pokój
16
11. Pokój
12,40
12. Pokój + garderoba
17,60
13. Łazienka
3,50
14. Łazienka
7,70
15. Kotłownia
7,50
16. Garaż dwustanowiskowy
34,40

Warianty projektu (2)

Projekt domu Dolomit III z garażem 2-st. [A]
160,80 m²
4
3
2

5 090 zł

Projekt domu Dolomit II z garażem 2-st. [A]
160,50 m²
4
3
2

5 090 zł

Podobne projekty (961)

Zobacz wszystkie
Zdjęcie 1 projektu HomeKoncept 133 KRX1268
HomeKoncept 133
Dodano!
Dodano!
130,02 m²
4
2
2

6 690 zł

Nowość
Zdjęcie 1 projektu HomeKoncept 126 wariant 01 KRX1296
HomeKoncept 126 wariant 01
Dodano!
Dodano!
167,19 m²
4
2
2

7 490 zł

NIŻSZA CENA ✂️
Zdjęcie 1 projektu PióroArchitekci – 18 KZN1002
PióroArchitekci – 18
Dodano!
Dodano!
160,50 m²
4
3
2

4 000 zł

4 300 zł

Tooltip

Cena regularna

3 900 zł najniższa cena
Tooltip

Najniższa cena z 30 dni
przed obniżką

NIŻSZA CENA ✂️
Zdjęcie 1 projektu Sej-pro 076 energo ELW1051
Sej-pro 076 energo
Dodano!
Dodano!
121,17 m²
4
3
2

5 497 zł

5 797 zł

Tooltip

Cena regularna

5 197 zł najniższa cena
Tooltip

Najniższa cena z 30 dni
przed obniżką

NIŻSZA CENA ✂️
Zdjęcie 1 projektu Kordian (1613) KRD2763
Kordian (1613)
Dodano!
Dodano!
133,30 m²
4
2
2

4 540 zł

4 890 zł

Tooltip

Cena regularna

4 340 zł najniższa cena
Tooltip

Najniższa cena z 30 dni
przed obniżką

Zdjęcie 1 projektu APS 264 wariant 2 ECO LUA1667
APS 264 wariant 2 ECO
Dodano!
Dodano!
134,20 m²
4
2
2

5 399 zł

Zdjęcie 1 projektu HomeKoncept 126 KRX1288
HomeKoncept 126
Dodano!
Dodano!
167,46 m²
4
2
2

7 490 zł

NIŻSZA CENA ✂️
Zdjęcie 1 projektu Ambrozja 3 BSA2032
Ambrozja 3
Dodano!
Dodano!
158,48 m²
4
3
2

5 299 zł

5 649 zł

Tooltip

Cena regularna

5 149 zł najniższa cena
Tooltip

Najniższa cena z 30 dni
przed obniżką

Metody i koszt budowy

Ten dom możesz budować metodą gospodarczą, systemem zleconym lub skorzystać z naszej oferty Projekt z Budową. Przy porównaniu weź pod uwagę nie tylko koszt, ale też różny zakres prac i standard wykonania.

Metoda gospodarcza

Najtańsza metoda - większość prac
budowlanych wykonuje inwestor

Stan surowy zamknięty (SSZ)

426 000 zł netto

Szacunkowy koszt materiałów na III kwartał 2025
  • Prace ziemne i fundamenty

    97 000 zł
  • Konstrukcja, strop oraz dach

    267 000 zł
  • Stolarka okienna i drzwiowa

    62 000 zł
  • Instalacje

    nie obejmuje
  • Prace wykończeniowe

    nie obejmuje
  • Możesz budować etapami, pamiętając jednak o zmianie kosztów w czasie
  • Możesz rozpocząć budowę z częścią niezbędnych środków
  • Sam ustalasz harmonogram, koordynujesz budowę i zapewniasz materiały
Czy da się obniżyć koszty budowy?
Zobacz nasz film jak obniżyć koszt budowy

Projekt z Budową

Najszybsza i najwygodniejsza metoda -
całą budowę domu realizuje jedna firma

Stan deweloperski
Gwarancja stałego kosztu budowy

Gwarancja stałego
kosztu budowy

  • Prace ziemne i fundamenty
  • Konstrukcja, strop oraz dach
  • Stolarka okienna i drzwiowa
  • Instalacje  
    Tooltip

    Obejmuje wykonanie instalacji:

    • wodno-kanalizacyjnej
    • centralnego ogrzewania
    • gazowej
    • elektrycznej
  • Prace wykończeniowe  
    Tooltip

    Prace wykończeniowe obejmują:

    • sufity i ściany wewnętrzne
    • tynki i okładziny ścian wewnętrznych
    • wylewki i posadzkę
    • ocieplenie ścian zewnętrznych i elewację

Budowa
nawet w
6mies.

  • Kompleksowa umowa i znany z góry koszt budowy
  • Logistyka, organizacja budowy i zakupy po stronie firmy budowlanej
  • Formalności i dokumentacje po stronie firmy budowlanej
  • Różne technologie budowy dopasowane do projektu i budżetu
Szczegóły i dostępne technologie

Elewacje

Frontowa
Tylna
Lewa
Prawa

Przekroje

Przekrój pionowy

Usytuowanie na działce

Czy ten projekt pasuje na
Twoją działkę?

Chętnie to sprawdzimy!

Czy ten projekt pasuje na
Twoją działkę?

Chętnie to sprawdzimy!

Dowiedz się:

  • czy zmieści się na niej wybrany przez Ciebie dom
  • jakie parametry musi spełniać dom według miejscowego planu zagospodarowania lub warunków zabudowy (np. kąt nachylenia i typ dachu, liczba kondygnacji itp.
  • jakie inne projekty pasują na Twoją działkę – znajdziemy je dla Ciebie!
Autor: Archeco Dom dla Ciebie

Dane techniczne projektu

Powierzchnie i wymiary Powierzchnie i wymiary

Powierzchnia użytkowa
Tooltip
Suma powierzchni wszystkich pomieszczeń mieszkalnych, pomniejszona o pow. garażu, kotłowni, strychu, piwnicy. Jest liczona w 100% dla pomieszczeń o wysokości powyżej 2,2 m, w 50% dla pomieszczeń o wys. 2,2-1,4 m i niewliczana dla niższych niż 1,4 m.

151,20 m²

Powierzchnia zabudowy
Tooltip
Powierzchnia zajmowana przez część na- oraz nadziemną budynku liczona, jako rzut pionowy budynku na działkę.

244,50 m²

Powierzchnia netto
Tooltip
Powierzchna wszystkich pomieszczeń w budynku mierzona na wysokości podłogi.

193,10 m²

Powierzchnia dachu

363,10 m²

Kąt nachylenia dachu
Tooltip
Nachylenie połaci dachu głównego podawane w stopniach. Uwaga! W niektórych projektach występuje więcej niż jedno nachylenie dachu.

25°

Wysokość budynku
Tooltip
Wysokość liczona od części budynku położonej najniżej przy powierzchni terenu do najwyższego punktu dachu (kalenicy) z wyłączeniem kominów.

7,10 m

Szerokość elewacji

16 m

Długość elewacji

21,40 m

Min. szerokość działki
Tooltip
Najmniejsza możliwa szerokość działki niezbędna do wybudowania wybranego domu. Składa się z szerokości elewacji domu powiększonej z obu stron o 3 m dla ściany bez otworów drzwiowych/okiennych lub 4 m, dla ściany z otworami.

23 m

Min. długość działki
Tooltip
Najmniejsza możliwa długość działki niezbędna do wybudowania wybranego domu. Składa się z długości elewacji domu powiększonej z obu stron o 3 m dla ściany bez otworów drzwiowych/okiennych lub 4 m, dla ściany z otworami.

29,40 m

Energooszczędność Energooszczędność

Oze Czym jest OZE (Odnawialne Źródło Energii)?
Ogrzewanie główne

Gazowe - szczegóły

Interesuje Cię inne źródło ogrzewania? Wyślij zapytanie lub zadzwoń do doradcy

Wentylacja

Grawitacyjna - szczegóły

Instalacje w projekcie

Ogrzewanie kominkowe z płaszczem wodnym

Warunki techniczne

Projekt zgody z WT 2021

Technologia i konstrukcja Technologia i konstrukcja

Konstrukcja

Murowana

PROJEKT Z BUDOWĄ Istnieje możliwość zaadaptowania tego projektu do technologii prefabrykowanej/modułowej i budowy nawet w 6 miesięcy ze stałym kosztem budowy

Dowiedz się więcej »
Opis szczegółowy

Fundamenty: betonowe. Ściany: porotherm+styropian. Rodzaj stropu: teriva i. Elewacje: tynk strukturalny. Pokrycie dachu: dachówka cem. lub cer.

Strop

Gęstożebrowy

Reklama
Okna i drzwi tarasowe

Nowoczesne okna PVC i aluminiowe WIŚNIOWSKI – doskonała izolacja, elegancki design i niezrównana trwałość.

Wiśniowski
Sprawdź parametry!
Okna dachowe

Oferujemy bezpłatne konsultacje w zakresie wszystkich rozwiązań VELUX. Wyceny, porady dotyczące doboru okien i rolet zewnętrznych - sprawdź!

Velux
Sprawdź szczegóły
Dach

Producent stalowych pokryć dachowych i elewacyjnych - 40 lat doświadczenia. Zbuduj solidny dach z nami!

Blachy Pruszyński
Sprawdź szczegóły
Płytki ceramiczne i gresy

Od małych formatów po wielkoformatowe gresy. Marmur, beton, drewno, kamień, lastryko czy cegiełki zamówisz wygodnie online z szybką dostawą.

Ceramzet
Sprawdź ofertę
Drzwi

Ciepłe drzwi WIŚNIOWSKI z kontrolą dostępu. Szeroka gama wzorów i kolorów.

Wiśniowski
Wybierz najlepsze
Bramy garażowe

Automatyczne bramy garażowe segmentowe i uchylne WIŚNIOWSKI na wymiar i z systemem smart home w standardzie.

Wiśniowski
Sprawdź ofertę!
Armatura i ceramika łazienkowa

Topowi producenci. Baterie łazienkowe, zestawy natynkowe i podtynkowe, umywalki, wanny, miski WC oraz kabiny zamówisz kompleksowo online.

Ceramzet II
Dowiedz się więcej
Rekuperacja

Alnor - kompletny system rekuperacji. Dobierz idealne rozwiązanie dla Twojego domu!

Alnor
Dobierz rekuperator
Gruntowe pompy ciepła

Przeprowadzimy kompletną instalację najbardziej oszczędnego źródła ciepła w Twoim nowym domu - gruntowej pompy ciepła. Od dokumentacji, pozwoleń, po odwierty i instalację.

Geothermal Solutions
Dowiedz się więcej

Gotowe domy modułowe (113)

Zobacz wszystkie
Stan deweloperski nawet w 6 miesięcy Gwarancja stałej ceny
Zdjęcie 1 projektu Dom prefabrykowany Stodoła 150B HFX1025
Pow. użytkowa
151,30 m²
Pokoje
4
589 000 zł 3 893 zł/m²
Zdjęcie 1 projektu Dom prefabrykowany Stodoła 150A HFX1024
Pow. użytkowa
152,20 m²
Pokoje
5
589 000 zł 3 870 zł/m²
Zdjęcie 1 projektu Dom prefabrykowany Stodoła 150C HFX1026
Pow. użytkowa
152,90 m²
Pokoje
5
589 000 zł 3 852 zł/m²
Zdjęcie 1 projektu Dom szkieletowy Open Sky 195 HHT1029
Pow. użytkowa
145,04 m²
Pokoje
4
940 300 zł 6 483 zł/m²
Zdjęcie 1 projektu Dom prefabrykowany P.2 HPK1001
Pow. użytkowa
159,18 m²
Pokoje
5
832 200 zł 5 228 zł/m²
Zdjęcie 1 projektu Dom prefabrykowany P.4 bez okapu HPK1003
Pow. użytkowa
162,18 m²
Pokoje
4
701 000 zł 4 322 zł/m²
Zdjęcie 1 projektu Dom prefabrykowany P.4 z okapem HPK1014
Pow. użytkowa
162,18 m²
Pokoje
5
710 500 zł 4 381 zł/m²
Zdjęcie 1 projektu Dom prefabrykowany P.1 z okapem HPK1000
Pow. użytkowa
139,44 m²
Pokoje
3
721 000 zł 5 171 zł/m²

Dodatki do projektu

Dodatki możesz zamówić w koszyku lub telefonicznie u naszego Doradcy.

Ikona

Bestseller

Elektroniczna wersja projektu

700 zł

Opis projektu domu
Dolomit z garażem 2-st. [A]

Projekt gotowy Dolomit to propozycja dla dużych rodzin. Budynek w kształcie litery T z dachem wielospadowym o nowoczesnym kształcie nada się na działki o szerokości frontu 23 m. Program funkcjonalny to wiatrołap garderoba, WC, jednoprzestrzenny salon z kuchnią i jadalnią, spiżarnią, pomieszczenie CO, a w strefie nocnej cztery sypialnie (jedna typy master bedroom z własną łazienka) oraz wspólna łazienką.
Czytaj więcej

Informacje dodatkowe

Projekt jest w fazie koncepcji. Przy zakupie projektu należy zapłacić 50% zaliczki. Zaliczka jest bezzwrotna w przypadku zwrotu lub rezygnacji z zamówienia.

Czytaj więcej

Polecani producenci

Prefabrykowane konstrukcje dachowe

tło producenta

WIĄZAR POLSKA

Zobacz więcej

Sprawdź nową generację okien GREENVIEW

tło producenta

FAKRO

Sprawdź nową generację okien GREENVIEW

Styropian, tynki, farby, kleje

tło producenta

Termo Organika

Poznaj super jakość

Okna, drzwi, osłony przeciwsłoneczne

tło producenta

Aluprof

Sprawdź ofertę

Kompletne systemy rekuperacji

tło producenta

Alnor

Dowiedz się więcej

Sprawdź nowy system DACHRYNNA

tło producenta

Galeco

Sprawdź ofertę
Zobacz więcej

Społeczność projektu domu
Dolomit z garażem 2-st. [A] w budowie

Dołącz do społeczności osób, które budują ten dom lub są zainteresowane jego budową.

  • Oglądaj zdjęcia z budowy
  • Zadawaj pytania
  • Wymieniaj się doświadczeniami

Opinie o projekcie domu Dolomit z garażem 2-st. [A]

Ocena

Ten projekt nie ma jeszcze opinii, bądź pierwszy!

Dodaj opinię

ASYSTENT WYBORU PROJEKTU

Szukasz idealnego projektu? Znajdziemy go dla Ciebie!

Doradca na podstawie Twoich wskazówek przygotuje spersonalizowaną listę projektów

Graficzne opracowanie rzutów poglądowych widocznych na karcie projektu zostało wykonane przez Extradom.pl. Prezentowane przez Extradom.pl wizualizacje wykonane zostały przez autora projektu i należy poczytywać je jedynie za przykład i propozycję wykończenia, wizję architektoniczną autora projektu. Ostateczne wykończenie budynku może nastąpić na wiele sposobów. Szczegółowe rozwiązania zastosowane w oferowanej dokumentacji - w tym również ilość, lokalizacje i wygląd okien, drzwi, kominów - mogą w niewielkim stopniu różnić się od prezentowanej wizualizacji budynku.

Extradom.pl Spółka z ograniczoną odpowiedzialnością z siedzibą przy ul. Jaworskiej 13, 53-612 Wrocław, wpisana do rejestru przedsiębiorców Krajowego Rejestru Sądowego przez Sąd Rejonowy dla Wrocławia-Fabrycznej we Wrocławiu, VI Wydział Gospodarczy Krajowego Rejestru Sądowego do pod numerem KRS 0000648746, numer NIP 895-17-18-333, o kapitale zakładowym 708 150,00 zł uprzejmie informuje, iż poprzez serwis Extradom.pl umożliwia m.in. zapoznanie się przez konsumentów z ofertą handlową Partnerów Extradom.pl, którzy stosują metody budowy domów przy wykorzystaniu różnego rodzaju technologie prefabrykacji bądź modułowe (tzw. „Gotowe domy”).

Extradom.pl nie prowadzi jednakże sprzedaży ani nie oferuje usług polegających na doradztwie finansowym, prawnym ani podatkowym w zakresie inwestycji realizowanych w technologiach tzw. „Gotowych domów”. Informacje prezentowane w serwisie Extradom.pl dotyczące Partnerów Extradom.pl oferujących realizację inwestycji w technologiach „Gotowych domów” lub podobnych mają charakter informacyjny i reklamowy.

Prezentowane w serwisie Extradom.pl informacje dotyczące stosowanych przez Partnerów metod budowy domów w technologii prefabrykacji bądź modułowej pochodzą od Partnerów Extradom.pl.

Extradom.pl sp. z o.o. jedynie umożliwia nawiązanie kontaktu przez Użytkownika z Partnerem Extradom.pl stosującym tego rodzaju technologie budowy domów i nie jest stroną umowy o roboty budowlane zawieranej przez Użytkownika Extradom.pl z Partnerem Extradom.pl.

REKLAMA
Zamknij