Projekty nawet 500 zł taniej ❄️

Koniec oferty za:

0dni

00godz.

00min.

00sek.

Sprawdź

Projekt domu Bali N 2G SKA1089

Dodano!
Dodano!

Warstwy

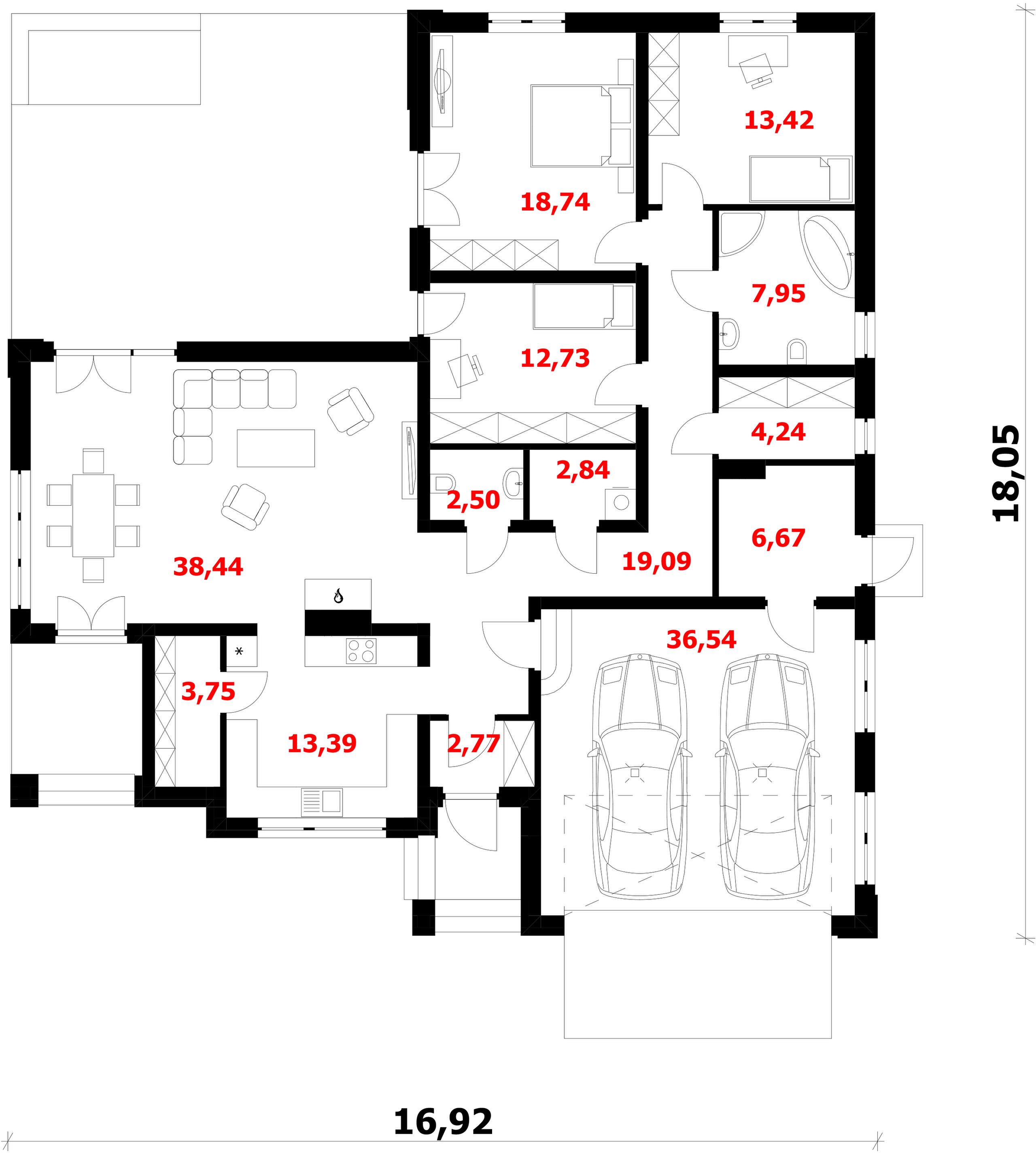
Rzut parteru

Powierzchnia (m²)
Tooltip
Powierzchnia pomieszczenia
to ta, z której faktycznie możesz korzystać – skosy i niskie części poddasza są liczone częściowo lub wcale.
  1. 100% dla wysokości powyżej 2,2 m,
  2. 50% dla wysokości 1,4–2,2 m,
  3. nie liczymy poniżej 1,4 m.

Powierzchnia podłogi
Liczymy po obrysie pomieszczenia, bez względu na jego wysokość/skosy. Jeśli nie ma skosów to powierzchnia podłogi i pomieszczenia jest taka sama.
pomieszczenia i podłogi
podłogi
1. Wiatrołap
2,77
2. Kuchnia
13,39
3. Spiżarnia
3,75
4. Pokój dzienny
38,44
5. Wc
2,50
6. Pomieszczenie gospodarcze
2,84
7. Korytarz
19,09
8. Pokój
12,73
9. Pokój
18,74
10. Pokój
13,42
11. Łazienka
7,95
12. Garderoba
4,24
13. Kotłownia
6,67
14. Garaż dwustanowiskowy
36,54
Razem
183,07
183,07

    Usytuowanie na działce

    Czy ten projekt pasuje na
    Twoją działkę?

    Chętnie to sprawdzimy!

    Dowiedz się:

    • czy zmieści się na niej wybrany przez Ciebie dom
    • jakie parametry musi spełniać dom według miejscowego planu zagospodarowania lub warunków zabudowy (np. kąt nachylenia i typ dachu, liczba kondygnacji itp.
    • jakie inne projekty pasują na Twoją działkę – znajdziemy je dla Ciebie!

Pow. użytkowa

137,71 m²

Pokoje

3

Łazienki i WC

2

Garaż

2

Min. szer. i dł. działki

24,92 x 26,05 m

Kąt dachu

30°

Konstrukcja

Murowana
więcej

Bali N 2G - SKA1089

ikona 137,71 m²
Powierzchnia użytkowa
ikona3
Pokoje (bez salonu)
ikona 2
Łazienki (z toaletami)
ikona 2
Liczba stanowisk garażowych
(z wiatą garażową)
ikona
Konstrukcja: Murowana

Projekt został
wycofany z oferty

W razie pytań prosimy o kontakt
z Centrum Obsługi Klienta
Konsultant Masz pytania?
Zadzwoń
71 715 20 60

pon.-pt. 8-21, sob. 9-17

Szukasz wykonawcy godnego zaufania?
Zleć budowę w Extradom.pl!

  • Z góry znasz koszt budowy domu
  • Dom odbierasz zgodnie z ustalonym harmonogramem - nawet w 6 miesięcy
  • Zabezpiecza Cię jedna kompleksowa umowa z jednym wykonawcą
  • Otrzymujesz nawet 30-letnią gwarancję na konstrukcję domu
  • Oszczędzasz swój czas dzięki pewnej i kompletnej usłudze
Cena brutto stanu
deweloperskiego od
Tooltip
Cena brutto stanu deweloperskiego od 4 529 do 5 829 zł/m2.
Cena jest uzależniona m.in. od lokalizacji, wybranej technologii, kubatury budynku, skomplikowania projektu i ewentualnych zmian, na które zdecyduje się inwestor.
Cena za m2 powierzchni netto, czyli wszystkich pomieszczeń mierzonych na wysokości podłogi.
4 529 zł/m2
Dowiedz się więcej
Konsultant Masz pytania?
Zadzwoń
71 715 20 70

pon.-pt. 8-19

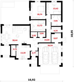
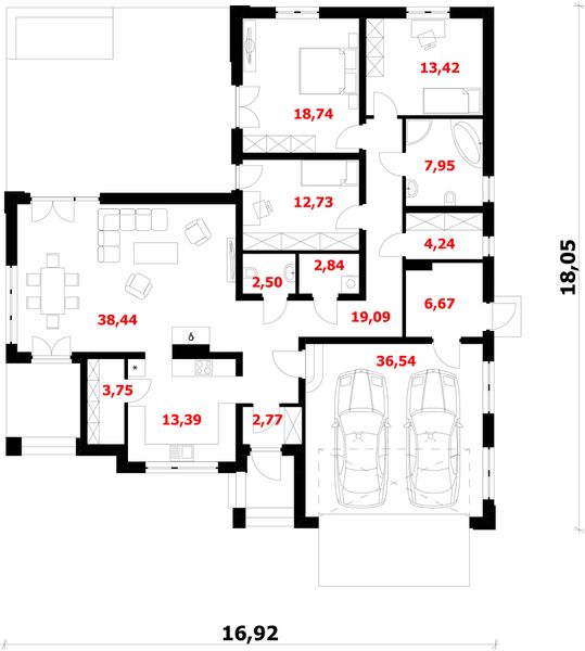
Parter - 183,07 m²

Parter projektu Bali N 2G

Zapytaj, co możesz zmienić

Powierzchnia (m²)
Tooltip
Powierzchnia pomieszczenia
to ta, z której faktycznie możesz korzystać – skosy i niskie części poddasza są liczone częściowo lub wcale.
  1. 100% dla wysokości powyżej 2,2 m,
  2. 50% dla wysokości 1,4–2,2 m,
  3. nie liczymy poniżej 1,4 m.

Powierzchnia podłogi
Liczymy po obrysie pomieszczenia, bez względu na jego wysokość/skosy. Jeśli nie ma skosów to powierzchnia podłogi i pomieszczenia jest taka sama.
pomieszczenia i podłogi
podłogi
1. Wiatrołap
2,77
2. Kuchnia
13,39
3. Spiżarnia
3,75
4. Pokój dzienny
38,44
5. Wc
2,50
6. Pomieszczenie gospodarcze
2,84
7. Korytarz
19,09
8. Pokój
12,73
9. Pokój
18,74
10. Pokój
13,42
11. Łazienka
7,95
12. Garderoba
4,24
13. Kotłownia
6,67
14. Garaż dwustanowiskowy
36,54
Razem
183,07
183,07

Warianty projektu (1)

Projekt domu Bali
Bali
Dodano!
Dodano!
151,63 m²
4
2
1

4 249 zł

Podobne projekty (5757)

Zobacz wszystkie
Zdjęcie 1 projektu NewHouse 761 w3 KRZ1132
NewHouse 761 w3
Dodano!
Dodano!
153,74 m²
4
3
2

5 890 zł

Zdjęcie 1 projektu NewHouse 761 KRZ1109
NewHouse 761
Dodano!
Dodano!
135,52 m²
3
3
2

5 690 zł

NIŻSZA CENA❄️
Zdjęcie 1 projektu HomeKoncept 133 KRX1268
HomeKoncept 133
Dodano!
Dodano!
130,02 m²
4
2
2

6 190 zł

6 690 zł

Tooltip

Cena regularna

5 686 zł najniższa cena
Tooltip

Najniższa cena z 30 dni
przed obniżką

Zdjęcie 1 projektu NewHouse 761 w1 KRZ1122
NewHouse 761 w1
Dodano!
Dodano!
138,73 m²
3
2
2

5 690 zł

NIŻSZA CENA❄️
Zdjęcie 1 projektu Willa Parterowa 2 WAH1883
Willa Parterowa 2
Dodano!
Dodano!
135,75 m²
4
3
2

5 112 zł

6 390 zł

Tooltip

Cena regularna

4 792 zł najniższa cena
Tooltip

Najniższa cena z 30 dni
przed obniżką

NIŻSZA CENA❄️
Nowość
Zdjęcie 1 projektu APS 401 wariant 4 LUA1681
APS 401 wariant 4
Dodano!
Dodano!
140 m²
4
2
2

5 099 zł

5 599 zł

Tooltip

Cena regularna

5 099 zł najniższa cena
Tooltip

Najniższa cena z 30 dni
przed obniżką

NIŻSZA CENA❄️
Zdjęcie 1 projektu Uroczy WAH1080
Uroczy
Dodano!
Dodano!
146,47 m²
4
3
2

5 432 zł

6 790 zł

Tooltip

Cena regularna

5 092 zł najniższa cena
Tooltip

Najniższa cena z 30 dni
przed obniżką

NIŻSZA CENA❄️
Zdjęcie 1 projektu Domidea 3 WAC1105
Domidea 3
Dodano!
Dodano!
126,44 m²
3
3
2

5 358 zł

5 658 zł

Tooltip

Cena regularna

5 358 zł najniższa cena
Tooltip

Najniższa cena z 30 dni
przed obniżką

Projekt z budową

Budowa Projekt z budową

Zbuduj ten dom z naszym Partnerem - wygodnie, szybko i bezpiecznie

Projekt z budową to:

  • gwarancja niezmiennego kosztu budowy

  • krótki czas realizacji - dom gotowy nawet w 6 miesięcy

  • wieloletnia gwarancja na konstrukcję domu

Elewacje

Frontowa
Tylna
Lewa
Prawa

Usytuowanie na działce

Czy ten projekt pasuje na
Twoją działkę?

Chętnie to sprawdzimy!

Czy ten projekt pasuje na
Twoją działkę?

Chętnie to sprawdzimy!

Dowiedz się:

  • czy zmieści się na niej wybrany przez Ciebie dom
  • jakie parametry musi spełniać dom według miejscowego planu zagospodarowania lub warunków zabudowy (np. kąt nachylenia i typ dachu, liczba kondygnacji itp.
  • jakie inne projekty pasują na Twoją działkę – znajdziemy je dla Ciebie!
Autor: Dom to Dom

Dane techniczne projektu

Powierzchnie i wymiary Powierzchnie i wymiary

Powierzchnia użytkowa
Tooltip
Suma powierzchni wszystkich pomieszczeń mieszkalnych, pomniejszona o pow. garażu, kotłowni, strychu, piwnicy. Jest liczona w 100% dla pomieszczeń o wysokości powyżej 2,2 m, w 50% dla pomieszczeń o wys. 2,2-1,4 m i niewliczana dla niższych niż 1,4 m.

137,71 m²

Powierzchnia zabudowy
Tooltip
Powierzchnia zajmowana przez część na- oraz nadziemną budynku liczona, jako rzut pionowy budynku na działkę.

234,19 m²

Powierzchnia całkowita
Tooltip
Całkowita powierzchnia wszystkich kondygnacji budynku łącznie z elementami nośnymi, takimi jak ściany zewnętrzne (z ociepleniem), słupy, tarasy, itp.

183,64 m²

Kubatura netto
Tooltip
Zazwyczaj jest to suma kubatur (objętości) pomieszczeń budynku, bez strychu, liczonych po zewnętrznym obrysie murów (z ociepleniem).

495,24 m³

Kubatura brutto
Tooltip
Zazwyczaj jest to suma kubatur (objętości) wszystkich pomieszczeń budynku, liczonych po zewnętrznym obrysie murów (z ociepleniem).

1 181,45 m³

Powierzchnia dachu

344,95 m²

Kąt nachylenia dachu
Tooltip
Nachylenie połaci dachu głównego podawane w stopniach. Uwaga! W niektórych projektach występuje więcej niż jedno nachylenie dachu.

30°

Wysokość budynku
Tooltip
Wysokość liczona od części budynku położonej najniżej przy powierzchni terenu do najwyższego punktu dachu (kalenicy) z wyłączeniem kominów.

6,79 m

Min. szerokość działki
Tooltip
Najmniejsza możliwa szerokość działki niezbędna do wybudowania wybranego domu. Składa się z szerokości elewacji domu powiększonej z obu stron o 3 m dla ściany bez otworów drzwiowych/okiennych lub 4 m, dla ściany z otworami.

24,92 m

Min. długość działki
Tooltip
Najmniejsza możliwa długość działki niezbędna do wybudowania wybranego domu. Składa się z długości elewacji domu powiększonej z obu stron o 3 m dla ściany bez otworów drzwiowych/okiennych lub 4 m, dla ściany z otworami.

26,05 m

Energooszczędność Energooszczędność

Oze Czym jest OZE (Odnawialne Źródło Energii)?
Ogrzewanie główne

Gazowe lub paliwo stałe (OZE) - do wyboru na etapie adaptacji

Interesuje Cię inne źródło ogrzewania? Wyślij zapytanie lub zadzwoń do doradcy

Warunki techniczne

Projekt zgody z WT 2021

Technologia i konstrukcja Technologia i konstrukcja

Konstrukcja

Murowana

PROJEKT Z BUDOWĄ Istnieje możliwość zaadaptowania tego projektu do technologii prefabrykowanej/modułowej i budowy nawet w 6 miesięcy ze stałym kosztem budowy

Dowiedz się więcej »
Opis szczegółowy

Ściany zewnętrzne: dwuwarstwowe, bloczek gazobetonowy + styropian/wełna. Strop: płyta żelbetowa. Schody: brak. Ścianka kolankowa: brak. Dach: wielospadowy, nachylenie 30°, pokrycie z dachówki.

Strop

Żelbetowy

Reklama
Okna i drzwi tarasowe

Nowoczesne okna PVC i aluminiowe WIŚNIOWSKI – doskonała izolacja, elegancki design i niezrównana trwałość.

Wiśniowski
Sprawdź parametry!
Okna dachowe

Oferujemy bezpłatne konsultacje w zakresie wszystkich rozwiązań VELUX. Wyceny, porady dotyczące doboru okien i rolet zewnętrznych - sprawdź!

Velux
Sprawdź szczegóły
Płytki ceramiczne i gresy

Od małych formatów po wielkoformatowe gresy. Marmur, beton, drewno, kamień, lastryko czy cegiełki zamówisz wygodnie online z szybką dostawą.

Ceramzet
Sprawdź ofertę
Drzwi

Ciepłe drzwi WIŚNIOWSKI z kontrolą dostępu. Szeroka gama wzorów i kolorów.

Wiśniowski
Wybierz najlepsze
Bramy garażowe

Automatyczne bramy garażowe segmentowe i uchylne WIŚNIOWSKI na wymiar i z systemem smart home w standardzie.

Wiśniowski
Sprawdź ofertę!
Armatura i ceramika łazienkowa

Topowi producenci. Baterie łazienkowe, zestawy natynkowe i podtynkowe, umywalki, wanny, miski WC oraz kabiny zamówisz kompleksowo online.

Ceramzet II
Dowiedz się więcej
Rekuperacja

Alnor - kompletny system rekuperacji. Dobierz idealne rozwiązanie dla Twojego domu!

Alnor
Dobierz rekuperator
Gruntowe pompy ciepła

Przeprowadzimy kompletną instalację najbardziej oszczędnego źródła ciepła w Twoim nowym domu - gruntowej pompy ciepła. Od dokumentacji, pozwoleń, po odwierty i instalację.

Geothermal Solutions
Dowiedz się więcej

Gotowe domy modułowe (114)

Zobacz wszystkie
Stan deweloperski nawet w 6 miesięcy Gwarancja stałej ceny
Zdjęcie 1 projektu Dom prefabrykowany P.5 HPK1004
Pow. użytkowa
138,67 m²
Pokoje
5
772 700 zł 5 572 zł/m²
Zdjęcie 1 projektu Dom prefabrykowany DEX136 HDX1002
Pow. użytkowa
136 m²
Pokoje
4
845 000 zł 6 213 zł/m²
Zdjęcie 1 projektu Dom prefabrykowany P.1 z okapem HPK1000
Pow. użytkowa
139,44 m²
Pokoje
3
721 000 zł 5 171 zł/m²
Zdjęcie 1 projektu Dom prefabrykowany P.1 bez okapu HPK1012
Pow. użytkowa
139,44 m²
Pokoje
3
699 800 zł 5 019 zł/m²
Zdjęcie 1 projektu Dom prefabrykowany Piętrowy 130C HFX1023
Pow. użytkowa
132 m²
Pokoje
4
539 000 zł 4 083 zł/m²
Zdjęcie 1 projektu Dom prefabrykowany Piętrowy 130B HFX1022
Pow. użytkowa
131,60 m²
Pokoje
5
539 000 zł 4 096 zł/m²
Zdjęcie 1 projektu Dom prefabrykowany Piętrowy 130A HFX1021
Pow. użytkowa
130,40 m²
Pokoje
4
539 000 zł 4 133 zł/m²
Zdjęcie 1 projektu Dom szkieletowy Open Sky 195 HHT1029
Pow. użytkowa
145,04 m²
Pokoje
4
940 300 zł 6 483 zł/m²

Opis projektu domu
Bali N 2G

Bali N 2G to dom parterowy z garażem, który posiada 2 stanowiska. Elewacja łączy w sobie naturalne materiały, takie jak: białe tynki, kamienną okładzinę i drewniane wykończenie części ścian, tarasów i podestów, dając ciekawe efekty.  Dom wygląda lekko, świeżo i ciepło. Dach pokryty czarną dachówką zwieńcza niską bryłę. Na tarasie stoi drewniana pergola. Można rozłożyć na niej materiałową membranę chroniącą przed słońcem, tworząc miły zakątek do spędzania wolnego czasu. W domu zaplanowano przestronny pokój dzienny z z wydzieloną kuchnią, 3 dodatkowymi pokojami oraz ustawną łazienkę dla strefy nocnej i osobną dla gości. W strefie frontowej zlokalizowano wiatrołap z pojemnymi szafami na odzież wierzchnią oraz przestronny garaż dwustanowiskowy, z którego zapewniono dostęp do kotłowni. Przy kuchni zaplanowano pomieszczenie mogące służyć jako spiżarnia. Ponadto, w korytarzu przy łazience wygospodarowano pomieszczenie gospodarcze, dając dodatkowe miejsce do składowania sprzętów domowego użytku.
Czytaj więcej

Informacje dodatkowe

Dokumentacja zabezpieczona jest specjalną plombą, której usunięcie uniemożliwi zwrot oraz wymianę projektu. Zapraszamy do zamówienia przed zakupem rysunków szczegółowych projektu oraz analizy posiadanej działki w celu upewnienia się, że wybrany projekt domu idealnie na nią pasuje. Do projektu zostanie dołączony opis techniczny, służący do weryfikacji projektu po odbiorze zamówienia bez konieczności otwierania pełnej dokumentacji projektowej.

Czytaj więcej

Polecani producenci

Prefabrykowane konstrukcje dachowe

tło producenta

WIĄZAR POLSKA

Zobacz więcej

Sprawdź nową generację okien GREENVIEW

tło producenta

FAKRO

Sprawdź nową generację okien GREENVIEW

Styropian, tynki, farby, kleje

tło producenta

Termo Organika

Poznaj super jakość

Okna, drzwi, osłony przeciwsłoneczne

tło producenta

Aluprof

Sprawdź ofertę

Kompletne systemy rekuperacji

tło producenta

Alnor

Dowiedz się więcej

Sprawdź nowy system DACHRYNNA

tło producenta

Galeco

Sprawdź ofertę
Zobacz więcej

Społeczność projektu domu
Bali N 2G w budowie

Dołącz do społeczności osób, które budują ten dom lub są zainteresowane jego budową.

  • Oglądaj zdjęcia z budowy
  • Zadawaj pytania
  • Wymieniaj się doświadczeniami

Opinie o projekcie domu Bali N 2G

Ocena

Ten projekt nie ma jeszcze opinii, bądź pierwszy!

Dodaj opinię

ASYSTENT WYBORU PROJEKTU

Szukasz idealnego projektu? Znajdziemy go dla Ciebie!

Doradca na podstawie Twoich wskazówek przygotuje spersonalizowaną listę projektów

Graficzne opracowanie rzutów poglądowych widocznych na karcie projektu zostało wykonane przez Extradom.pl. Prezentowane przez Extradom.pl wizualizacje wykonane zostały przez autora projektu i należy poczytywać je jedynie za przykład i propozycję wykończenia, wizję architektoniczną autora projektu. Ostateczne wykończenie budynku może nastąpić na wiele sposobów. Szczegółowe rozwiązania zastosowane w oferowanej dokumentacji - w tym również ilość, lokalizacje i wygląd okien, drzwi, kominów - mogą w niewielkim stopniu różnić się od prezentowanej wizualizacji budynku.

Extradom.pl Spółka z ograniczoną odpowiedzialnością z siedzibą przy ul. Jaworskiej 13, 53-612 Wrocław, wpisana do rejestru przedsiębiorców Krajowego Rejestru Sądowego przez Sąd Rejonowy dla Wrocławia-Fabrycznej we Wrocławiu, VI Wydział Gospodarczy Krajowego Rejestru Sądowego do pod numerem KRS 0000648746, numer NIP 895-17-18-333, o kapitale zakładowym 708 150,00 zł uprzejmie informuje, iż poprzez serwis Extradom.pl umożliwia m.in. zapoznanie się przez konsumentów z ofertą handlową Partnerów Extradom.pl, którzy stosują metody budowy domów przy wykorzystaniu różnego rodzaju technologie prefabrykacji bądź modułowe (tzw. „Gotowe domy”).

Extradom.pl nie prowadzi jednakże sprzedaży ani nie oferuje usług polegających na doradztwie finansowym, prawnym ani podatkowym w zakresie inwestycji realizowanych w technologiach tzw. „Gotowych domów”. Informacje prezentowane w serwisie Extradom.pl dotyczące Partnerów Extradom.pl oferujących realizację inwestycji w technologiach „Gotowych domów” lub podobnych mają charakter informacyjny i reklamowy.

Prezentowane w serwisie Extradom.pl informacje dotyczące stosowanych przez Partnerów metod budowy domów w technologii prefabrykacji bądź modułowej pochodzą od Partnerów Extradom.pl.

Extradom.pl sp. z o.o. jedynie umożliwia nawiązanie kontaktu przez Użytkownika z Partnerem Extradom.pl stosującym tego rodzaju technologie budowy domów i nie jest stroną umowy o roboty budowlane zawieranej przez Użytkownika Extradom.pl z Partnerem Extradom.pl.

REKLAMA
Zamknij