Projekty nawet 500 zł taniej ❄️

Koniec oferty za:

00godz.

00min.

00sek.

Sprawdź

Projekt domu Aosta KRH1317

Dodano!
Dodano!

Warstwy

Warstwy

Rzut parteru

Powierzchnia (m²)
Tooltip
Powierzchnia pomieszczenia
to ta, z której faktycznie możesz korzystać – skosy i niskie części poddasza są liczone częściowo lub wcale.
  1. 100% dla wysokości powyżej 2,2 m,
  2. 50% dla wysokości 1,4–2,2 m,
  3. nie liczymy poniżej 1,4 m.

Powierzchnia podłogi
Liczymy po obrysie pomieszczenia, bez względu na jego wysokość/skosy. Jeśli nie ma skosów to powierzchnia podłogi i pomieszczenia jest taka sama.
pomieszczenia
podłogi
1. Wiatrołap
6,43
6,43
2. Korytarz + schody
5,67
7,55
3. Pokój dzienny
27,91
27,91
4. Kuchnia
11,41
11,41
5. Spiżarnia
3,19
3,19
6. Wc
1,63
1,99
7. Garaż jednostanowiskowy
18,33
18,33
8. Kotłownia
5,16
5,16
Razem
79,73
81,97
Powierzchnia (m²)
Tooltip
Powierzchnia pomieszczenia
to ta, z której faktycznie możesz korzystać – skosy i niskie części poddasza są liczone częściowo lub wcale.
  1. 100% dla wysokości powyżej 2,2 m,
  2. 50% dla wysokości 1,4–2,2 m,
  3. nie liczymy poniżej 1,4 m.

Powierzchnia podłogi
Liczymy po obrysie pomieszczenia, bez względu na jego wysokość/skosy. Jeśli nie ma skosów to powierzchnia podłogi i pomieszczenia jest taka sama.
pomieszczenia
podłogi
1. Korytarz
10,76
10,76
2. Pokój
10,64
10,90
3. Garderoba
2,45
2,87
4. Pokój
12,17
13,53
5. Pokój
13,87
14,70
6. Garderoba
4,04
4,61
7. Łazienka
9,88
11,18
8. Schody
2,48
2,48
Razem
66,29
71,03

    Usytuowanie na działce

    Czy ten projekt pasuje na
    Twoją działkę?

    Chętnie to sprawdzimy!

    Dowiedz się:

    • czy zmieści się na niej wybrany przez Ciebie dom
    • jakie parametry musi spełniać dom według miejscowego planu zagospodarowania lub warunków zabudowy (np. kąt nachylenia i typ dachu, liczba kondygnacji itp.
    • jakie inne projekty pasują na Twoją działkę – znajdziemy je dla Ciebie!

Pow. użytkowa

146,02 m²

Pokoje

3

Łazienki i WC

2

Garaż

1

Min. szer. i dł. działki

20,4 x 16,70 m

Kąt dachu

40°

Konstrukcja

Murowana
więcej

Aosta - KRH1317

ikona 146,02 m²
Powierzchnia użytkowa
ikona3
Pokoje (bez salonu)
ikona 2
Łazienki (z toaletami)
ikona 1
Liczba stanowisk garażowych
(z wiatą garażową)
ikona
Konstrukcja: Murowana

Projekt został
wycofany z oferty

W razie pytań prosimy o kontakt
z Centrum Obsługi Klienta
Konsultant Masz pytania?
Zadzwoń
71 715 20 60

pon.-pt. 8-21, sob. 9-17

Parter - 79,73 m²

Parter projektu Aosta

Zapytaj, co możesz zmienić

Powierzchnia (m²)
Tooltip
Powierzchnia pomieszczenia
to ta, z której faktycznie możesz korzystać – skosy i niskie części poddasza są liczone częściowo lub wcale.
  1. 100% dla wysokości powyżej 2,2 m,
  2. 50% dla wysokości 1,4–2,2 m,
  3. nie liczymy poniżej 1,4 m.

Powierzchnia podłogi
Liczymy po obrysie pomieszczenia, bez względu na jego wysokość/skosy. Jeśli nie ma skosów to powierzchnia podłogi i pomieszczenia jest taka sama.
pomieszczenia
podłogi
1. Wiatrołap
6,43
6,43
2. Korytarz + schody
5,67
7,55
3. Pokój dzienny
27,91
27,91
4. Kuchnia
11,41
11,41
5. Spiżarnia
3,19
3,19
6. Wc
1,63
1,99
7. Garaż jednostanowiskowy
18,33
18,33
8. Kotłownia
5,16
5,16
Razem
79,73
81,97

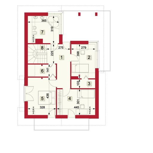
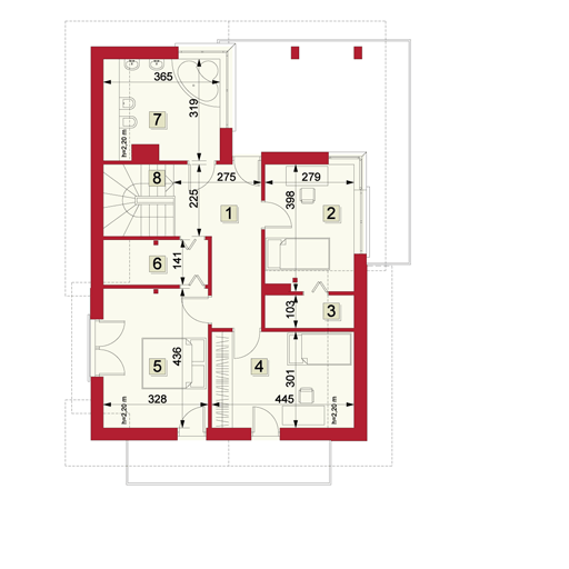
Poddasze - 66,29 m²

Poddasze projektu Aosta

Zapytaj, co możesz zmienić

Powierzchnia (m²)
Tooltip
Powierzchnia pomieszczenia
to ta, z której faktycznie możesz korzystać – skosy i niskie części poddasza są liczone częściowo lub wcale.
  1. 100% dla wysokości powyżej 2,2 m,
  2. 50% dla wysokości 1,4–2,2 m,
  3. nie liczymy poniżej 1,4 m.

Powierzchnia podłogi
Liczymy po obrysie pomieszczenia, bez względu na jego wysokość/skosy. Jeśli nie ma skosów to powierzchnia podłogi i pomieszczenia jest taka sama.
pomieszczenia
podłogi
1. Korytarz
10,76
10,76
2. Pokój
10,64
10,90
3. Garderoba
2,45
2,87
4. Pokój
12,17
13,53
5. Pokój
13,87
14,70
6. Garderoba
4,04
4,61
7. Łazienka
9,88
11,18
8. Schody
2,48
2,48
Razem
66,29
71,03

Podobne projekty (5727)

Zobacz wszystkie
NIŻSZA CENA❄️
Zdjęcie 1 projektu Narcyz WAH2009
Narcyz
Dodano!
Dodano!
125,06 m²
5
2
1

5 592 zł

6 990 zł

Tooltip

Cena regularna

5 242 zł najniższa cena
Tooltip

Najniższa cena z 30 dni
przed obniżką

NIŻSZA CENA❄️
Zdjęcie 1 projektu HomeKoncept 131 KRX1279
HomeKoncept 131
Dodano!
Dodano!
134,40 m²
4
2
0

6 090 zł

6 590 zł

Tooltip

Cena regularna

5 601 zł najniższa cena
Tooltip

Najniższa cena z 30 dni
przed obniżką

NIŻSZA CENA❄️
Zdjęcie 1 projektu Ajaks WOE1072
Ajaks
Dodano!
Dodano!
127,33 m²
4
2
1

4 299 zł

4 399 zł

Tooltip

Cena regularna

4 199 zł najniższa cena
Tooltip

Najniższa cena z 30 dni
przed obniżką

NIŻSZA CENA❄️
Zdjęcie 1 projektu Nikolas G1 energo WRC2665
Nikolas G1 energo
Dodano!
Dodano!
135,76 m²
4
3
1

4 080 zł

5 100 zł

Tooltip

Cena regularna

4 080 zł najniższa cena
Tooltip

Najniższa cena z 30 dni
przed obniżką

NIŻSZA CENA❄️
Zdjęcie 1 projektu Amor Bis WOE1100
Amor Bis
Dodano!
Dodano!
136,43 m²
4
2
0

4 199 zł

4 299 zł

Tooltip

Cena regularna

4 099 zł najniższa cena
Tooltip

Najniższa cena z 30 dni
przed obniżką

NIŻSZA CENA❄️
Zdjęcie 1 projektu Ajaks Bis WOE1088
Ajaks Bis
Dodano!
Dodano!
127,26 m²
4
2
1

4 299 zł

4 399 zł

Tooltip

Cena regularna

4 199 zł najniższa cena
Tooltip

Najniższa cena z 30 dni
przed obniżką

Zdjęcie 1 projektu Domena 203 A1 WRW1335
Domena 203 A1
Dodano!
Dodano!
138,68 m²
5
2
1

4 500 zł

NIŻSZA CENA❄️
Zdjęcie 1 projektu Nastrój III P KDX1012
Nastrój III P
Dodano!
Dodano!
143,20 m²
4
2
0

7 500 zł

8 000 zł

Tooltip

Cena regularna

7 300 zł najniższa cena
Tooltip

Najniższa cena z 30 dni
przed obniżką

Elewacje

Frontowa
Tylna
Lewa
Prawa

Usytuowanie na działce

Czy ten projekt pasuje na
Twoją działkę?

Chętnie to sprawdzimy!

Czy ten projekt pasuje na
Twoją działkę?

Chętnie to sprawdzimy!

Dowiedz się:

  • czy zmieści się na niej wybrany przez Ciebie dom
  • jakie parametry musi spełniać dom według miejscowego planu zagospodarowania lub warunków zabudowy (np. kąt nachylenia i typ dachu, liczba kondygnacji itp.
  • jakie inne projekty pasują na Twoją działkę – znajdziemy je dla Ciebie!
Autor: Archigraph

Dane techniczne projektu

Powierzchnie i wymiary Powierzchnie i wymiary

Powierzchnia użytkowa
Tooltip
Suma powierzchni wszystkich pomieszczeń mieszkalnych, pomniejszona o pow. garażu, kotłowni, strychu, piwnicy. Jest liczona w 100% dla pomieszczeń o wysokości powyżej 2,2 m, w 50% dla pomieszczeń o wys. 2,2-1,4 m i niewliczana dla niższych niż 1,4 m.

146,02 m²

Powierzchnia zabudowy
Tooltip
Powierzchnia zajmowana przez część na- oraz nadziemną budynku liczona, jako rzut pionowy budynku na działkę.

108,52 m²

Powierzchnia dachu

173 m²

Kąt nachylenia dachu
Tooltip
Nachylenie połaci dachu głównego podawane w stopniach. Uwaga! W niektórych projektach występuje więcej niż jedno nachylenie dachu.

40°

Wysokość budynku
Tooltip
Wysokość liczona od części budynku położonej najniżej przy powierzchni terenu do najwyższego punktu dachu (kalenicy) z wyłączeniem kominów.

8,55 m

Min. szerokość działki
Tooltip
Najmniejsza możliwa szerokość działki niezbędna do wybudowania wybranego domu. Składa się z szerokości elewacji domu powiększonej z obu stron o 3 m dla ściany bez otworów drzwiowych/okiennych lub 4 m, dla ściany z otworami.

20,40 m

Min. długość działki
Tooltip
Najmniejsza możliwa długość działki niezbędna do wybudowania wybranego domu. Składa się z długości elewacji domu powiększonej z obu stron o 3 m dla ściany bez otworów drzwiowych/okiennych lub 4 m, dla ściany z otworami.

16,70 m

Energooszczędność Energooszczędność

Oze Czym jest OZE (Odnawialne Źródło Energii)?
Warunki techniczne

Projekt zgody z WT 2021

Technologia i konstrukcja Technologia i konstrukcja

Konstrukcja

Murowana

Opis szczegółowy

Technologia budowy ścian: dwuwarstwowe z pustaków ceramicznych POROTHERM + ocieplenie.

Reklama
Okna i drzwi tarasowe

Nowoczesne okna PVC i aluminiowe WIŚNIOWSKI – doskonała izolacja, elegancki design i niezrównana trwałość.

Wiśniowski
Sprawdź parametry!
Okna dachowe

Oferujemy bezpłatne konsultacje w zakresie wszystkich rozwiązań VELUX. Wyceny, porady dotyczące doboru okien i rolet zewnętrznych - sprawdź!

Velux
Sprawdź szczegóły
Płytki ceramiczne i gresy

Od małych formatów po wielkoformatowe gresy. Marmur, beton, drewno, kamień, lastryko czy cegiełki zamówisz wygodnie online z szybką dostawą.

Ceramzet
Sprawdź ofertę
Drzwi

Ciepłe drzwi WIŚNIOWSKI z kontrolą dostępu. Szeroka gama wzorów i kolorów.

Wiśniowski
Wybierz najlepsze
Bramy garażowe

Automatyczne bramy garażowe segmentowe i uchylne WIŚNIOWSKI na wymiar i z systemem smart home w standardzie.

Wiśniowski
Sprawdź ofertę!
Armatura i ceramika łazienkowa

Topowi producenci. Baterie łazienkowe, zestawy natynkowe i podtynkowe, umywalki, wanny, miski WC oraz kabiny zamówisz kompleksowo online.

Ceramzet II
Dowiedz się więcej
Rekuperacja

Alnor - kompletny system rekuperacji. Dobierz idealne rozwiązanie dla Twojego domu!

Alnor
Dobierz rekuperator
Gruntowe pompy ciepła

Przeprowadzimy kompletną instalację najbardziej oszczędnego źródła ciepła w Twoim nowym domu - gruntowej pompy ciepła. Od dokumentacji, pozwoleń, po odwierty i instalację.

Geothermal Solutions
Dowiedz się więcej

Gotowe domy modułowe (114)

Zobacz wszystkie
Stan deweloperski nawet w 6 miesięcy Gwarancja stałej ceny
Zdjęcie 1 projektu Dom szkieletowy Open Sky 195 HHT1029
Pow. użytkowa
145,04 m²
Pokoje
4
940 300 zł 6 483 zł/m²
Zdjęcie 1 projektu Dom prefabrykowany Stodoła 150B HFX1025
Pow. użytkowa
151,30 m²
Pokoje
4
589 000 zł 3 893 zł/m²
Zdjęcie 1 projektu Dom prefabrykowany Stodoła 150A HFX1024
Pow. użytkowa
152,20 m²
Pokoje
5
589 000 zł 3 870 zł/m²
Zdjęcie 1 projektu Dom prefabrykowany P.1 z okapem HPK1000
Pow. użytkowa
139,44 m²
Pokoje
3
721 000 zł 5 171 zł/m²
Zdjęcie 1 projektu Dom prefabrykowany P.1 bez okapu HPK1012
Pow. użytkowa
139,44 m²
Pokoje
3
699 800 zł 5 019 zł/m²
Zdjęcie 1 projektu Dom prefabrykowany Stodoła 150C HFX1026
Pow. użytkowa
152,90 m²
Pokoje
5
589 000 zł 3 852 zł/m²
Zdjęcie 1 projektu Dom prefabrykowany P.5 HPK1004
Pow. użytkowa
138,67 m²
Pokoje
5
772 700 zł 5 572 zł/m²
Zdjęcie 1 projektu Dom prefabrykowany DEX136 HDX1002
Pow. użytkowa
136 m²
Pokoje
4
845 000 zł 6 213 zł/m²

Opis projektu domu
Aosta

Projekt domu Aosta jest doskonałym rozwiązaniem dla osób posiadających średniej szerokości działkę. Bryła budynku posiada formę prostą, co znacznie ułatwia proces budowy. W tym projekcie kalenica skierowana jest równolegle do drogi, co często określane jest w warunkach zabudowy. Kierowany jest do Inwestorów posiadających działkę pozwalającą na realizację projektu w zabudowie wolnostojącej. W projekcie zaplanowano garaż jednostanowiskowy w bryle budynku. Jest to również doskonała propozycja dla osób szukających domu z dachem dwuspadowym, i wykonanie więźby oraz jej pokrycie jest ekonomiczne i nie zajmuje wiele czasu. Projekt Aosta to dom parterowy z poddaszem użytkowym, dzięki czemu domownicy mogą cieszyć się większą prywatnością.Zwolenników przestronnych przestrzeni z pewnością ucieszy przewidziana w projekcie część dzienna. Doskonale przemyślane rozwiązania w kuchni dają wiele możliwości aranżacyjnych oraz ułatwią codzienne korzystanie. Uwzględniona w projekcie spiżarka znacznie ułatwi zachowanie porządku. Dodatkowo w salonie przewidziano kominek, nadający wnętrzu niepowtarzalny klimat. Na parterze znajduje się oddzielna ubikacja, która doskonale sprawdzi się w przypadku odwiedzin gości. W pełni funkcjonalną łazienkę dla domowników przewidziano zaś na poddaszu. Część nocną tworzą trzy sypialnie, które dobrze sprawdzą się w przypadku 2-4 osobowej rodziny. Przestrzeń można wykorzystać także jako pokój dla gości lub gabinet. Ciągłość pomiędzy wnętrzem domu a ogrodem zapewnia atrakcyjny taras. Projekt powstał z myślą o Inwestorach, którzy planują zbudować dom w technologii murowanej. Aosta jest doskonałą propozycją dla Inwestorów szukających domu nowoczesnego i idealnie wpisze się w trendy nowo powstających osiedli.
Czytaj więcej

Polecani producenci

Prefabrykowane konstrukcje dachowe

tło producenta

WIĄZAR POLSKA

Zobacz więcej

Sprawdź nową generację okien GREENVIEW

tło producenta

FAKRO

Sprawdź nową generację okien GREENVIEW

Styropian, tynki, farby, kleje

tło producenta

Termo Organika

Poznaj super jakość

Okna, drzwi, osłony przeciwsłoneczne

tło producenta

Aluprof

Sprawdź ofertę

Kompletne systemy rekuperacji

tło producenta

Alnor

Dowiedz się więcej

Sprawdź nowy system DACHRYNNA

tło producenta

Galeco

Sprawdź ofertę
Zobacz więcej

Społeczność projektu domu
Aosta w budowie

Dołącz do społeczności osób, które budują ten dom lub są zainteresowane jego budową.

  • Oglądaj zdjęcia z budowy
  • Zadawaj pytania
  • Wymieniaj się doświadczeniami

Opinie o projekcie domu Aosta

Ocena

Ten projekt nie ma jeszcze opinii, bądź pierwszy!

Dodaj opinię

Wywiady mieszkańców domu Aosta

Zdjęcie profilowe użytkownika Aosta Lubelskie Aosta Lubelskie

Zdecydowaliśmy się na projekt Aosta KRH1317, ponieważ idealnie wpisywał się w metraż naszej działki.Przede wszystkim zależało nam na domu z poddaszem użytkowym, a dodatkowo wymiary budynku były odpowiednie dla zachowania wszystkich przepisowych odległości np. od sąsiadów. Ze względu na złą pogodę i brak terminowości wykonawców rozpoczęcie naszej budowy odbyło się z opóźnieniem. Na szczęście, gdy już zaczęliśmy wszystko przebiegło bez problemów. Projekt był czytelny, a dom udało nam się postawić w dosyć krótkim czasie. Myślę, że przy sprawnej ekipie budowlanej taki budynek można zrealizować nawet w niecały rok. Ściany wymurowaliśmy z bloczków z betonu komórkowego i zdecydowaliśmy się na ocieplenie ich 15 cm warstwą styropianu. Strop wykonaliśmy systemem Teriva, a dach pokryliśmy tradycyjną dachówką. Koszty inwestycji nas nie zaskoczyły i mogę ocenić je jako umiarkowane. Aby dostosować projekt Aosta KRH1317 do naszych oczekiwań, musieliśmy wprowadzić w nim kilka modyfikacji. Zrezygnowaliśmy z garażu, a zamiast niego mamy dodatkowy pokój na parterze. Zrobiliśmy piwnicę pod ⅓ budynku i w niej zaaranżowaliśmy kotłownię. W jej pierwotnym miejscu mamy obecnie łazienkę, a powierzchnię dolnej ubikacji przeznaczyliśmy na zrobienie zejścia na najniższą kondygnację. Kosztem spiżarki powiększyliśmy kuchnię, a dodatkowo w tym pomieszczeniu urządziliśmy jadalnię. Dzięki temu, salon jest teraz naprawdę duży, chociaż myślę że aranżując część dzienną zgodnie z projektem również byłaby ona przestronna i wygodna. Oprócz tego zabudowaliśmy narożny balkon, uzyskując w ten sposób jeszcze jedną sypialnię na poddaszu. Na chwilę obecną myślę, że dobrym pomysłem byłoby także wygospodarowanie małej, oddzielnej toalety na parterze oraz zrobienie wejścia do kuchni bezpośrednio z wiatrołapu. Wracając z zakupów i chcąc je rozpakować muszę przejść przez salon, więc takie dodatkowe przejście z pewnością by się przydało. Oprócz tego cały nasz dom jest funkcjonalny. Powierzchnia salonu jest naprawdę duża i świetnie nadaje się do zorganizowania przyjęcia, chrztu czy komunii. Planując wigilię, sądzę że bez problemu zmieszczę w nim co najmniej 16 gości. Front naszego domu usytuowany jest na północ, a duża witryna w części wypoczynkowej wychodzi na południe. Przy takim ułożeniu nie mamy żadnych problemów z oświetleniem, tym bardziej, iż powiększyliśmy wymiary okien we wszystkich pomieszczeniach. Myślę, że warto zastanowić się nad rozmiarem długiego i wąskiego oszklenia w kuchni. Jeśli komuś zależy nad jej rozjaśnieniem, można je poszerzyć, ale z drugiej strony będzie to miało wpływ na ilość miejsca przeznaczonego na szafki. Jestem zadowolona z wyboru projektu domu parterowego z poddaszem użytkowym Aosta KRH1317. Wnętrze jest funkcjonalne, dzięki dobrym materiałom, które użyliśmy do jego wykończenia świetnie się prezentuje. Budynek jest zgrabny i z zewnątrz również bardzo dobrze wygląda. Polecam i pozdrawiam.

ASYSTENT WYBORU PROJEKTU

Szukasz idealnego projektu? Znajdziemy go dla Ciebie!

Doradca na podstawie Twoich wskazówek przygotuje spersonalizowaną listę projektów

Graficzne opracowanie rzutów poglądowych widocznych na karcie projektu zostało wykonane przez Extradom.pl. Prezentowane przez Extradom.pl wizualizacje wykonane zostały przez autora projektu i należy poczytywać je jedynie za przykład i propozycję wykończenia, wizję architektoniczną autora projektu. Ostateczne wykończenie budynku może nastąpić na wiele sposobów. Szczegółowe rozwiązania zastosowane w oferowanej dokumentacji - w tym również ilość, lokalizacje i wygląd okien, drzwi, kominów - mogą w niewielkim stopniu różnić się od prezentowanej wizualizacji budynku.

REKLAMA
Zamknij