Projekty nawet 500 zł taniej ❄️

Koniec oferty za:

0dni

00godz.

00min.

00sek.

Sprawdź

Projekt domu Dom przy Bukowej KRK1089

Dodano!
Dodano!

Warstwy

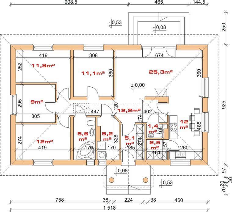
Rzut parteru

Powierzchnia (m²)
Tooltip
Powierzchnia pomieszczenia
to ta, z której faktycznie możesz korzystać – skosy i niskie części poddasza są liczone częściowo lub wcale.
  1. 100% dla wysokości powyżej 2,2 m,
  2. 50% dla wysokości 1,4–2,2 m,
  3. nie liczymy poniżej 1,4 m.

Powierzchnia podłogi
Liczymy po obrysie pomieszczenia, bez względu na jego wysokość/skosy. Jeśli nie ma skosów to powierzchnia podłogi i pomieszczenia jest taka sama.
pomieszczenia i podłogi
podłogi
1. Wiatrołap
5,10
2. Hall
12,20
3. Kotłownia
5,20
4. Łazienka
5,60
5. Pokój
12
6. Pokój
9
7. Pokój
11,80
8. Pokój
11,10
9. Pokój dzienny
25,30
10. Kuchnia
12
11. Spiżarnia
2,50
12. Wc
1,40
Razem
113,20
113,20

    Usytuowanie na działce

    Czy ten projekt pasuje na
    Twoją działkę?

    Chętnie to sprawdzimy!

    Dowiedz się:

    • czy zmieści się na niej wybrany przez Ciebie dom
    • jakie parametry musi spełniać dom według miejscowego planu zagospodarowania lub warunków zabudowy (np. kąt nachylenia i typ dachu, liczba kondygnacji itp.
    • jakie inne projekty pasują na Twoją działkę – znajdziemy je dla Ciebie!

Pow. użytkowa

108 m²

Pokoje

4

Łazienki i WC

2

Garaż

0

Min. szer. i dł. działki

23,2 x 18,15 m

Kąt dachu

30°

Konstrukcja

Murowana
więcej

Dom przy Bukowej - KRK1089

ikona 108 m²
Powierzchnia użytkowa
ikona4
Pokoje (bez salonu)
ikona 2
Łazienki (z toaletami)
ikona 0
Liczba stanowisk garażowych
(z wiatą garażową)
ikona
Konstrukcja: Murowana

Projekt został
wycofany z oferty

W razie pytań prosimy o kontakt
z Centrum Obsługi Klienta
Konsultant Masz pytania?
Zadzwoń
71 715 20 60

pon.-pt. 8-21, sob. 9-17

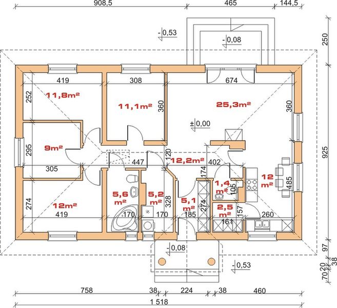
Parter - 113,20 m²

Parter projektu Dom przy Bukowej

Zapytaj, co możesz zmienić

Powierzchnia (m²)
Tooltip
Powierzchnia pomieszczenia
to ta, z której faktycznie możesz korzystać – skosy i niskie części poddasza są liczone częściowo lub wcale.
  1. 100% dla wysokości powyżej 2,2 m,
  2. 50% dla wysokości 1,4–2,2 m,
  3. nie liczymy poniżej 1,4 m.

Powierzchnia podłogi
Liczymy po obrysie pomieszczenia, bez względu na jego wysokość/skosy. Jeśli nie ma skosów to powierzchnia podłogi i pomieszczenia jest taka sama.
pomieszczenia i podłogi
podłogi
1. Wiatrołap
5,10
2. Hall
12,20
3. Kotłownia
5,20
4. Łazienka
5,60
5. Pokój
12
6. Pokój
9
7. Pokój
11,80
8. Pokój
11,10
9. Pokój dzienny
25,30
10. Kuchnia
12
11. Spiżarnia
2,50
12. Wc
1,40
Razem
113,20
113,20

Warianty projektu (38)

PROMOCJA
Projekt domu Dom przy Bukowej 28
Dom przy Bukowej 28
Dodano!
Dodano!
120 m²
3
2
0

3 790 zł

4 290 zł

Tooltip

Cena regularna

3 690 zł najniższa cena
Tooltip

Najniższa cena z 30 dni
przed obniżką

PROMOCJA
Projekt domu Dom przy Bukowej 21
Dom przy Bukowej 21
Dodano!
Dodano!
81,44 m²
3
1
0

3 290 zł

3 790 zł

Tooltip

Cena regularna

3 190 zł najniższa cena
Tooltip

Najniższa cena z 30 dni
przed obniżką

PROMOCJA
Projekt domu Dom przy Bukowej 30
Dom przy Bukowej 30
Dodano!
Dodano!
126,35 m²
4
2
0

3 790 zł

4 290 zł

Tooltip

Cena regularna

3 690 zł najniższa cena
Tooltip

Najniższa cena z 30 dni
przed obniżką

PROMOCJA
Projekt domu Dom przy Bukowej 39
Dom przy Bukowej 39
Dodano!
Dodano!
82,16 m²
2
2
0

3 790 zł

4 290 zł

Tooltip

Cena regularna

3 690 zł najniższa cena
Tooltip

Najniższa cena z 30 dni
przed obniżką

PROMOCJA
Projekt domu Dom przy Bukowej 41
Dom przy Bukowej 41
Dodano!
Dodano!
135 m²
4
3
0

3 490 zł

3 990 zł

Tooltip

Cena regularna

3 390 zł najniższa cena
Tooltip

Najniższa cena z 30 dni
przed obniżką

PROMOCJA
Projekt domu Dom przy Bukowej 29
Dom przy Bukowej 29
Dodano!
Dodano!
120 m²
4
2
0

3 790 zł

4 290 zł

Tooltip

Cena regularna

3 690 zł najniższa cena
Tooltip

Najniższa cena z 30 dni
przed obniżką

PROMOCJA
Projekt domu Dom przy Bukowej 38
Dom przy Bukowej 38
Dodano!
Dodano!
96,23 m²
3
2
0

3 690 zł

4 190 zł

Tooltip

Cena regularna

3 590 zł najniższa cena
Tooltip

Najniższa cena z 30 dni
przed obniżką

PROMOCJA
Projekt domu Dom przy Bukowej 34
Dom przy Bukowej 34
Dodano!
Dodano!
140 m²
4
3
2

3 790 zł

4 290 zł

Tooltip

Cena regularna

3 690 zł najniższa cena
Tooltip

Najniższa cena z 30 dni
przed obniżką

PROMOCJA
Projekt domu Dom przy Bukowej 25
Dom przy Bukowej 25
Dodano!
Dodano!
86,93 m²
3
2
0

3 790 zł

4 290 zł

Tooltip

Cena regularna

3 690 zł najniższa cena
Tooltip

Najniższa cena z 30 dni
przed obniżką

PROMOCJA
Projekt domu Dom przy Bukowej 47
Dom przy Bukowej 47
Dodano!
Dodano!
126,35 m²
4
2
0

3 790 zł

4 290 zł

Tooltip

Cena regularna

3 690 zł najniższa cena
Tooltip

Najniższa cena z 30 dni
przed obniżką

PROMOCJA
Projekt domu Dom przy Bukowej 12
Dom przy Bukowej 12
Dodano!
Dodano!
75 m²
3
1
0

3 290 zł

3 790 zł

Tooltip

Cena regularna

3 190 zł najniższa cena
Tooltip

Najniższa cena z 30 dni
przed obniżką

PROMOCJA
Projekt domu Dom przy Bukowej 32
Dom przy Bukowej 32
Dodano!
Dodano!
135 m²
4
3
2

3 790 zł

4 290 zł

Tooltip

Cena regularna

3 690 zł najniższa cena
Tooltip

Najniższa cena z 30 dni
przed obniżką

PROMOCJA
Projekt domu Dom przy Bukowej 19
Dom przy Bukowej 19
Dodano!
Dodano!
82,25 m²
3
2
1

3 390 zł

3 890 zł

Tooltip

Cena regularna

3 290 zł najniższa cena
Tooltip

Najniższa cena z 30 dni
przed obniżką

PROMOCJA
Projekt domu Dom przy Bukowej 56
Dom przy Bukowej 56
Dodano!
Dodano!
100 m²
3
2
0

3 490 zł

3 990 zł

Tooltip

Cena regularna

3 390 zł najniższa cena
Tooltip

Najniższa cena z 30 dni
przed obniżką

PROMOCJA
Projekt domu Dom przy Bukowej 42
Dom przy Bukowej 42
Dodano!
Dodano!
125 m²
4
3
2

3 490 zł

3 990 zł

Tooltip

Cena regularna

3 390 zł najniższa cena
Tooltip

Najniższa cena z 30 dni
przed obniżką

PROMOCJA
Projekt domu Dom przy Bukowej 5
Dom przy Bukowej 5
Dodano!
Dodano!
106,39 m²
4
2
0

3 290 zł

3 790 zł

Tooltip

Cena regularna

3 190 zł najniższa cena
Tooltip

Najniższa cena z 30 dni
przed obniżką

PROMOCJA
Projekt domu Dom przy Bukowej 33
Dom przy Bukowej 33
Dodano!
Dodano!
135 m²
4
3
2

3 990 zł

4 490 zł

Tooltip

Cena regularna

3 890 zł najniższa cena
Tooltip

Najniższa cena z 30 dni
przed obniżką

PROMOCJA
Projekt domu Dom przy Bukowej 45
Dom przy Bukowej 45
Dodano!
Dodano!
95 m²
3
2
0

3 490 zł

3 990 zł

Tooltip

Cena regularna

3 390 zł najniższa cena
Tooltip

Najniższa cena z 30 dni
przed obniżką

PROMOCJA
Projekt domu Dom przy Bukowej 50
Dom przy Bukowej 50
Dodano!
Dodano!
100 m²
4
2
0

3 090 zł

3 590 zł

Tooltip

Cena regularna

2 990 zł najniższa cena
Tooltip

Najniższa cena z 30 dni
przed obniżką

PROMOCJA
Projekt domu Dom przy Bukowej 9
Dom przy Bukowej 9
Dodano!
Dodano!
106,39 m²
4
2
0

3 190 zł

3 690 zł

Tooltip

Cena regularna

3 090 zł najniższa cena
Tooltip

Najniższa cena z 30 dni
przed obniżką

PROMOCJA
Projekt domu Dom przy Bukowej 11
Dom przy Bukowej 11
Dodano!
Dodano!
70 m²
3
1
0

3 090 zł

3 590 zł

Tooltip

Cena regularna

2 990 zł najniższa cena
Tooltip

Najniższa cena z 30 dni
przed obniżką

PROMOCJA
Projekt domu Dom przy Bukowej 44
Dom przy Bukowej 44
Dodano!
Dodano!
85,08 m²
3
2
0

3 390 zł

3 890 zł

Tooltip

Cena regularna

3 290 zł najniższa cena
Tooltip

Najniższa cena z 30 dni
przed obniżką

PROMOCJA
Projekt domu Dom przy Bukowej 10
Dom przy Bukowej 10
Dodano!
Dodano!
65 m²
3
1
0

2 790 zł

3 290 zł

Tooltip

Cena regularna

2 690 zł najniższa cena
Tooltip

Najniższa cena z 30 dni
przed obniżką

PROMOCJA
Projekt domu Dom przy Bukowej 22
Dom przy Bukowej 22
Dodano!
Dodano!
70,10 m²
3
1
0

3 290 zł

3 790 zł

Tooltip

Cena regularna

3 190 zł najniższa cena
Tooltip

Najniższa cena z 30 dni
przed obniżką

PROMOCJA
Projekt domu Dom przy Bukowej 7
Dom przy Bukowej 7
Dodano!
Dodano!
106,37 m²
3
2
1

2 790 zł

3 290 zł

Tooltip

Cena regularna

2 690 zł najniższa cena
Tooltip

Najniższa cena z 30 dni
przed obniżką

PROMOCJA
Projekt domu Dom przy Bukowej 55
Dom przy Bukowej 55
Dodano!
Dodano!
95 m²
3
2
0

3 490 zł

3 990 zł

Tooltip

Cena regularna

3 390 zł najniższa cena
Tooltip

Najniższa cena z 30 dni
przed obniżką

PROMOCJA
Projekt domu Dom przy Bukowej 20
Dom przy Bukowej 20
Dodano!
Dodano!
90 m²
3
2
1

3 490 zł

3 990 zł

Tooltip

Cena regularna

3 390 zł najniższa cena
Tooltip

Najniższa cena z 30 dni
przed obniżką

PROMOCJA
Projekt domu Dom przy Bukowej 23
Dom przy Bukowej 23
Dodano!
Dodano!
85,36 m²
3
2
0

3 190 zł

3 690 zł

Tooltip

Cena regularna

3 090 zł najniższa cena
Tooltip

Najniższa cena z 30 dni
przed obniżką

PROMOCJA
Projekt domu Dom przy Bukowej 15
Dom przy Bukowej 15
Dodano!
Dodano!
70 m²
2
1
0

2 890 zł

3 390 zł

Tooltip

Cena regularna

2 790 zł najniższa cena
Tooltip

Najniższa cena z 30 dni
przed obniżką

PROMOCJA
Projekt domu Dom przy Bukowej 17
Dom przy Bukowej 17
Dodano!
Dodano!
75,90 m²
3
1
1

2 790 zł

3 290 zł

Tooltip

Cena regularna

2 690 zł najniższa cena
Tooltip

Najniższa cena z 30 dni
przed obniżką

PROMOCJA
Projekt domu Dom przy Bukowej 18
Dom przy Bukowej 18
Dodano!
Dodano!
65 m²
2
1
0

2 790 zł

3 290 zł

Tooltip

Cena regularna

2 690 zł najniższa cena
Tooltip

Najniższa cena z 30 dni
przed obniżką

PROMOCJA
Projekt domu Dom przy Bukowej 37
Dom przy Bukowej 37
Dodano!
Dodano!
120 m²
4
2
2

3 790 zł

4 290 zł

Tooltip

Cena regularna

3 690 zł najniższa cena
Tooltip

Najniższa cena z 30 dni
przed obniżką

PROMOCJA
Projekt domu Dom przy Bukowej 58
Dom przy Bukowej 58
Dodano!
Dodano!
95 m²
3
2
0

3 490 zł

3 990 zł

Tooltip

Cena regularna

3 390 zł najniższa cena
Tooltip

Najniższa cena z 30 dni
przed obniżką

PROMOCJA
Projekt domu Dom przy Bukowej 35
Dom przy Bukowej 35
Dodano!
Dodano!
28,40 m²
1
1
1

1 890 zł

2 390 zł

Tooltip

Cena regularna

1 790 zł najniższa cena
Tooltip

Najniższa cena z 30 dni
przed obniżką

PROMOCJA
Projekt domu Dom przy Bukowej 35A
Dom przy Bukowej 35A
Dodano!
Dodano!
28,40 m²
1
1
1

1 890 zł

2 390 zł

Tooltip

Cena regularna

1 790 zł najniższa cena
Tooltip

Najniższa cena z 30 dni
przed obniżką

PROMOCJA
Projekt domu Dom przy Bukowej 57
Dom przy Bukowej 57
Dodano!
Dodano!
100 m²
3
2
0

3 490 zł

3 990 zł

Tooltip

Cena regularna

3 390 zł najniższa cena
Tooltip

Najniższa cena z 30 dni
przed obniżką

PROMOCJA
Projekt domu Dom przy Bukowej 8
Dom przy Bukowej 8
Dodano!
Dodano!
106,37 m²
3
2
2

2 790 zł

3 290 zł

Tooltip

Cena regularna

2 690 zł najniższa cena
Tooltip

Najniższa cena z 30 dni
przed obniżką

PROMOCJA
Projekt domu Dom przy Bukowej 16
Dom przy Bukowej 16
Dodano!
Dodano!
65 m²
3
1
1

2 790 zł

3 290 zł

Tooltip

Cena regularna

2 690 zł najniższa cena
Tooltip

Najniższa cena z 30 dni
przed obniżką

Podobne projekty (6829)

Zobacz wszystkie
Nowość
Zdjęcie 1 projektu Adela Sto (1954) KRD3087
Adela Sto (1954)
Dodano!
Dodano!
99,90 m²
3
2
2

3 512 zł

Zdjęcie 1 projektu N37-BG KKG1029
N37-BG
Dodano!
Dodano!
100,18 m²
4
2
0

5 100 zł

Nowość
Zdjęcie 1 projektu Kordian Meta (1945) KRD3080
Kordian Meta (1945)
Dodano!
Dodano!
99,90 m²
3
2
2

3 512 zł

Nowość
Zdjęcie 1 projektu Felek Sto (1943) KRD3082
Felek Sto (1943)
Dodano!
Dodano!
98,60 m²
3
2
0

3 192 zł

Zdjęcie 1 projektu California 2 BBE1037
California 2
Dodano!
Dodano!
105,60 m²
3
2
0

3 700 zł

Zdjęcie 1 projektu Hana 3 BSE1206
Hana 3
Dodano!
Dodano!
109,48 m²
3
2
0

5 000 zł

NIŻSZA CENA❄️
Zdjęcie 1 projektu Tracja 8 WOE1145
Tracja 8
Dodano!
Dodano!
116,04 m²
3
2
0

3 999 zł

4 099 zł

Tooltip

Cena regularna

3 899 zł najniższa cena
Tooltip

Najniższa cena z 30 dni
przed obniżką

Zdjęcie 1 projektu APS 336 wariant 3 + G ECO LUA1619
APS 336 wariant 3 + G ECO
Dodano!
Dodano!
109,90 m²
4
2
1

5 199 zł

Elewacje

Frontowa
Tylna
Lewa
Prawa

Przekroje

Przekrój pionowy

Usytuowanie na działce

Czy ten projekt pasuje na
Twoją działkę?

Chętnie to sprawdzimy!

Czy ten projekt pasuje na
Twoją działkę?

Chętnie to sprawdzimy!

Dowiedz się:

  • czy zmieści się na niej wybrany przez Ciebie dom
  • jakie parametry musi spełniać dom według miejscowego planu zagospodarowania lub warunków zabudowy (np. kąt nachylenia i typ dachu, liczba kondygnacji itp.
  • jakie inne projekty pasują na Twoją działkę – znajdziemy je dla Ciebie!
Autor: GALERIADOMOW.PL

Dane techniczne projektu

Powierzchnie i wymiary Powierzchnie i wymiary

Powierzchnia użytkowa
Tooltip
Suma powierzchni wszystkich pomieszczeń mieszkalnych, pomniejszona o pow. garażu, kotłowni, strychu, piwnicy. Jest liczona w 100% dla pomieszczeń o wysokości powyżej 2,2 m, w 50% dla pomieszczeń o wys. 2,2-1,4 m i niewliczana dla niższych niż 1,4 m.

108 m²

Powierzchnia zabudowy
Tooltip
Powierzchnia zajmowana przez część na- oraz nadziemną budynku liczona, jako rzut pionowy budynku na działkę.

145,70 m²

Kubatura brutto
Tooltip
Zazwyczaj jest to suma kubatur (objętości) wszystkich pomieszczeń budynku, liczonych po zewnętrznym obrysie murów (z ociepleniem).

489 m³

Powierzchnia dachu

214,50 m²

Kąt nachylenia dachu
Tooltip
Nachylenie połaci dachu głównego podawane w stopniach. Uwaga! W niektórych projektach występuje więcej niż jedno nachylenie dachu.

30°

Wysokość budynku
Tooltip
Wysokość liczona od części budynku położonej najniżej przy powierzchni terenu do najwyższego punktu dachu (kalenicy) z wyłączeniem kominów.

6,70 m

Min. szerokość działki
Tooltip
Najmniejsza możliwa szerokość działki niezbędna do wybudowania wybranego domu. Składa się z szerokości elewacji domu powiększonej z obu stron o 3 m dla ściany bez otworów drzwiowych/okiennych lub 4 m, dla ściany z otworami.

23,20 m

Min. długość działki
Tooltip
Najmniejsza możliwa długość działki niezbędna do wybudowania wybranego domu. Składa się z długości elewacji domu powiększonej z obu stron o 3 m dla ściany bez otworów drzwiowych/okiennych lub 4 m, dla ściany z otworami.

18,15 m

Energooszczędność Energooszczędność

Oze Czym jest OZE (Odnawialne Źródło Energii)?
Warunki techniczne

Projekt zgody z WT 2021

Technologia i konstrukcja Technologia i konstrukcja

Konstrukcja

Murowana

Opis szczegółowy

Ściany zewnętrzne: pustak 25 cm, styropian 15 cm. Ściany nośne: pustak 25 cm. Strop: monolityczny żelbetowy. Dach: kąt nachylenia 30°, pokrycie - dachówka ceramiczna lub betonowa.

Strop

Żelbetowy

Reklama
Okna i drzwi tarasowe

Nowoczesne okna PVC i aluminiowe WIŚNIOWSKI – doskonała izolacja, elegancki design i niezrównana trwałość.

Wiśniowski
Sprawdź parametry!
Okna dachowe

Oferujemy bezpłatne konsultacje w zakresie wszystkich rozwiązań VELUX. Wyceny, porady dotyczące doboru okien i rolet zewnętrznych - sprawdź!

Velux
Sprawdź szczegóły
Płytki ceramiczne i gresy

Od małych formatów po wielkoformatowe gresy. Marmur, beton, drewno, kamień, lastryko czy cegiełki zamówisz wygodnie online z szybką dostawą.

Ceramzet
Sprawdź ofertę
Drzwi

Ciepłe drzwi WIŚNIOWSKI z kontrolą dostępu. Szeroka gama wzorów i kolorów.

Wiśniowski
Wybierz najlepsze
Bramy garażowe

Automatyczne bramy garażowe segmentowe i uchylne WIŚNIOWSKI na wymiar i z systemem smart home w standardzie.

Wiśniowski
Sprawdź ofertę!
Armatura i ceramika łazienkowa

Topowi producenci. Baterie łazienkowe, zestawy natynkowe i podtynkowe, umywalki, wanny, miski WC oraz kabiny zamówisz kompleksowo online.

Ceramzet II
Dowiedz się więcej
Rekuperacja

Alnor - kompletny system rekuperacji. Dobierz idealne rozwiązanie dla Twojego domu!

Alnor
Dobierz rekuperator
Gruntowe pompy ciepła

Przeprowadzimy kompletną instalację najbardziej oszczędnego źródła ciepła w Twoim nowym domu - gruntowej pompy ciepła. Od dokumentacji, pozwoleń, po odwierty i instalację.

Geothermal Solutions
Dowiedz się więcej

Gotowe domy modułowe (114)

Zobacz wszystkie
Stan deweloperski nawet w 6 miesięcy Gwarancja stałej ceny
Zdjęcie 1 projektu Dom prefabrykowany P.8 HPK1007
Pow. użytkowa
108,05 m²
Pokoje
4
609 500 zł 5 641 zł/m²
Zdjęcie 1 projektu Dom keramzytowy Atrakcyjna Stodoła AS132G HAK1004
Pow. użytkowa
108,09 m²
Pokoje
3
635 500 zł 4 814 zł/m²
Zdjęcie 1 projektu ExtraBetonowy 1 HPK1017
Gotowy extraBetonowy 1
Dodano!
Dodano!
Pow. użytkowa
107,27 m²
Pokoje
3
531 160 zł 4 952 zł/m²
Zdjęcie 1 projektu Dom keramzytowy Essenzia 110 HRK1001
Pow. użytkowa
107 m²
Pokoje
3
474 120 zł 4 431 zł/m²
Zdjęcie 1 projektu Dom keramzytowy Atrakcyjna Stodoła AS110 HAK1005
Pow. użytkowa
109,71 m²
Pokoje
4
532 520 zł 4 854 zł/m²
Zdjęcie 1 projektu Dom prefabrykowany DEX106 HDX1001
Pow. użytkowa
106 m²
Pokoje
3
685 000 zł 6 462 zł/m²
Zdjęcie 1 projektu Dom szkieletowy Functional Smart 110 HHT1018
Pow. użytkowa
110,12 m²
Pokoje
3
525 337 zł 4 771 zł/m²
Zdjęcie 1 projektu Dom szkieletowy Green Smart 120 HHT1027
Pow. użytkowa
105,59 m²
Pokoje
5
586 400 zł 5 554 zł/m²

Opis projektu domu
Dom przy Bukowej

Projekt domu Dom przy Bukowej zaprojektowany z myślą o inwestorach posiadających średniej szerokości działkę. Dom charakteryzuje się prostą bryłą, więc jego realizacja nie pochłonie zbyt wielu środków finansowych. Projekt ma usytuowaną kalenicę równolegle do drogi, co jest bardzo istotnie, gdy wymaga tego plan zagospodarowania przestrzennego. Jest przeznaczony do zabudowy wolnostojącej. Projekt jest idealną propozycją dla osób zainteresowanych domem z dachem kopertowym, który charakteryzuje się dużą odpornością na działanie niesprzyjających warunków pogodowych. Projekt Dom przy Bukowej to dom parterowy, co jest z pewnością ogromnym plusem w przypadku osób starszych, niepełnosprawnych oraz małżeństw z małymi dziećmi. Projekt domu charakteryzuje się przestronną strefą dzienną. Tworzy ją między innymi kuchnia, która będzie idealnym rozwiązaniem zarówno dla tradycyjnych, jak i nowoczesnych gospodyń domowych. Zwolenników praktycznych rozwiązań niewątpliwie ucieszy fakt, iż przewidziano także miejsce na spiżarkę. Ciekawym elementem jest z pewnością usytuowany w salonie kominek, który nada wnętrzu niepowtarzalny klimat. Oprócz funkcjonalnej łazienki w domu znajduje się jeszcze osobna toaleta, co jest szczególnie przydatne przy większej liczbie domowników. Strefa sypialniana składa się z pięciu pokoi, co jest doskonałą opcją dla dużej rodziny. Przestrzeń można wykorzystać także jako pokój dla gości lub gabinet. Wspólne grillowanie i rodzinne posiłki umili uwzględniony w projekcie taras. Zalecana przez architekta technologia murowana zapewnia trwałość i solidność konstrukcji. Jego wygląd nawiązuje do stylu dworkowego i idealnie wpisze się w wiejski krajobraz.
Czytaj więcej

Informacje dodatkowe

Projekt na etapie adaptacji należy dostosować do nowych przepisów.

Czytaj więcej

Polecani producenci

Prefabrykowane konstrukcje dachowe

tło producenta

WIĄZAR POLSKA

Zobacz więcej

Sprawdź nową generację okien GREENVIEW

tło producenta

FAKRO

Sprawdź nową generację okien GREENVIEW

Styropian, tynki, farby, kleje

tło producenta

Termo Organika

Poznaj super jakość

Okna, drzwi, osłony przeciwsłoneczne

tło producenta

Aluprof

Sprawdź ofertę

Kompletne systemy rekuperacji

tło producenta

Alnor

Dowiedz się więcej

Sprawdź nowy system DACHRYNNA

tło producenta

Galeco

Sprawdź ofertę
Zobacz więcej

Społeczność projektu domu
Dom przy Bukowej w budowie

Dołącz do społeczności osób, które budują ten dom lub są zainteresowane jego budową.

  • Oglądaj zdjęcia z budowy
  • Zadawaj pytania
  • Wymieniaj się doświadczeniami

Opinie o projekcie domu Dom przy Bukowej

Ocena

Ten projekt nie ma jeszcze opinii, bądź pierwszy!

Dodaj opinię

Wywiady mieszkańców domu Dom przy Bukowej

Zdjęcie profilowe użytkownika Bukowy1089 Bukowy1089

Wybierając odpowiedni projekt szczególną uwagę przywiązywałem do jego walorów wizualnych. Bryła budynku zaproponowana w projekcie domu parterowego Dom przy Bukowej KRK1089 szczególnie przypadła mi do gustu, dlatego też zdecydowałem się na jego zakup.Podczas realizacji nie mieliśmy większych problemów i wszystko odbyło się zgodnie z planem. Nasz dom w całości postawiła profesjonalna firma. Wykonawcom zajęło to niewiele czasu, gdyż od rozpoczęcia budowy do zamieszkania w pełni wykończonym domu minął zaledwie rok. Zdecydowaliśmy się na ogrzewanie ekogroszkiem i muszę przyznać, że takie rozwiązanie bardzo dobrze się sprawdza. Przez pełen rok wydajemy na opał ok. 3,5 tysiąca złotych.Projekt Dom przy Bukowej KRK1089 bardzo mi się podobał, jednak jego metraż był dla nas trochę za mały. Postanowiliśmy więc wydłużyć salon o 1,5 m uzyskawszy w ten sposób dodatkowe 17 m² powierzchni użytkowej. Jesteśmy rodziną 4-osobową i po wprowadzonej zmianie rozmiar części wypoczynkowej spełnia nasze oczekiwania. Ilość sypialni również jest dla nas optymalna i myślę, że czwórka domowników to odpowiednia liczba osób, aby na takim metrażu wszystkim mieszkało się w pełni komfortowo.Oprócz powiększenia budynku, zdecydowaliśmy się również na jego podpiwniczenie. Dzięki temu mogliśmy zlokalizować kotłownię na najniższej kondygnacji. Zmieniliśmy funkcję najmniejszego pokoju i w tym miejscu zrobiliśmy łazienkę. Jej pierwotną powierzchnię przeznaczyliśmy na garderobę. Jeśli ktoś również zdecydowałby się na realizację tego projektu, to proponowałbym zrobienie zadaszenia nad tarasem.Jestem zadowolony z wyboru projektu Dom przy Bukowej KRK1089. Cały nasz dom bardzo mi się podoba, gdyż wykonaliśmy go tak, jak to sobie zaplanowaliśmy. Układ pomieszczeń jest funkcjonalny i spełnia nasze oczekiwania. Polecam i pozdrawiam.

Zdjęcie profilowe użytkownika Mazowsze Mazowsze

Wybrałam projekt domu Dom przy Bukowej KRK1089, ponieważ odpowiadał moim wymaganiom, które ustaliłam sobie na początku szukania projektu. Zależało mi na tym, aby wszystko znajdowało się na jednym poziomie oraz żeby strefa nocna była oddzielona od części dziennej. Odpowiadało mi również to, iż projekt przewidywał dwie łazienki. Względy estetyczne budynku także były dla nas ważne, a kolumny przed wejściem szczególnie przypadły do gustu mojemu mężowi.Nasz dom zbudowaliśmy z cegły Porotherm i ociepliliśmy go 15cm warstwą styropianu. Dach pokryliśmy dachówką ceramiczną. Do ogrzewania domu zdecydowaliśmy się zastosować pompę ciepła z podłogowym ogrzewaniem we wszystkich pomieszczeniach. Póki co, nie mogę jednoznacznie ocenić kosztów ogrzewania, ponieważ nie ocieplaliśmy jeszcze poddasza, a pompa została uruchomiona pierwszy raz w styczniu. Na początku trzeba było ją na zmianę uruchamiać i wyłączać, więc cały czas działała na maksymalnych obrotach. Myślę, że przyszły sezon grzewczy będzie bardziej wiarygodniejszy pod względem kosztów.Podczas budowy mieliśmy małe trudności, które wyniknęły z zastosowania przez nas pewnych modyfikacji w projekcie domu Dom przy Bukowej KRK1089. Na szczęście wszystkie niejasności udało się rozwiązać i wszystko poszło w dobrym kierunku. Na początku parter został podwyższony o dwa pustaki (50cm) co daje więcej przestrzeni. Poddasze zostało również podniesione o wysokość ścianki kolankowej ze względu na późniejszą adaptację pomieszczeń do codziennego użytkowania. Postanowiliśmy zmienić lokalizację włazu na strych i zamiast na korytarzu, zrobiliśmy go w najmniejszym pokoju. Kotłownię pomniejszyliśmy o kilka centymetrów na rzecz powiększenia łazienki. Zlikwidowaliśmy jeden komin, a zamiast niego zrobiliśmy kominek wentylacyjny w kuchni. Wprowadziliśmy tą modyfikację, ponieważ nie mamy podłączenia do gazu ziemnego i do przygotowania posiłków wykorzystujemy butlę propan-butan. Dla bezpieczeństwa i wygody przenieśliśmy kuchenkę gazową w róg ściany między dwoma oknami. Do pomieszczenia gospodarczego obok kuchni wstawiliśmy jedno, wąskie okno - takie samo jak w kotłowni. W tym miejscu przechowujemy wiele różnych rzeczy, więc chcieliśmy mieć możliwość jego wietrzenia.Myślę, że dobrym pomysłem byłoby również wstawienie małego okna lub szybki przy drzwiach wejściowych. Nie pomyśleliśmy o tym i trochę tego żałujemy. Do wiatrołapu słońce nie dochodzi w żaden sposób i wchodząc do niego trzeba za każdym razem zapalać światło. Z oświetleniem pozostałych pomieszczeń nie mamy żadnego problemu, ponieważ w naszym przypadku salon i dwie sypialnie usytuowane są na stronie południowej.Układ pomieszczeń w projekcie domu parterowego Dom przy Bukowej KRK1089 bardzo nam odpowiada, więc cieszymy się że zdecydowaliśmy się właśnie na niego. Na chwilę obecną w domu mieszkamy we trójkę, jednak sądzę że przy takim metrażu komfort życia miałaby nawet 6-osobowa rodzina. Najbardziej jesteśmy zadowoleni z przestronnej kuchni i tarasu, który powiększyliśmy do 30m2. Śmiało polecam innym ten projekt. Pozdrawiam.

ASYSTENT WYBORU PROJEKTU

Szukasz idealnego projektu? Znajdziemy go dla Ciebie!

Doradca na podstawie Twoich wskazówek przygotuje spersonalizowaną listę projektów

Graficzne opracowanie rzutów poglądowych widocznych na karcie projektu zostało wykonane przez Extradom.pl. Prezentowane przez Extradom.pl wizualizacje wykonane zostały przez autora projektu i należy poczytywać je jedynie za przykład i propozycję wykończenia, wizję architektoniczną autora projektu. Ostateczne wykończenie budynku może nastąpić na wiele sposobów. Szczegółowe rozwiązania zastosowane w oferowanej dokumentacji - w tym również ilość, lokalizacje i wygląd okien, drzwi, kominów - mogą w niewielkim stopniu różnić się od prezentowanej wizualizacji budynku.

REKLAMA
Zamknij