Projekty nawet 500 zł taniej ❄️

Koniec oferty za:

00godz.

00min.

00sek.

Sprawdź

Projekt domu Dom nad Padem BHC1047

Dodano!
Dodano!

Warstwy

Warstwy

Rzut parteru

Powierzchnia (m²)
Tooltip
Powierzchnia pomieszczenia
to ta, z której faktycznie możesz korzystać – skosy i niskie części poddasza są liczone częściowo lub wcale.
  1. 100% dla wysokości powyżej 2,2 m,
  2. 50% dla wysokości 1,4–2,2 m,
  3. nie liczymy poniżej 1,4 m.

Powierzchnia podłogi
Liczymy po obrysie pomieszczenia, bez względu na jego wysokość/skosy. Jeśli nie ma skosów to powierzchnia podłogi i pomieszczenia jest taka sama.
pomieszczenia i podłogi
podłogi
1. Wiatrołap
3,70
2. Hall
5,59
3. Kuchnia
10,04
4. Pokój dzienny + jadalnia
24,04
5. Łazienka
5,38
6. Kotłownia
4,22
7. Garaż jednostanowiskowy
22,37
8. Pomieszczenie gospodarcze
3,05
Razem
78,39
78,39
Powierzchnia (m²)
Tooltip
Powierzchnia pomieszczenia
to ta, z której faktycznie możesz korzystać – skosy i niskie części poddasza są liczone częściowo lub wcale.
  1. 100% dla wysokości powyżej 2,2 m,
  2. 50% dla wysokości 1,4–2,2 m,
  3. nie liczymy poniżej 1,4 m.

Powierzchnia podłogi
Liczymy po obrysie pomieszczenia, bez względu na jego wysokość/skosy. Jeśli nie ma skosów to powierzchnia podłogi i pomieszczenia jest taka sama.
pomieszczenia
podłogi
1. Hall + schody
15,15
15,15
2. Pokój
8,90
16,32
3. Pralnia
2,79
5,20
4. Garderoba
3,67
5,92
5. Pokój
10,26
15,01
6. Pokój
10,26
15,01
7. Łazienka
3,81
6,15
Razem
54,84
78,76

    Usytuowanie na działce

    Czy ten projekt pasuje na
    Twoją działkę?

    Chętnie to sprawdzimy!

    Dowiedz się:

    • czy zmieści się na niej wybrany przez Ciebie dom
    • jakie parametry musi spełniać dom według miejscowego planu zagospodarowania lub warunków zabudowy (np. kąt nachylenia i typ dachu, liczba kondygnacji itp.
    • jakie inne projekty pasują na Twoją działkę – znajdziemy je dla Ciebie!

Pow. użytkowa

103,59 m²

Pokoje

3

Łazienki i WC

2

Garaż

1

Min. szer. i dł. działki

21,24 x 20,54 m

Kąt dachu

40°

Szacunkowy koszt SSZ

265 000 zł
Szacunkowy koszt budowy do stanu surowego zamkniętego (SSZ) metodą gospodarczą - większość prac wykonuje inwestor.

Konstrukcja

Murowana
więcej

Dom nad Padem - BHC1047

ikona 103,59 m²
Powierzchnia użytkowa
ikona3
Pokoje (bez salonu)
ikona 2
Łazienki (z toaletami)
ikona 1
Liczba stanowisk garażowych
(z wiatą garażową)
ikona
Konstrukcja: Murowana

Cena projektu:

3 650 zł

ikona
Od 8 stycznia podwyżka cen. Kup teraz i nie przepłacaj!
Gwarancja najniższej ceny Gwarancja najniższej ceny Tooltip

Projekt jest dostępny Tooltip

GRATIS 10% rabatu do LEROY MERLIN

GRATIS Przydatne Extradodatki

GRATIS Poradnik Dach Solarny

100 dni na wymianę, 30 dni na zwrot

Darmowa dostawa - kurier, paczkomaty

Bezpłatne pozwolenie na zmiany

Dokumentacja zgodna z WT2021

Pokaż więcej (5)
Konsultant Masz pytania?
Zadzwoń
71 715 20 60

pon.-pt. 8-21, sob. 9-17

Szukasz wykonawcy godnego zaufania?
Zleć budowę w Extradom.pl!

  • Z góry znasz koszt budowy domu
  • Dom odbierasz zgodnie z ustalonym harmonogramem - nawet w 6 miesięcy
  • Zabezpiecza Cię jedna kompleksowa umowa z jednym wykonawcą
  • Otrzymujesz nawet 30-letnią gwarancję na konstrukcję domu
  • Oszczędzasz swój czas dzięki pewnej i kompletnej usłudze
Cena brutto stanu
deweloperskiego od
Tooltip
Cena brutto stanu deweloperskiego od 4 629 do 5 979 zł/m2.
Cena jest uzależniona m.in. od lokalizacji, wybranej technologii, kubatury budynku, skomplikowania projektu i ewentualnych zmian, na które zdecyduje się inwestor.
Cena za m2 powierzchni netto, czyli wszystkich pomieszczeń mierzonych na wysokości podłogi.
4 629 zł/m2
Dowiedz się więcej
Konsultant Masz pytania?
Zadzwoń
71 715 20 70

pon.-pt. 8-19

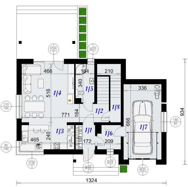
Parter - 78,39 m²

Parter projektu Dom nad Padem

Zapytaj, co możesz zmienić

Powierzchnia (m²)
Tooltip
Powierzchnia pomieszczenia
to ta, z której faktycznie możesz korzystać – skosy i niskie części poddasza są liczone częściowo lub wcale.
  1. 100% dla wysokości powyżej 2,2 m,
  2. 50% dla wysokości 1,4–2,2 m,
  3. nie liczymy poniżej 1,4 m.

Powierzchnia podłogi
Liczymy po obrysie pomieszczenia, bez względu na jego wysokość/skosy. Jeśli nie ma skosów to powierzchnia podłogi i pomieszczenia jest taka sama.
pomieszczenia i podłogi
podłogi
1. Wiatrołap
3,70
2. Hall
5,59
3. Kuchnia
10,04
4. Pokój dzienny + jadalnia
24,04
5. Łazienka
5,38
6. Kotłownia
4,22
7. Garaż jednostanowiskowy
22,37
8. Pomieszczenie gospodarcze
3,05
Razem
78,39
78,39

Natychmiast, otrzymasz PDF-y
z rzutami wszystkich kondygnacji

Poddasze - 54,84 m²

Poddasze projektu Dom nad Padem

Zapytaj, co możesz zmienić

Powierzchnia (m²)
Tooltip
Powierzchnia pomieszczenia
to ta, z której faktycznie możesz korzystać – skosy i niskie części poddasza są liczone częściowo lub wcale.
  1. 100% dla wysokości powyżej 2,2 m,
  2. 50% dla wysokości 1,4–2,2 m,
  3. nie liczymy poniżej 1,4 m.

Powierzchnia podłogi
Liczymy po obrysie pomieszczenia, bez względu na jego wysokość/skosy. Jeśli nie ma skosów to powierzchnia podłogi i pomieszczenia jest taka sama.
pomieszczenia
podłogi
1. Hall + schody
15,15
15,15
2. Pokój
8,90
16,32
3. Pralnia
2,79
5,20
4. Garderoba
3,67
5,92
5. Pokój
10,26
15,01
6. Pokój
10,26
15,01
7. Łazienka
3,81
6,15
Razem
54,84
78,76

Natychmiast, otrzymasz PDF-y
z rzutami wszystkich kondygnacji

Zamów rysunki szczegółowe

Zapoznaj się ze szczegółowymi rysunkami rzutów kondygnacji w PDF dla tego projektu.

Podobne projekty (2446)

Zobacz wszystkie
NIŻSZA CENA❄️
Zdjęcie 1 projektu Eco 19 WOZ1053
Eco 19
Dodano!
Dodano!
91,30 m²
3
2
1

4 349 zł

4 549 zł

Tooltip

Cena regularna

4 249 zł najniższa cena
Tooltip

Najniższa cena z 30 dni
przed obniżką

NIŻSZA CENA❄️
Zdjęcie 1 projektu Drops BSA2364
Drops
Dodano!
Dodano!
103,21 m²
3
2
1

4 449 zł

4 949 zł

Tooltip

Cena regularna

4 449 zł najniższa cena
Tooltip

Najniższa cena z 30 dni
przed obniżką

NIŻSZA CENA❄️
Zdjęcie 1 projektu Tarot Mini (1229) KRD2195
Tarot Mini (1229)
Dodano!
Dodano!
117,10 m²
5
2
1

4 340 zł

4 690 zł

Tooltip

Cena regularna

4 140 zł najniższa cena
Tooltip

Najniższa cena z 30 dni
przed obniżką

NIŻSZA CENA❄️
Zdjęcie 1 projektu Melon WRN1380
Melon
Dodano!
Dodano!
112,30 m²
3
2
1

3 890 zł

4 095 zł

Tooltip

Cena regularna

4 095 zł najniższa cena
Tooltip

Najniższa cena z 30 dni
przed obniżką

NIŻSZA CENA❄️
Zdjęcie 1 projektu Agatka BSA1656
Agatka
Dodano!
Dodano!
114,25 m²
3
2
1

4 049 zł

4 549 zł

Tooltip

Cena regularna

4 049 zł najniższa cena
Tooltip

Najniższa cena z 30 dni
przed obniżką

NIŻSZA CENA❄️
Zdjęcie 1 projektu BW-36 wariant 5 (FL) JGC1245
BW-36 wariant 5 (FL)
Dodano!
Dodano!
99,20 m²
4
2
1

3 530 zł

3 630 zł

Tooltip

Cena regularna

3 430 zł najniższa cena
Tooltip

Najniższa cena z 30 dni
przed obniżką

NIŻSZA CENA❄️
Zdjęcie 1 projektu APS 188 NEW LUA1322
APS 188 NEW
Dodano!
Dodano!
128,30 m²
3
2
1

4 349 zł

4 899 zł

Tooltip

Cena regularna

4 299 zł najniższa cena
Tooltip

Najniższa cena z 30 dni
przed obniżką

NIŻSZA CENA❄️
Zdjęcie 1 projektu Skarbek As OZE (1842) KRD2980
Skarbek As OZE (1842)
Dodano!
Dodano!
115,90 m²
4
2
1

4 340 zł

4 690 zł

Tooltip

Cena regularna

4 140 zł najniższa cena
Tooltip

Najniższa cena z 30 dni
przed obniżką

Metody i koszt budowy

Ten dom możesz budować metodą gospodarczą, systemem zleconym lub skorzystać z naszej oferty Projekt z Budową. Przy porównaniu weź pod uwagę nie tylko koszt, ale też różny zakres prac i standard wykonania.

Metoda gospodarcza

Najtańsza metoda - większość prac
budowlanych wykonuje inwestor

Stan surowy zamknięty (SSZ)

265 000 zł netto

Szacunkowy koszt materiałów na III kwartał 2025
  • Prace ziemne i fundamenty

    43 000 zł
  • Konstrukcja, strop oraz dach

    183 000 zł
  • Stolarka okienna i drzwiowa

    39 000 zł
  • Instalacje

    nie obejmuje
  • Prace wykończeniowe

    nie obejmuje
  • Możesz budować etapami, pamiętając jednak o zmianie kosztów w czasie
  • Możesz rozpocząć budowę z częścią niezbędnych środków
  • Sam ustalasz harmonogram, koordynujesz budowę i zapewniasz materiały
Czy da się obniżyć koszty budowy?
Zobacz nasz film jak obniżyć koszt budowy

Projekt z Budową

Najszybsza i najwygodniejsza metoda -
całą budowę domu realizuje jedna firma

Stan deweloperski
Gwarancja stałego kosztu budowy

Gwarancja stałego
kosztu budowy

  • Prace ziemne i fundamenty
  • Konstrukcja, strop oraz dach
  • Stolarka okienna i drzwiowa
  • Instalacje  
    Tooltip

    Obejmuje wykonanie instalacji:

    • wodno-kanalizacyjnej
    • centralnego ogrzewania
    • gazowej
    • elektrycznej
  • Prace wykończeniowe  
    Tooltip

    Prace wykończeniowe obejmują:

    • sufity i ściany wewnętrzne
    • tynki i okładziny ścian wewnętrznych
    • wylewki i posadzkę
    • ocieplenie ścian zewnętrznych i elewację

Budowa
nawet w
6mies.

  • Kompleksowa umowa i znany z góry koszt budowy
  • Logistyka, organizacja budowy i zakupy po stronie firmy budowlanej
  • Formalności i dokumentacje po stronie firmy budowlanej
  • Różne technologie budowy dopasowane do projektu i budżetu
Szczegóły i dostępne technologie
icon

Polecamy

Kosztorys

Zawiera zestawienie wszystkich potrzebnych materiałów wraz z ich cenami, uwzględnia koszty sprzętu i transportu. Z kosztorysem:

  • poznasz całkowite koszty budowy
  • zaplanujesz prace na budowie
  • łatwiej ocenisz konkurencyjność ofert podwykonawców
  • otrzymasz dokument wymagany w procesie kredytowym

Elewacje

Frontowa
Tylna
Lewa
Prawa

Usytuowanie na działce

Czy ten projekt pasuje na
Twoją działkę?

Chętnie to sprawdzimy!

Czy ten projekt pasuje na
Twoją działkę?

Chętnie to sprawdzimy!

Dowiedz się:

  • czy zmieści się na niej wybrany przez Ciebie dom
  • jakie parametry musi spełniać dom według miejscowego planu zagospodarowania lub warunków zabudowy (np. kąt nachylenia i typ dachu, liczba kondygnacji itp.
  • jakie inne projekty pasują na Twoją działkę – znajdziemy je dla Ciebie!
Autor: HOUSECOLLECTION sp. z o.o.

Dane techniczne projektu

Powierzchnie i wymiary Powierzchnie i wymiary

Powierzchnia użytkowa
Tooltip
Suma powierzchni wszystkich pomieszczeń mieszkalnych, pomniejszona o pow. garażu, kotłowni, strychu, piwnicy. Jest liczona w 100% dla pomieszczeń o wysokości powyżej 2,2 m, w 50% dla pomieszczeń o wys. 2,2-1,4 m i niewliczana dla niższych niż 1,4 m.

103,59 m²

Powierzchnia zabudowy
Tooltip
Powierzchnia zajmowana przez część na- oraz nadziemną budynku liczona, jako rzut pionowy budynku na działkę.

109,08 m²

Powierzchnia całkowita
Tooltip
Całkowita powierzchnia wszystkich kondygnacji budynku łącznie z elementami nośnymi, takimi jak ściany zewnętrzne (z ociepleniem), słupy, tarasy, itp.

218,16 m²

Kubatura netto
Tooltip
Zazwyczaj jest to suma kubatur (objętości) pomieszczeń budynku, bez strychu, liczonych po zewnętrznym obrysie murów (z ociepleniem).

364,74 m³

Kąt nachylenia dachu
Tooltip
Nachylenie połaci dachu głównego podawane w stopniach. Uwaga! W niektórych projektach występuje więcej niż jedno nachylenie dachu.

40°

Wysokość budynku
Tooltip
Wysokość liczona od części budynku położonej najniżej przy powierzchni terenu do najwyższego punktu dachu (kalenicy) z wyłączeniem kominów.

8,40 m

Szerokość elewacji

13,24 m

Długość elewacji

9,34 m

Min. szerokość działki
Tooltip
Najmniejsza możliwa szerokość działki niezbędna do wybudowania wybranego domu. Składa się z szerokości elewacji domu powiększonej z obu stron o 3 m dla ściany bez otworów drzwiowych/okiennych lub 4 m, dla ściany z otworami.

21,24 m

Min. długość działki
Tooltip
Najmniejsza możliwa długość działki niezbędna do wybudowania wybranego domu. Składa się z długości elewacji domu powiększonej z obu stron o 3 m dla ściany bez otworów drzwiowych/okiennych lub 4 m, dla ściany z otworami.

20,54 m

Energooszczędność Energooszczędność

Oze Czym jest OZE (Odnawialne Źródło Energii)?
Ogrzewanie główne

Gazowe - szczegóły

Interesuje Cię inne źródło ogrzewania? Wyślij zapytanie lub zadzwoń do doradcy

Wentylacja

Mechaniczna nawiewno-wywiewna z rekuperacją lub grawitacyjna - do wyboru na etapie adaptacji

Instalacje w projekcie

Ogrzewanie podłogowe (na całej powierzchni domu lub w jej części, szczegóły u doradcy)

Warunki techniczne

Projekt zgody z WT 2021

Technologia i konstrukcja Technologia i konstrukcja

Konstrukcja

Murowana

PROJEKT Z BUDOWĄ Istnieje możliwość zaadaptowania tego projektu do technologii prefabrykowanej/modułowej i budowy nawet w 6 miesięcy ze stałym kosztem budowy

Dowiedz się więcej »
Opis szczegółowy

Ściany: bloczek z betonu komórkowego klasy M600 o grubości 24cm. Styropian EPS 70 o grubości 20cm, np. firmy Swisspor. Strop: w projekcie zaprojektowano strop gęsto żebrowy TERIVA 4,0/1 o gr. 24cm. Dach: dwuspadowy, więźba drewniana tradycyjna o konstrukcji płatwiowo-słupowej, nachylenie 40st., pokrycie z blachodachówki. Elewacje: tynk cienkowarstwowy, cokół z grafitowych płytek klinkierowych. Ogrzewanie: W projekcie zastosowano kocioł na paliwo gazowe. Istnieje możliwość zamiany kotła na inne paliwo na etapie adaptacji. Ogrzewanie podłogowe: Ogrzewanie podłogowe zaprojektowano w takich pomieszczeniach jak: korytarze, łazienki, kuchnia, salon. Wentylacja: W projekcie jako podstawową wentylację zaprojektowano wentylację grawitacyjną. Dodatkowo do projektu dołączamy gratis projekt wentylacji mechanicznej- rekuperacji. Na etapie adaptacji projektu należy wybrać jedną z dwóch opcji.

Strop

Gęstożebrowy

Reklama
Okna i drzwi tarasowe

Nowoczesne okna PVC i aluminiowe WIŚNIOWSKI – doskonała izolacja, elegancki design i niezrównana trwałość.

Wiśniowski
Sprawdź parametry!
Okna dachowe

Oferujemy bezpłatne konsultacje w zakresie wszystkich rozwiązań VELUX. Wyceny, porady dotyczące doboru okien i rolet zewnętrznych - sprawdź!

Velux
Sprawdź szczegóły
Płytki ceramiczne i gresy

Od małych formatów po wielkoformatowe gresy. Marmur, beton, drewno, kamień, lastryko czy cegiełki zamówisz wygodnie online z szybką dostawą.

Ceramzet
Sprawdź ofertę
Drzwi

Ciepłe drzwi WIŚNIOWSKI z kontrolą dostępu. Szeroka gama wzorów i kolorów.

Wiśniowski
Wybierz najlepsze
Bramy garażowe

Automatyczne bramy garażowe segmentowe i uchylne WIŚNIOWSKI na wymiar i z systemem smart home w standardzie.

Wiśniowski
Sprawdź ofertę!
Armatura i ceramika łazienkowa

Topowi producenci. Baterie łazienkowe, zestawy natynkowe i podtynkowe, umywalki, wanny, miski WC oraz kabiny zamówisz kompleksowo online.

Ceramzet II
Dowiedz się więcej
Rekuperacja

Alnor - kompletny system rekuperacji. Dobierz idealne rozwiązanie dla Twojego domu!

Alnor
Dobierz rekuperator
Gruntowe pompy ciepła

Przeprowadzimy kompletną instalację najbardziej oszczędnego źródła ciepła w Twoim nowym domu - gruntowej pompy ciepła. Od dokumentacji, pozwoleń, po odwierty i instalację.

Geothermal Solutions
Dowiedz się więcej

Gotowe domy modułowe (114)

Zobacz wszystkie
Stan deweloperski nawet w 6 miesięcy Gwarancja stałej ceny
Zdjęcie 1 projektu Dom prefabrykowany DH127U HDH1008
Pow. użytkowa
104,52 m²
Pokoje
3
552 420 zł 5 128 zł/m²
Zdjęcie 1 projektu Dom szkieletowy Spruce Smart 112 HHT1030
Pow. użytkowa
102,60 m²
Pokoje
3
550 500 zł 5 365 zł/m²
Zdjęcie 1 projektu Dom szkieletowy Green Smart 120 HHT1027
Pow. użytkowa
105,59 m²
Pokoje
5
586 400 zł 5 554 zł/m²
Zdjęcie 1 projektu Dom prefabrykowany DEX106 HDX1001
Pow. użytkowa
106 m²
Pokoje
3
685 000 zł 6 462 zł/m²
Zdjęcie 1 projektu Dom prefabrykowany Parterowy 100D HFX1011
Pow. użytkowa
100,44 m²
Pokoje
3
439 000 zł 4 371 zł/m²
Zdjęcie 1 projektu Dom prefabrykowany Parterowy 100E HFX1012
Pow. użytkowa
100,28 m²
Pokoje
4
439 000 zł 4 378 zł/m²
Zdjęcie 1 projektu Dom keramzytowy Essenzia 110 HRK1001
Pow. użytkowa
107 m²
Pokoje
3
474 120 zł 4 431 zł/m²
Zdjęcie 1 projektu Dom prefabrykowany Parterowy 100B HFX1010
Pow. użytkowa
100,01 m²
Pokoje
3
439 000 zł 4 390 zł/m²

Dodatki do projektu

Dodatki możesz zamówić w koszyku lub telefonicznie u naszego Doradcy.

Ikona

Bestseller

Kosztorys

1 500 zł

Ikona

Bestseller

Dodatkowy egzemplarz projektu

650 zł

Ikona

Bestseller

Elektroniczna wersja projektu

500 zł

Opis projektu domu
Dom nad Padem

Dom nad Padem to klasyczny projekt, w którym na Państwa uwagę zasługuje klasyczna ceglana dachówka oraz elementy elewacji z wytrzymałych desek, które są odporne na działanie czynników atmosferycznych i nie wymagają konserwacji w odróżnieniu od naturalnych tworzyw. To nieruchomość o powierzchni użytkowej ponad 100m2, która spełni oczekiwania zarówno par, jak i rodzin 2+1. Dom nad Padem składa się z funkcjonalnego parteru oraz przestronnego poddasza. Na parterze przeznaczyliśmy niemal 35m2 na kuchnię oraz pokój dzienny. Wspólna przestrzeń sprawia, że dom otrzymuje serce – strefę, która sprzyja wspólnemu spędzaniu czasu. Kuchnię od reszty pomieszczenia oddziela półwyspa, która jest przedłużeniem blatu roboczego. Duże drzwi w salonie prowadzą na taras, na którym w ciepłe dni możecie Państwo spożywać posiłki oraz przyjmować gości. Zaprojektowaliśmy drzwi otwierane do wewnątrz, ale ostateczna decyzja o rodzaju stolarki, jaki zostanie założony w domu należy do Państwa. Niewielka łazienka, którą ulokowaliśmy obok pokoju dziennego, znacznie ułatwia codzienne korzystanie z parteru. Na poddaszu zaprojektowaliśmy trzy komfortowe sypialnie, które możecie Państwo dowolnie zaaranżować. Jedna z nich może stać się komfortowym pokojem dla gości, a druga pełnić rolę pracowni lub gabinetu. Poddasze domu nad Padem jest w pełni funkcjonalne – ma własną łazienkę, pralnię oraz garderobę, z której mogą korzystać wszyscy domownicy. Pomieszczenia pomocnicze w tej nieruchomości tworzą: jednostanowiskowy garaż oraz kotłownia z piecem gazowym. Rodzaj systemu ogrzewania jest naszą propozycją, wiec na etapie adaptacji projektu możecie Państwo dokonać zmian. Zachęcamy do zapoznania się ze szczegółami projektu domu nad Padem w wariancie podstawowym oraz odbicia lustrzanego.
Czytaj więcej

Polecani producenci

Prefabrykowane konstrukcje dachowe

tło producenta

WIĄZAR POLSKA

Zobacz więcej

Sprawdź nową generację okien GREENVIEW

tło producenta

FAKRO

Sprawdź nową generację okien GREENVIEW

Styropian, tynki, farby, kleje

tło producenta

Termo Organika

Poznaj super jakość

Okna, drzwi, osłony przeciwsłoneczne

tło producenta

Aluprof

Sprawdź ofertę

Kompletne systemy rekuperacji

tło producenta

Alnor

Dowiedz się więcej

Sprawdź nowy system DACHRYNNA

tło producenta

Galeco

Sprawdź ofertę
Zobacz więcej

Społeczność projektu domu
Dom nad Padem w budowie

Dołącz do społeczności osób, które budują ten dom lub są zainteresowane jego budową.

  • Oglądaj zdjęcia z budowy
  • Zadawaj pytania
  • Wymieniaj się doświadczeniami

Opinie o projekcie domu Dom nad Padem

Ocena

Ten projekt nie ma jeszcze opinii, bądź pierwszy!

Dodaj opinię

ASYSTENT WYBORU PROJEKTU

Szukasz idealnego projektu? Znajdziemy go dla Ciebie!

Doradca na podstawie Twoich wskazówek przygotuje spersonalizowaną listę projektów

Graficzne opracowanie rzutów poglądowych widocznych na karcie projektu zostało wykonane przez Extradom.pl. Prezentowane przez Extradom.pl wizualizacje wykonane zostały przez autora projektu i należy poczytywać je jedynie za przykład i propozycję wykończenia, wizję architektoniczną autora projektu. Ostateczne wykończenie budynku może nastąpić na wiele sposobów. Szczegółowe rozwiązania zastosowane w oferowanej dokumentacji - w tym również ilość, lokalizacje i wygląd okien, drzwi, kominów - mogą w niewielkim stopniu różnić się od prezentowanej wizualizacji budynku.

Extradom.pl Spółka z ograniczoną odpowiedzialnością z siedzibą przy ul. Jaworskiej 13, 53-612 Wrocław, wpisana do rejestru przedsiębiorców Krajowego Rejestru Sądowego przez Sąd Rejonowy dla Wrocławia-Fabrycznej we Wrocławiu, VI Wydział Gospodarczy Krajowego Rejestru Sądowego do pod numerem KRS 0000648746, numer NIP 895-17-18-333, o kapitale zakładowym 708 150,00 zł uprzejmie informuje, iż poprzez serwis Extradom.pl umożliwia m.in. zapoznanie się przez konsumentów z ofertą handlową Partnerów Extradom.pl, którzy stosują metody budowy domów przy wykorzystaniu różnego rodzaju technologie prefabrykacji bądź modułowe (tzw. „Gotowe domy”).

Extradom.pl nie prowadzi jednakże sprzedaży ani nie oferuje usług polegających na doradztwie finansowym, prawnym ani podatkowym w zakresie inwestycji realizowanych w technologiach tzw. „Gotowych domów”. Informacje prezentowane w serwisie Extradom.pl dotyczące Partnerów Extradom.pl oferujących realizację inwestycji w technologiach „Gotowych domów” lub podobnych mają charakter informacyjny i reklamowy.

Prezentowane w serwisie Extradom.pl informacje dotyczące stosowanych przez Partnerów metod budowy domów w technologii prefabrykacji bądź modułowej pochodzą od Partnerów Extradom.pl.

Extradom.pl sp. z o.o. jedynie umożliwia nawiązanie kontaktu przez Użytkownika z Partnerem Extradom.pl stosującym tego rodzaju technologie budowy domów i nie jest stroną umowy o roboty budowlane zawieranej przez Użytkownika Extradom.pl z Partnerem Extradom.pl.

REKLAMA
Zamknij