👉 Wiosenne rabaty + karta allegro 200 zł! 🔥

Koniec oferty za:

00godz.

00min.

00sek.

Sprawdź

Projekt domu Alicja X 2G BSB1145

Zapisz Dodano!
Porównaj Dodano!
ikona Pobierz i drukuj
Dodaj opinię

Warstwy

Warstwy

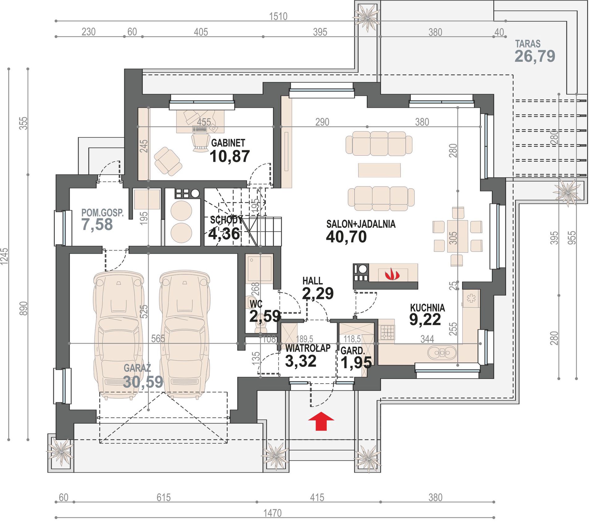
Rzut parteru

Powierzchnia (m²)
Tooltip
Powierzchnia pomieszczenia
to ta, z której faktycznie możesz korzystać – skosy i niskie części poddasza są liczone częściowo lub wcale.
  1. 100% dla wysokości powyżej 2,2 m,
  2. 50% dla wysokości 1,4–2,2 m,
  3. nie liczymy poniżej 1,4 m.

Powierzchnia podłogi
Liczymy po obrysie pomieszczenia, bez względu na jego wysokość/skosy. Jeśli nie ma skosów to powierzchnia podłogi i pomieszczenia jest taka sama.
pomieszczenia i podłogi
podłogi
1. Wiatrołap
3,32
2. Garderoba
1,95
3. Kuchnia
9,22
4. Pokój dzienny + jadalnia
40,70
5. Pokój
10,87
6. Pomieszczenie gospodarcze
7,58
7. Schody
4,36
8. Hall
2,29
9. Wc
2,59
10. Garaż dwustanowiskowy
30,59
Razem
113,47
113,47
11. Taras
26,79
Powierzchnia (m²)
Tooltip
Powierzchnia pomieszczenia
to ta, z której faktycznie możesz korzystać – skosy i niskie części poddasza są liczone częściowo lub wcale.
  1. 100% dla wysokości powyżej 2,2 m,
  2. 50% dla wysokości 1,4–2,2 m,
  3. nie liczymy poniżej 1,4 m.

Powierzchnia podłogi
Liczymy po obrysie pomieszczenia, bez względu na jego wysokość/skosy. Jeśli nie ma skosów to powierzchnia podłogi i pomieszczenia jest taka sama.
pomieszczenia
podłogi
1. Hall
6,55
6,55
2. Pokój
9,98
23,82
3. Pokój
16,42
26,39
4. Pokój
16,32
17,67
5. Garderoba
4,40
8,93
6. Łazienka
9,40
13,94
7. Łazienka
7,54
19,70
Razem
70,61
117
8. Balkon
3,87

    Usytuowanie na działce

    Czy ten projekt pasuje na
    Twoją działkę?

    Chętnie to sprawdzimy!

    Dowiedz się:

    • czy zmieści się na niej wybrany przez Ciebie dom
    • jakie parametry musi spełniać dom według miejscowego planu zagospodarowania lub warunków zabudowy (np. kąt nachylenia i typ dachu, liczba kondygnacji itp.
    • jakie inne projekty pasują na Twoją działkę – znajdziemy je dla Ciebie!

Pow. użytkowa

145,91 m²

Pokoje

4

Łazienki i WC

3

Garaż

2

Kąt dachu

40°

Wysokość budynku

8,80 m

Powierzchnia zabudowy

149,96 m²

Min. szer. i dł. działki

23,1 x 19,45 m

Konstrukcja

Murowana

Szacunkowy koszt SSZ
netto na I kwartał 2026

370 000 zł

Pokaż więcej parametrów

Zapisz Dodano!
Porównaj Dodano!
ikona Pobierz i drukuj

Alicja X 2G - BSB1145

ikona 145,91 m²
Powierzchnia użytkowa
ikona4
Pokoje (bez salonu)
ikona 3
Łazienki (z toaletami)
ikona 2
Liczba stanowisk garażowych
(z wiatą garażową)
ikona
Konstrukcja: Murowana

Promocja

od 05.05.2026 do 07.05.2026

0dni

00 00 00

5 320 zł

5 600 zł - cena regularna
Tooltip

Cena regularna obowiązywała od 29.04.2026 do 04.05.2026

5 320 zł - najniższa cena z 30 dni przed obniżką

Projekt jest dostępny

Gwarancja najniższej ceny
ikona
Darmowa dostawa
Paczkomaty, kurier
ikona
100 dni na wymianę,
30 dni na zwrot
ikona Zyskaj najwięcej! Extradodatki GRATIS:

15% rabatu do LEROY MERLIN

10% rabatu w CASTORAMIE

16% rabatu w SELSEY

Kurs wideo dla planujących budowę

Pakiet Formalności 2026

Przydatne Extradodatki

Poradnik Dach Solarny

ikona Co zawiera projekt?
  • Projekt zgodny z WT2021
  • Bezpłatne pozwolenie na zmiany
  • Charakterystyka energetyczna
Konsultant
71 715 20 60

pon.-pt. 8-21, sob. 9-17

Szukasz wykonawcy godnego zaufania?
Zleć budowę w Extradom.pl!

  • Z góry znasz koszt budowy domu
  • Dom odbierasz zgodnie z ustalonym harmonogramem - nawet w 6 miesięcy
  • Zabezpiecza Cię jedna kompleksowa umowa z jednym wykonawcą
  • Otrzymujesz nawet 30-letnią gwarancję na konstrukcję domu
  • Oszczędzasz swój czas dzięki pewnej i kompletnej usłudze
  • Odbiór techniczny GRATIS - Gwarantujemy najwyższą jakość
Cena brutto stanu
deweloperskiego od
Tooltip
Cena brutto stanu deweloperskiego od 4 529 do 5 829 zł/m2.
Cena jest uzależniona m.in. od lokalizacji, wybranej technologii, kubatury budynku, skomplikowania projektu i ewentualnych zmian, na które zdecyduje się inwestor.
Cena za m2 powierzchni netto, czyli wszystkich pomieszczeń mierzonych na wysokości podłogi.
4 529 zł/m2
Dowiedz się więcej
Konsultant Masz pytania?
Zadzwoń
71 715 20 09

pon.-pt. 8-19

Parter - 113,47 m²

Parter projektu Alicja X 2G

Zapytaj, co możesz zmienić

Powierzchnia (m²)
Tooltip
Powierzchnia pomieszczenia
to ta, z której faktycznie możesz korzystać – skosy i niskie części poddasza są liczone częściowo lub wcale.
  1. 100% dla wysokości powyżej 2,2 m,
  2. 50% dla wysokości 1,4–2,2 m,
  3. nie liczymy poniżej 1,4 m.

Powierzchnia podłogi
Liczymy po obrysie pomieszczenia, bez względu na jego wysokość/skosy. Jeśli nie ma skosów to powierzchnia podłogi i pomieszczenia jest taka sama.
pomieszczenia i podłogi
podłogi
1. Wiatrołap
3,32
2. Garderoba
1,95
3. Kuchnia
9,22
4. Pokój dzienny + jadalnia
40,70
5. Pokój
10,87
6. Pomieszczenie gospodarcze
7,58
7. Schody
4,36
8. Hall
2,29
9. Wc
2,59
10. Garaż dwustanowiskowy
30,59
Razem
113,47
113,47
11. Taras
26,79

Natychmiast, otrzymasz PDF-y
z rzutami wszystkich kondygnacji

Poddasze - 70,61 m²

Poddasze projektu Alicja X 2G

Zapytaj, co możesz zmienić

Powierzchnia (m²)
Tooltip
Powierzchnia pomieszczenia
to ta, z której faktycznie możesz korzystać – skosy i niskie części poddasza są liczone częściowo lub wcale.
  1. 100% dla wysokości powyżej 2,2 m,
  2. 50% dla wysokości 1,4–2,2 m,
  3. nie liczymy poniżej 1,4 m.

Powierzchnia podłogi
Liczymy po obrysie pomieszczenia, bez względu na jego wysokość/skosy. Jeśli nie ma skosów to powierzchnia podłogi i pomieszczenia jest taka sama.
pomieszczenia
podłogi
1. Hall
6,55
6,55
2. Pokój
9,98
23,82
3. Pokój
16,42
26,39
4. Pokój
16,32
17,67
5. Garderoba
4,40
8,93
6. Łazienka
9,40
13,94
7. Łazienka
7,54
19,70
Razem
70,61
117
8. Balkon
3,87

Natychmiast, otrzymasz PDF-y
z rzutami wszystkich kondygnacji

Zamów rysunki szczegółowe

Zapoznaj się ze szczegółowymi rysunkami rzutów kondygnacji w PDF dla tego projektu.

Warianty projektu (3)

PROMOCJA
Projekt domu Alicja X
Alicja X
Dodano!
Dodano!
138,09 m²
4
3
1

5 035 zł

5 300 zł

Tooltip

Cena regularna

5 035 zł najniższa cena
Tooltip

Najniższa cena z 30 dni
przed obniżką

PROMOCJA
Projekt domu Alicja N
Alicja N
Dodano!
Dodano!
133,48 m²
4
3
1

5 035 zł

5 300 zł

Tooltip

Cena regularna

4 563 zł najniższa cena
Tooltip

Najniższa cena z 30 dni
przed obniżką

PROMOCJA
Projekt domu Alicja N 2G+
Alicja N 2G+
Dodano!
Dodano!
138,55 m²
4
3
2

5 320 zł

5 600 zł

Tooltip

Cena regularna

4 839 zł najniższa cena
Tooltip

Najniższa cena z 30 dni
przed obniżką

Podobne projekty (102)

Zobacz wszystkie
NIŻSZA CENA 🔥
Zdjęcie 1 projektu Opałek III N 2G+ BSB1119
Opałek III N 2G+
Dodano!
Dodano!
139,80 m²
4
3
2

5 320 zł

5 600 zł

Tooltip

Cena regularna

4 839 zł najniższa cena
Tooltip

Najniższa cena z 30 dni
przed obniżką

NIŻSZA CENA 🔥
Zdjęcie 1 projektu Alicja N 2G BSB1147
Alicja N 2G
Dodano!
Dodano!
137,65 m²
4
3
2

5 320 zł

5 600 zł

Tooltip

Cena regularna

4 839 zł najniższa cena
Tooltip

Najniższa cena z 30 dni
przed obniżką

NIŻSZA CENA 🔥
Zdjęcie 1 projektu Reksio X 2G BSB1148
Reksio X 2G
Dodano!
Dodano!
121,47 m²
5
2
2

5 320 zł

5 600 zł

Tooltip

Cena regularna

4 839 zł najniższa cena
Tooltip

Najniższa cena z 30 dni
przed obniżką

NIŻSZA CENA 🔥
Zdjęcie 1 projektu BW-51 wariant 1 JGC1173
BW-51 wariant 1
Dodano!
Dodano!
126,80 m²
4
2
1

3 980 zł

4 080 zł

Tooltip

Cena regularna

3 980 zł najniższa cena
Tooltip

Najniższa cena z 30 dni
przed obniżką

NIŻSZA CENA 🔥
Zdjęcie 1 projektu APS 105 + P LUA1323
APS 105 + P
Dodano!
Dodano!
167,20 m²
4
3
1

5 149 zł

5 699 zł

Tooltip

Cena regularna

4 949 zł najniższa cena
Tooltip

Najniższa cena z 30 dni
przed obniżką

NIŻSZA CENA 🔥
Zdjęcie 1 projektu Opałek X 2G BSB1143
Opałek X 2G
Dodano!
Dodano!
149,84 m²
4
3
2

5 320 zł

5 600 zł

Tooltip

Cena regularna

5 320 zł najniższa cena
Tooltip

Najniższa cena z 30 dni
przed obniżką

NIŻSZA CENA 🔥
Zdjęcie 1 projektu Opałek X BSB1144
Opałek X
Dodano!
Dodano!
143,27 m²
4
3
1

5 035 zł

5 300 zł

Tooltip

Cena regularna

5 035 zł najniższa cena
Tooltip

Najniższa cena z 30 dni
przed obniżką

NIŻSZA CENA 🔥
Zdjęcie 1 projektu Opałek III N 2G BSB1157
Opałek III N 2G
Dodano!
Dodano!
138,90 m²
4
3
2

5 320 zł

5 600 zł

Tooltip

Cena regularna

4 839 zł najniższa cena
Tooltip

Najniższa cena z 30 dni
przed obniżką

Metody i koszt budowy

Ten dom możesz budować metodą gospodarczą, systemem zleconym lub skorzystać z naszej oferty Projekt z Budową. Przy porównaniu weź pod uwagę nie tylko koszt, ale też różny zakres prac i standard wykonania.

Metoda gospodarcza

Najtańsza metoda - większość prac
budowlanych wykonuje inwestor

Stan surowy zamknięty (SSZ)

370 000 zł netto

Szacunkowy koszt materiałów na I kwartał 2026
  • Prace ziemne i fundamenty

    60 000 zł
  • Konstrukcja, strop oraz dach

    256 000 zł
  • Stolarka okienna i drzwiowa

    54 000 zł
  • Instalacje

    nie obejmuje
  • Prace wykończeniowe

    nie obejmuje
  • Możesz budować etapami, pamiętając jednak o zmianie kosztów w czasie
  • Możesz rozpocząć budowę z częścią niezbędnych środków
  • Sam ustalasz harmonogram, koordynujesz budowę i zapewniasz materiały
Czy da się obniżyć koszty budowy?
Zobacz nasz film jak obniżyć koszt budowy

Projekt z Budową

Najszybsza i najwygodniejsza metoda -
całą budowę domu realizuje jedna firma

Stan deweloperski
Gwarancja stałego kosztu budowy

Gwarancja stałego
kosztu budowy

  • Prace ziemne i fundamenty
  • Konstrukcja, strop oraz dach
  • Stolarka okienna i drzwiowa
  • Instalacje  
    Tooltip

    Obejmuje wykonanie instalacji:

    • wodno-kanalizacyjnej
    • centralnego ogrzewania
    • gazowej
    • elektrycznej
  • Prace wykończeniowe  
    Tooltip

    Prace wykończeniowe obejmują:

    • sufity i ściany wewnętrzne
    • tynki i okładziny ścian wewnętrznych
    • wylewki i posadzkę
    • ocieplenie ścian zewnętrznych i elewację

Budowa
nawet w
6mies.

  • Kompleksowa umowa i znany z góry koszt budowy
  • Logistyka, organizacja budowy i zakupy po stronie firmy budowlanej
  • Formalności i dokumentacje po stronie firmy budowlanej
  • Różne technologie budowy dopasowane do projektu i budżetu
Szczegóły i dostępne technologie
icon

Darmowe

Zestawienie materiałów budowlanych

icon

Polecamy

Kosztorys

Zawiera zestawienie wszystkich potrzebnych materiałów wraz z ich cenami, uwzględnia koszty sprzętu i transportu. Z kosztorysem:

  • poznasz całkowite koszty budowy
  • zaplanujesz prace na budowie
  • łatwiej ocenisz konkurencyjność ofert podwykonawców
  • otrzymasz dokument wymagany w procesie kredytowym

Elewacje

Frontowa
Tylna
Lewa
Prawa

Usytuowanie na działce

Czy ten projekt pasuje na
Twoją działkę?

Chętnie to sprawdzimy!

Czy ten projekt pasuje na
Twoją działkę?

Chętnie to sprawdzimy!

Dowiedz się:

  • czy zmieści się na niej wybrany przez Ciebie dom
  • jakie parametry musi spełniać dom według miejscowego planu zagospodarowania lub warunków zabudowy (np. kąt nachylenia i typ dachu, liczba kondygnacji itp.
  • jakie inne projekty pasują na Twoją działkę – znajdziemy je dla Ciebie!
Autor: DOMINANTA K.SUTUŁA, K.BURZYŃSKI, K.MARKIEWICZ s.j.

Dane techniczne projektu

Powierzchnie i wymiary Powierzchnie i wymiary

Powierzchnia użytkowa
Tooltip
Suma powierzchni wszystkich pomieszczeń mieszkalnych, pomniejszona o pow. garażu, kotłowni, strychu, piwnicy. Jest liczona w 100% dla pomieszczeń o wysokości powyżej 2,2 m, w 50% dla pomieszczeń o wys. 2,2-1,4 m i niewliczana dla niższych niż 1,4 m.

145,91 m²

Powierzchnia zabudowy
Tooltip
Powierzchnia zajmowana przez część na- oraz nadziemną budynku liczona, jako rzut pionowy budynku na działkę.

149,96 m²

Powierzchnia całkowita
Tooltip
Całkowita powierzchnia wszystkich kondygnacji budynku łącznie z elementami nośnymi, takimi jak ściany zewnętrzne (z ociepleniem), słupy, tarasy, itp.

309,44 m²

Kubatura brutto
Tooltip
Zazwyczaj jest to suma kubatur (objętości) wszystkich pomieszczeń budynku, liczonych po zewnętrznym obrysie murów (z ociepleniem).

893 m³

Powierzchnia dachu

250 m²

Kąt nachylenia dachu
Tooltip
Nachylenie połaci dachu głównego podawane w stopniach. Uwaga! W niektórych projektach występuje więcej niż jedno nachylenie dachu.

40°

Wysokość budynku
Tooltip
Wysokość liczona od części budynku położonej najniżej przy powierzchni terenu do najwyższego punktu dachu (kalenicy) z wyłączeniem kominów.

8,80 m

Szerokość elewacji

15,10 m

Długość elewacji

12,45 m

Min. szerokość działki
Tooltip
Najmniejsza możliwa szerokość działki niezbędna do wybudowania wybranego domu. Składa się z szerokości elewacji domu powiększonej z obu stron o 3 m dla ściany bez otworów drzwiowych/okiennych lub 4 m, dla ściany z otworami.

23,10 m

Min. długość działki
Tooltip
Najmniejsza możliwa długość działki niezbędna do wybudowania wybranego domu. Składa się z długości elewacji domu powiększonej z obu stron o 3 m dla ściany bez otworów drzwiowych/okiennych lub 4 m, dla ściany z otworami.

19,45 m

Energooszczędność Energooszczędność

Oze Czym jest OZE (Odnawialne Źródło Energii)?
Euco
Tooltip
Energia użytkowa potrzebna do ogrzewania i wentylacji. Im parametr jest niższy tym budynek bardziej energooszczędny.

47 kWh/(m²rok)

Ogrzewanie główne

Gazowe lub paliwo stałe (OZE) lub olejowe - do wyboru na etapie adaptacji

Interesuje Cię inne źródło ogrzewania? Wyślij zapytanie lub zadzwoń do doradcy

Wentylacja

Mechaniczna nawiewno-wywiewna z rekuperacją - szczegóły

Instalacje w projekcie

Ogrzewanie podłogowe (na całej powierzchni domu lub w jej części, szczegóły u doradcy)
Kolektory słoneczne

Warunki techniczne

Projekt zgody z WT 2021

Technologia i konstrukcja Technologia i konstrukcja

Konstrukcja

Murowana

PROJEKT Z BUDOWĄ Istnieje możliwość zaadaptowania tego projektu do technologii prefabrykowanej/modułowej i budowy nawet w 6 miesięcy ze stałym kosztem budowy

Dowiedz się więcej »
Opis szczegółowy

Ściany zewnętrzne: tradycyjne dwuwartwowe (pustak ceramiczny + styropian frezowany). Stropy: żelbetowy monolityczny. Schody wewnętrzne:. Schody: ażurowe, drewniane lub stalowo-drewniane, indywidualne. Dach: o konstrukcji drewnianej, pokryty dachówką ceramiczną, cementową lub blachodachówką, na fragmentach blacha trapezowa.

Strop

Żelbetowy

Reklama
Okna i drzwi tarasowe

Nowoczesne okna PVC i aluminiowe WIŚNIOWSKI – doskonała izolacja, elegancki design i niezrównana trwałość.

Wiśniowski
Sprawdź parametry!
Okna dachowe

Oferujemy bezpłatne konsultacje w zakresie wszystkich rozwiązań VELUX. Wyceny, porady dotyczące doboru okien i rolet zewnętrznych - sprawdź!

Velux
Sprawdź szczegóły
Pompa ciepła

Wybierz pompę ciepła, która pasuje do Twojego domu. Niezależnie od tego, czy ustawienie wewnątrz czy na zewnątrz, pompy ciepła STIEBEL ELTRON dopasują się do każdej przestrzeni.

Stiebel
Dobierz pompę ciepła
Drzwi

Ciepłe drzwi WIŚNIOWSKI z kontrolą dostępu. Szeroka gama wzorów i kolorów.

Wiśniowski
Wybierz najlepsze
Bramy garażowe

Automatyczne bramy garażowe segmentowe i uchylne WIŚNIOWSKI na wymiar i z systemem smart home w standardzie.

Wiśniowski
Sprawdź ofertę!
Rekuperacja

Alnor - kompletny system rekuperacji. Dobierz idealne rozwiązanie dla Twojego domu!

Alnor
Dobierz rekuperator
Dach

Producent stalowych pokryć dachowych i systemów elewacyjnych. Precyzja wykonania, trwałość na lata i szybki montaż doceniany przez dekarzy. Postaw na solidny dach Budmat.

Budmat
Sprawdź ofertę
Ogrodzenie

Nowoczesne stalowe ogrodzenia Budmat - estetyka, bezpieczeństwo i trwałość na lata. Systemowe rozwiązania na wymiar, dopasowane do każdego domu.

Budmat
Sprawdź ofertę

Gotowe domy - najszybszy sposób na dom (115)

Zobacz wszystkie
  • Stan deweloperski nawet w 6 miesięcy
  • Gwarancja stałej ceny
Skonfiguruj dom
Zdjęcie 1 projektu Bergen 130 HUS1002
130,40 m²
4
Stan deweloperski brutto
529 000 zł 4 057 zł/m²
Zdjęcie 1 projektu Dom szkieletowy Open Sky 195 HHT1029
145,04 m²
4
Stan deweloperski brutto
940 300 zł 6 483 zł/m²
Zdjęcie 1 projektu Dom prefabrykowany Parterowy 150B HFX1039
150,50 m²
4
Stan deweloperski brutto
590 000 zł 3 920 zł/m²
Zdjęcie 1 projektu Dom prefabrykowany Parterowy 150A HFX1038
150,51 m²
4
Stan deweloperski brutto
590 000 zł 3 920 zł/m²
Zdjęcie 1 projektu Dom prefabrykowany P.1 z okapem HPK1000
139,44 m²
3
Stan deweloperski brutto
734 000 zł 5 264 zł/m²
Zdjęcie 1 projektu Dom prefabrykowany P.1 bez okapu HPK1012
139,44 m²
3
Stan deweloperski brutto
712 400 zł 5 109 zł/m²
Zdjęcie 1 projektu Dom prefabrykowany P.5 HPK1004
138,67 m²
5
Stan deweloperski brutto
787 200 zł 5 677 zł/m²
Zdjęcie 1 projektu Dom prefabrykowany DEX136 HDX1002
136 m²
4
Stan deweloperski brutto
895 700 zł 6 586 zł/m²

Dodatki do projektu

Dodatki możesz zamówić w koszyku lub telefonicznie u naszego Doradcy.

Ikona

Bestseller

Kosztorys

600 zł

Ikona

Bestseller

Dodatkowy egzemplarz projektu

500 zł

Opis projektu domu
Alicja X 2G

DomProjekt domu Alicja X 2G

Alicja X 2G to projekt nowoczesnego domu z poddaszem użytkowym i dwustanowiskowym garażem, stworzony z myślą o potrzebach 4-5 osobowej rodziny. Rozłożysta bryła z klasycznym, kopertowym dachem łączy elegancję z funkcjonalnością, oferując przestronne i doskonale doświetlone wnętrza na dwóch kondygnacjach.

WyróżnieniaCo wyróżnia ten dom?

  • Prywatna strefa rodziców na poddaszu – sypialnia główna z własną, dedykowaną garderobą i komfortową łazienką tworzy intymny azyl, oddzielony od reszty domu.
  • Dodatkowy pokój na parterze – elastyczna przestrzeń, która może służyć jako wygodny gabinet do pracy zdalnej, pokój gościnny lub bawialnia dla dzieci.
  • Wyraźny podział na strefy funkcjonalne – parter pełni funkcję otwartej strefy dziennej, idealnej do wspólnego spędzania czasu, podczas gdy poddasze to zaciszna strefa nocna, gwarantująca spokój i prywatność wszystkim domownikom.
  • Zamknięta kuchnia – praktyczne rozwiązanie, które pozwala oddzielić strefę gotowania od salonu, zapobiegając rozprzestrzenianiu się zapachów i hałasów.

ArchitekturaArchitektura i wygląd

Nowoczesny charakter projektu Alicja X 2G podkreśla rozłożysta bryła z garażem wysuniętym do przodu. Całość wieńczy elegancki, kopertowy dach z okapem, urozmaicony dwiema klasycznymi lukarnami, które nie tylko dodają uroku, ale również skutecznie doświetlają pomieszczenia na poddaszu. Wejście do domu zostało osłonięte praktycznym podcieniem. Duże przeszklenia, w tym wyjście na taras z salonu, otwierają dom na ogród i zapewniają dużą ilość naturalnego światła we wnętrzach, tworząc jasną i przyjazną przestrzeń do życia.

WnętrzeWnętrze i układ funkcjonalny

Dom oferuje 145,91 m² starannie zaplanowanej powierzchni użytkowej. W jej ramach mieści się przestronny salon z jadalnią, 4 pokoje, łazienka oraz dodatkowe WC, co zapewnia komfortowe warunki dla całej rodziny.

Parter – strefa dzienna

Parter został zaprojektowany jako serce domu – otwarta i funkcjonalna strefa dzienna. Centralnym punktem jest imponujący salon z jadalnią o powierzchni ponad 40 m², w którym zaplanowano miejsce na kominek tworzący przytulną atmosferę. Z salonu prowadzi bezpośrednie wyjście na taras, płynnie łącząc wnętrze z ogrodem. Tuż obok znajduje się wygodna, zamknięta kuchnia. Program parteru uzupełniają:

  • Dodatkowy pokój, który idealnie sprawdzi się jako gabinet lub sypialnia dla gości.
  • Wiatrołap z miejscem na garderobę, zapewniający porządek w strefie wejściowej.
  • Pomieszczenie gospodarcze oraz WC dla wygody domowników.
  • Dwustanowiskowy garaż połączony z częścią mieszkalną, co ułatwia codzienne funkcjonowanie.

Poddasze – strefa nocna

Na poddaszu znajduje się prywatna strefa nocna, zaprojektowana z myślą o odpoczynku i komforcie mieszkańców. To tutaj zlokalizowano prawdziwy azyl dla rodziców – przestronną sypialnię główną połączoną z osobną garderobą oraz komfortową łazienką. Oprócz tego apartamentu, na poddaszu mieszczą się dwa dodatkowe, ustawne pokoje, które mogą pełnić funkcję sypialni dla dzieci. Duża liczba okien dachowych oraz lukarny gwarantują doskonałe doświetlenie wszystkich pomieszczeń na tej kondygnacji.

Czytaj więcej

Polecani producenci

Kompletne systemy rekuperacji

tło producenta

Alnor

Dowiedz się więcej

Dachy modułowe ze stali

tło producenta

Budmat

Poznaj szczegóły oferty

Prefabrykowane konstrukcje dachowe

tło producenta

WIĄZAR POLSKA

Zobacz więcej
Zobacz więcej

Społeczność projektu domu
Alicja X 2G w budowie

Dołącz do społeczności osób, które budują ten dom lub są zainteresowane jego budową.

  • Oglądaj zdjęcia z budowy
  • Zadawaj pytania
  • Wymieniaj się doświadczeniami

Opinie o projekcie domu
Alicja X 2G

Opinie niezweryfikowane

Bądź pierwszy!
Ten projekt nie ma jeszcze opinii, bądź pierwszy!

ikona Dodaj opinię o projekcie

ASYSTENT WYBORU PROJEKTU

Szukasz idealnego projektu? Znajdziemy go dla Ciebie!

Doradca na podstawie Twoich wskazówek przygotuje spersonalizowaną listę projektów

Graficzne opracowanie rzutów poglądowych widocznych na karcie projektu zostało wykonane przez Extradom.pl. Prezentowane przez Extradom.pl wizualizacje wykonane zostały przez autora projektu i należy poczytywać je jedynie za przykład i propozycję wykończenia, wizję architektoniczną autora projektu. Ostateczne wykończenie budynku może nastąpić na wiele sposobów. Szczegółowe rozwiązania zastosowane w oferowanej dokumentacji - w tym również ilość, lokalizacje i wygląd okien, drzwi, kominów - mogą w niewielkim stopniu różnić się od prezentowanej wizualizacji budynku.

Extradom.pl Spółka z ograniczoną odpowiedzialnością z siedzibą przy ul. Jaworskiej 13, 53-612 Wrocław, wpisana do rejestru przedsiębiorców Krajowego Rejestru Sądowego przez Sąd Rejonowy dla Wrocławia-Fabrycznej we Wrocławiu, VI Wydział Gospodarczy Krajowego Rejestru Sądowego do pod numerem KRS 0000648746, numer NIP 895-17-18-333, o kapitale zakładowym 708 150,00 zł uprzejmie informuje, iż poprzez serwis Extradom.pl umożliwia m.in. zapoznanie się przez konsumentów z ofertą handlową Partnerów Extradom.pl, którzy stosują metody budowy domów przy wykorzystaniu różnego rodzaju technologie prefabrykacji bądź modułowe (tzw. „Gotowe domy”).

Extradom.pl nie prowadzi jednakże sprzedaży ani nie oferuje usług polegających na doradztwie finansowym, prawnym ani podatkowym w zakresie inwestycji realizowanych w technologiach tzw. „Gotowych domów”. Informacje prezentowane w serwisie Extradom.pl dotyczące Partnerów Extradom.pl oferujących realizację inwestycji w technologiach „Gotowych domów” lub podobnych mają charakter informacyjny i reklamowy.

Prezentowane w serwisie Extradom.pl informacje dotyczące stosowanych przez Partnerów metod budowy domów w technologii prefabrykacji bądź modułowej pochodzą od Partnerów Extradom.pl.

Extradom.pl sp. z o.o. jedynie umożliwia nawiązanie kontaktu przez Użytkownika z Partnerem Extradom.pl stosującym tego rodzaju technologie budowy domów i nie jest stroną umowy o roboty budowlane zawieranej przez Użytkownika Extradom.pl z Partnerem Extradom.pl.

REKLAMA
Zamknij